BT SC Series Trucks Operating – Maintenance – Parts Manual 301043-000
$30.00
- Type Of Manual: Operating – Maintenance – Parts Manual
- Manual ID: 301043-000
- : Parts Manual PDF
- Number of Pages: 112
- Size: 6.0MB
- Format: PDF
Category: BT Parts Manual PDF
-
Model List:
- SC-20, SC-25, SC-30, SC-40
- 1. Front Cover
- 2. Warranty
- 3. New Owners
- 4. Preliminary Service
- 5. Specifications
- 6. Contents
- 7. Operating Rules
- 8. Maintenance Chart
- 9. Lubrication Chart
- 10. Maintenance Instructions
- 11. Service and Disassembly Instructions
- 12. Parts Ordering Instructions
- 13. Figure 1 Decal and Part Assembly
- 14. Figure 2 Parts List and Service Reference Index
- 15. Figure 3 Shielding Assembly
- 16. Figure 4 Handle and Transmission Assembly
- 17. Figure 5 Handle Assembly
- 18. Figure 6 Control Switch
- 19. Figure 7 Transmission Assembly Part 1 221
- 20. Figure 8 Transmission Assembly Part 2
- 21. Figure 9 Drive Motor Assembly
- 22. Figure 10 Traction Motor
- 23. Figure 11 Drive Motor 24 Volt
- 24. Figure 12 Wiring Schematic SC-20/40
- 25. Figure 13 Control Panel Wire Assembly Part 1
- 26. Figure 14 Control Panel Wire Assembly Part 2
- 27. Figure 15 Control Panel Wire Assembly Part 3
- 28. Figure 16 Connector Assembly
- 29. Figure 17 Control Panel Assembly
- 30. Figure 18 GE Contactor Assembly
- 31. Figure 19 GE Contactor Assembly
- 32. Figure 20 Square D Contactor
- 33. Figure 21 2nd Speed Contactor Assembly
- 34. Figure 22 Hydraulic Diagram for SC-20 and -25
- 35. Figure 23 Reservoir Assembly
- 36. Figure 24 Reservoir Pump and Motor
- 37. Figure 25 SC-20/25 Pump and Motor Assembly
- 38. Figure 26 SC-20/25 Motor Assembly 12 Volt and 24 Volt
- 39. Figure 27 SC20/25 Tilt Cylinders and Related Parts
- 40. Figure 28 SC20/25 Tilt Cylinder Assembly
- 41. Figure 29 SC-20/25 Lift Cylinder and Related Parts
- 42. Figure 30 SC-20 2 Lift Cylinder Assembly
- 43. Figure 31 SC-25 2 1/2 Lift Cylinder Assembly
- 44. Figure 32 SC-30 Hydraulic Diagram
- 45. Figure 33 SC-30 Reservoir and Pump Assembly
- 46. Figure 34 SC-30 Hydraulic Pump and Motor
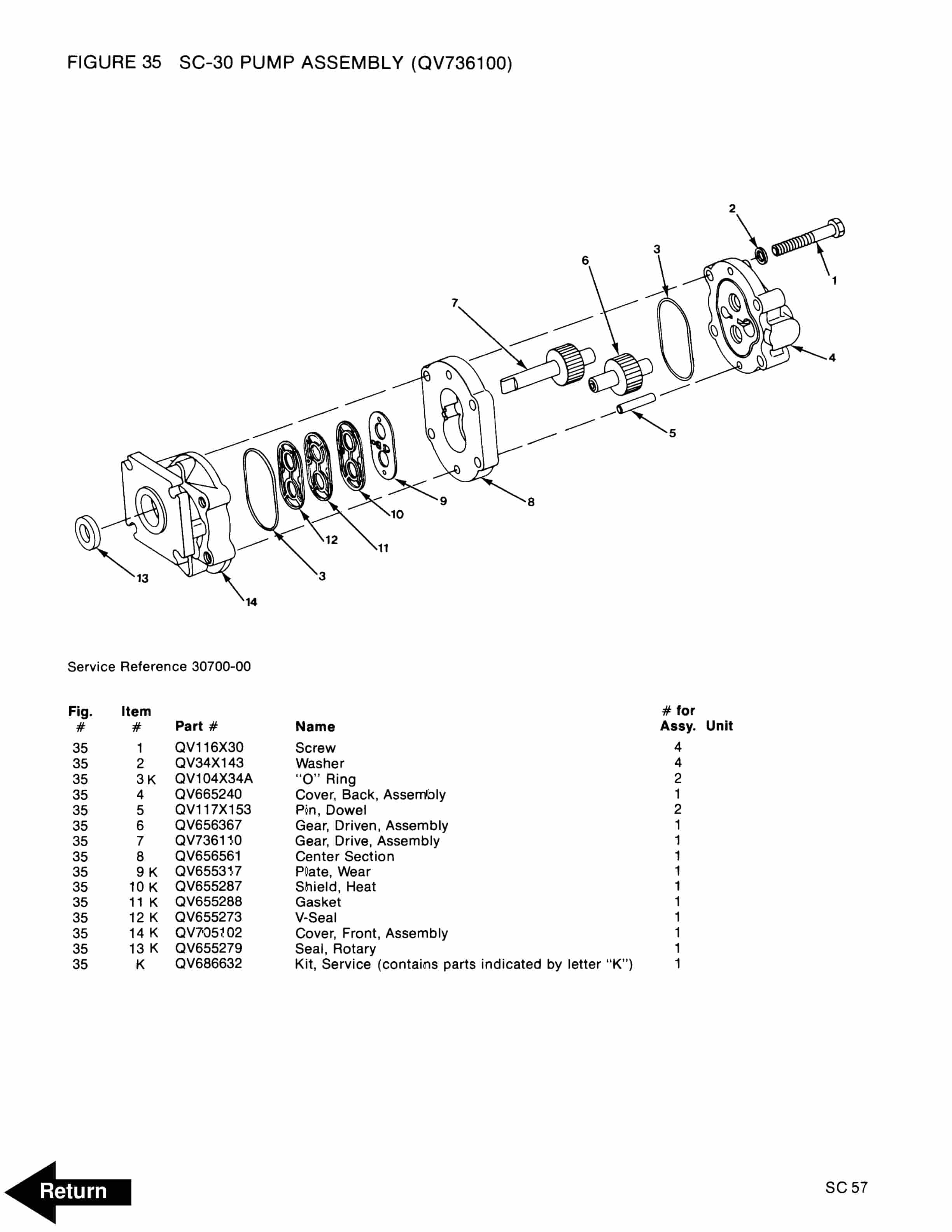
- 47. Figure 35 SC-30 Pump Assembly
- 48. Figure 36 SC-30 Motor Assembly
- 49. Figure 37 SC-30 Motor Assembly
- 50. Figure 38 SC-30 Reservoir Assembly
- 51. Figure 39 SC-30 Tilt Cylinders and Related Parts
- 52. Figure 40 SC-30 Tilt Cylinder Assembly
- 53. Figure 41 SC-30 Lift Cylinder and Hose Assembly
- 54. Figure 42 SC-30 2 1/2 Lift Cylinder
- 55. Figure 43 SC-40 Hydraulic Diagram
- 56. Figure 44 SC-40 Reservoir Pump and Motor Assembly, 24 Volt
- 57. Figure 45 SC-40 Hydraulic Pump and Motor
- 58. Figure 46 SC-40 Pump Assembly
- 59. Figure 47 SC-40 Pump Motor Assembly
- 60. Figure 48 SC-40 Motor Assembly
- 61. Figure 49 SC-40 Tilt Cylinder Assembly and Related Parts
- 62. Figure 50 SC-40 Tilt Cylinder Assembly
- 63. Figure 51 SC-40 Lift Cylinder and Related Parts
- 64. Figure 52 SC-40 2 3/4 Lift Cylinder Assembly
- 65. Figure 53 Lever and Linkage to Control Valve
- 66. Figure 54 Control Valve Assembly
- 67. Figure 55 SC-20, SC-25 Mast Assembly
- 68. Figure 56 SC-20/25 Fork Assembly
- 69. Figure 57 SC-20, SC-25 Outer Column
- 70. Figure 58 SC-20, SC-25 Inner Column Assembly
- 71. Figure 59 SC-20, SC-25 Lift Cylinder and Related Parts
- 72. Figure 60 SC-20, SC-25 Lift Frame and Load Backrest
- 73. Figure 61 SC-20 (Only) Lift Frame and Load Backrest
- 74. Figure 62 SC-30 Mast Assembly
- 75. Figure 63 SC-30 Fork Assembly
- 76. Figure 64 SC-30 Outer Column
- 77. Figure 65 SC-30 Inner Column Assembly
- 78. Figure 66 SC-30 Lift Cylinder and Related Parts
- 79. Figure 67 SC-30 Lift Frame and Load Backrest
- 80. Figure 68 SC-40 Mast Assembly
- 81. Figure 69 SC-40 Fork Assembly
- 82. Figure 70 SC-40 Outer Column
- 83. Figure 71 SC-40 Inner Column Assembly
- 84. Figure 72 SC-40 Lift Cylinder and Related Parts
- 85. Figure 73 SC-40 Lift Frame and Load Backrest
- 86. Figure 74 SC-40 White Mast Assembly
- 87. Figure 75 SC-40 Fork Assembly
- 88. Figure 76 SC-40 White Outer Rail Assembly
- 89. Figure 77 SC-40 White Intermediate Rail Assembly
- 90. Figure 78 SC-40 White Inner Rail Assembly
- 91. Figure 79 SC-40 White Cylinder Assembly
- 92. Figure 80 SC-40 White Cylinder
- 93. Figure 81 SC-40 White Carriage Assembly
- 94. Figure 82 Frame Assembly
- 95. Figure 83 Cold Storage of the Control Switch
- 96. Service Guide
- 97. Back Cover
Rate this product
You may also like
BT Parts Manual PDF
BT 602-TT, 608-TT, 609-TT, 610-TT, 612-TT, 620-TT (AC) Quality Parts 253711
$30.00
BT Parts Manual PDF
BT 600-TT, 602-TT, 608-TT, 609-TT, 610-TT, 612-TT, 620-TT (AC) Quality Parts 212162
$30.00















