Caterpillar 2PD5000 Parts Manual 98725-06110
$50.00
- Type Of Manual: Parts Manual
- Book Number: 98725-06110
- Information: CAT CHASSIS, MAST, OPTIONS – INTERNAL HOSING
- Number of Pages: 683
- Size: 76.6MB
- Format: PDF
Category: Caterpillar Parts Manual PDF
-
Model List:
- 2PD5000
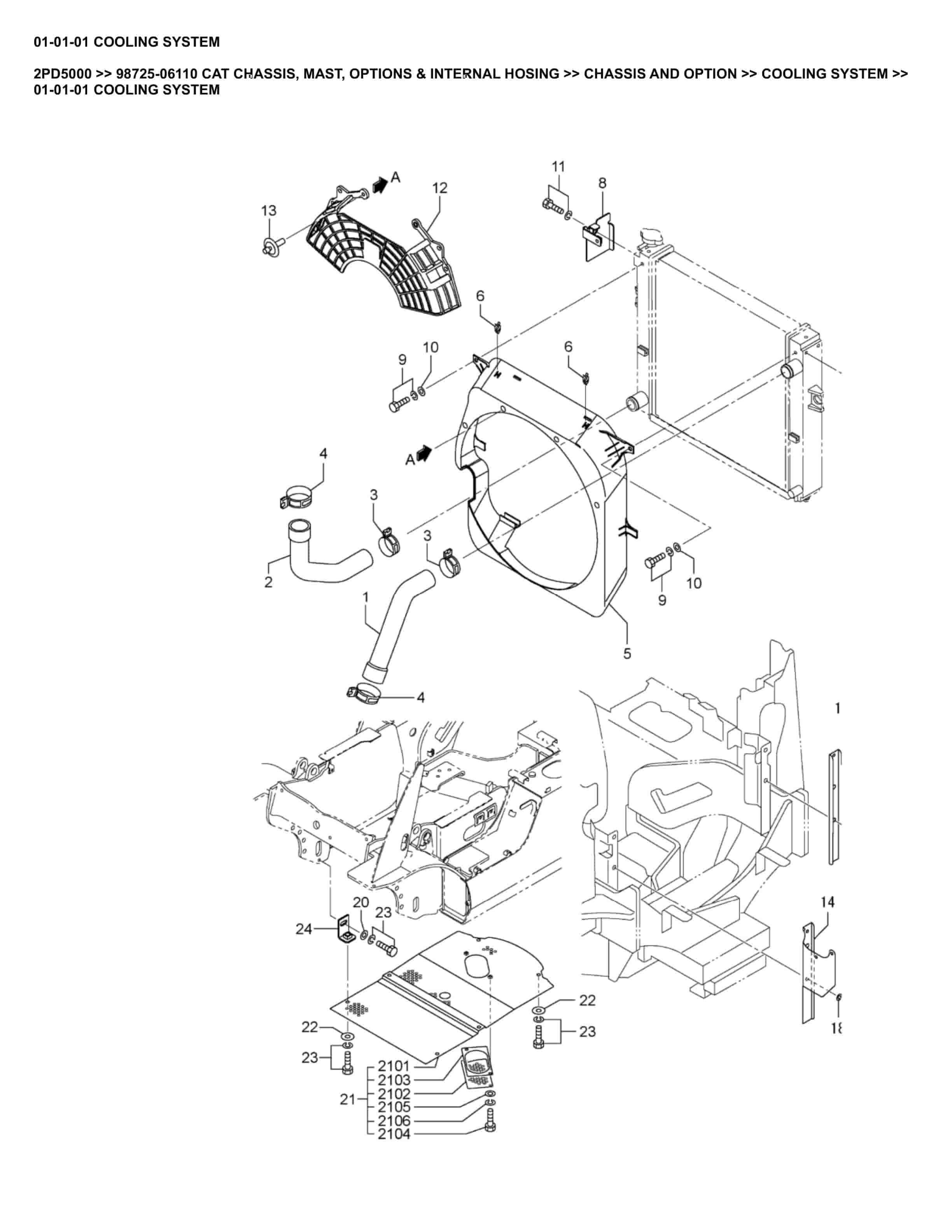
- 1. _01-01-01 COOLING SYSTEM Spare Parts Catalog.pdf
- 2. _01-01-02 RADIATOR ASSY Spare Parts Catalog.pdf
- 3. _01-01-03 RESERVOIR TANK ASSY Spare Parts Catalog.pdf
- 4. _01-01-04 TORQUE-CONVERTER COOLER Spare Parts Catalog.pdf
- 5. _01-01-05 RADIATOR NET KIT – OPTION Spare Parts Catalog.pdf
- 6. _01-01-06 INDICATOR KIT – OPTION Spare Parts Catalog.pdf
- 7. _01-04-01 ELECTRIC SYSTEM (FOR MC MODEL) Spare Parts Catalog.pdf
- 8. _01-04-02 ELECTRIC FC MODEL (FOR FC MODEL) Spare Parts Catalog.pdf
- 9. _01-04-03 CHASSIS CIRCUIT (FOR MC MODEL) Spare Parts Catalog.pdf
- 10. _01-04-04 CHASSIS CIRCUIT (FOR FC MODEL) Spare Parts Catalog.pdf
- 11. _01-04-05 HEAD GUARD CIRCUIT Spare Parts Catalog.pdf
- 12. _01-04-06 BATTERY Spare Parts Catalog.pdf
- 13. _01-04-07 BATTERY CABLE Spare Parts Catalog.pdf
- 14. _01-04-08 COMBINATION SWITCH Spare Parts Catalog.pdf
- 15. _01-04-09 ELECTRIC SYSTEM (WDB) Spare Parts Catalog.pdf
- 16. _01-04-10 BATTERY (WDB) Spare Parts Catalog.pdf
- 17. _01-04-11 REAR WORKING LAMP KIT – OPTION Spare Parts Catalog.pdf
- 18. _01-04-12 WARNING LAMP TOP KIT – OPTION Spare Parts Catalog.pdf
- 19. _01-04-13 WARNING LAMP SIDE KIT – OPTION Spare Parts Catalog.pdf
- 20. _01-04-14 FIRE EXTINGUISHER KIT – OPTION Spare Parts Catalog.pdf
- 21. _01-04-15 LOAD METER KIT – OPTION Spare Parts Catalog.pdf
- 22. _01-04-16 BACKUP HANDLE KIT – OPTION Spare Parts Catalog.pdf
- 23. _01-04-17 STROBE LAMP KIT ABOVE – OPTION Spare Parts Catalog.pdf
- 24. _01-04-18 STROBE LAMP KIT BELOW – OPTION Spare Parts Catalog.pdf
- 25. _01-11-01 FRAME SYSTEM Spare Parts Catalog.pdf
- 26. _01-11-02 FRAME ASSY Spare Parts Catalog.pdf
- 27. _01-11-03 FRAME SYSTEM (WDB) Spare Parts Catalog.pdf
- 28. _01-12-01 UPPER FRAME SYSTEM Spare Parts Catalog.pdf
- 29. _01-12-02 RADIATOR COVER Spare Parts Catalog.pdf
- 30. _01-12-03 ENGINE COVER (FOR MC MODEL) Spare Parts Catalog.pdf
- 31. _01-12-04 UTILITY TRAY KIT (FOR MC MODEL) Spare Parts Catalog.pdf
- 32. _01-12-05 ENGINE COVER (FOR FC MODEL) Spare Parts Catalog.pdf
- 33. _01-12-06 SIDE COVER Spare Parts Catalog.pdf
- 34. _01-12-07 DASHBOARD COVER (FOR MC MODEL) Spare Parts Catalog.pdf
- 35. _01-12-08 DASHBOARD COVER (FOR FC MODEL) Spare Parts Catalog.pdf
- 36. _01-12-09 DASHBOARD COVER (WDB) (FOR MC MODEL) Spare Parts Catalog.pdf
- 37. _01-12-10 DASHBOARD COVER (WDB) (FOR FC MODEL) Spare Parts Catalog.pdf
- 38. _01-13-01 COUNTER WEIGHT Spare Parts Catalog.pdf
- 39. _01-13-02 WEIGHT HOOK KIT – OPTION Spare Parts Catalog.pdf
- 40. _01-13-03 DRAW PIN KIT – OPTION Spare Parts Catalog.pdf
- 41. _01-14-01 SEAT ASSY (FOR MC MODEL) (UP TO 2018-02) Spare Parts Catalog.pdf
- 42. _01-14-02 SEAT ASSY (FOR FC MODEL) (UP TO 2018-02) Spare Parts Catalog.pdf
- 43. _01-14-03 SEAT SUSPENSION VINYL (FROM 2018-03) Spare Parts Catalog.pdf
- 44. _01-14-04 SEAT SUSPENSION CLOTH (FROM 2018-03) Spare Parts Catalog.pdf
- 45. _01-14-05 SEAT STATIC VINYL (NEW) Spare Parts Catalog.pdf
- 46. _01-14-06 SEAT STATIC CLOTH (NEW) Spare Parts Catalog.pdf
- 47. _01-14-07 SEAT SUSPENSION VINYL (FOR FC MODEL) (NEW) (FROM_2018-11) Spare Parts Catalog.pdf
- 48. _01-14-08 SEAT SUSPENSION CLOTH(FOR FC MODEL) (NEW) (FROM_2018-11) Spare Parts Catalog.pdf
- 49. _01-14-09 SEAT SWIVEL SUS. VINYL (FOR MC MODEL) (NEW) (FROM_2018-11) Spare Parts Catalog.pdf
- 50. _01-14-10 SEAT SWIVEL SUS. CLOTH (FOR MC MODEL) (NEW) (FROM_2018-11) Spare Parts Catalog.pdf
- 51. _01-15-01 HEADGUARD COMMON PARTS Spare Parts Catalog.pdf
- 52. _01-15-02 HEADGUARD Spare Parts Catalog.pdf
- 53. _01-15-03 CLEAR ROOF KIT – OPTION Spare Parts Catalog.pdf
- 54. _01-15-04 TINTED ROOF KIT TC1930 9040113000 – OPTION Spare Parts Catalog.pdf
- 55. _01-15-05 SIDE REAR VIEW MIRROR KIT – OPTION Spare Parts Catalog.pdf
- 56. _01-20-01 ENGINE BRACKET Spare Parts Catalog.pdf
- 57. _01-20-02 ENGINE BRACKET (WDB) – OPTION Spare Parts Catalog.pdf
- 58. _01-20-03 HIGH SPEED FAN KIT – OPTION Spare Parts Catalog.pdf
- 59. _01-20-04 ENCLOSED ALTERNATOR KIT – OPTION Spare Parts Catalog.pdf
- 60. _01-23-01 TORQUE-CONVERTER ASSY Spare Parts Catalog.pdf
- 61. _01-24-01 TRANSMISSION (PART-1) Spare Parts Catalog.pdf
- 62. _01-24-02 TRANSMISSION (PART-2) Spare Parts Catalog.pdf
- 63. _01-24-03 TRANSMISSION (PART-3) Spare Parts Catalog.pdf
- 64. _01-24-04 TRANSMISSION (PART-4) Spare Parts Catalog.pdf
- 65. _01-28-01 CONTROL VALVE Spare Parts Catalog.pdf
- 66. _01-32-01 FRONT AXLE Spare Parts Catalog.pdf
- 67. _01-32-02 REDUCTION DIFFERENTIAL Spare Parts Catalog.pdf
- 68. _01-32-03 FRONT AXLE L.H. (WDB) (PART-1) Spare Parts Catalog.pdf
- 69. _01-32-04 FRONT AXLE L.H. (WDB) (PART-2) Spare Parts Catalog.pdf
- 70. _01-32-05 FRONT AXLE R.H. (WDB) (PART-3) Spare Parts Catalog.pdf
- 71. _01-32-06 FRONT AXLE R.H. (WDB) (PART-4) Spare Parts Catalog.pdf
- 72. _01-33-01 PNEUMATIC DUAL DRIVE – OPTION Spare Parts Catalog.pdf
- 73. _01-33-02 SOLID PNEUMATIC DUAL DRIVE – OPTION Spare Parts Catalog.pdf
- 74. _01-34-01 FRONT AXLE COMMON PARTS Spare Parts Catalog.pdf
- 75. _01-34-02 FRONT HUB TIRE Spare Parts Catalog.pdf
- 76. _01-34-03 FENDER Spare Parts Catalog.pdf
- 77. _01-34-04 FRONT AXLE DUST PROOF – OPTION BREATHER KIT Spare Parts Catalog.pdf
- 78. _01-34-05 SOLID TIRE DUAL Spare Parts Catalog.pdf
- 79. _01-43-01 REAR AXLE SYSTEM (PART-1) Spare Parts Catalog.pdf
- 80. _01-43-02 REAR AXLE SYSTEM (PART-2) Spare Parts Catalog.pdf
- 81. _01-43-03 STEERING CYLINDER (UPTO 2022-02) Spare Parts Catalog.pdf
- 82. _01-43-04 STEERING CYLINDER (FROM 2022-03) Spare Parts Catalog.pdf
- 83. _01-43-05 REAR TIRE Spare Parts Catalog.pdf
- 84. _01-46-01 BRAKE SYSTEM Spare Parts Catalog.pdf
- 85. _01-46-02 WHEEL BRAKE L.H. Spare Parts Catalog.pdf
- 86. _01-46-03 WHEEL BRAKE R.H. Spare Parts Catalog.pdf
- 87. _01-46-04 BRAKE SYSTEM (WDB) Spare Parts Catalog.pdf
- 88. _01-46-05 WDB SYSTEM (PART-1) Spare Parts Catalog.pdf
- 89. _01-46-06 WDB SYSTEM (PART-2) Spare Parts Catalog.pdf
- 90. _01-46-07 WDB SYSTEM (PART-3) Spare Parts Catalog.pdf
- 91. _01-46-08 WDB SYSTEM (PART-4) Spare Parts Catalog.pdf
- 92. _01-46-09 WDB SYSTEM (PART-5) Spare Parts Catalog.pdf
- 93. _01-46-10 WDB SYSTEM (PART-6) Spare Parts Catalog.pdf
- 94. _01-46-11 AUTO-DECELERATE (WDB) (PART-1) Spare Parts Catalog.pdf
- 95. _01-46-12 CONTROLLED-ROLLBACK (WDB) (PART-2) Spare Parts Catalog.pdf
- 96. _01-46-13 WDB SYSTEM – OPTION (PART-3) Spare Parts Catalog.pdf
- 97. _01-46-14 WDB SYSTEM – OPTION (PART-4) Spare Parts Catalog.pdf
- 98. _01-51-01 DRIVING SYSTEM (PART-1) Spare Parts Catalog.pdf
- 99. _01-51-02 DRIVING SYSTEM (PART-2) Spare Parts Catalog.pdf
- 100. _01-51-03 ACCEL CONTROL SYSTEM Spare Parts Catalog.pdf
- 101. _01-51-04 BRAKE RESERVOIR (OLD) Spare Parts Catalog.pdf
- 102. _01-51-05 BRAKE RESERVOIR (NEW) Spare Parts Catalog.pdf
- 103. _01-51-06 DRIVING SYSTEM (WDB) (PART-1) Spare Parts Catalog.pdf
- 104. _01-51-07 DRIVING SYSTEM (WDB) (PART-2) Spare Parts Catalog.pdf
- 105. _01-51-08 ACCEL CONTROL SYSTEM (WDB) Spare Parts Catalog.pdf
- 106. _01-51-09 ELEC. CONT. FOR DIESEL KIT (WDB) (PART-1) Spare Parts Catalog.pdf
- 107. _01-51-10 ELEC. CONT. FOR DIESEL KIT (WDB) (PART-2) Spare Parts Catalog.pdf
- 108. _01-51-11 ELEC. CONT. FOR DIESEL KIT (WDB) (PART-3) Spare Parts Catalog.pdf
- 109. _01-51-12 FOOT DIRECTION CONTROL (FDC) – OPTION (UPTO 2012-05) Spare Parts Catalog.pdf
- 110. _01-51-13 FOOT DIRECTION CONTROL (FDC) – OPTION (FROM 2012-06) Spare Parts Catalog.pdf
- 111. _01-51-14 ELEC. CONT. FOR DIESEL KIT – OPTION (PART-1) Spare Parts Catalog.pdf
- 112. _01-51-15 ELEC. CONT. FOR DIESEL KIT – OPTION (PART-2) Spare Parts Catalog.pdf
- 113. _01-51-16 ELEC. CONT. FOR DIESEL KIT – OPTION (PART-3) Spare Parts Catalog.pdf
- 114. _01-54-01 STEERING SYSTEM Spare Parts Catalog.pdf
- 115. _01-54-02 STEERING VALVE Spare Parts Catalog.pdf
- 116. _01-54-03 STEERING WHEEL Spare Parts Catalog.pdf
- 117. _01-54-04 STEERING WHEEL KNOB KIT – OPTION Spare Parts Catalog.pdf
- 118. _01-61-01 INTAKE SYSTEM Spare Parts Catalog.pdf
- 119. _01-61-02 AIR CLEANER Spare Parts Catalog.pdf
- 120. _01-61-03 AIR CLEANER (WDB) Spare Parts Catalog.pdf
- 121. _01-61-04 PRE-AIR-CLEANER KIT – OPTION Spare Parts Catalog.pdf
- 122. _01-61-05 DUAL ELEMENT AIR CLEANER KIT – OPTION Spare Parts Catalog.pdf
- 123. _01-62-01 EXHAUST SYSTEM Spare Parts Catalog.pdf
- 124. _01-62-02 MUFFLER Spare Parts Catalog.pdf
- 125. _01-62-03 TAIL PIPE Spare Parts Catalog.pdf
- 126. _01-62-04 ELEVATED EXHAUST KIT – OPTION (OLD) Spare Parts Catalog.pdf
- 127. _01-62-05 ELEVATED EXHAUST KIT – OPTION (NEW) Spare Parts Catalog.pdf
- 128. _01-62-06 ELEVATED EXHAUST KIT – OPTION (CATALYZER) (OLD) Spare Parts Catalog.pdf
- 129. _01-62-07 ELEVATED EXHAUST KIT – OPTION (CATALYZER) (NEW) Spare Parts Catalog.pdf
- 130. _01-64-01 FUEL SYSTEM Spare Parts Catalog.pdf
- 131. _01-64-02 TANK CAP Spare Parts Catalog.pdf
- 132. _01-71-01 HYDRAULIC DELIVERY CIRCUIT Spare Parts Catalog.pdf
- 133. _01-71-02 SUCTION CIRCUIT Spare Parts Catalog.pdf
- 134. _01-71-03 HYDRAULIC DELIVERY CIRCUIT (WDB) Spare Parts Catalog.pdf
- 135. _01-72-01 HYD CONTROL SYSTEM (MC MODEL) (PART-1) (3 VALVES) Spare Parts Catalog.pdf
Rate this product
You may also like















