Caterpillar DP18NT Parts Manual 98717-0C310
$50.00
- Type Of Manual: Parts Manual
- Book Number: 98717-0C310
- Information: CAT CHASSIS, MAST, OPTIONS – INTERNAL HOSING
- Number of Pages: 504
- Size: 228.3MB
- Format: PDF
Category: Caterpillar Part Manual PDF
-
Model List:
- DP18NT
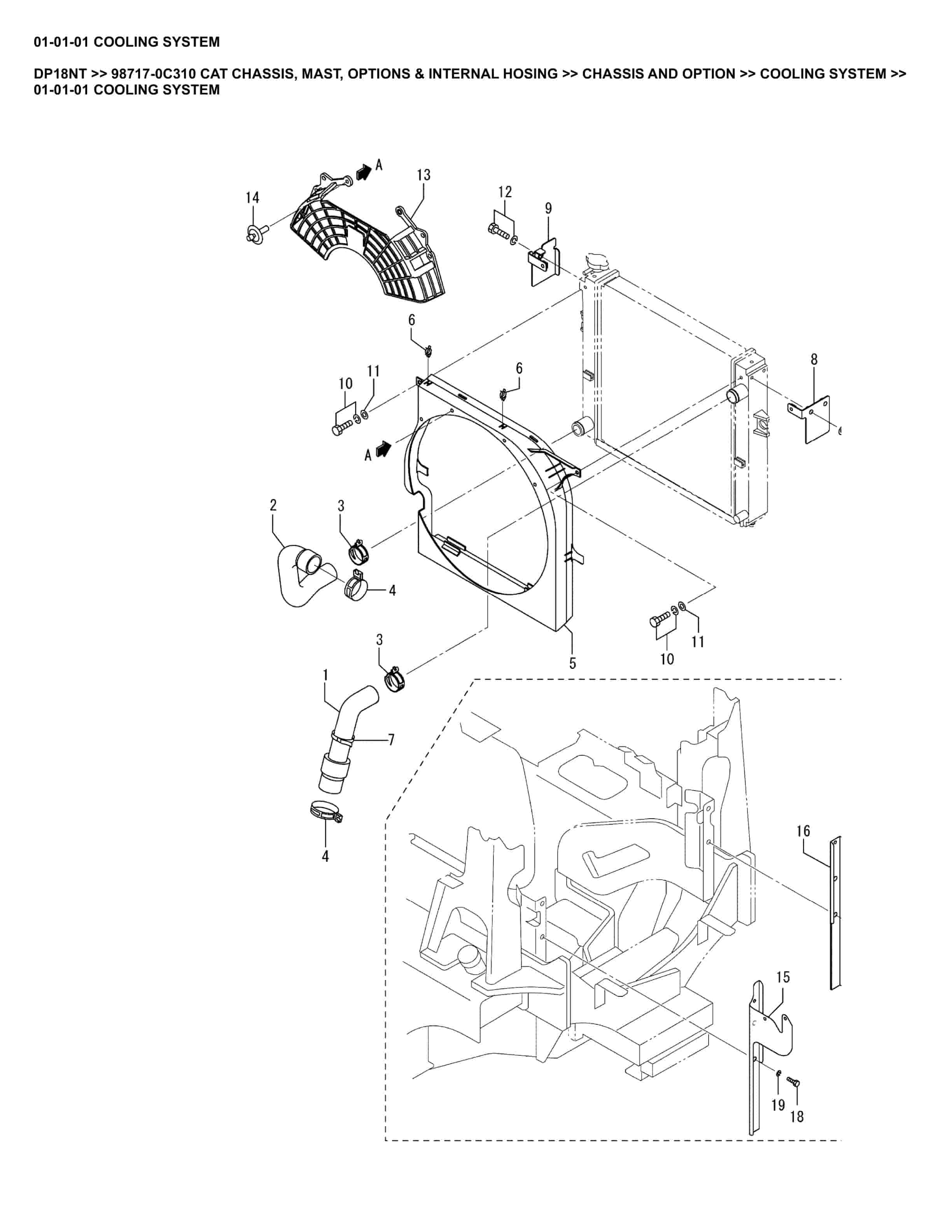
- 1. _01-01-01 COOLING SYSTEM Spare Parts Catalog.pdf
- 2. _01-01-02 RADIATOR ASSY Spare Parts Catalog.pdf
- 3. _01-01-03 RESERVOIR TANK ASSY Spare Parts Catalog.pdf
- 4. _01-01-04 TORQUE-CONVERTER COOLER Spare Parts Catalog.pdf
- 5. _01-01-05 RADIATOR NET KIT – OPTION Spare Parts Catalog.pdf
- 6. _01-01-06 FULL UNDER NET KIT – OPTION Spare Parts Catalog.pdf
- 7. _01-01-07 SEMI UNDER NET KIT – OPTION Spare Parts Catalog.pdf
- 8. _01-01-08 CSQ RADIATOR KIT – OPTION Spare Parts Catalog.pdf
- 9. _01-01-09 TORQUE CONVERTER OIL FILTER KIT – OPTION Spare Parts Catalog.pdf
- 10. _01-04-01 ELECTRIC SYSTEM Spare Parts Catalog.pdf
- 11. _01-04-02 CHASSIS CIRCUIT Spare Parts Catalog.pdf
- 12. _01-04-03 HEAD GUARD CIRCUIT Spare Parts Catalog.pdf
- 13. _01-04-04 BATTERY Spare Parts Catalog.pdf
- 14. _01-04-05 BATTERY CABLE Spare Parts Catalog.pdf
- 15. _01-04-06 COMBINATION SWITCH Spare Parts Catalog.pdf
- 16. _01-04-07 ALARM KIT (LAMP) – OPTION Spare Parts Catalog.pdf
- 17. _01-04-08 ALARM KIT (LAMPBUZZER) – OPTION Spare Parts Catalog.pdf
- 18. _01-04-09 FRONT WORKING LAMP KIT (1) – OPTION Spare Parts Catalog.pdf
- 19. _01-04-10 FRONT WORKING LAMP KIT (2) – OPTION (OLD) Spare Parts Catalog.pdf
- 20. _01-04-11 FRONT WORKING LAMP KIT (2) – OPTION (NEW) Spare Parts Catalog.pdf
- 21. _01-04-12 REAR WORKING LAMP KIT (1) – OPTION Spare Parts Catalog.pdf
- 22. _01-04-13 REAR WORKING LAMP KIT (2) – OPTION Spare Parts Catalog.pdf
- 23. _01-04-14 WARNING LAMP TOP KIT – OPTION Spare Parts Catalog.pdf
- 24. _01-04-15 WARNING LAMP SIDE KIT – OPTION Spare Parts Catalog.pdf
- 25. _01-04-16 ALARM KIT (BUZZER) – OPTION Spare Parts Catalog.pdf
- 26. _01-04-17 FIRE EXTINGUISHER KIT (FRONT FOOT) – OPTION Spare Parts Catalog.pdf
- 27. _01-04-18 FIRE EXTINGUISHER KIT (REAR FOOT) – OPTION Spare Parts Catalog.pdf
- 28. _01-04-19 WORKING LAMP FRONT_REAR – OPTION Spare Parts Catalog.pdf
- 29. _01-04-20 LED LAMP 1T KIT – OPTION Spare Parts Catalog.pdf
- 30. _01-04-21 REAR VIEW MIRROR – OPTION Spare Parts Catalog.pdf
- 31. _01-04-22 BLUE SPOT LAMP KIT – OPTION Spare Parts Catalog.pdf
- 32. _01-04-23 STROBE LIGHT KIT – OPTION Spare Parts Catalog.pdf
- 33. _01-04-24 BACKUP HANDLE KIT – OPTION (UPTO 2022-07) Spare Parts Catalog.pdf
- 34. _01-04-25 BACKUP HANDLE KIT – OPTION (FROM 2022-08) Spare Parts Catalog.pdf
- 35. _01-04-26 LOAD METER KIT 1T (MC) – OPTION Spare Parts Catalog.pdf
- 36. _01-11-01 FRAME SYSTEM Spare Parts Catalog.pdf
- 37. _01-11-02 FRAME ASSY Spare Parts Catalog.pdf
- 38. _01-11-03 LOW NOISE KIT -OPTION Spare Parts Catalog.pdf
- 39. _01-12-01 UPPER FRAME SYSTEM Spare Parts Catalog.pdf
- 40. _01-12-02 RADIATOR COVER Spare Parts Catalog.pdf
- 41. _01-12-03 ENGINE COVER Spare Parts Catalog.pdf
- 42. _01-12-04 SIDE COVER Spare Parts Catalog.pdf
- 43. _01-12-05 DASHBOARD COVER Spare Parts Catalog.pdf
- 44. _01-12-06 UTILITY TRAY KIT – OPTION Spare Parts Catalog.pdf
- 45. _01-12-07 DASHBOARD COVER FOR ATT DOUBLE ACTION-OPTION Spare Parts Catalog.pdf
- 46. _01-13-01 COUNTER WEIGHT Spare Parts Catalog.pdf
- 47. _01-14-01 SEAT ASSY (OLD TYPE) (UPTO_2018-09) Spare Parts Catalog.pdf
- 48. _01-14-02 SEAT ASSY (NEW TYPE) (FROM_2018-10) Spare Parts Catalog.pdf
- 49. _01-15-01 HEAD GUARD SYSTEM Spare Parts Catalog.pdf
- 50. _01-15-02 HEAD GUARD Spare Parts Catalog.pdf
- 51. _01-15-03 CANVAS ROOF KIT – OPTION Spare Parts Catalog.pdf
- 52. _01-15-04 HEAD GUARD (R-DUST PROOF B EXH-A- CATA PACK LED, FRONT LED) Spare Parts Catalog.pdf
- 53. _01-20-01 ENGINE BRACKET Spare Parts Catalog.pdf
- 54. _01-20-02 HIGH SPEED FAN KIT – OPTION Spare Parts Catalog.pdf
- 55. _01-20-03 ENCLOSED ALTERNATOR KIT – OPTION Spare Parts Catalog.pdf
- 56. _01-23-01 TORQUE-CONVERTER ASSY Spare Parts Catalog.pdf
- 57. _01-24-01 TRANSMISSION (PART-1) (FOR TORQUE DRIVE) Spare Parts Catalog.pdf
- 58. _01-24-02 TRANSMISSION (PART-2) (FOR TORQUE DRIVE) Spare Parts Catalog.pdf
- 59. _01-24-03 TRANSMISSION (PART-3) (FOR TORQUE DRIVE) Spare Parts Catalog.pdf
- 60. _01-24-04 TRANSMISSION (PART-4) (FOR TORQUE DRIVE) Spare Parts Catalog.pdf
- 61. _01-25-01 TRANSMISSION (PART-1) (FOR DIRECT DRIVE) Spare Parts Catalog.pdf
- 62. _01-25-03 TRANSMISSION (PART-3) (FOR DIRECT DRIVE) Spare Parts Catalog.pdf
- 63. _01-25-04 TRANSMISSION (PART-4) (FOR DIRECT DRIVE) Spare Parts Catalog.pdf
- 64. _01-28-01 CONTROL VALVE (FOR TORQUE DRIVE) Spare Parts Catalog.pdf
- 65. _01-32-01 FRONT AXLE Spare Parts Catalog.pdf
- 66. _01-32-02 REDUCTION DIFFERENTIAL Spare Parts Catalog.pdf
- 67. _01-32-03 CLUTCH ASSY Spare Parts Catalog.pdf
- 68. _01-32-04 UNIVERSAL JOINT COVER KIT – OPTION Spare Parts Catalog.pdf
- 69. _01-34-01 FRONT AXLE COMMON PARTS Spare Parts Catalog.pdf
- 70. _01-34-02 FRONT HUB TIRE (PINEUMATIC TIRE) Spare Parts Catalog.pdf
- 71. _01-34-03 FRONT HUB TIRE (SOLID TIRE) Spare Parts Catalog.pdf
- 72. _01-34-04 FRONT AXLE DUST PROOF BREATHER KIT – OPTION Spare Parts Catalog.pdf
- 73. _01-34-05 SPECIAL DUAL TIRE KIT – OPTION (OLD TYPE) Spare Parts Catalog.pdf
- 74. _01-34-06 SPECIAL DUAL TIRE KIT – OPTION (NEW TYPE) Spare Parts Catalog.pdf
- 75. _01-43-01 REAR AXLE SYSTEM (PART-1) Spare Parts Catalog.pdf
- 76. _01-44-01 REAR AXLE POWER CYLINDER BOOT (OPTION) Spare Parts Catalog.pdf
- 77. _01-43-03 STEERING CYLINDER (OLD TYPE) Spare Parts Catalog.pdf
- 78. _01-43-04 STEERING CYLINDER (NEW TYPE) Spare Parts Catalog.pdf
- 79. _01-43-05 REAR TIRE (PNEUMATIC TIRE) Spare Parts Catalog.pdf
- 80. _01-43-06 REAR TIRE (SOLID TIRE) Spare Parts Catalog.pdf
- 81. _01-46-01 BRAKE SYSTEM Spare Parts Catalog.pdf
- 82. _01-46-02 WHEEL BRAKE L.H. Spare Parts Catalog.pdf
- 83. _01-46-03 WHEEL BRAKE R.H. Spare Parts Catalog.pdf
- 84. _01-51-01 DRIVING SYSTEM (FOR TORQUE DRIVE) Spare Parts Catalog.pdf
- 85. _01-51-02 DRIVING SYSTEM (FOR DRY CLUTCH) Spare Parts Catalog.pdf
- 86. _01-51-03 DRIVING CONTROL (PART-1) Spare Parts Catalog.pdf
- 87. _01-51-04 DRIVING CONTROL (PART-2) Spare Parts Catalog.pdf
- 88. _01-51-05 SHIFT LEVER Spare Parts Catalog.pdf
- 89. _01-51-06 ACCEL CONTROL SYSTEM Spare Parts Catalog.pdf
- 90. _01-51-07 BRAKE RESERVOIR Spare Parts Catalog.pdf
- 91. _01-54-01 STEERING SYSTEM (PART-1) Spare Parts Catalog.pdf
- 92. _01-54-02 STEERING SYSTEM (PART-2) Spare Parts Catalog.pdf
- 93. _01-54-03 STEERING WHEEL Spare Parts Catalog.pdf
- 94. _01-61-01 AIR INTAKE SYSTEM Spare Parts Catalog.pdf
- 95. _01-61-02 AIR CLEANER Spare Parts Catalog.pdf
- 96. _01-61-03 PRE-AIR-CLEANER KIT – OPTION Spare Parts Catalog.pdf
- 97. _01-61-04 DOUBLE ELEMENT AIR CLEANER – OPTION Spare Parts Catalog.pdf
- 98. _01-61-05 AIR INTAKE SYSTEM – OPTION Spare Parts Catalog.pdf
- 99. _01-62-01 EXHAUST SYSTEM Spare Parts Catalog.pdf
- 100. _01-62-02 MUFFLER Spare Parts Catalog.pdf
- 101. _01-62-03 TAIL PIPE Spare Parts Catalog.pdf
- 102. _01-62-04 CYCLONE MUFFLER – OPTION Spare Parts Catalog.pdf
- 103. _01-64-01 FUEL SYSTEM Spare Parts Catalog.pdf
- 104. _01-64-02 TANK CAP Spare Parts Catalog.pdf
- 105. _01-71-01 HYD DELIVERY CIRCUIT Spare Parts Catalog.pdf
- 106. _01-71-02 SUCTION CIRCUIT Spare Parts Catalog.pdf
- 107. _01-71-03 HYD DELIVERY CIRCUIT – OPTION Spare Parts Catalog.pdf
- 108. _01-72-01 HYDRAULIC CONTROL (2 VALVES) Spare Parts Catalog.pdf
- 109. _01-72-02 HYDRAULIC CONTROL (3 VALVES) Spare Parts Catalog.pdf
- 110. _01-72-04 CONTROL VALVE (2 VALVES)PART-1 Spare Parts Catalog.pdf
- 111. _01-72-05 CONTROL VALVE (2 VALVES)PART-2 Spare Parts Catalog.pdf
- 112. _01-72-06 CONTROL VALVE (3 VALVES) Spare Parts Catalog.pdf
- 113. _01-72-08 HYDRAULIC LINE RETURN HOSE Spare Parts Catalog.pdf
- 114. _01-72-09 ATT DOUBLE ACTION KIT 3V (MC MODEL) (PART-1) – OPTION Spare Parts Catalog.pdf
- 115. _01-72-10 ATT DOUBLE ACTION KIT 3V4V (MC MODEL) (PART-1) – OPTION Spare Parts Catalog.pdf
- 116. _01-72-11 ATT DOUBLE ACTION KIT 4V (MC MODEL) (PART-1) – OPTION Spare Parts Catalog.pdf
- 117. _01-72-12 ATT DOUBLE ACTION KIT (MC MODEL) (PART-2)-OPTION Spare Parts Catalog.pdf
- 118. _01-75-01 HYD PS CIRCUIT Spare Parts Catalog.pdf
- 119. _01-75-02 HYD TILT CIRCUIT Spare Parts Catalog.pdf
- 120. _01-75-03 HYD LIFT CIRCUIT Spare Parts Catalog.pdf
- 121. _01-75-04 HYDRAULIC TANK CIRCUIT Spare Parts Catalog.pdf
- 122. _01-75-05 HYDRAULIC RETURN CIRCUIT Spare Parts Catalog.pdf
- 123. _01-75-06 HYDRAULIC TANK CIRCUIT KIT – OPTION Spare Parts Catalog.pdf
- 124. _01-81-01 NAME PLATE Spare Parts Catalog.pdf
- 125. _01-81-03 FLOOR MAT Spare Parts Catalog.pdf
- 126. _02-01-01 LIFT BRACKET COMMON PARTS 5V15D,20D,5M15D,20D Spare Parts Catalog.pdf
- 127. _02-01-02 LIFT BRACKET COMMON PARTS 5F15C,20C Spare Parts Catalog.pdf
- 128. _02-01-03 LIFT BRACKET 5V15D,20D,5M15D,20D Spare Parts Catalog.pdf
- 129. _02-01-04 LIFT BRACKET 5F15C,20C Spare Parts Catalog.pdf
- 130. _02-01-05 BACKREST Spare Parts Catalog.pdf
- 131. _02-04-01 TILT CYLINDER (5V15D,20D, 5M15D,20D,5F15C,20C) (OLD) Spare Parts Catalog.pdf
- 132. _02-04-02 TILT CYLINDER (5V15D,20D, 5M15D,20D,5F15C,20C) (NEW) Spare Parts Catalog.pdf
- 133. _02-05-01 TILT CYLINDER BOOT (OPTION) Spare Parts Catalog.pdf
- 134. _02-06-01 FORK (FOR 5V15D,5M15D,5F15C) (HUAXIN) Spare Parts Catalog.pdf
- 135. _02-06-02 FORK (FOR 5V20D,5M20D,5F20C) (HUAXIN) Spare Parts Catalog.pdf
Rate this product
You may also like















