Caterpillar GC70K Parts Manual 98733-14000
$50.00
- Type Of Manual: Parts Manual
- Book Number: 98733-14000
- Information: CAT CHASSIS, MAST, OPTIONS AND INTERNAL HOSING
- Number of Pages: 451
- Size: 248.9MB
- Format: PDF
Category: Caterpillar Part Manual PDF
-
Model List:
- GC70K
- 1. _01-01-01 COOLING SYSTEM (PART-1) Spare Parts Catalog.pdf
- 2. _01-01-02 COOLING SYSTEM (PART-2) Spare Parts Catalog.pdf
- 3. _01-04-01 ELECTRIC WIRING Spare Parts Catalog.pdf
- 4. _01-04-02 ELECTRIC EQUIPMENT Spare Parts Catalog.pdf
- 5. _01-04-03 BACK BUZZER BACK MIRROR Spare Parts Catalog.pdf
- 6. _01-04-04 NEUTRAL LOCK CONTROLLER Spare Parts Catalog.pdf
- 7. _01-04-05 DISCONNECT SWITCH KIT (EXCEPT UL SAFETY) Spare Parts Catalog.pdf
- 8. _01-04-06 COMBINATION SWITCH Spare Parts Catalog.pdf
- 9. _01-04-07 ELECTRIC SYSTEM Spare Parts Catalog.pdf
- 10. _01-04-08 REAR COMBINATION LAMP Spare Parts Catalog.pdf
- 11. _01-11-01 FRAME Spare Parts Catalog.pdf
- 12. _01-11-02 BODY Spare Parts Catalog.pdf
- 13. _01-14-01 SEAT(W_SEAT SWITCH FOR NEUTRAL LOCK) Spare Parts Catalog.pdf
- 14. _01-15-01 HEAD GUARD Spare Parts Catalog.pdf
- 15. _01-20-01 ENGINE COMMON Spare Parts Catalog.pdf
- 16. _01-23-01 TORQUE-CONVERTER ASSY Spare Parts Catalog.pdf
- 17. _01-24-01 TRANSMISSION (PART-1) Spare Parts Catalog.pdf
- 18. _01-24-02 TRANSMISSION (PART-2) Spare Parts Catalog.pdf
- 19. _01-24-03 TRANSMISSION (PART-3) Spare Parts Catalog.pdf
- 20. _01-28-01 CONTROL VALVE (PART-1) (FOR TRANSMISSION) Spare Parts Catalog.pdf
- 21. _01-28-02 CONTROL VALVE (PART-2) (FOR TRANSMISSION) Spare Parts Catalog.pdf
- 22. _01-28-03 SELECTOR VALVE Spare Parts Catalog.pdf
- 23. _01-31-01 REDUCTION DIFFERENTIAL Spare Parts Catalog.pdf
- 24. _01-33-01 FRONT AXLE Spare Parts Catalog.pdf
- 25. _01-43-01 REAR AXLE (PART-1) Spare Parts Catalog.pdf
- 26. _01-43-02 REAR AXLE (PART-2) Spare Parts Catalog.pdf
- 27. _01-43-03 STEERING CYLINDER (OLD) Spare Parts Catalog.pdf
- 28. _01-43-04 STEERING CYLINDER (NEW) Spare Parts Catalog.pdf
- 29. _01-46-01 WHEEL BRAKE ASSY (L.H.) (LINING WIDTH_100MM) Spare Parts Catalog.pdf
- 30. _01-46-02 WHEEL BRAKE ASSY (R.H.) (LINING WIDTH_100MM) Spare Parts Catalog.pdf
- 31. _01-47-01 WHEEL BRAKE PIPING Spare Parts Catalog.pdf
- 32. _01-51-01 HAND BRAKE Spare Parts Catalog.pdf
- 33. _01-51-02 ACCELERATOR PEDAL Spare Parts Catalog.pdf
- 34. _01-51-03 PEDAL ASSY Spare Parts Catalog.pdf
- 35. _01-51-04 MASTER CYLINDER Spare Parts Catalog.pdf
- 36. _01-51-05 DRIVING CONTROL Spare Parts Catalog.pdf
- 37. _01-54-01 TILT STEERING Spare Parts Catalog.pdf
- 38. _01-54-02 STEERING VALVE Spare Parts Catalog.pdf
- 39. _01-54-03 TILT STEERING ASSY Spare Parts Catalog.pdf
- 40. _01-54-04 STEERING WHEEL Spare Parts Catalog.pdf
- 41. _01-61-01 AIR INTAKE SYSTEM Spare Parts Catalog.pdf
- 42. _01-62-01 EXHAUST SYSTEM Spare Parts Catalog.pdf
- 43. _01-65-01 LPG SYSTEM (LP FUEL TYPE) (PART-1) Spare Parts Catalog.pdf
- 44. _01-65-02 LPG SYSTEM (LP FUEL TYPE) (PART-2) Spare Parts Catalog.pdf
- 45. _01-71-01 UNIVERSAL JOINT Spare Parts Catalog.pdf
- 46. _01-71-02 GEAR PUMP (NEW MODEL SGP2-50) Spare Parts Catalog.pdf
- 47. _01-72-01 HYDRAULIC CONTROL Spare Parts Catalog.pdf
- 48. _01-72-02 CONTROL VALVE (3 VALVES) Spare Parts Catalog.pdf
- 49. _01-72-03 CONTROL VALVE (4 VALVES) Spare Parts Catalog.pdf
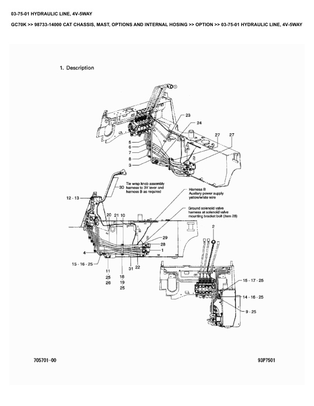
- 50. _01-75-01 HYDRAULIC LINE (PART-1) Spare Parts Catalog.pdf
- 51. _01-75-02 HYDRAULIC LINE (PART-2) Spare Parts Catalog.pdf
- 52. _01-75-03 HYDRAULIC LINE (PART-3) Spare Parts Catalog.pdf
- 53. _01-81-01 NAME-PLATE-1 Spare Parts Catalog.pdf
- 54. _01-81-02 NAME-PLATE-2 Spare Parts Catalog.pdf
- 55. _02-01-01 LIFT BRACKET COMMON PARTS Spare Parts Catalog.pdf
- 56. _02-01-02 LIFT BRACKET BACKREST Spare Parts Catalog.pdf
- 57. _02-04-01 TILT CYLINDER (L.H.) Spare Parts Catalog.pdf
- 58. _02-04-02 TILT CYLINDER (R.H.) Spare Parts Catalog.pdf
- 59. _02-06-01 FORK Spare Parts Catalog.pdf
- 60. _02-10-01 MAST COMMON PARTS (PART-1) (FOR SIMPLEX MAST) Spare Parts Catalog.pdf
- 61. _02-10-02 MAST COMMON PARTS (PART-2) (FOR SIMPLEX MAST) Spare Parts Catalog.pdf
- 62. _02-10-03 MAST COMMON PARTS (PART-1) (FOR TRIPLEX MAST) Spare Parts Catalog.pdf
- 63. _02-10-04 MAST COMMON PARTS (PART-2) (FOR TRIPLEX MAST) Spare Parts Catalog.pdf
- 64. _02-10-05 MAST COMMON PARTS (PART-3) (FOR TRIPLEX MAST) Spare Parts Catalog.pdf
- 65. _02-20-01 TRIPLEX MAST MODEL C70A37-75 Spare Parts Catalog.pdf
- 66. _02-20-02 LIFT CYLINDER (1ST) (FOR C70A37-75) Spare Parts Catalog.pdf
- 67. _02-20-03 LIFT CYLINDER (2ND) (FOR C70A37-75) (OLD) (UPTO 2022-07) Spare Parts Catalog.pdf
- 68. _02-20-04 LIFT CYLINDER (2ND) (FOR C70A37-75) (NEW) (FROM 2022-08) Spare Parts Catalog.pdf
- 69. _02-60-01 SIMPLEX MAST MODEL A70A23-60 Spare Parts Catalog.pdf
- 70. _02-60-02 LIFT CYLINDER (FOR A70A23-60) (OLD) (UPTO 2022-07) Spare Parts Catalog.pdf
- 71. _02-60-03 LIFT CYLINDER (FOR A70A23-60) (NEW) (FROM 2022-08) Spare Parts Catalog.pdf
- 72. _03-01-01 TORQUE-CONVERTER OIL FILTER KIT Spare Parts Catalog.pdf
- 73. _03-04-01 REAR WORKING LAMP KIT Spare Parts Catalog.pdf
- 74. _03-04-02 WARNING LAMP KIT Spare Parts Catalog.pdf
- 75. _03-04-03 BACK MIRROR KIT Spare Parts Catalog.pdf
- 76. _03-04-04 FIRE EXTINGUISHER KIT Spare Parts Catalog.pdf
- 77. _03-05-01 TCHD1000 START DISCONNECT KIT (ICC 4 TON TO 7 TON) 9040106225 Spare Parts Catalog.pdf
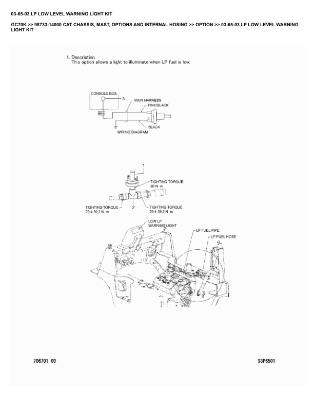
- 78. _03-05-02 TC1750 LP LOW LEVEL WARNING LIGHT GROUP 9040104797 Spare Parts Catalog.pdf
- 79. _03-05-03 TC1020 ENGINE SHUTDOWN 9040110700 Spare Parts Catalog.pdf
- 80. _03-05-04 TC2020 ENGINE SHUTDOWN-LP_GAS_DUAL 9040110634 Spare Parts Catalog.pdf
- 81. _03-05-05 TC2020 ENGINE SHUTDOWN-DIESEL 9040110699 Spare Parts Catalog.pdf
- 82. _03-05-06 TC2020 ENGINE SHUTDOWN-APOLLO 9040110700 Spare Parts Catalog.pdf
- 83. _03-05-07 TC2020 ENGINE SHUTDOWN SEAT AND SEATBELT W_PARK BRAKE OVERRIDE 9040110740 Spare Parts Catalog.pdf
- 84. _03-05-08 TC2170 SPEED SENSOR SHIFT GROUP 9040110534 Spare Parts Catalog.pdf
- 85. _03-05-09 TC2170 SMART SHIFT GROUP 9040112440 Spare Parts Catalog.pdf
- 86. _03-05-10 TC3530 GAUGE GROUP – PYROMETER 9040104753 Spare Parts Catalog.pdf
- 87. _03-11-01 MAGNETIC PLUG KIT Spare Parts Catalog.pdf
- 88. _03-11-02 SEMI UNDERGUARD KIT Spare Parts Catalog.pdf
- 89. _03-11-03 TC1010 FIRE EXTINGUISHER GROUP 9040104673 Spare Parts Catalog.pdf
- 90. _03-11-04 TC1010 FIRE EXTINGUISHER GROUP 9040106536 Spare Parts Catalog.pdf
- 91. _03-11-05 TC1040 GROUP MIRROR REAR VISIBILITY 9040110151 Spare Parts Catalog.pdf
- 92. _03-11-06 TC2030 SWING DOWN LP BRACKET KIT 9040109714 Spare Parts Catalog.pdf
- 93. _03-11-07 TC2030 SWING DOWN LP BRACKET KIT 9040109715 Spare Parts Catalog.pdf
- 94. _03-11-08 TC2175 SWING DOWN LP BRACKET KIT 9040109714 Spare Parts Catalog.pdf
- 95. _03-11-09 TC2175 SWING DOWN LP BRACKET KIT N_I 9040109715 Spare Parts Catalog.pdf
- 96. _03-14-01 FULL-SUSPENSION SEAT KIT Spare Parts Catalog.pdf
- 97. _03-14-02 TC1870 ARMREST FOLD DOWN RH SEAT BELT RETRACT (UP TO 2018-02) Spare Parts Catalog.pdf
- 98. _03-14-03 TC1910 ARMREST INSTALLATION GROUP 9040110570 Spare Parts Catalog.pdf
- 99. _03-14-04 TC1910 ARMREST INSTALLATION GROUP 9040110654 Spare Parts Catalog.pdf
- 100. _03-14-05 TC2050 SEAT OPTION – VINYL – SWIVEL STATIC 9040108439 Spare Parts Catalog.pdf
- 101. _03-14-06 TC2050 SEAT OPTION – VINYL – SWIVEL FULL SUSPENSION 9040108441 Spare Parts Catalog.pdf
- 102. _03-14-07 TC2050 SEAT OPTION – CLOTH – SWIVEL STATIC 9040108443 Spare Parts Catalog.pdf
- 103. _03-14-08 TC2050 SEAT OPTION – CLOTH – SWIVEL FULL SUSPENSION 9040108445 Spare Parts Catalog.pdf
- 104. _03-14-09 TC2050 SEAT OPTION – CLOTH – SWIVEL SEMI SUSPENSION 9040109732 Spare Parts Catalog.pdf
- 105. _03-14-10 TC2050 SEAT OPTION – VINYL – SWIVEL SEMI SUSPENSION 9040109733 Spare Parts Catalog.pdf
- 106. _03-14-11 TC2165 SEAT OPTION – VINYL – SWIVEL STATIC 9040108439 Spare Parts Catalog.pdf
- 107. _03-14-12 TC2165 SEAT OPTION – VINYL – SWIVEL FULL SUSPENSION 9040108441 Spare Parts Catalog.pdf
- 108. _03-14-13 TC2165 SEAT OPTION – CLOTH – SWIVEL STATIC 9040108443 Spare Parts Catalog.pdf
- 109. _03-14-14 TC2165 SEAT OPTION – CLOTH – SWIVEL FULL SUSPENSION 9040108445 Spare Parts Catalog.pdf
- 110. _03-14-15 TC2165 SEAT OPTION – CLOTH – SWIVEL SEMI SUSPENSION 9040109732 Spare Parts Catalog.pdf
- 111. _03-14-16 TC2165 SEAT OPTION – VINYL – SWIVEL SEMI SUSPENSION 9040109733 Spare Parts Catalog.pdf
- 112. _03-14-17 TC2165 ARMREST INSTALLATION GROUP 9040110570 Spare Parts Catalog.pdf
- 113. _03-14-18 TC2165 ARMREST GROUP N_I 9040110654 Spare Parts Catalog.pdf
- 114. _03-14-19 TC2168 SEAT OPTION-VINYL SWIVEL SEMI SUSPENSION 9040111478 Spare Parts Catalog.pdf
- 115. _03-14-20 TC2168 SEAT OPTION-CLOTH SWIVEL SEMI SUSPENSION 9040111484 Spare Parts Catalog.pdf
- 116. _03-14-21 TC2168 SEAT OPTION-VINYL SWIVEL FULL SUSPENSION 9040111485 Spare Parts Catalog.pdf
- 117. _03-14-22 TC2168 SEAT OPTION-CLOTH SWIVEL FULL SUSPENSION 9040111486 Spare Parts Catalog.pdf
- 118. _03-14-23 TC2168 SEAT OPTION-VINYL SWIVEL STATIC 9040111487 Spare Parts Catalog.pdf
- 119. _03-14-24 TC2168 SEAT OPTION-CLOTH SWIVEL STATIC 9040111488 Spare Parts Catalog.pdf
- 120. _03-14-25 TC2168 SEAT OPTION ON STR-VINYL SWIVEL FULL SUSPENSION 9040113647 Spare Parts Catalog.pdf
- 121. _03-14-26 TC2168 SEAT OPTION ON STR-CLOTH SWIVEL FULL SUSPENSION 9040113648 Spare Parts Catalog.pdf
- 122. _03-14-27 TC2168 ARMREST FOLD DOWN RH SEAT BELT RETRACT 9040111615 Spare Parts Catalog.pdf
- 123. _03-14-28 TC2168 ARMREST FOLD DOWN LH SEAT BELT RETRACT 9040112482 Spare Parts Catalog.pdf
Rate this product
You may also like















