Skip to content
Owners Manual PDFOwners Manual PDF
  • Login
  • $0.00
    • No products in the cart.

      Return to shop

  • Cart

    No products in the cart.

    Return to shop

  • Category
  • Menu
  • About us
  • Shop
  • News
  • Contact Us
  • Aisle-Master
    • Aisle-Master Operator Manual PDF
    • Aisle-Master Parts Manual PDF
    • Aisle-Master Service Manual PDF
  • BT
    • BT Operator Manual PDF
    • BT Parts Manual PDF
    • BT Service Manual PDF
    • BT Wiring Diagrams PDF
  • Caterpillar
    • Caterpillar Operation Manual PDF
    • Caterpillar Parts Manual PDF
    • Caterpillar Service Manual PDF
    • Caterpillar Wiring Diagrams PDF
  • Mitsubishi
    • Mitsubishi Operation Manual PDF
    • Mitsubishi Operator Manual PDF
    • Mitsubishi Other Manual PDF
    • Mitsubishi Parts Manual PDF
    • Mitsubishi Service Manual PDF
    • Mitsubishi Wiring Diagrams PDF
    • Mitsubishi Workshop Manual PDF
  • Cesab
    • Cesab Operator Manual PDF
    • Cesab Parts Manual PDF
    • Cesab Service Manual PDF
  • Combilift
    • Combilift Operator Manual PDF
    • Combilift Parts Manual PDF
    • Combilift Service Manual PDF
    • Combilift Wiring Diagrams PDF
  • Deutz
    • Deutz Operator Manual PDF
    • Deutz Parts Manual PDF
  • Doosan
    • Doosan Operator Manual PDF
    • Doosan Other Manual PDF
    • Doosan Parts Manual PDF
    • Doosan Service Manual PDF
    • Doosan Wiring Diagrams PDF
  • EP Forklift
    • EP Forklift Operator Manual PDF
    • EP Forklift Parts Manual PDF
    • EP Forklift Service Manual PDF
  • Hangcha
    • Hangcha Operator Manual PDF
    • Hangcha Other Manual PDF
    • Hangcha Parts Manual PDF
    • Hangcha Service Manual PDF
  • IMPCO
    • IMPCO Operator Manual PDF
    • IMPCO Parts Manual PDF
    • IMPCO Service Manual PDF
  • Jiachen
    • Jiachen Operator Manual PDF
    • Jiachen Other Manual PDF
  • JLG
    • JLG Operator Manual PDF
    • JLG Parts Manual PDF
    • JLG Service Manual PDF
  • Kubota
    • Kubota Operator Manual PDF
    • Kubota Parts Manual PDF
    • Kubota Workshop Manual PDF
  • Mlift
    • Mlift Operation Manual PDF
    • Mlift Service Manual PDF
  • Nissan
    • Nissan Other Manual PDF
    • Nissan Service Manual PDF
  • Okamura
    • Okamura Other Manual PDF
    • Okamura Parts Manual PDF
    • Okamura Service Manual PDF
  • Perkins
    • Perkins Operation Manual PDF
    • Perkins Parts Manual PDF
  • PSI
    • PSI Operator Manual PDF
    • PSI Parts Manual PDF
    • PSI Service Manual PDF
  • Towmotor
    • Towmotor Operation Manual PDF
    • Towmotor Parts Manual PDF
    • Towmotor Service Manual PDF
  • Toyota
    • Toyota Parts Manual PDF
    • Toyota Service Manual PDF
  • Xinchai
    • Xinchai Operator Manual PDF
    • Xinchai Parts Manual PDF
    • Xinchai Workshop Manual PDF
    • Xinchai Other Manual PDF
  • Yanmar
    • Yanmar Operator Manual PDF
    • Yanmar Parts Manual PDF
    • Yanmar Service Manual PDF
    • Yanmar Other Manual PDF
  • Yitou
    • Yitou Operator Manual PDF
    • Yitou Other Manual PDF
    • Yitou Parts Manual PDF
Support
Email
admin@ownersmanualpdf.net
Follow us
Home / Caterpillar / Caterpillar Part Manual PDF
Caterpillar GP25NT Parts Manual 98727-0C410
Caterpillar GP25NT Parts Manual 98727-0C410 - Image 2
Caterpillar GP25NT Parts Manual 98727-0C410 - Image 3
Caterpillar GP25NT Parts Manual 98727-0C410 - Image 4
Caterpillar GP25NT Parts Manual 98727-0C410 - Image 5
caterpillar gp25nt parts manual 98727 0c410 2
caterpillar gp25nt parts manual 98727 0c410 3
caterpillar gp25nt parts manual 98727 0c410 4
caterpillar gp25nt parts manual 98727 0c410 5

Caterpillar GP25NT Parts Manual 98727-0C410

$50.00

  • Type Of Manual: Parts Manual
  • Book Number: 98727-0C410
  • Information: CAT CHASSIS, MAST, OPTIONS – INTERNAL HOSING
  • Number of Pages: 399
  • Size: 77.0MB
  • Format: PDF
Category: Caterpillar Part Manual PDF
Product Categories
  • Aisle-Master (0)
    • Aisle-Master Operator Manual PDF (0)
    • Aisle-Master Parts Manual PDF (0)
    • Aisle-Master Service Manual PDF (0)
  • All Product (4091)
    • CAT (4091)
      • Articulated Dump Truck (55)
        • Articulated Dump Truck (55)
        • CAT (55)
      • Asphalt (93)
        • Asphalt (93)
        • CAT (93)
      • Compactor (20)
        • CAT (20)
        • Compactor (20)
      • Dozer (712)
        • Articulated Dump Truck (1)
        • CAT (712)
        • Dozer (709)
        • Engine (2)
      • Engine (873)
        • CAT (873)
        • Engine (873)
      • Excavator (1203)
        • CAT (1203)
        • Excavator (1203)
      • Forklift (11)
        • CAT (11)
        • Forklift (11)
      • Loader (654)
        • CAT (654)
        • Loader (654)
          • CAT (0)
          • Loader (0)
      • Motor Grader (228)
        • CAT (228)
        • Motor Grader (228)
      • Scraper (90)
        • CAT (90)
        • Scraper (90)
      • Skidder (17)
        • CAT (17)
        • Skidder (10)
        • Skidsteer (7)
      • Skidsteer (106)
        • CAT (106)
        • Skidsteer (106)
      • Telehandler (29)
        • CAT (29)
        • Telehandler (29)
  • Big Joe (0)
    • Big Joe Service Manual PDF (0)
  • BT (1790)
    • BT Operator Manual PDF (190)
    • BT Parts Manual PDF (1600)
    • BT Service Manual PDF (0)
    • BT Wiring Diagrams PDF (0)
  • Bucyrus (0)
    • Bucyrus Operation Manual PDF (0)
    • Bucyrus Parts Manual PDF (0)
    • Bucyrus Service Manual PDF (0)
    • Bucyrus Wiring Diagrams PDF (0)
  • Carraro (0)
    • Carraro Parts Manual PDF (0)
  • Caterpillar (3228)
    • Caterpillar Operation Manual PDF (376)
    • Caterpillar Part Manual PDF (2168)
    • Caterpillar Parts Manual PDF (278)
    • Caterpillar Service Manual PDF (324)
    • Caterpillar Wiring Diagrams PDF (82)
  • Cesab (0)
    • Cesab Operator Manual PDF (0)
    • Cesab Parts Manual PDF (0)
    • Cesab Service Manual PDF (0)
  • Combilift (0)
    • Combilift Operator Manual PDF (0)
    • Combilift Parts Manual PDF (0)
    • Combilift Service Manual PDF (0)
    • Combilift Wiring Diagrams PDF (0)
  • Curtis (0)
    • Curtis Operator Manual PDF (0)
  • Daewoo (0)
    • Daewoo Wiring Diagrams PDF (0)
  • Davis Derby (0)
    • Davis Derby Service Manual PDF (0)
  • Deutz (0)
    • Deutz Operator Manual PDF (0)
    • Deutz Parts Manual PDF (0)
  • Dongfeng Chaoyang (0)
    • Dongfeng Chaoyang Parts Manual PDF (0)
  • Doosan (0)
    • Doosan Operator Manual PDF (0)
    • Doosan Other Manual PDF (0)
    • Doosan Parts Manual PDF (0)
    • Doosan Service Manual PDF (0)
    • Doosan Wiring Diagrams PDF (0)
  • Dungheinrich (1)
    • Dungheinrich Operation Manual PDF (1)
  • Easycon II (0)
    • Easycon II Operator Manual PDF (0)
  • Eneroc (0)
    • Eneroc Service Manual PDF (0)
  • EP Forklift (0)
    • EP Forklift Operator Manual PDF (0)
    • EP Forklift Parts Manual PDF (0)
    • EP Forklift Service Manual PDF (0)
  • Guangdong (0)
    • Guangdong Operator Manual PDF (0)
  • Hangcha (584)
    • Hangcha Operator Manual PDF (145)
    • Hangcha Other Manual PDF (67)
    • Hangcha Parts Manual PDF (302)
    • Hangcha Service Manual PDF (70)
  • IMPCO (0)
    • IMPCO Operator Manual PDF (0)
    • IMPCO Parts Manual PDF (0)
    • IMPCO Service Manual PDF (0)
  • Isuzu (0)
    • Isuzu Operator Manual PDF (0)
    • Isuzu Parts Manual PDF (0)
    • Isuzu Workshop Manual PDF (0)
  • Jiachen (0)
    • Jiachen Operator Manual PDF (0)
    • Jiachen Other Manual PDF (0)
  • JLG (0)
    • JLG Operator Manual PDF (0)
    • JLG Parts Manual PDF (0)
    • JLG Service Manual PDF (0)
  • John Deere (0)
    • John Deere Parts Manual PDF (0)
  • Jungheinrich (0)
    • Jungheinrich Operator Manual PDF (0)
  • Kubota (0)
    • Kubota Operator Manual PDF (0)
    • Kubota Parts Manual PDF (0)
    • Kubota Workshop Manual PDF (0)
  • Lift-Rite (0)
    • Lift-Rite Parts Manual PDF (0)
  • Linkbelt (17)
    • Linkbelt (17)
  • Logisnext (1)
    • Logisnext Parts Manual PDF (0)
    • Logisnext Service Manual PDF (1)
  • Mannesmann (0)
    • Mannesmann Service Manual PDF (0)
  • Mitsubishi (600)
    • Mitsubishi Operation Manual PDF (200)
    • Mitsubishi Operator Manual PDF (0)
    • Mitsubishi Other Manual PDF (0)
    • Mitsubishi Parts Manual PDF (22)
    • Mitsubishi Service Manual PDF (355)
    • Mitsubishi Wiring Diagrams PDF (22)
    • Mitsubishi Workshop Manual PDF (1)
  • Mlift (0)
    • Mlift Operation Manual PDF (0)
    • Mlift Service Manual PDF (0)
  • Motrec (0)
    • Motrec Operator Manual PDF (0)
  • Movit (0)
    • Movit Parts Manual PDF (0)
  • Nippon Yusoki (0)
    • Nippon Yusoki Parts Manual PDF (0)
    • Nippon Yusoki Workshop Manual PDF (0)
  • Nissan (0)
    • Nissan Other Manual PDF (0)
    • Nissan Service Manual PDF (0)
  • Okamura (0)
    • Okamura Other Manual PDF (0)
    • Okamura Parts Manual PDF (0)
    • Okamura Service Manual PDF (0)
  • Other Manual (140)
    • Caterpillar Other Manual PDF (139)
    • Mitsubishi Other Manual PDF (0)
    • Rocla Other Manual PDF (1)
  • Perkins (5)
    • Perkins Operation Manual PDF (5)
    • Perkins Parts Manual PDF (0)
  • Poclain Hydraulics (0)
    • Poclain Hydraulics Service Manual PDF (0)
  • PSI (0)
    • PSI Operator Manual PDF (0)
    • PSI Parts Manual PDF (0)
    • PSI Service Manual PDF (0)
  • Rocla (2)
    • Rocla Operation Manual PDF (2)
  • Toro (17)
    • Toro (17)
  • Towmotor (44)
    • Towmotor Operation Manual PDF (20)
    • Towmotor Parts Manual PDF (1)
    • Towmotor Service Manual PDF (23)
  • Toyota (0)
    • Toyota Parts Manual PDF (0)
    • Toyota Service Manual PDF (0)
  • VW (0)
    • VW Workshop Manual PDF (0)
  • Weichai (0)
    • Weichai Parts Manual PDF (0)
  • WoodWard (0)
    • WoodWard Service Manual PDF (0)
  • Xinchai (0)
    • Xinchai Operator Manual PDF (0)
    • Xinchai Other Manual PDF (0)
    • Xinchai Parts Manual PDF (0)
    • Xinchai Workshop Manual PDF (0)
  • Yamar (0)
    • Yamar Service Manual PDF (0)
  • Yanmar (0)
    • Yanmar Operator Manual PDF (0)
    • Yanmar Other Manual PDF (0)
    • Yanmar Parts Manual PDF (0)
    • Yanmar Service Manual PDF (0)
  • Yitou (0)
    • Yitou Operator Manual PDF (0)
    • Yitou Other Manual PDF (0)
    • Yitou Parts Manual PDF (0)
  • Yuchai (0)
    • Yuchai Parts Manual PDF (0)
  • Zapi (0)
    • Zapi Operator Manual PDF (0)
  • ZF (0)
    • ZF Other Manual PDF (0)
    • ZF Parts Manual PDF (0)
  • Model List:

    • GP25NT
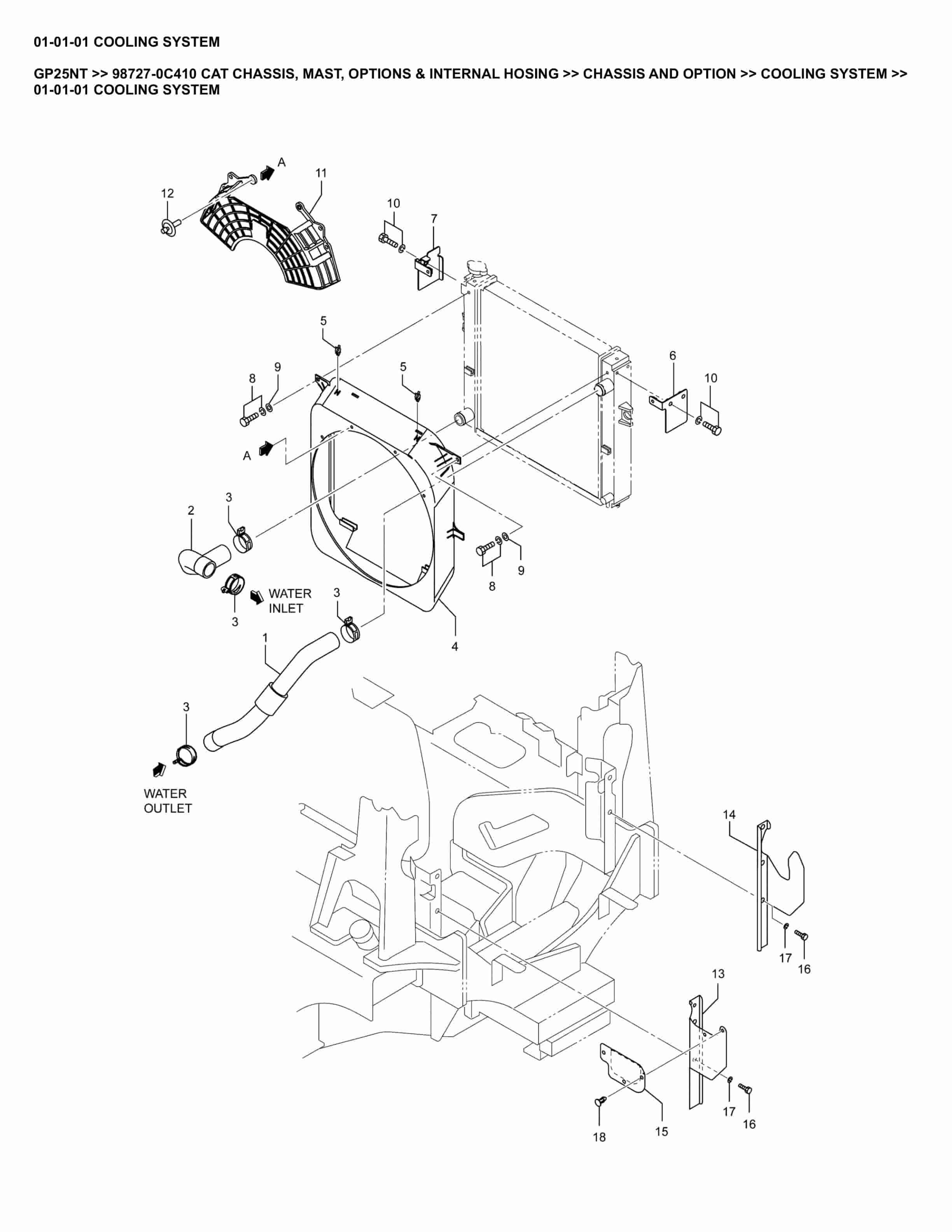
  • 1. _01-01-01 COOLING SYSTEM Spare Parts Catalog.pdf
  • 2. _01-01-02 RADIATOR ASSY Spare Parts Catalog.pdf
  • 3. _01-01-03 RESERVOIR TANK ASSY Spare Parts Catalog.pdf
  • 4. _01-01-04 TORQUE-CONVERTER COOLER Spare Parts Catalog.pdf
  • 5. _01-01-05 RADIATOR NET KIT – OPTION Spare Parts Catalog.pdf
  • 6. _01-01-06 FULL UNDER NET KIT – OPTION Spare Parts Catalog.pdf
  • 7. _01-01-07 SEMI UNDER NET KIT – OPTION Spare Parts Catalog.pdf
  • 8. _01-01-08 CSQ RADIATOR T KIT – OPTION Spare Parts Catalog.pdf
  • 9. _01-01-09 INDICATOR KIT – OPTION Spare Parts Catalog.pdf
  • 10. _01-04-01 ELECTRIC SYSTEM Spare Parts Catalog.pdf
  • 11. _01-04-03 HEAD GUARD CIRCUIT Spare Parts Catalog.pdf
  • 12. _01-04-04 BATTERY Spare Parts Catalog.pdf
  • 13. _01-04-05 BATTERY CABLE Spare Parts Catalog.pdf
  • 14. _01-04-06 COMBINATION SWITCH Spare Parts Catalog.pdf
  • 15. _01-04-07 ALARM KIT (LAMP) – OPTION Spare Parts Catalog.pdf
  • 16. _01-04-08 ALARM KIT (LAMPBUZZER) – OPTION Spare Parts Catalog.pdf
  • 17. _01-04-09 FRONT WORKING LAMP KIT (1) – OPTION Spare Parts Catalog.pdf
  • 18. _01-04-10 FRONT WORKING LAMP KIT (2) – OPTION (OLD) Spare Parts Catalog.pdf
  • 19. _01-04-11 FRONT WORKING LAMP KIT (2) – OPTION (NEW) Spare Parts Catalog.pdf
  • 20. _01-04-12 REAR WORKING LAMP KIT (1) – OPTION Spare Parts Catalog.pdf
  • 21. _01-04-13 REAR WORKING LAMP KIT (2) – OPTION Spare Parts Catalog.pdf
  • 22. _01-04-14 WARKING LAMP TOP KIT – OPTION Spare Parts Catalog.pdf
  • 23. _01-04-15 WARKING LAMP SIDE KIT – OPTION Spare Parts Catalog.pdf
  • 24. _01-04-16 ALARM KIT (BUZZER) – OPTION Spare Parts Catalog.pdf
  • 25. _01-04-17 FIRE EXTINGUISHER KIT – OPTION (FRONT FOOT) Spare Parts Catalog.pdf
  • 26. _01-04-18 FIRE EXTINGUISHER KIT – OPTION (REAR FOOT) Spare Parts Catalog.pdf
  • 27. _01-04-19 LOAD METER KIT 2-3T(MC) – OPTION Spare Parts Catalog.pdf
  • 28. _01-04-20 BACKUP HANDLE KIT – OPTION (UPTO 2022-07) Spare Parts Catalog.pdf
  • 29. _01-04-21 BACKUP HANDLE KIT – OPTION (FROM 2022-08) Spare Parts Catalog.pdf
  • 30. _01-04-22 WORKING LAMP FRONT_REAR – OPTION Spare Parts Catalog.pdf
  • 31. _01-04-23 LED LAMP 2-3T KIT – OPTION Spare Parts Catalog.pdf
  • 32. _01-04-24 REAR VIEW MIRROR – OPTION Spare Parts Catalog.pdf
  • 33. _01-04-25 BATTERY 55D23L KIT – OPTION Spare Parts Catalog.pdf
  • 34. _01-04-26 BATTERY CABLE 55D23L KIT – OPTION Spare Parts Catalog.pdf
  • 35. _01-04-27 BLUE SPOT LAMP KIT – OPTION Spare Parts Catalog.pdf
  • 36. _01-04-28 STROBE LIGHT KIT – OPTION Spare Parts Catalog.pdf
  • 37. _01-04-29 ACCESORY KIT USB PORT – OPTION Spare Parts Catalog.pdf
  • 38. _01-11-01 FRAME SYSTEM Spare Parts Catalog.pdf
  • 39. _01-11-02 FRAME ASSY Spare Parts Catalog.pdf
  • 40. _01-11-03 LOW NOISE KIT -OPTION Spare Parts Catalog.pdf
  • 41. _01-12-01 UPPER FRAME SYSTEM Spare Parts Catalog.pdf
  • 42. _01-12-02 RADIATOR COVER Spare Parts Catalog.pdf
  • 43. _01-12-03 ENGINE COVER Spare Parts Catalog.pdf
  • 44. _01-12-04 SIDE COVER Spare Parts Catalog.pdf
  • 45. _01-12-06 UTILITY TRAY KIT – OPTION Spare Parts Catalog.pdf
  • 46. _01-12-07 DASHBOARD COVER FOR ATT DOUBLE ACTION-OPTION Spare Parts Catalog.pdf
  • 47. _01-13-01 COUNTER WEIGHT Spare Parts Catalog.pdf
  • 48. _01-13-02 LPG WEIGHT Spare Parts Catalog.pdf
  • 49. _01-14-02 SEAT ASSY (NEW TYPE) (FROM_2018-10) Spare Parts Catalog.pdf
  • 50. _01-15-01 HEAD GUARD SYSTEM Spare Parts Catalog.pdf
  • 51. _01-15-02 HEAD GUARD Spare Parts Catalog.pdf
  • 52. _01-15-03 CANVAS ROOF KIT – OPTION Spare Parts Catalog.pdf
  • 53. _01-20-01 ENGINE BRACKET Spare Parts Catalog.pdf
  • 54. _01-20-02 HIGH SPEED FAN KIT – OPTION Spare Parts Catalog.pdf
  • 55. _01-20-03 ENCLOSED ALTERNATOR KIT – OPTION Spare Parts Catalog.pdf
  • 56. _01-20-04 ENCLOSED ALTERNATOR HIGH SPEED FAN KIT – OPTION Spare Parts Catalog.pdf
  • 57. _01-23-01 TORQUE-CONVERTER ASSY Spare Parts Catalog.pdf
  • 58. _01-24-03 TRANSMISSION (PART-3) (FOR TORQUE DRIVE) Spare Parts Catalog.pdf
  • 59. _01-24-04 TRANSMISSION (PART-4) (FOR TORQUE DRIVE) Spare Parts Catalog.pdf
  • 60. _01-25-01 TRANSMISSION (PART-1) (FOR DIRECT DRIVE) Spare Parts Catalog.pdf
  • 61. _01-25-04 TRANSMISSION (PART-4) (FOR DIRECT DRIVE) Spare Parts Catalog.pdf
  • 62. _01-32-01 FRONT AXLE Spare Parts Catalog.pdf
  • 63. _01-32-03 CLUTCH ASSY Spare Parts Catalog.pdf
  • 64. _01-32-04 UNIVERSAL JOINT COVER KIT – OPTION Spare Parts Catalog.pdf
  • 65. _01-34-01 FRONT AXLE COMMON PARTS Spare Parts Catalog.pdf
  • 66. _01-34-02 FRONT HUB TIRE (PNEUMATIC TIRE) Spare Parts Catalog.pdf
  • 67. _01-34-03 FRONT HUB TIRE (SOLID TIRE) Spare Parts Catalog.pdf
  • 68. _01-34-04 SPECIAL DUAL TIRE Spare Parts Catalog.pdf
  • 69. _01-34-05 FENDER Spare Parts Catalog.pdf
  • 70. _01-34-06 FRONT AXLE DUST PROOF BREATHER KIT – OPTION Spare Parts Catalog.pdf
  • 71. _01-34-07 STANDARD DUAL TIRE KIT – OPTION (PNEUMATIC TIRE) Spare Parts Catalog.pdf
  • 72. _01-34-08 STANDARD DUAL TIRE KIT – OPTION (SOLID TIRE) Spare Parts Catalog.pdf
  • 73. _01-34-09 FRONT DUAL TIRE (SOLID TIRE) Spare Parts Catalog.pdf
  • 74. _01-43-01 REAR AXLE SYSTEM (PART-1) Spare Parts Catalog.pdf
  • 75. _03-43-01 REAR AXLE POWER CYLINDER BOOT (OPTION) Spare Parts Catalog.pdf
  • 76. _01-43-03 STEERING CYLINDER (OLD) Spare Parts Catalog.pdf
  • 77. _01-43-05 STEERING CYLINDER (NEW) FROM 2016-12 Spare Parts Catalog.pdf
  • 78. _01-43-06 REAR TIRE (PNEUMATIC TIRE) Spare Parts Catalog.pdf
  • 79. _01-43-07 REAR TIRE (SOLID TIRE) Spare Parts Catalog.pdf
  • 80. _01-46-01 BRAKE SYSTEM Spare Parts Catalog.pdf
  • 81. _01-46-02 WHEEL BRAKE L.H. Spare Parts Catalog.pdf
  • 82. _01-51-01 DRIVING SYSTEM (FOR TORQUE DRIVE) Spare Parts Catalog.pdf
  • 83. _01-51-03 DRIVING CONTROL (PART-1) Spare Parts Catalog.pdf
  • 84. _01-51-07 BRAKE RESERVOIR Spare Parts Catalog.pdf
  • 85. _01-54-01 STEERING SYSTEM (PART-1) Spare Parts Catalog.pdf
  • 86. _01-54-02 STEERING SYSTEM (PART-2) Spare Parts Catalog.pdf
  • 87. _01-54-03 STEERING WHEEL Spare Parts Catalog.pdf
  • 88. _01-61-01 AIR INTAKE SYSTEM Spare Parts Catalog.pdf
  • 89. _01-61-02 AIR CLEANER Spare Parts Catalog.pdf
  • 90. _01-61-03 PRE-AIR-CLEANER KIT – OPTION Spare Parts Catalog.pdf
  • 91. _01-61-04 DOUBLE ELEMENT AIR CLEANER – OPTION Spare Parts Catalog.pdf
  • 92. _01-61-05 AIR INTAKE SYSTEM – OPTION Spare Parts Catalog.pdf
  • 93. _01-62-01 EXHAUST SYSTEM Spare Parts Catalog.pdf
  • 94. _01-62-02 MUFFLER Spare Parts Catalog.pdf
  • 95. _01-62-04 CYCLONE MUFFLER – OPTION Spare Parts Catalog.pdf
  • 96. _01-64-01 FUEL SYSTEM Spare Parts Catalog.pdf
  • 97. _01-64-02 TANK CAP Spare Parts Catalog.pdf
  • 98. _01-65-02 LPG TANK BRACKET Spare Parts Catalog.pdf
  • 99. _01-65-03 LPG TANK Spare Parts Catalog.pdf
  • 100. _01-65-04 VAPORIZER Spare Parts Catalog.pdf
  • 101. _01-65-05 LPG STD BRACKET KIT – OPTION Spare Parts Catalog.pdf
  • 102. _01-65-06 LPG SWING DOWN BRACKET (PART-1) – OPTION Spare Parts Catalog.pdf
  • 103. _01-65-07 LPG SWING DOWN BRACKET (PART-2) – OPTION (OLD) Spare Parts Catalog.pdf
  • 104. _01-65-08 LPG SWING DOWN BRACKET (PART-2) – OPTION (NEW) Spare Parts Catalog.pdf
  • 105. _01-71-01 HYD DELIVERY CIRCUIT Spare Parts Catalog.pdf
  • 106. _01-71-02 SUCTION CIRCUIT Spare Parts Catalog.pdf
  • 107. _01-71-03 HYD DELIVERY CIRCUIT – OPTION Spare Parts Catalog.pdf
  • 108. _01-72-01 HYDRAULIC CONTROL (2 VALVES) Spare Parts Catalog.pdf
  • 109. _01-72-05 CONTROL VALVE (2 VALVES)PART-1 Spare Parts Catalog.pdf
  • 110. _01-72-10 HYDRAULIC LINE RETURN HOSE ATT PIPING Spare Parts Catalog.pdf
  • 111. _01-72-11 ATT DOUBLE ACTION KIT 3V (MC MODEL) (PART-1) – OPTION Spare Parts Catalog.pdf
  • 112. _01-72-13 ATT DOUBLE ACTION KIT 4V (MC MODEL) (PART-1) – OPTION Spare Parts Catalog.pdf
  • 113. _01-72-16 ATT DOUBLE ACTION KIT 3V,4V (MC MODEL) (PART-2) – OPTION Spare Parts Catalog.pdf
  • 114. _01-72-17 ATT DOUBLE ACTION KIT 5V (MC MODEL) (PART-2) – OPTION Spare Parts Catalog.pdf
  • 115. _01-75-01 HYDRAULIC PS CIRCUIT Spare Parts Catalog.pdf
  • 116. _01-75-02 HYDRAULIC TILT CIRCUIT Spare Parts Catalog.pdf
  • 117. _01-75-03 HYDRAULIC LIFT CIRCUIT Spare Parts Catalog.pdf
  • 118. _01-75-04 HYDRAULIC TANK CIRCUIT Spare Parts Catalog.pdf
  • 119. _01-75-05 HYDRAULIC LINE (RETURN) Spare Parts Catalog.pdf
  • 120. _01-75-06 HYDRAULIC TANK CIRCUIT KIT – OPTION Spare Parts Catalog.pdf
  • 121. _01-81-01 NAME-PLATE Spare Parts Catalog.pdf
  • 122. _01-81-03 FUEL LABEL Spare Parts Catalog.pdf
  • 123. _01-81-04 FLOOR MAT Spare Parts Catalog.pdf
  • 124. _02-01-01 LIFT BRACKET COMMON PARTS (5V25D,5M25D,5F25C) Spare Parts Catalog.pdf
  • 125. _02-01-02 LIFT BRACKET COMMON PARTS 5F25C Spare Parts Catalog.pdf
  • 126. _02-01-03 LIFT BRACKET 5V25D,5M25D Spare Parts Catalog.pdf
  • 127. _02-01-04 LIFT BRACKET 5F25C Spare Parts Catalog.pdf
  • 128. _02-04-02 TILT CYLINDER (L.H.) (5V25D,5M25D,5F25C) (NEW) Spare Parts Catalog.pdf
  • 129. _02-04-03 TILT CYLINDER (R.H.) (5V25D,5M25D,5F25C) (OLD) Spare Parts Catalog.pdf
  • 130. _02-05-01 TILT CYLINDER BOOT (OPTION) Spare Parts Catalog.pdf
  • 131. _02-06-01 FORK (HUAXIN) Spare Parts Catalog.pdf
  • 132. _02-10-01 MAST COMMON PARTS (PART-1) (FOR 5V25D) Spare Parts Catalog.pdf
  • 133. _02-10-02 MAST COMMON PARTS (PART-2) (FOR 5V25D) Spare Parts Catalog.pdf
  • 134. _02-10-03 COMMON PARTS RETURN PIPING (FOR 5V25D30,33) Spare Parts Catalog.pdf
Rate this product
You may also like
Caterpillar GP20N Parts Manual 98725-42000Alternative view of Caterpillar GP20N Parts Manual 98725-42000

Caterpillar Part Manual PDF

Caterpillar GP20N Parts Manual 98725-42000

$50.00
Add to cart
Caterpillar GP20N Parts Manual 98723-06210Alternative view of Caterpillar GP20N Parts Manual 98723-06210

Caterpillar Part Manual PDF

Caterpillar GP20N Parts Manual 98723-06210

$50.00
Add to cart
Caterpillar GP20N Parts Manual 98717-950S0Alternative view of Caterpillar GP20N Parts Manual 98717-950S0

Caterpillar Part Manual PDF

Caterpillar GP20N Parts Manual 98717-950S0

$50.00
Add to cart
Caterpillar GP20PT Parts Manual PCCEG-CT13H-23Alternative view of Caterpillar GP20PT Parts Manual PCCEG-CT13H-23

Caterpillar Part Manual PDF

Caterpillar GP20PT Parts Manual PCCEG-CT13H-23

$50.00
Add to cart
Caterpillar GP20N Parts Manual 98723-05230Alternative view of Caterpillar GP20N Parts Manual 98723-05230

Caterpillar Part Manual PDF

Caterpillar GP20N Parts Manual 98723-05230

$50.00
Add to cart
Caterpillar GP20N Parts Manual PCFEE-ST17E-22Alternative view of Caterpillar GP20N Parts Manual PCFEE-ST17E-22

Caterpillar Part Manual PDF

Caterpillar GP20N Parts Manual PCFEE-ST17E-22

$50.00
Add to cart
Caterpillar GP20N Parts Manual 00001-00001Alternative view of Caterpillar GP20N Parts Manual 00001-00001

Caterpillar Part Manual PDF

Caterpillar GP20N Parts Manual 00001-00001

$50.00
Add to cart
Caterpillar GP20PDH Parts Manual PCEEG-CT13H-23Alternative view of Caterpillar GP20PDH Parts Manual PCEEG-CT13H-23

Caterpillar Part Manual PDF

Caterpillar GP20PDH Parts Manual PCEEG-CT13H-23

$50.00
Add to cart
Caterpillar GP20NT Parts Manual 98723-0C400Alternative view of Caterpillar GP20NT Parts Manual 98723-0C400

Caterpillar Part Manual PDF

Caterpillar GP20NT Parts Manual 98723-0C400

$50.00
Add to cart
Caterpillar GP20K MC Parts Manual SEBN0001-01Alternative view of Caterpillar GP20K MC Parts Manual SEBN0001-01

Caterpillar Part Manual PDF

Caterpillar GP20K MC Parts Manual SEBN0001-01

$50.00
Add to cart
    Links of interest
    • About us
    • Refund and Returns Policy
    • Terms & Conditions
    • Shipping Policy
    • Privacy Policy
    • Contact Us
    Product tags
    Agricultural Automotive Heavy Construction
© All rights reserved. 2023
PayPal
Visa
BitCoin
MasterCard
Western Union
Visa
PayPal
MasterCard
Copyright 2026 © ownersmanualpdf.net
  • Category
  • Menu
  • About us
  • Shop
  • News
  • Contact Us
  • Aisle-Master
    • Aisle-Master Operator Manual PDF
    • Aisle-Master Parts Manual PDF
    • Aisle-Master Service Manual PDF
  • BT
    • BT Operator Manual PDF
    • BT Parts Manual PDF
    • BT Service Manual PDF
    • BT Wiring Diagrams PDF
  • Caterpillar
    • Caterpillar Operation Manual PDF
    • Caterpillar Parts Manual PDF
    • Caterpillar Service Manual PDF
    • Caterpillar Wiring Diagrams PDF
  • Mitsubishi
    • Mitsubishi Operation Manual PDF
    • Mitsubishi Operator Manual PDF
    • Mitsubishi Other Manual PDF
    • Mitsubishi Parts Manual PDF
    • Mitsubishi Service Manual PDF
    • Mitsubishi Wiring Diagrams PDF
    • Mitsubishi Workshop Manual PDF
  • Cesab
    • Cesab Operator Manual PDF
    • Cesab Parts Manual PDF
    • Cesab Service Manual PDF
  • Combilift
    • Combilift Operator Manual PDF
    • Combilift Parts Manual PDF
    • Combilift Service Manual PDF
    • Combilift Wiring Diagrams PDF
  • Deutz
    • Deutz Operator Manual PDF
    • Deutz Parts Manual PDF
  • Doosan
    • Doosan Operator Manual PDF
    • Doosan Other Manual PDF
    • Doosan Parts Manual PDF
    • Doosan Service Manual PDF
    • Doosan Wiring Diagrams PDF
  • EP Forklift
    • EP Forklift Operator Manual PDF
    • EP Forklift Parts Manual PDF
    • EP Forklift Service Manual PDF
  • Hangcha
    • Hangcha Operator Manual PDF
    • Hangcha Other Manual PDF
    • Hangcha Parts Manual PDF
    • Hangcha Service Manual PDF
  • IMPCO
    • IMPCO Operator Manual PDF
    • IMPCO Parts Manual PDF
    • IMPCO Service Manual PDF
  • Jiachen
    • Jiachen Operator Manual PDF
    • Jiachen Other Manual PDF
  • JLG
    • JLG Operator Manual PDF
    • JLG Parts Manual PDF
    • JLG Service Manual PDF
  • Kubota
    • Kubota Operator Manual PDF
    • Kubota Parts Manual PDF
    • Kubota Workshop Manual PDF
  • Mlift
    • Mlift Operation Manual PDF
    • Mlift Service Manual PDF
  • Nissan
    • Nissan Other Manual PDF
    • Nissan Service Manual PDF
  • Okamura
    • Okamura Other Manual PDF
    • Okamura Parts Manual PDF
    • Okamura Service Manual PDF
  • Perkins
    • Perkins Operation Manual PDF
    • Perkins Parts Manual PDF
  • PSI
    • PSI Operator Manual PDF
    • PSI Parts Manual PDF
    • PSI Service Manual PDF
  • Towmotor
    • Towmotor Operation Manual PDF
    • Towmotor Parts Manual PDF
    • Towmotor Service Manual PDF
  • Toyota
    • Toyota Parts Manual PDF
    • Toyota Service Manual PDF
  • Xinchai
    • Xinchai Operator Manual PDF
    • Xinchai Parts Manual PDF
    • Xinchai Workshop Manual PDF
    • Xinchai Other Manual PDF
  • Yanmar
    • Yanmar Operator Manual PDF
    • Yanmar Parts Manual PDF
    • Yanmar Service Manual PDF
    • Yanmar Other Manual PDF
  • Yitou
    • Yitou Operator Manual PDF
    • Yitou Other Manual PDF
    • Yitou Parts Manual PDF