Caterpillar GP25PT Parts Manual PCEEG-CT13H-23
$50.00
- Type Of Manual: Parts Manual
- Book Number: PCEEG-CT13H-23
- Information: CAT GASOLINE ENGINE GK21,GK25
- Number of Pages: 69
- Size: 12.9MB
- Format: PDF
Category: Caterpillar Part Manual PDF
-
Model List:
- GP25PT
- 1. _A0-100-01 100A ENGINE ASSY Spare Parts Catalog.pdf
- 2. _A0-100-02 102A ENGINE GASKET KIT Spare Parts Catalog.pdf
- 3. _A0-100-03 135A FRONT COVER FITTING Spare Parts Catalog.pdf
- 4. _A0-100-04 117A FAN BELT Spare Parts Catalog.pdf
- 5. _A0-100-06 111A CYLINDER HEAD ROCKER COVER Spare Parts Catalog.pdf
- 6. _A0-100-07 120A PISTON, CRANKSHAFT FLYWHEEL Spare Parts Catalog.pdf
- 7. _A0-200-01 163A THROTTLE CHAMBER Spare Parts Catalog.pdf
- 8. _A0-200-02 164A INJECTOR FUEL PIPING Spare Parts Catalog.pdf
- 9. _A0-200-03 195A VAPORIZER (LPG DUAL) Spare Parts Catalog.pdf
- 10. _A0-200-04 195B SHUT OFF VALVE (LPG DUAL) Spare Parts Catalog.pdf
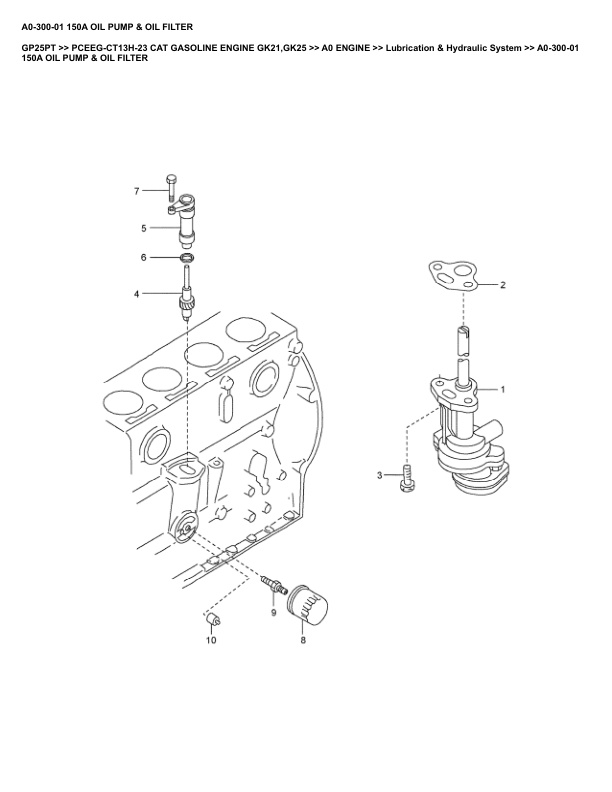
- 11. _A0-300-01 150A OIL PUMP OIL FILTER Spare Parts Catalog.pdf
- 12. _A0-400-01 118A CRANK CASE VENTILATION Spare Parts Catalog.pdf
- 13. _A0-600-01 220A IGNITION SYSTEM Spare Parts Catalog.pdf
- 14. _A0-600-02 230A ALTERNATOR ALTERNATOR FITTING Spare Parts Catalog.pdf
- 15. _A0-600-03 233A STARTER MOTOR Spare Parts Catalog.pdf
- 16. _A0-600-04 234A ENGINE SUB HARNESS BRACKET Spare Parts Catalog.pdf
- 17. _A0-700-01 226A ENGINE CONTROL UNIT Spare Parts Catalog.pdf
Rate this product
You may also like















