Caterpillar GP30N Parts Manual 98717-950T0
$50.00
- Type Of Manual: Parts Manual
- Book Number: 98717-950T0
- Information: CAT MAST (TRIPLEX)(FOR 5M15D20D25D30D35D)
- Number of Pages: 191
- Size: 19.7MB
- Format: PDF
Category: Caterpillar Part Manual PDF
-
Model List:
- GP30N
- 1. _01-01-01 LIFT BRACKET COMMON PARTS (FOR 5M15D, 5M20D) Spare Parts Catalog.pdf
- 2. _01-01-02 LIFT BRACKET COMMON PARTS (FOR 5M25D) Spare Parts Catalog.pdf
- 3. _01-01-04 LIFT BRACKET COMMON PARTS (FOR 5M35D) Spare Parts Catalog.pdf
- 4. _01-03-01 BACKREST (FOR 5M15D, 20D) Spare Parts Catalog.pdf
- 5. _01-03-02 BACKREST (FOR 5M25D) Spare Parts Catalog.pdf
- 6. _01-03-03 BACKREST (FOR 5M30D, 5M35D) Spare Parts Catalog.pdf
- 7. _01-04-01 TILT CYLINDER (FOR 5M15D, 5M20D) Spare Parts Catalog.pdf
- 8. _01-04-02 TILT CYLINDER (L.H.) (FOR 5M25D) Spare Parts Catalog.pdf
- 9. _01-04-04 TILT CYLINDER (L.H.) (FOR 5M30D, 5M35D) Spare Parts Catalog.pdf
- 10. _01-04-05 TILT CYLINDER (R.H.) (FOR 5M30D, 5M35D) Spare Parts Catalog.pdf
- 11. _01-06-01 FORK KENHAR (FOR 5M15D) (L920L1520) Spare Parts Catalog.pdf
- 12. _01-06-03 FORK KENHAR (FOR 5M20D) (L920L1520) Spare Parts Catalog.pdf
- 13. _01-06-04 FORK HUAXIN (FOR 5M20D) (L1670L1970) Spare Parts Catalog.pdf
- 14. _01-06-05 FORK KENHAR (FOR 5M25D) (L920L1520) Spare Parts Catalog.pdf
- 15. _01-06-06 FORK HUAXIN (FOR 5M25D) (L1670L1970) Spare Parts Catalog.pdf
- 16. _01-06-07 FORK KENHAR (FOR 5M30D, 5M35D) (L1070L1520) Spare Parts Catalog.pdf
- 17. _01-06-08 FORK HUAXIN (FOR 5M30D, 5M35D) (L1670L1970) Spare Parts Catalog.pdf
- 18. _01-20-01 TRIPLEX MAST MODEL 5M15D, 20D37-70 Spare Parts Catalog.pdf
- 19. _01-20-02 LIFT CYLINDER (1ST) (FOR 5M15D, 20D37-70) Spare Parts Catalog.pdf
- 20. _01-20-03 LIFT CYLINDER (2ND) (FOR 5M15D, 20D37-70) Spare Parts Catalog.pdf
- 21. _01-20-05 LIFT CYLINDER (1ST) (FOR 5M25D37-70) Spare Parts Catalog.pdf
- 22. _01-20-06 LIFT CYLINDER (2ND) (FOR 5M25D37-70) Spare Parts Catalog.pdf
- 23. _01-20-07 TRIPLEX MAST MODEL 5M30D37-70 Spare Parts Catalog.pdf
- 24. _01-20-08 LIFT CYLINDER (1ST) (FOR 5M30D37-70) Spare Parts Catalog.pdf
- 25. _01-20-09 LIFT CYLINDER (2ND) (FOR 5M30D37-70) Spare Parts Catalog.pdf
- 26. _01-20-10 TRIPLEX MAST MODEL 5M35D37-70 Spare Parts Catalog.pdf
- 27. _01-20-11 LIFT CYLINDER (1ST) (FOR 5M35D37-70) Spare Parts Catalog.pdf
- 28. _01-21-01 MAST COMMON PARTS (PART-1) (FOR 5M15D, 20D37-70) Spare Parts Catalog.pdf
- 29. _01-21-02 MAST COMMON PARTS (PART-2) (FOR 5M15D, 20D37-70) Spare Parts Catalog.pdf
- 30. _01-21-03 MAST COMMON PARTS (PART-3) (FOR 5M15D, 20D) Spare Parts Catalog.pdf
- 31. _01-21-04 MAST COMMON PARTS (PART-4) (FOR 5M15D, 20D) Spare Parts Catalog.pdf
- 32. _01-21-05 MAST COMMON PARTS (PART-1) (FOR 5M25D) Spare Parts Catalog.pdf
- 33. _01-21-07 MAST COMMON PARTS (PART-3) (FOR 5M25D) Spare Parts Catalog.pdf
- 34. _01-21-08 MAST COMMON PARTS (PART-4) (FOR 5M25D) Spare Parts Catalog.pdf
- 35. _01-21-10 MAST COMMON PARTS (PART-2) (FOR 5M30D) Spare Parts Catalog.pdf
- 36. _01-21-12 MAST COMMON PARTS (PART-4) (FOR 5M30D) Spare Parts Catalog.pdf
- 37. _01-21-13 MAST COMMON PARTS (PART-1) (FOR 5M35D) Spare Parts Catalog.pdf
- 38. _01-21-14 MAST COMMON PARTS (PART-2) (FOR 5M35D) Spare Parts Catalog.pdf
- 39. _01-21-15 MAST COMMON PARTS (PART-3) (FOR 5M35D) Spare Parts Catalog.pdf
- 40. _01-22-01 LIFT BRACKET (FOR 5M15D,5M20D) Spare Parts Catalog.pdf
- 41. _01-22-02 LIFT BRACKET (FOR 5M25D) Spare Parts Catalog.pdf
- 42. _01-22-03 LIFT BRACKET (FOR 5M30D) Spare Parts Catalog.pdf
- 43. _01-22-04 LIFT BRACKET (FOR 5M35D) Spare Parts Catalog.pdf
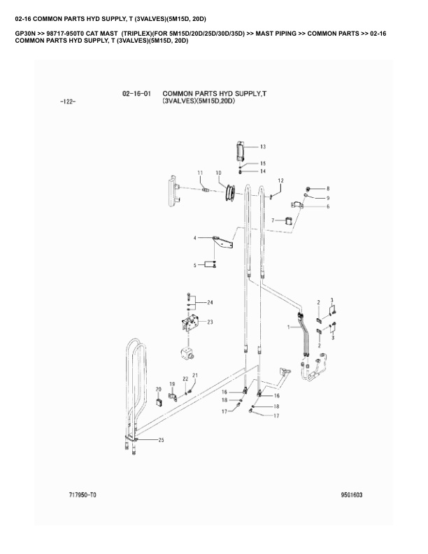
- 44. _02-16 COMMON PARTS HYD SUPPLY, T (3VALVES)(5M15D, 20D) Spare Parts Catalog.pdf
- 45. _02-16 COMMON PARTS HYD SUPPLY, T (3VALVES) (5M25D) Spare Parts Catalog.pdf
- 46. _02-16 COMMON PARTS HYD SUPPLY, T (4VALVES) (5M25D) Spare Parts Catalog.pdf
- 47. _02-16 COMMON PARTS HYD SUPPLY, T (4VALVES)(5M30D, 35D) Spare Parts Catalog.pdf
- 48. _02-17 HOSE INTERNAL HOSING (3VALVES)(5M15D, 20D) Spare Parts Catalog.pdf
- 49. _02-17 HOSE INTERNAL HOSING (4VALVES)(5M15D, 20D) Spare Parts Catalog.pdf
- 50. _02-17 HOSE INTERNAL HOSING (3VALVES) (5M25D) Spare Parts Catalog.pdf
- 51. _02-17 HOSE INTERNAL HOSING (4VALVES) (5M25D) Spare Parts Catalog.pdf
- 52. _02-17 HOSE INTERNAL HOSING (3VALVES) (5M30D) Spare Parts Catalog.pdf
- 53. _02-17 HOSE INTERNAL HOSING (4VALVES) (5M30D) Spare Parts Catalog.pdf
- 54. _02-17 HOSE INTERNAL HOSING (4VALVES) (5M35D) Spare Parts Catalog.pdf
Rate this product
You may also like















