Caterpillar GP30NM Parts Manual 98735-0A000
$50.00
- Type Of Manual: Parts Manual
- Book Number: 98735-0A000
- Information: CAT CHASSIS, MAST, OPTIONS – INTERNAL HOSING
- Number of Pages: 605
- Size: 94.7MB
- Format: PDF
Category: Caterpillar Part Manual PDF
-
Model List:
- GP30NM
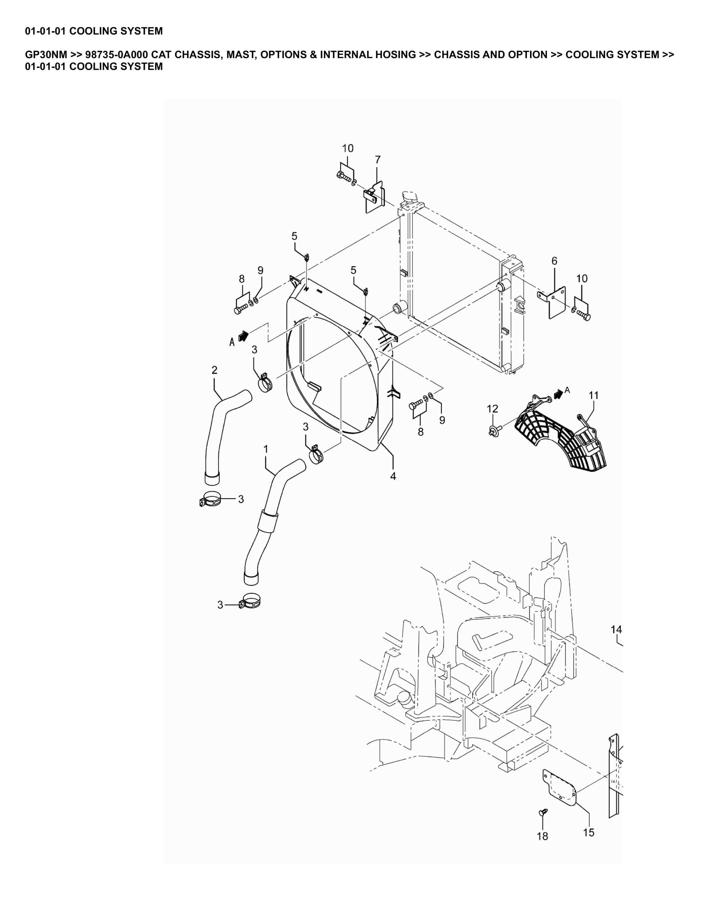
- 1. _01-01-01 COOLING SYSTEM Spare Parts Catalog.pdf
- 2. _01-01-02 RADIATOR ASSY Spare Parts Catalog.pdf
- 3. _01-01-03 RESERVOIR TANK ASSY Spare Parts Catalog.pdf
- 4. _01-01-04 TORQUE-CONVERTER COOLER Spare Parts Catalog.pdf
- 5. _01-01-05 RADIATOR NET KIT – OPTION Spare Parts Catalog.pdf
- 6. _01-01-06 INDICATOR KIT – OPTION Spare Parts Catalog.pdf
- 7. _01-04-01 ELECTRIC SYSTEM Spare Parts Catalog.pdf
- 8. _01-04-02 CHASSIS CIRCUIT Spare Parts Catalog.pdf
- 9. _01-04-03 HEAD GUARD CIRCUIT Spare Parts Catalog.pdf
- 10. _01-04-04 BATTERY Spare Parts Catalog.pdf
- 11. _01-04-05 BATTERY CABLE Spare Parts Catalog.pdf
- 12. _01-04-06 COMBINATION SWITCH Spare Parts Catalog.pdf
- 13. _01-04-07 REAR WORKING LAMP KIT – OPTION Spare Parts Catalog.pdf
- 14. _01-04-08 WARNING LAMP TOP KIT – OPTION Spare Parts Catalog.pdf
- 15. _01-04-09 WARNING LAMP SIDE KIT – OPTION Spare Parts Catalog.pdf
- 16. _01-04-10 STROBE LAMP KIT ABOVE – OPTION Spare Parts Catalog.pdf
- 17. _01-04-11 STROBE LAMP KIT BELOW – OPTION Spare Parts Catalog.pdf
- 18. _01-04-12 MAST LED HEAD LAMP KIT – OPTION Spare Parts Catalog.pdf
- 19. _01-11-01 FRAME SYSTEM Spare Parts Catalog.pdf
- 20. _01-11-02 FRAME ASSY Spare Parts Catalog.pdf
- 21. _01-11-03 WEIGHT HOOK KIT – OPTION Spare Parts Catalog.pdf
- 22. _01-11-04 DRAW PIN KIT – OPTION Spare Parts Catalog.pdf
- 23. _01-12-01 UPPER FRAME SYSTEM Spare Parts Catalog.pdf
- 24. _01-12-02 RADIATOR COVER Spare Parts Catalog.pdf
- 25. _01-12-03 ENGINE COVER Spare Parts Catalog.pdf
- 26. _01-12-04 SIDE COVER Spare Parts Catalog.pdf
- 27. _01-12-05 DASHBOARD COVER Spare Parts Catalog.pdf
- 28. _01-13-01 COUNTER WEIGHT Spare Parts Catalog.pdf
- 29. _01-14-01 SEAT ASSY Spare Parts Catalog.pdf
- 30. _01-15-01 HEADGUARD COMMON PARTS Spare Parts Catalog.pdf
- 31. _01-15-02 HEADGUARD Spare Parts Catalog.pdf
- 32. _01-15-03 BACKUP HANDLE KIT – OPTION Spare Parts Catalog.pdf
- 33. _01-15-04 CLEAR ROOF KIT – OPTION Spare Parts Catalog.pdf
- 34. _01-15-05 SIDE REAR VIEW MIRROR KIT – OPTION Spare Parts Catalog.pdf
- 35. _01-20-01 ENGINE BRACKET Spare Parts Catalog.pdf
- 36. _01-20-02 ENGINE CONTROLLER Spare Parts Catalog.pdf
- 37. _01-20-03 HIGH SPEED FAN KIT – OPTION Spare Parts Catalog.pdf
- 38. _01-20-04 ENGINE CONTROLLER (AIR CLEANER DOUBLE ELEMENT) – OPTION Spare Parts Catalog.pdf
- 39. _01-23-01 TORQUE-CONVERTER ASSY Spare Parts Catalog.pdf
- 40. _01-24-01 TRANSMISSION (PART-1) Spare Parts Catalog.pdf
- 41. _01-24-02 TRANSMISSION (PART-2) Spare Parts Catalog.pdf
- 42. _01-24-03 TRANSMISSION (PART-3) Spare Parts Catalog.pdf
- 43. _01-24-04 TRANSMISSION (PART-4) Spare Parts Catalog.pdf
- 44. _01-28-01 CONTROL VALVE Spare Parts Catalog.pdf
- 45. _01-32-01 FRONT AXLE Spare Parts Catalog.pdf
- 46. _01-32-02 REDUCTION DIFFERENTIAL Spare Parts Catalog.pdf
- 47. _01-33-01 DUAL TIRE (SOLID) (OPTION) Spare Parts Catalog.pdf
- 48. _01-33-02 DUAL TIRE (PNEUMATIC) (OPTION) Spare Parts Catalog.pdf
- 49. _01-34-01 FRONT AXLE SYSTEM Spare Parts Catalog.pdf
- 50. _01-34-02 FRONT TIRE Spare Parts Catalog.pdf
- 51. _01-34-03 FENDER Spare Parts Catalog.pdf
- 52. _01-34-04 FRONT AXLE DUST PROOF BREATHER KIT – OPTION Spare Parts Catalog.pdf
- 53. _01-43-01 REAR AXLE SYSTEM Spare Parts Catalog.pdf
- 54. _01-43-02 STEERING CYLINDER Spare Parts Catalog.pdf
- 55. _01-43-03 REAR TIRE Spare Parts Catalog.pdf
- 56. _01-46-01 BRAKE SYSTEM Spare Parts Catalog.pdf
- 57. _01-46-02 WHEEL BRAKE L.H. Spare Parts Catalog.pdf
- 58. _01-46-03 WHEEL BRAKE R.H. Spare Parts Catalog.pdf
- 59. _01-51-01 DRIVING SYSTEM (PART-1) Spare Parts Catalog.pdf
- 60. _01-51-02 DRIVING SYSTEM (PART-2) Spare Parts Catalog.pdf
- 61. _01-51-03 ACCELERATOR CONTROL Spare Parts Catalog.pdf
- 62. _01-51-04 BRAKE RESERVOIR (OLD) Spare Parts Catalog.pdf
- 63. _01-51-05 BRAKE RESERVOIR (NEW) Spare Parts Catalog.pdf
- 64. _01-54-01 STEERING SYSTEM Spare Parts Catalog.pdf
- 65. _01-54-02 STEERING VALVE Spare Parts Catalog.pdf
- 66. _01-54-03 STEERING WHEEL Spare Parts Catalog.pdf
- 67. _01-54-04 STEERING WHEEL KNOB KIT – OPTION Spare Parts Catalog.pdf
- 68. _01-61-01 INTAKE SYSTEM Spare Parts Catalog.pdf
- 69. _01-61-02 AIR CLEANER Spare Parts Catalog.pdf
- 70. _01-61-03 PRE-AIR-CLEANER KIT – OPTION Spare Parts Catalog.pdf
- 71. _01-62-01 EXHAUST SYSTEM Spare Parts Catalog.pdf
- 72. _01-62-02 MUFFLER Spare Parts Catalog.pdf
- 73. _01-62-03 TAIL PIPE Spare Parts Catalog.pdf
- 74. _01-62-04 ELEVATED EXHAUST KIT – OPTION (OLD) Spare Parts Catalog.pdf
- 75. _01-62-05 ELEVATED EXHAUST KIT – OPTION (NEW) Spare Parts Catalog.pdf
- 76. _01-64-01 FUEL SYSTEM Spare Parts Catalog.pdf
- 77. _01-64-02 FUEL SYSTEM Spare Parts Catalog.pdf
- 78. _01-65-01 LPG SYSTEM COMMON PARTS Spare Parts Catalog.pdf
- 79. _01-65-02 LPG TANK BRACKET Spare Parts Catalog.pdf
- 80. _01-65-03 LPG TANK Spare Parts Catalog.pdf
- 81. _01-71-01 HYDRAULIC DELIVERY CIRCUIT Spare Parts Catalog.pdf
- 82. _01-71-02 SUCTION CIRCUIT Spare Parts Catalog.pdf
- 83. _01-72-01 HYDRAULIC CONTROL SYSTEM (PART-1) (3 VALVES) Spare Parts Catalog.pdf
- 84. _01-72-02 HYDRAULIC CONTROL SYSTEM (PART-1) (4 VALVES) Spare Parts Catalog.pdf
- 85. _01-72-03 HYDRAULIC CONTROL SYSTEM (PART-2) Spare Parts Catalog.pdf
- 86. _01-72-04 CONTROL VALVE (3 VALVES) (PART-1) Spare Parts Catalog.pdf
- 87. _01-72-05 CONTROL VALVE (3 VALVES) (PART-2) Spare Parts Catalog.pdf
- 88. _01-72-06 CONTROL VALVE (4 VALVES) Spare Parts Catalog.pdf
- 89. _01-75-01 HYD POWER STEERING CIRCUIT Spare Parts Catalog.pdf
- 90. _01-75-02 HYDRAULIC TILT CIRCUIT Spare Parts Catalog.pdf
- 91. _01-75-03 HYDRAULIC LIFT CIRCUIT Spare Parts Catalog.pdf
- 92. _01-75-04 HYDRAULIC TANK CIRCUIT Spare Parts Catalog.pdf
- 93. _01-81-01 NAME-PLATE Spare Parts Catalog.pdf
- 94. _01-81-02 WARNING LABEL Spare Parts Catalog.pdf
- 95. _01-81-03 FUEL LABEL Spare Parts Catalog.pdf
- 96. _01-81-04 FLOOR MAT Spare Parts Catalog.pdf
- 97. _01-81-05 CERTIFICATION PLATE LABEL Spare Parts Catalog.pdf
- 98. _01-15-01 TC1930 – OPTION TINTED ROOF KIT 9040113000 Spare Parts Catalog.pdf
- 99. _02-01-01 LIFT BRACKET COMMON PARTS Spare Parts Catalog.pdf
- 100. _02-01-02 LIFT BRACKET (FOR 5V30C,5M30C, 5F30C) Spare Parts Catalog.pdf
- 101. _02-01-03 LIFT BRACKET (FOR 5V35C,5M35C, 5F35C) Spare Parts Catalog.pdf
- 102. _02-01-04 BACKREST Spare Parts Catalog.pdf
- 103. _02-04-01 TILT CYLINDER (L.H.) (6 DEGREES – 10 DEGREES, 6 DEGREES – 6 DEGREES) (UPTO 2022-08) Spare Parts Catalog.pdf
- 104. _02-04-02 TILT CYLINDER (L.H.) (6 DEGREES – 10 DEGREES, 6 DEGREES – 6 DEGREES) (FROM 2022-09) Spare Parts Catalog.pdf
- 105. _02-04-03 TILT CYLINDER (R.H.) (6 DEGREES – 10 DEGREES, 6 DEGREES – 6 DEGREES) (UPTO 2022-08) Spare Parts Catalog.pdf
- 106. _02-04-04 TILT CYLINDER (R.H.) (6DEGREES – 10 DEGREES, 6 DEGREES – 6 DEGREES) (FROM 2022-09) Spare Parts Catalog.pdf
- 107. _02-04-05 TILT CYLINDER (L.H.) (3 DEGREES – 10 DEGREES, 3 DEGREES – 6 DEGREES) Spare Parts Catalog.pdf
- 108. _02-04-06 TILT CYLINDER (R.H.) (3 DEGREES – 10 DEGREES, 3 DEGREES – 6 DEGREES) Spare Parts Catalog.pdf
- 109. _02-04-07 TILT CYLINDER (L.H.) (9 DEGREES – 6 DEGREES) (FROM 2022-08) Spare Parts Catalog.pdf
- 110. _02-04-08 TILT CYLINDER (L.H.) (9 DEGREES – 6 DEGREES,) (FROM 2022-09) Spare Parts Catalog.pdf
- 111. _02-04-09 TILT CYLINDER (R.H.) (9 DEGREES – 6 DEGREES) (FROM 2022-08) Spare Parts Catalog.pdf
- 112. _02-04-10 TILT CYLINDER (R.H.) (9 DEGREES – 6 DEGREES) (FROM 2022-09) Spare Parts Catalog.pdf
- 113. _02-06-01 FORK Spare Parts Catalog.pdf
- 114. _02-10-01 MAST COMMON PARTS (PART-1) (FOR 5V30C,5V35C) Spare Parts Catalog.pdf
- 115. _02-10-02 MAST COMMON PARTS (PART-2) (FOR 5V30C,5V35C) Spare Parts Catalog.pdf
- 116. _02-10-03 MAST COMMON PARTS (PART-1) (FOR 5M30C,5M35C) Spare Parts Catalog.pdf
- 117. _02-10-04 MAST COMMON PARTS (PART-2) (FOR 5M30C,5M35C) Spare Parts Catalog.pdf
- 118. _02-10-05 MAST COMMON PARTS (PART-3) (FOR 5M30C,5M35C) Spare Parts Catalog.pdf
- 119. _02-10-06 MAST COMMON PARTS (PART-4) (FOR 5M30C,5M35C) Spare Parts Catalog.pdf
- 120. _02-10-07 MAST COMMON PARTS (PART-1) (FOR 5F30C,5F35C) Spare Parts Catalog.pdf
- 121. _02-10-08 MAST COMMON PARTS (PART-2) (FOR 5F30C,5F35C) Spare Parts Catalog.pdf
- 122. _02-10-09 MAST COMMON PARTS (PART-3) (FOR 5F30C,5F35C) Spare Parts Catalog.pdf
- 123. _02-18-01 DUPLEX MAST MODEL 5F30C28-40 Spare Parts Catalog.pdf
- 124. _02-18-02 LIFT CYLINDER (1ST) (FOR 5F30C28-40) Spare Parts Catalog.pdf
- 125. _02-18-03 LIFT CYLINDER (2ND) (FOR 5F30C28-40) Spare Parts Catalog.pdf
- 126. _02-18-04 DUPLEX MAST MODEL 5F35C28-40 Spare Parts Catalog.pdf
- 127. _02-18-05 LIFT CYLINDER (1ST) (FOR 5F35C28-40) Spare Parts Catalog.pdf
- 128. _02-18-06 LIFT CYLINDER (2ND) (FOR 5F35C28-40) Spare Parts Catalog.pdf
- 129. _02-20-01 TRIPLEX MAST MODEL 5M30C37-70 Spare Parts Catalog.pdf
- 130. _02-20-02 LIFT CYLINDER (1ST) (FOR 5M30C37-70) Spare Parts Catalog.pdf
- 131. _02-20-03 LIFT CYLINDER (2ND) (FOR 5M30C37-70) Spare Parts Catalog.pdf
- 132. _02-20-04 TRIPLEX MAST MODEL 5M35C37-70 Spare Parts Catalog.pdf
- 133. _02-20-05 LIFT CYLINDER (1ST) (FOR 5M35C37-70) Spare Parts Catalog.pdf
- 134. _02-20-06 LIFT CYLINDER (2ND) (FOR 5M35C37-70) Spare Parts Catalog.pdf
Rate this product
You may also like















