Skip to content
Owners Manual PDFOwners Manual PDF
  • Login
  • $0.00
    • No products in the cart.

      Return to shop

  • Cart

    No products in the cart.

    Return to shop

  • Category
  • Menu
  • About us
  • Shop
  • News
  • Contact Us
  • Aisle-Master
    • Aisle-Master Operator Manual PDF
    • Aisle-Master Parts Manual PDF
    • Aisle-Master Service Manual PDF
  • BT
    • BT Operator Manual PDF
    • BT Parts Manual PDF
    • BT Service Manual PDF
    • BT Wiring Diagrams PDF
  • Caterpillar
    • Caterpillar Operation Manual PDF
    • Caterpillar Parts Manual PDF
    • Caterpillar Service Manual PDF
    • Caterpillar Wiring Diagrams PDF
  • Mitsubishi
    • Mitsubishi Operation Manual PDF
    • Mitsubishi Operator Manual PDF
    • Mitsubishi Other Manual PDF
    • Mitsubishi Parts Manual PDF
    • Mitsubishi Service Manual PDF
    • Mitsubishi Wiring Diagrams PDF
    • Mitsubishi Workshop Manual PDF
  • Cesab
    • Cesab Operator Manual PDF
    • Cesab Parts Manual PDF
    • Cesab Service Manual PDF
  • Combilift
    • Combilift Operator Manual PDF
    • Combilift Parts Manual PDF
    • Combilift Service Manual PDF
    • Combilift Wiring Diagrams PDF
  • Deutz
    • Deutz Operator Manual PDF
    • Deutz Parts Manual PDF
  • Doosan
    • Doosan Operator Manual PDF
    • Doosan Other Manual PDF
    • Doosan Parts Manual PDF
    • Doosan Service Manual PDF
    • Doosan Wiring Diagrams PDF
  • EP Forklift
    • EP Forklift Operator Manual PDF
    • EP Forklift Parts Manual PDF
    • EP Forklift Service Manual PDF
  • Hangcha
    • Hangcha Operator Manual PDF
    • Hangcha Other Manual PDF
    • Hangcha Parts Manual PDF
    • Hangcha Service Manual PDF
  • IMPCO
    • IMPCO Operator Manual PDF
    • IMPCO Parts Manual PDF
    • IMPCO Service Manual PDF
  • Jiachen
    • Jiachen Operator Manual PDF
    • Jiachen Other Manual PDF
  • JLG
    • JLG Operator Manual PDF
    • JLG Parts Manual PDF
    • JLG Service Manual PDF
  • Kubota
    • Kubota Operator Manual PDF
    • Kubota Parts Manual PDF
    • Kubota Workshop Manual PDF
  • Mlift
    • Mlift Operation Manual PDF
    • Mlift Service Manual PDF
  • Nissan
    • Nissan Other Manual PDF
    • Nissan Service Manual PDF
  • Okamura
    • Okamura Other Manual PDF
    • Okamura Parts Manual PDF
    • Okamura Service Manual PDF
  • Perkins
    • Perkins Operation Manual PDF
    • Perkins Parts Manual PDF
  • PSI
    • PSI Operator Manual PDF
    • PSI Parts Manual PDF
    • PSI Service Manual PDF
  • Towmotor
    • Towmotor Operation Manual PDF
    • Towmotor Parts Manual PDF
    • Towmotor Service Manual PDF
  • Toyota
    • Toyota Parts Manual PDF
    • Toyota Service Manual PDF
  • Xinchai
    • Xinchai Operator Manual PDF
    • Xinchai Parts Manual PDF
    • Xinchai Workshop Manual PDF
    • Xinchai Other Manual PDF
  • Yanmar
    • Yanmar Operator Manual PDF
    • Yanmar Parts Manual PDF
    • Yanmar Service Manual PDF
    • Yanmar Other Manual PDF
  • Yitou
    • Yitou Operator Manual PDF
    • Yitou Other Manual PDF
    • Yitou Parts Manual PDF
Support
Email
admin@ownersmanualpdf.net
Follow us
Home / Caterpillar / Caterpillar Part Manual PDF
Caterpillar GP35N Parts Manual 98737-06500
Caterpillar GP35N Parts Manual 98737-06500 - Image 2
Caterpillar GP35N Parts Manual 98737-06500 - Image 3
Caterpillar GP35N Parts Manual 98737-06500 - Image 4
Caterpillar GP35N Parts Manual 98737-06500 - Image 5
caterpillar gp35n parts manual 98737 06500 2
caterpillar gp35n parts manual 98737 06500 3
caterpillar gp35n parts manual 98737 06500 4
caterpillar gp35n parts manual 98737 06500 5

Caterpillar GP35N Parts Manual 98737-06500

$50.00

  • Type Of Manual: Parts Manual
  • Book Number: 98737-06500
  • Information: CAT CHASSIS – MAST (MC) (2008-)
  • Number of Pages: 415
  • Size: 153.4MB
  • Format: PDF
Category: Caterpillar Part Manual PDF
Product Categories
  • Aisle-Master (0)
    • Aisle-Master Operator Manual PDF (0)
    • Aisle-Master Parts Manual PDF (0)
    • Aisle-Master Service Manual PDF (0)
  • All Product (4091)
    • CAT (4091)
      • Articulated Dump Truck (55)
        • Articulated Dump Truck (55)
        • CAT (55)
      • Asphalt (93)
        • Asphalt (93)
        • CAT (93)
      • Compactor (20)
        • CAT (20)
        • Compactor (20)
      • Dozer (712)
        • Articulated Dump Truck (1)
        • CAT (712)
        • Dozer (709)
        • Engine (2)
      • Engine (873)
        • CAT (873)
        • Engine (873)
      • Excavator (1203)
        • CAT (1203)
        • Excavator (1203)
      • Forklift (11)
        • CAT (11)
        • Forklift (11)
      • Loader (654)
        • CAT (654)
        • Loader (654)
          • CAT (0)
          • Loader (0)
      • Motor Grader (228)
        • CAT (228)
        • Motor Grader (228)
      • Scraper (90)
        • CAT (90)
        • Scraper (90)
      • Skidder (17)
        • CAT (17)
        • Skidder (10)
        • Skidsteer (7)
      • Skidsteer (106)
        • CAT (106)
        • Skidsteer (106)
      • Telehandler (29)
        • CAT (29)
        • Telehandler (29)
  • Big Joe (0)
    • Big Joe Service Manual PDF (0)
  • BT (1790)
    • BT Operator Manual PDF (190)
    • BT Parts Manual PDF (1600)
    • BT Service Manual PDF (0)
    • BT Wiring Diagrams PDF (0)
  • Bucyrus (0)
    • Bucyrus Operation Manual PDF (0)
    • Bucyrus Parts Manual PDF (0)
    • Bucyrus Service Manual PDF (0)
    • Bucyrus Wiring Diagrams PDF (0)
  • Carraro (0)
    • Carraro Parts Manual PDF (0)
  • Caterpillar (3228)
    • Caterpillar Operation Manual PDF (376)
    • Caterpillar Part Manual PDF (2168)
    • Caterpillar Parts Manual PDF (278)
    • Caterpillar Service Manual PDF (324)
    • Caterpillar Wiring Diagrams PDF (82)
  • Cesab (0)
    • Cesab Operator Manual PDF (0)
    • Cesab Parts Manual PDF (0)
    • Cesab Service Manual PDF (0)
  • Combilift (0)
    • Combilift Operator Manual PDF (0)
    • Combilift Parts Manual PDF (0)
    • Combilift Service Manual PDF (0)
    • Combilift Wiring Diagrams PDF (0)
  • Curtis (0)
    • Curtis Operator Manual PDF (0)
  • Daewoo (0)
    • Daewoo Wiring Diagrams PDF (0)
  • Davis Derby (0)
    • Davis Derby Service Manual PDF (0)
  • Deutz (0)
    • Deutz Operator Manual PDF (0)
    • Deutz Parts Manual PDF (0)
  • Dongfeng Chaoyang (0)
    • Dongfeng Chaoyang Parts Manual PDF (0)
  • Doosan (0)
    • Doosan Operator Manual PDF (0)
    • Doosan Other Manual PDF (0)
    • Doosan Parts Manual PDF (0)
    • Doosan Service Manual PDF (0)
    • Doosan Wiring Diagrams PDF (0)
  • Dungheinrich (1)
    • Dungheinrich Operation Manual PDF (1)
  • Easycon II (0)
    • Easycon II Operator Manual PDF (0)
  • Eneroc (0)
    • Eneroc Service Manual PDF (0)
  • EP Forklift (0)
    • EP Forklift Operator Manual PDF (0)
    • EP Forklift Parts Manual PDF (0)
    • EP Forklift Service Manual PDF (0)
  • Guangdong (0)
    • Guangdong Operator Manual PDF (0)
  • Hangcha (584)
    • Hangcha Operator Manual PDF (145)
    • Hangcha Other Manual PDF (67)
    • Hangcha Parts Manual PDF (302)
    • Hangcha Service Manual PDF (70)
  • IMPCO (0)
    • IMPCO Operator Manual PDF (0)
    • IMPCO Parts Manual PDF (0)
    • IMPCO Service Manual PDF (0)
  • Isuzu (0)
    • Isuzu Operator Manual PDF (0)
    • Isuzu Parts Manual PDF (0)
    • Isuzu Workshop Manual PDF (0)
  • Jiachen (0)
    • Jiachen Operator Manual PDF (0)
    • Jiachen Other Manual PDF (0)
  • JLG (0)
    • JLG Operator Manual PDF (0)
    • JLG Parts Manual PDF (0)
    • JLG Service Manual PDF (0)
  • John Deere (0)
    • John Deere Parts Manual PDF (0)
  • Jungheinrich (0)
    • Jungheinrich Operator Manual PDF (0)
  • Kubota (0)
    • Kubota Operator Manual PDF (0)
    • Kubota Parts Manual PDF (0)
    • Kubota Workshop Manual PDF (0)
  • Lift-Rite (0)
    • Lift-Rite Parts Manual PDF (0)
  • Linkbelt (17)
    • Linkbelt (17)
  • Logisnext (1)
    • Logisnext Parts Manual PDF (0)
    • Logisnext Service Manual PDF (1)
  • Mannesmann (0)
    • Mannesmann Service Manual PDF (0)
  • Mitsubishi (600)
    • Mitsubishi Operation Manual PDF (200)
    • Mitsubishi Operator Manual PDF (0)
    • Mitsubishi Other Manual PDF (0)
    • Mitsubishi Parts Manual PDF (22)
    • Mitsubishi Service Manual PDF (355)
    • Mitsubishi Wiring Diagrams PDF (22)
    • Mitsubishi Workshop Manual PDF (1)
  • Mlift (0)
    • Mlift Operation Manual PDF (0)
    • Mlift Service Manual PDF (0)
  • Motrec (0)
    • Motrec Operator Manual PDF (0)
  • Movit (0)
    • Movit Parts Manual PDF (0)
  • Nippon Yusoki (0)
    • Nippon Yusoki Parts Manual PDF (0)
    • Nippon Yusoki Workshop Manual PDF (0)
  • Nissan (0)
    • Nissan Other Manual PDF (0)
    • Nissan Service Manual PDF (0)
  • Okamura (0)
    • Okamura Other Manual PDF (0)
    • Okamura Parts Manual PDF (0)
    • Okamura Service Manual PDF (0)
  • Other Manual (140)
    • Caterpillar Other Manual PDF (139)
    • Mitsubishi Other Manual PDF (0)
    • Rocla Other Manual PDF (1)
  • Perkins (5)
    • Perkins Operation Manual PDF (5)
    • Perkins Parts Manual PDF (0)
  • Poclain Hydraulics (0)
    • Poclain Hydraulics Service Manual PDF (0)
  • PSI (0)
    • PSI Operator Manual PDF (0)
    • PSI Parts Manual PDF (0)
    • PSI Service Manual PDF (0)
  • Rocla (2)
    • Rocla Operation Manual PDF (2)
  • Toro (17)
    • Toro (17)
  • Towmotor (44)
    • Towmotor Operation Manual PDF (20)
    • Towmotor Parts Manual PDF (1)
    • Towmotor Service Manual PDF (23)
  • Toyota (0)
    • Toyota Parts Manual PDF (0)
    • Toyota Service Manual PDF (0)
  • VW (0)
    • VW Workshop Manual PDF (0)
  • Weichai (0)
    • Weichai Parts Manual PDF (0)
  • WoodWard (0)
    • WoodWard Service Manual PDF (0)
  • Xinchai (0)
    • Xinchai Operator Manual PDF (0)
    • Xinchai Other Manual PDF (0)
    • Xinchai Parts Manual PDF (0)
    • Xinchai Workshop Manual PDF (0)
  • Yamar (0)
    • Yamar Service Manual PDF (0)
  • Yanmar (0)
    • Yanmar Operator Manual PDF (0)
    • Yanmar Other Manual PDF (0)
    • Yanmar Parts Manual PDF (0)
    • Yanmar Service Manual PDF (0)
  • Yitou (0)
    • Yitou Operator Manual PDF (0)
    • Yitou Other Manual PDF (0)
    • Yitou Parts Manual PDF (0)
  • Yuchai (0)
    • Yuchai Parts Manual PDF (0)
  • Zapi (0)
    • Zapi Operator Manual PDF (0)
  • ZF (0)
    • ZF Other Manual PDF (0)
    • ZF Parts Manual PDF (0)
  • Model List:

    • GP35N
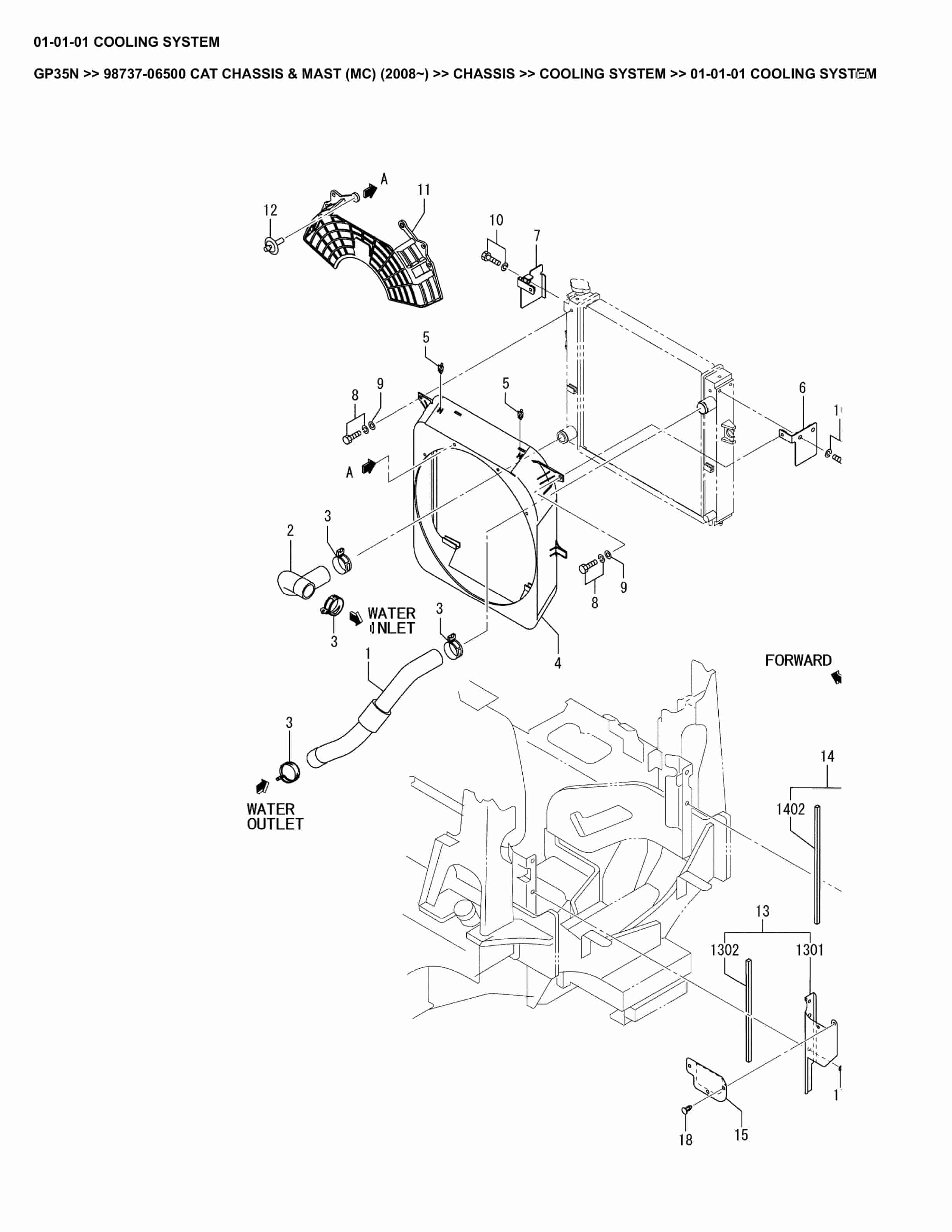
  • 1. _01-01-01 COOLING SYSTEM Spare Parts Catalog.pdf
  • 2. _01-01-02 RADIATOR Spare Parts Catalog.pdf
  • 3. _01-01-03 RESERVOIR TANK Spare Parts Catalog.pdf
  • 4. _01-01-04 TORQUE-CONVERTER COOLER Spare Parts Catalog.pdf
  • 5. _01-04-01A ELECTRIC SYSTEM Spare Parts Catalog.pdf
  • 6. _01-04-01B ELECTRIC SYSTEM (CEN) Spare Parts Catalog.pdf
  • 7. _01-04-02A CHASSIS CIRCUIT Spare Parts Catalog.pdf
  • 8. _01-04-02B CHASSIS CIRCUIT (CEN) Spare Parts Catalog.pdf
  • 9. _01-04-01 HEAD GUARD CIRCUIT Spare Parts Catalog.pdf
  • 10. _01-04-03A BATTERY Spare Parts Catalog.pdf
  • 11. _01-04-03B BATTERY (CEN) Spare Parts Catalog.pdf
  • 12. _01-04-04A BATTERY CABLE Spare Parts Catalog.pdf
  • 13. _01-04-04B BATTERY CABLE (CEN) Spare Parts Catalog.pdf
  • 14. _01-04-02 COMBINATION SWITCH Spare Parts Catalog.pdf
  • 15. _01-11-01 FRAME SYSTEM Spare Parts Catalog.pdf
  • 16. _01-11-02 FRAME Spare Parts Catalog.pdf
  • 17. _01-12-01 UPPER FRAME SYSTEM Spare Parts Catalog.pdf
  • 18. _01-12-01A RADIATOR COVER Spare Parts Catalog.pdf
  • 19. _01-12-01B RADIATOR COVER (CEN) Spare Parts Catalog.pdf
  • 20. _01-12-02A ENGINE COVER Spare Parts Catalog.pdf
  • 21. _01-12-02B ENGINE COVER (CEN) Spare Parts Catalog.pdf
  • 22. _01-12-02 SIDE COVER Spare Parts Catalog.pdf
  • 23. _01-12-03 DASHBOARD COVER Spare Parts Catalog.pdf
  • 24. _01-13-01 COUNTER WEIGHT Spare Parts Catalog.pdf
  • 25. _01-13-02 LPG WEIGHT Spare Parts Catalog.pdf
  • 26. _01-14-01 SEAT Spare Parts Catalog.pdf
  • 27. _01-15-01 HEAD GUARD SYSTEM Spare Parts Catalog.pdf
  • 28. _01-15-01A HEAD GUARD Spare Parts Catalog.pdf
  • 29. _01-15-01B HEAD GUARD (CEN) Spare Parts Catalog.pdf
  • 30. _01-20-01 ENGINE BRACKET Spare Parts Catalog.pdf
  • 31. _01-20-02 ENGINE BRACKET (CEN) Spare Parts Catalog.pdf
  • 32. _01-23-01 TORQUE-CONVERTER ASSY Spare Parts Catalog.pdf
  • 33. _01-24-01 TRANSMISSION (PART-1) (FOR TORQUE DRIVE) Spare Parts Catalog.pdf
  • 34. _01-24-02 TRANSMISSION (PART-2) (FOR TORQUE DRIVE) Spare Parts Catalog.pdf
  • 35. _01-24-03 TRANSMISSION (PART-3) (FOR TORQUE DRIVE) Spare Parts Catalog.pdf
  • 36. _01-24-04 TRANSMISSION (PART-4) (FOR TORQUE DRIVE) Spare Parts Catalog.pdf
  • 37. _01-25-01 TRANSMISSION (PART-1) (FOR DIRECT DRIVE) Spare Parts Catalog.pdf
  • 38. _01-25-03 TRANSMISSION (PART-3) (FOR DIRECT DRIVE) Spare Parts Catalog.pdf
  • 39. _01-25-04 TRANSMISSION (PART-4) (FOR DIRECT DRIVE) Spare Parts Catalog.pdf
  • 40. _01-28-01 CONTROL VALVE (FOR TORQUE DRIVE) Spare Parts Catalog.pdf
  • 41. _01-32-01 FRONT AXLE Spare Parts Catalog.pdf
  • 42. _01-32-02 REDUCTION DIFFERENTIAL Spare Parts Catalog.pdf
  • 43. _01-32-03 CLUTCH ASSY Spare Parts Catalog.pdf
  • 44. _01-34-01 FRONT AXLE COMMON PARTS Spare Parts Catalog.pdf
  • 45. _01-34-02 FRONT HUB TIRE Spare Parts Catalog.pdf
  • 46. _01-34-03 FENDER Spare Parts Catalog.pdf
  • 47. _01-43-01 REAR AXLE SYSTEM (PART-1) Spare Parts Catalog.pdf
  • 48. _01-43-03 STEERING CYLINDER (OLD) Spare Parts Catalog.pdf
  • 49. _01-43-04 STEERING CYLINDER (NEW) Spare Parts Catalog.pdf
  • 50. _01-43-05 REAR TIRE Spare Parts Catalog.pdf
  • 51. _01-46-01 BRAKE SYSTEM Spare Parts Catalog.pdf
  • 52. _01-46-02 WHEEL BRAKE L.H. Spare Parts Catalog.pdf
  • 53. _01-46-03 WHEEL BRAKE R.H. Spare Parts Catalog.pdf
  • 54. _01-51-01 DRIVING SYSTEM (FOR TORQUE DRIVE) Spare Parts Catalog.pdf
  • 55. _01-51-02 DRIVING SYSTEM (FOR DRY CLUTCH) Spare Parts Catalog.pdf
  • 56. _01-51-03 DRIVING CONTROL (PART-1) Spare Parts Catalog.pdf
  • 57. _01-51-04 DRIVING CONTROL (PART-2) (FOR DRY CLUTCH) Spare Parts Catalog.pdf
  • 58. _01-51-05 SHIFT LEVER (FOR DRY CLUTCH) Spare Parts Catalog.pdf
  • 59. _01-51-06 ACCEL CONTROL SYSTEM Spare Parts Catalog.pdf
  • 60. _01-51-07 BRAKE RESERVOIR Spare Parts Catalog.pdf
  • 61. _01-54-01 STEERING SYSTEM (PART-1) Spare Parts Catalog.pdf
  • 62. _01-54-02 STEERING SYSTEM (PART-2) Spare Parts Catalog.pdf
  • 63. _01-54-03 STEERING WHEEL Spare Parts Catalog.pdf
  • 64. _01-61-01 AIR INTAKE SYSTEM Spare Parts Catalog.pdf
  • 65. _01-61-02 AIR CLEANER Spare Parts Catalog.pdf
  • 66. _01-62-01 EXHAUST SYSTEM Spare Parts Catalog.pdf
  • 67. _01-62-02 MUFFLER Spare Parts Catalog.pdf
  • 68. _01-62-03 TAll PIPE Spare Parts Catalog.pdf
  • 69. _01-64-01 FUEL SYSTEM Spare Parts Catalog.pdf
  • 70. _01-64-02 TANK CAP Spare Parts Catalog.pdf
  • 71. _01-65-01A LPG SYSTEM COMMON PARTS Spare Parts Catalog.pdf
  • 72. _01-65-01B LPG SYSTEM (CEN) Spare Parts Catalog.pdf
  • 73. _01-65-02A LPG TANK BRACKET Spare Parts Catalog.pdf
  • 74. _01-65-02B LPG TANK BRACKET (CEN) Spare Parts Catalog.pdf
  • 75. _01-65-01 LPG TANK Spare Parts Catalog.pdf
  • 76. _01-65-02 VAPORIZER Spare Parts Catalog.pdf
  • 77. _01-71-01 HYD DELIVERY CIRCUIT Spare Parts Catalog.pdf
  • 78. _01-71-02 SUCTION CIRCUIT Spare Parts Catalog.pdf
  • 79. _01-72-01 HYDRAULIC CONTROL (2 VALVES) (PART-1) Spare Parts Catalog.pdf
  • 80. _01-72-02 HYDRAULIC CONTROL (3 VALVES) (PART-2) Spare Parts Catalog.pdf
  • 81. _01-72-03 HYDRAULIC CONTROL (4 VALVES) (PART-3) Spare Parts Catalog.pdf
  • 82. _01-72-04 HYDRAULIC CONTROL (5 VALVES) (PART-4) Spare Parts Catalog.pdf
  • 83. _01-72-05 CONTROL VALVE (FOR DRYTRQ) (2 VALVES)PART-1 Spare Parts Catalog.pdf
  • 84. _01-72-06 CONTROL VALVE (FOR DRYTRQ) (2 VALVES)PART-2 Spare Parts Catalog.pdf
  • 85. _01-72-07 CONTROL VALVE (FOR DRYTRQ) (3 VALVES) Spare Parts Catalog.pdf
  • 86. _01-72-08 CONTROL VALVE (FOR DRYTRQ) (4 VALVES) Spare Parts Catalog.pdf
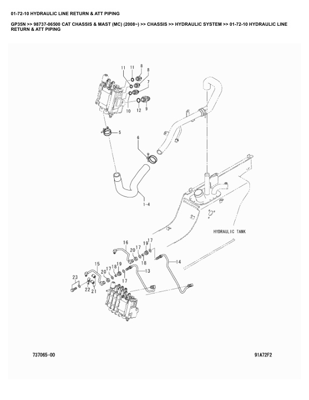
  • 87. _01-72-10 HYDRAULIC LINE RETURN ATT PIPING Spare Parts Catalog.pdf
  • 88. _01-75-01 HYDRAULIC PS CIRCUIT Spare Parts Catalog.pdf
  • 89. _01-75-02 HYDRAULIC TILT CIRCUIT Spare Parts Catalog.pdf
  • 90. _01-75-03 HYDRAULIC LIFT CIRCUIT Spare Parts Catalog.pdf
  • 91. _01-75-04 HYDRAULIC TANK CIRCUIT Spare Parts Catalog.pdf
  • 92. _01-75-05 HYDRAULIC LINE (RETURN) Spare Parts Catalog.pdf
  • 93. _01-81-01A NAME-PLATE Spare Parts Catalog.pdf
  • 94. _01-81-01B NAME-PLATE (CEN) Spare Parts Catalog.pdf
  • 95. _01-81-02A WARNING LABEL Spare Parts Catalog.pdf
  • 96. _01-81-02B WARNING LABEL (TURKISH) Spare Parts Catalog.pdf
  • 97. _01-81-03A DUAL FUEL LABEL Spare Parts Catalog.pdf
  • 98. _01-81-03B DUAL FUEL LABEL (TURKISH) Spare Parts Catalog.pdf
  • 99. _01-81-01 FLOOR MAT Spare Parts Catalog.pdf
  • 100. _02-01-01 LIFT BRACKET COMMON PARTS 5V30D,35D,5M30D,35D Spare Parts Catalog.pdf
  • 101. _02-01-02 LIFT BRACKET COMMON PARTS 5F30C,5F35C Spare Parts Catalog.pdf
  • 102. _02-01-03 UFT BRACKET (FOR 5V30D,5M30D) Spare Parts Catalog.pdf
  • 103. _02-01-04 LIFT BRACKET (FOR 5V35D,5M35D) Spare Parts Catalog.pdf
  • 104. _02-01-05 LIFT BRACKET (FOR 5F30C) Spare Parts Catalog.pdf
  • 105. _02-01-06 LIFT BRACKET (FOR 5F35C) Spare Parts Catalog.pdf
  • 106. _02-01-07 BACKREST Spare Parts Catalog.pdf
  • 107. _02-04-01 TILT CYLINDER(L.H.)(5V30D,35D, 5M30D,35D,5F30C,35C) Spare Parts Catalog.pdf
  • 108. _02-04-02 TILT CYLINDER(R.H.)(5V30D,35D, 5M30D,35D,5F30C,35C) Spare Parts Catalog.pdf
  • 109. _02-06-01 FORK COMMON PARTS (L_1670-1970) (TONAN) Spare Parts Catalog.pdf
  • 110. _02-06-02 FORK Spare Parts Catalog.pdf
  • 111. _02-10-01 MAST COMMON PARTS (PART-l) (FOR 5V30D,35D30-60) Spare Parts Catalog.pdf
  • 112. _02-10-02 MAST COMMON PARTS (PART-2) (FOR 5V30D,35D30-60) Spare Parts Catalog.pdf
  • 113. _02-10-03 RETURN PIPING COMMON PARTS (FOR 5V30D,35D30,33) Spare Parts Catalog.pdf
  • 114. _02-10-04 RETURN PIPING COMMON PARTS (FOR 5V30D,35D35-60) Spare Parts Catalog.pdf
  • 115. _02-10-05 MAST COMMON PARTS (PART-1) (FOR 5M30D,35D37-70) Spare Parts Catalog.pdf
  • 116. _02-10-06 MAST COMMON PARTS (PART-2) (FOR 5M30D,35D37-70) Spare Parts Catalog.pdf
  • 117. _02-10-07 MAST COMMON PARTS (PART-3) (FOR 5M30D,35D37-70) Spare Parts Catalog.pdf
  • 118. _02-10-08 MAST COMMON PARTS (PART-4) (FOR 5M30D,35D37-70) Spare Parts Catalog.pdf
  • 119. _02-10-09 RETURN PIPING COMMON PARTS (FOR 5M30D,35D37-70) Spare Parts Catalog.pdf
  • 120. _02-10-10 MAST COMMON PARTS (PART-1) (FOR 5F30C,35C28-40) Spare Parts Catalog.pdf
  • 121. _02-10-11 MAST COMMON PARTS (PART-2) (FOR 5F30C,35C28-40) Spare Parts Catalog.pdf
  • 122. _02-10-12 MAST COMMON PARTS (PART-3) (FOR 5F30C,35C28-40) Spare Parts Catalog.pdf
  • 123. _02-10-13 RETURN PIPING COMMON PARTS (FOR 5F30C,35C28-40) Spare Parts Catalog.pdf
  • 124. _02-18 DUPLEX MAST MODEL 5F30C28-40 Spare Parts Catalog.pdf
  • 125. _02-18 LIFT CYLINDER (1 ST) (FOR 5F30C28-40) Spare Parts Catalog.pdf
  • 126. _02-18 LIFT CYLINDER (2ND) (FOR 5F30C28-40) Spare Parts Catalog.pdf
  • 127. _02-18 DUPLEX MAST MODEL 5F35C28-40 Spare Parts Catalog.pdf
  • 128. _02-18 LIFT CYLINDER (1 ST) (FOR 5F35C28-40) Spare Parts Catalog.pdf
  • 129. _02-18 LIFT CYLINDER (2ND) (FOR 5F35C28-40) Spare Parts Catalog.pdf
  • 130. _02-20-02 LIFT CYLINDER (1 ST) (FOR 5M30D37-70) Spare Parts Catalog.pdf
  • 131. _02-20-03 LIFT CYLINDER (2ND) (FOR 5M30D37-70) Spare Parts Catalog.pdf
  • 132. _02-20-04 TRIPLEX MAST MODEL 5M35D37-70 Spare Parts Catalog.pdf
  • 133. _02-20-05 LIFT CYLINDER (1 ST) (FOR 5M35D37-70) Spare Parts Catalog.pdf
  • 134. _02-20-06 LIFT CYLINDER (2ND) (FOR 5M35D37-70) Spare Parts Catalog.pdf
  • 135. _02-60-01 SIMPLEX MAST MODEL 5V30D30-60 Spare Parts Catalog.pdf
  • 136. _02-60-02 LIFT CYLINDER (FOR 5V30D30,33) Spare Parts Catalog.pdf
  • 137. _02-60-03 LIFT CYLINDER (FOR 5V30D35-60) Spare Parts Catalog.pdf
Rate this product
You may also like
Caterpillar GP20N Parts Manual 98723-45300Alternative view of Caterpillar GP20N Parts Manual 98723-45300

Caterpillar Part Manual PDF

Caterpillar GP20N Parts Manual 98723-45300

$50.00
Add to cart
Caterpillar GP20PD Parts Manual PCEEG-CT13H-23Alternative view of Caterpillar GP20PD Parts Manual PCEEG-CT13H-23

Caterpillar Part Manual PDF

Caterpillar GP20PD Parts Manual PCEEG-CT13H-23

$50.00
Add to cart
Caterpillar GP20N Parts Manual 00001-00001Alternative view of Caterpillar GP20N Parts Manual 00001-00001

Caterpillar Part Manual PDF

Caterpillar GP20N Parts Manual 00001-00001

$50.00
Add to cart
Caterpillar GP20PT Parts Manual PCAEG-JT13H-24Alternative view of Caterpillar GP20PT Parts Manual PCAEG-JT13H-24

Caterpillar Part Manual PDF

Caterpillar GP20PT Parts Manual PCAEG-JT13H-24

$50.00
Add to cart
Caterpillar GP20N Parts Manual 98727-06500Alternative view of Caterpillar GP20N Parts Manual 98727-06500

Caterpillar Part Manual PDF

Caterpillar GP20N Parts Manual 98727-06500

$50.00
Add to cart
Caterpillar GP20PT Parts Manual PCCEG-CT13H-23Alternative view of Caterpillar GP20PT Parts Manual PCCEG-CT13H-23

Caterpillar Part Manual PDF

Caterpillar GP20PT Parts Manual PCCEG-CT13H-23

$50.00
Add to cart
Caterpillar GP20N Parts Manual 98713-85100Alternative view of Caterpillar GP20N Parts Manual 98713-85100

Caterpillar Part Manual PDF

Caterpillar GP20N Parts Manual 98713-85100

$50.00
Add to cart
Caterpillar GP20N Parts Manual 98723-40000Alternative view of Caterpillar GP20N Parts Manual 98723-40000

Caterpillar Part Manual PDF

Caterpillar GP20N Parts Manual 98723-40000

$50.00
Add to cart
Caterpillar GP20PT Parts Manual PCCEG-JT13H-24Alternative view of Caterpillar GP20PT Parts Manual PCCEG-JT13H-24

Caterpillar Part Manual PDF

Caterpillar GP20PT Parts Manual PCCEG-JT13H-24

$50.00
Add to cart
Caterpillar GP20N Parts Manual 98727-0C410Alternative view of Caterpillar GP20N Parts Manual 98727-0C410

Caterpillar Part Manual PDF

Caterpillar GP20N Parts Manual 98727-0C410

$50.00
Add to cart
    Links of interest
    • About us
    • Refund and Returns Policy
    • Terms & Conditions
    • Shipping Policy
    • Privacy Policy
    • Contact Us
    Product tags
    Agricultural Automotive Heavy Construction
© All rights reserved. 2023
PayPal
Visa
BitCoin
MasterCard
Western Union
Visa
PayPal
MasterCard
Copyright 2026 © ownersmanualpdf.net
  • Category
  • Menu
  • About us
  • Shop
  • News
  • Contact Us
  • Aisle-Master
    • Aisle-Master Operator Manual PDF
    • Aisle-Master Parts Manual PDF
    • Aisle-Master Service Manual PDF
  • BT
    • BT Operator Manual PDF
    • BT Parts Manual PDF
    • BT Service Manual PDF
    • BT Wiring Diagrams PDF
  • Caterpillar
    • Caterpillar Operation Manual PDF
    • Caterpillar Parts Manual PDF
    • Caterpillar Service Manual PDF
    • Caterpillar Wiring Diagrams PDF
  • Mitsubishi
    • Mitsubishi Operation Manual PDF
    • Mitsubishi Operator Manual PDF
    • Mitsubishi Other Manual PDF
    • Mitsubishi Parts Manual PDF
    • Mitsubishi Service Manual PDF
    • Mitsubishi Wiring Diagrams PDF
    • Mitsubishi Workshop Manual PDF
  • Cesab
    • Cesab Operator Manual PDF
    • Cesab Parts Manual PDF
    • Cesab Service Manual PDF
  • Combilift
    • Combilift Operator Manual PDF
    • Combilift Parts Manual PDF
    • Combilift Service Manual PDF
    • Combilift Wiring Diagrams PDF
  • Deutz
    • Deutz Operator Manual PDF
    • Deutz Parts Manual PDF
  • Doosan
    • Doosan Operator Manual PDF
    • Doosan Other Manual PDF
    • Doosan Parts Manual PDF
    • Doosan Service Manual PDF
    • Doosan Wiring Diagrams PDF
  • EP Forklift
    • EP Forklift Operator Manual PDF
    • EP Forklift Parts Manual PDF
    • EP Forklift Service Manual PDF
  • Hangcha
    • Hangcha Operator Manual PDF
    • Hangcha Other Manual PDF
    • Hangcha Parts Manual PDF
    • Hangcha Service Manual PDF
  • IMPCO
    • IMPCO Operator Manual PDF
    • IMPCO Parts Manual PDF
    • IMPCO Service Manual PDF
  • Jiachen
    • Jiachen Operator Manual PDF
    • Jiachen Other Manual PDF
  • JLG
    • JLG Operator Manual PDF
    • JLG Parts Manual PDF
    • JLG Service Manual PDF
  • Kubota
    • Kubota Operator Manual PDF
    • Kubota Parts Manual PDF
    • Kubota Workshop Manual PDF
  • Mlift
    • Mlift Operation Manual PDF
    • Mlift Service Manual PDF
  • Nissan
    • Nissan Other Manual PDF
    • Nissan Service Manual PDF
  • Okamura
    • Okamura Other Manual PDF
    • Okamura Parts Manual PDF
    • Okamura Service Manual PDF
  • Perkins
    • Perkins Operation Manual PDF
    • Perkins Parts Manual PDF
  • PSI
    • PSI Operator Manual PDF
    • PSI Parts Manual PDF
    • PSI Service Manual PDF
  • Towmotor
    • Towmotor Operation Manual PDF
    • Towmotor Parts Manual PDF
    • Towmotor Service Manual PDF
  • Toyota
    • Toyota Parts Manual PDF
    • Toyota Service Manual PDF
  • Xinchai
    • Xinchai Operator Manual PDF
    • Xinchai Parts Manual PDF
    • Xinchai Workshop Manual PDF
    • Xinchai Other Manual PDF
  • Yanmar
    • Yanmar Operator Manual PDF
    • Yanmar Parts Manual PDF
    • Yanmar Service Manual PDF
    • Yanmar Other Manual PDF
  • Yitou
    • Yitou Operator Manual PDF
    • Yitou Other Manual PDF
    • Yitou Parts Manual PDF