Caterpillar GPE25ZN Parts Manual 98727-06800
$50.00
- Type Of Manual: Parts Manual
- Book Number: 98727-06800
- Information: CAT CHASSIS – MAST (FC) (2008-)
- Number of Pages: 283
- Size: 144.8MB
- Format: PDF
Category: Caterpillar Part Manual PDF
-
Model List:
- GPE25ZN
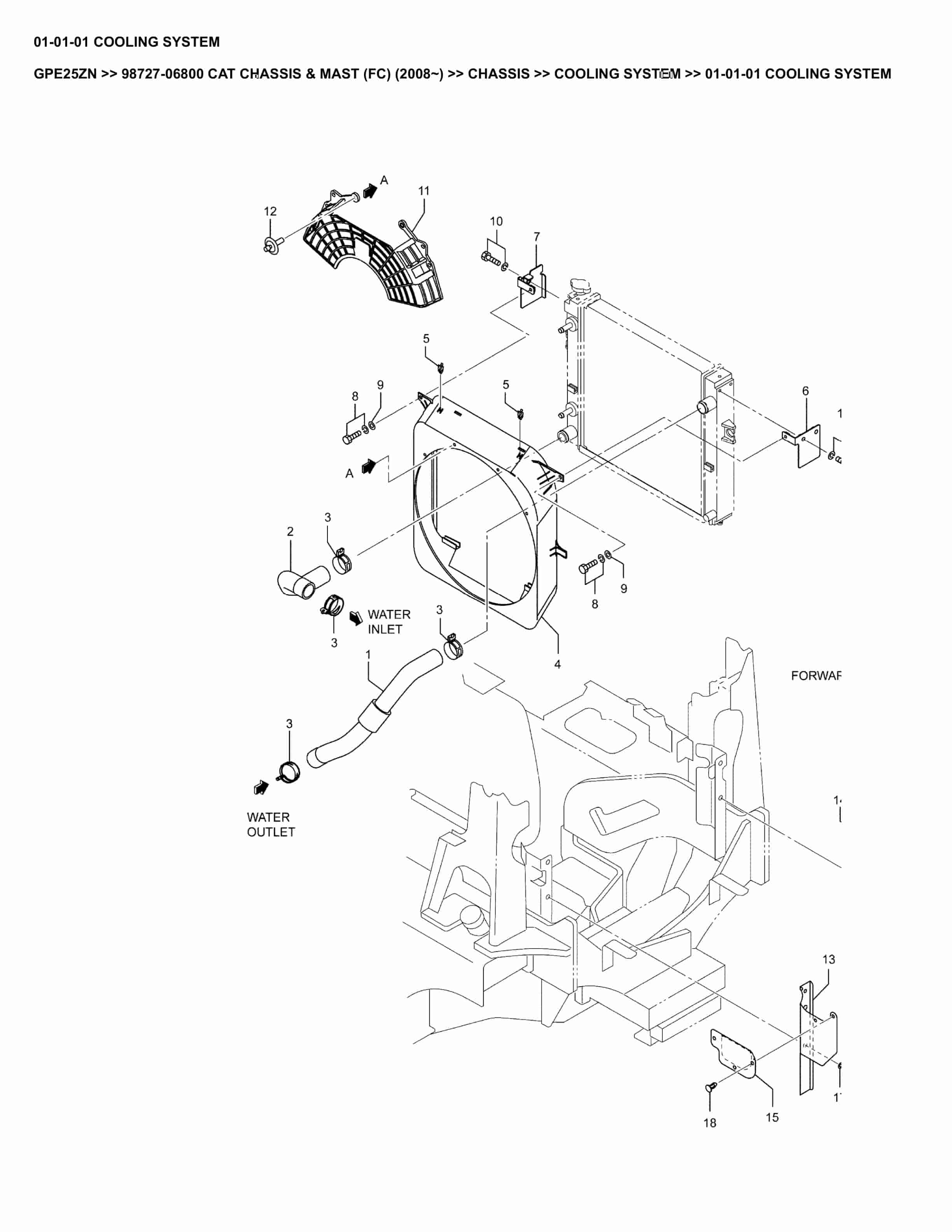
- 1. _01-01-01 COOLING SYSTEM Spare Parts Catalog.pdf
- 2. _01-01-02 RADIATOR ASSY Spare Parts Catalog.pdf
- 3. _01-01-03 RESERVOIR TANK ASSY Spare Parts Catalog.pdf
- 4. _01-01-04 TORQUE-CONVERTER COOLER Spare Parts Catalog.pdf
- 5. _01-04-01 ELECTRIC SYSTEM Spare Parts Catalog.pdf
- 6. _01-04-02 CHASSIS CIRCUIT Spare Parts Catalog.pdf
- 7. _01-04-03 HEAD GUARD CIRCUIT Spare Parts Catalog.pdf
- 8. _01-04-04 BATTERY Spare Parts Catalog.pdf
- 9. _01-04-05 BATTERY CABLE Spare Parts Catalog.pdf
- 10. _01-04-06 COMBINATION SWITCH Spare Parts Catalog.pdf
- 11. _01-11-01 FRAME SYSTEM Spare Parts Catalog.pdf
- 12. _01-11-02 FRAME ASSY Spare Parts Catalog.pdf
- 13. _01-12-01 UPPER FRAME SYSTEM Spare Parts Catalog.pdf
- 14. _01-12-02 RADIATOR COVER Spare Parts Catalog.pdf
- 15. _01-12-03 ENGINE COVER Spare Parts Catalog.pdf
- 16. _01-12-04 SIDE COVER Spare Parts Catalog.pdf
- 17. _01-12-05 DASHBOARD COVER Spare Parts Catalog.pdf
- 18. _01-13-01 COUNTER WEIGHT Spare Parts Catalog.pdf
- 19. _01-13-02 LPG WEIGHT Spare Parts Catalog.pdf
- 20. _01-14-01 SEAT ASSY (OLD TYPE) Spare Parts Catalog.pdf
- 21. _01-14-02 SEAT ASSY (NEW TYPE) Spare Parts Catalog.pdf
- 22. _01-15-01 HEAD GUARD SYSTEM Spare Parts Catalog.pdf
- 23. _01-15-02 HEAD GUARD Spare Parts Catalog.pdf
- 24. _01-20-01 ENGINE BRACKET Spare Parts Catalog.pdf
- 25. _01-20-02 ENGINE CONTROLLER Spare Parts Catalog.pdf
- 26. _01-23-01 TORQUE-CONVERTER ASSY Spare Parts Catalog.pdf
- 27. _01-24-01 TRANSMISSION (PART-1) Spare Parts Catalog.pdf
- 28. _01-24-02 TRANSMISSION (PART-2) Spare Parts Catalog.pdf
- 29. _01-24-03 TRANSMISSION (PART-3) Spare Parts Catalog.pdf
- 30. _01-24-04 TRANSMISSION (PART-4) Spare Parts Catalog.pdf
- 31. _01-28-01 CONTROL VALVE Spare Parts Catalog.pdf
- 32. _01-32-01 FRONT AXLE Spare Parts Catalog.pdf
- 33. _01-32-02 REDUCTION DIFFERENTIAL Spare Parts Catalog.pdf
- 34. _01-34-01 FRONT AXLE COMMON PARTS Spare Parts Catalog.pdf
- 35. _01-34-02 FRONT HUB TIRE Spare Parts Catalog.pdf
- 36. _01-34-03 FENDER Spare Parts Catalog.pdf
- 37. _01-43-01 REAR AXLE SYSTEM (PART-1) Spare Parts Catalog.pdf
- 38. _01-43-02 REAR AXLE SYSTEM (PART-2) Spare Parts Catalog.pdf
- 39. _01-43-01A STEERING CYLINDER (OLD TYPE) Spare Parts Catalog.pdf
- 40. _01-43-03 REAR TIRE Spare Parts Catalog.pdf
- 41. _01-43-01B STEERING CYLINDER (NEW TYPE) Spare Parts Catalog.pdf
- 42. _01-46-01 BRAKE SYSTEM Spare Parts Catalog.pdf
- 43. _01-46-02 WHEEL BRAKE L.H. Spare Parts Catalog.pdf
- 44. _01-46-03 WHEEL BRAKE R.H. Spare Parts Catalog.pdf
- 45. _01-51-01 DRIVING SYSTEM Spare Parts Catalog.pdf
- 46. _01-51-02 DRIVING CONTROL Spare Parts Catalog.pdf
- 47. _01-51-03 ACCEL CONTROL SYSTEM Spare Parts Catalog.pdf
- 48. _01-51-04 BRAKE RESERVOIR Spare Parts Catalog.pdf
- 49. _01-54-01 STEERING SYSTEM (PART-1) Spare Parts Catalog.pdf
- 50. _01-54-02 STEERING SYSTEM (PART-2) Spare Parts Catalog.pdf
- 51. _01-54-03 STEERING WHEEL Spare Parts Catalog.pdf
- 52. _01-61-01 AIR INTAKE SYSTEM Spare Parts Catalog.pdf
- 53. _01-61-02 AIR CLEANER Spare Parts Catalog.pdf
- 54. _01-62-01 EXHAUST SYSTEM Spare Parts Catalog.pdf
- 55. _01-62-02 MUFFLER Spare Parts Catalog.pdf
- 56. _01-62-03 TAIL PIPE Spare Parts Catalog.pdf
- 57. _01-64-01 FUEL SYSTEM Spare Parts Catalog.pdf
- 58. _01-64-02 TANK CAP Spare Parts Catalog.pdf
- 59. _01-65-01 LPG SYSTEM COMMON PARTS Spare Parts Catalog.pdf
- 60. _01-65-02 LPG TANK BRACKET Spare Parts Catalog.pdf
- 61. _01-65-03 LPG TANK Spare Parts Catalog.pdf
- 62. _01-65-04 VAPORIZER Spare Parts Catalog.pdf
- 63. _01-71-01 HYD DELIVERY CIRCUIT Spare Parts Catalog.pdf
- 64. _01-71-02 SUCTION CIRCUIT Spare Parts Catalog.pdf
- 65. _01-73-01 CONTROL VALVE (2 VALVES)PART-1 Spare Parts Catalog.pdf
- 66. _01-73-02 CONTROL VALVE (2 VALVES)PART-2 Spare Parts Catalog.pdf
- 67. _01-73-03 CONTROL VALVE (3 VALVES) Spare Parts Catalog.pdf
- 68. _01-73-04 CONTROL VALVE (4 VALVES) Spare Parts Catalog.pdf
- 69. _01-73-05 CONTROL VALVE (5 VALVES) Spare Parts Catalog.pdf
- 70. _01-73-06 HYDRAULIC LINE (RETURN) Spare Parts Catalog.pdf
- 71. _01-73-07 ADJUSTER ASSY Spare Parts Catalog.pdf
- 72. _01-73-08 LEVER Spare Parts Catalog.pdf
- 73. _01-75-01 HYD PS CIRCUIT Spare Parts Catalog.pdf
- 74. _01-75-02 HYD TILT PIPING Spare Parts Catalog.pdf
- 75. _01-75-03 HYD LIFT CIRCUIT Spare Parts Catalog.pdf
- 76. _01-75-04 HYDRAULIC TANK CIRCUIT Spare Parts Catalog.pdf
- 77. _01-75-05 HYDRAULIC RETURN CIRCUIT Spare Parts Catalog.pdf
- 78. _01-81-01 NAME-PLATE Spare Parts Catalog.pdf
- 79. _01-81-02 WARNING LABEL Spare Parts Catalog.pdf
- 80. _01-81-03 DUAL FUEL LABEL Spare Parts Catalog.pdf
- 81. _01-81-04 FLOOR MAT Spare Parts Catalog.pdf
- 82. _02-01-01 LIFT BRACKET COMMON PARTS 5V25D,5M25D Spare Parts Catalog.pdf
- 83. _02-01-02 LIFT BRACKET COMMON PARTS 5F25C Spare Parts Catalog.pdf
- 84. _02-01-03 LIFT BRACKET 5V25D,5M25D Spare Parts Catalog.pdf
- 85. _02-01-04 LIFT BRACKET 5F25C Spare Parts Catalog.pdf
- 86. _02-01-05 BACKREST Spare Parts Catalog.pdf
- 87. _02-04-01 TILT CYLINDER (L.H.) (5V25D,5M25D,5F25C) Spare Parts Catalog.pdf
- 88. _02-04-02 TILT CYLINDER (R.H.) (5V25D,5M25D,5F25C) Spare Parts Catalog.pdf
- 89. _02-06-01 FORK Spare Parts Catalog.pdf
- 90. _02-06-02 FORK (HUAXIN) Spare Parts Catalog.pdf
- 91. _02-10-01 MAST COMMON PARTS (PART-1) (FOR 5V25D30-60) Spare Parts Catalog.pdf
- 92. _02-10-02 MAST COMMON PARTS (PART-2) (FOR 5V25D30-60) Spare Parts Catalog.pdf
- 93. _02-10-03 COMMON PARTS RETURN PIPING (FOR 5V25D30,33) Spare Parts Catalog.pdf
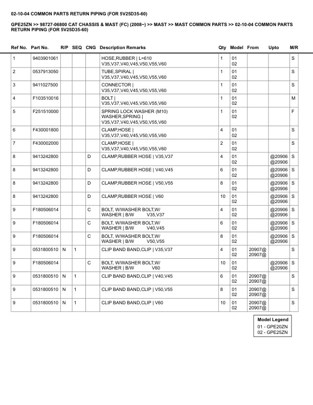
- 94. _02-10-04 COMMON PARTS RETURN PIPING (FOR 5V25D35-60) Spare Parts Catalog.pdf
- 95. _02-10-05 MAST COMMON PARTS (PART-1) (FOR 5M25D37-70) Spare Parts Catalog.pdf
- 96. _02-10-06 MAST COMMON PARTS (PART-2) (FOR 5M25D37-70) Spare Parts Catalog.pdf
- 97. _02-10-07 MAST COMMON PARTS (PART-3) (FOR 5M25D37-70) Spare Parts Catalog.pdf
- 98. _02-10-08 MAST COMMON PARTS (PART-4) (FOR 5M25D37-70) Spare Parts Catalog.pdf
- 99. _02-10-09 COMMON PARTS RETURN PIPING (FOR 5M25D37-70) Spare Parts Catalog.pdf
- 100. _02-10-10 MAST COMMON PARTS (PART-1) (FOR 5F25C28-40) Spare Parts Catalog.pdf
- 101. _02-10-11 MAST COMMON PARTS (PART-2) (FOR 5F25C28-40) Spare Parts Catalog.pdf
- 102. _02-10-12 MAST COMMON PARTS (PART-3) (FOR 5F25C28-40) Spare Parts Catalog.pdf
- 103. _02-10-13 COMMON PARTS RETURN PIPING (FOR 5F25C28-40) Spare Parts Catalog.pdf
- 104. _02-18-01 DUPLEX MAST MODEL 5F25C28-40 Spare Parts Catalog.pdf
- 105. _02-18-02 LIFT CYLINDER (1ST) (FOR 5F25C28-40) Spare Parts Catalog.pdf
- 106. _02-18-01A LIFT CYLINDER (2ND)21009 (FOR 5F25C28-40) OLD Spare Parts Catalog.pdf
- 107. _02-18-01B LIFT CYLINDER (2ND)21010 (FOR 5F25C28-40) NEW Spare Parts Catalog.pdf
- 108. _02-20-01 TRIPLEX MAST MODEL 5M25D37-70 Spare Parts Catalog.pdf
- 109. _02-20-02 LIFT CYLINDER (1ST) (FOR 5M25D37-70) Spare Parts Catalog.pdf
- 110. _02-20-03 LIFT CYLINDER (2ND) (FOR 5M25D37-70) Spare Parts Catalog.pdf
- 111. _02-60-01 SIMPLEX MAST MODEL 5V25D30-60 Spare Parts Catalog.pdf
- 112. _02-60-02 LIFT CYLINDER (FOR 5V25D30-33) Spare Parts Catalog.pdf
- 113. _02-60-03 LIFT CYLINDER (FOR 5V25D35-60) Spare Parts Catalog.pdf
Rate this product
You may also like















