Caterpillar M50D SA Parts Manual SEBN2633-04
$50.00
- Type Of Manual: Parts Manual
- Book Number: SEBN2633-04
- Information: CAT CHASSIS AND MAST
- Number of Pages: 1195
- Size: 874.6MB
- Format: PDF
Category: Caterpillar Parts Manual PDF
-
Model List:
- M50D SA
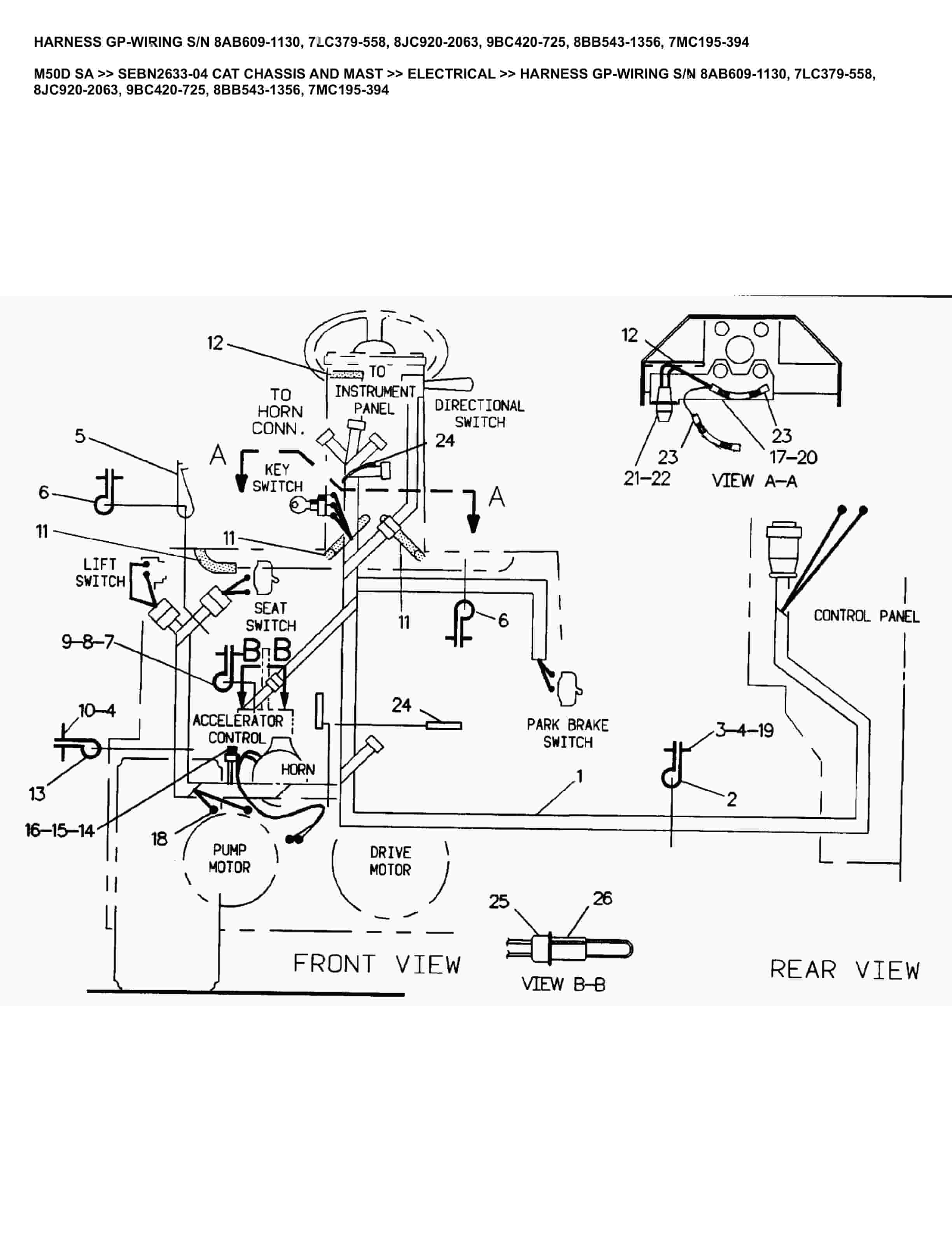
- 1. _HARNESS GP-WIRING S_N 8AB609-1130, 7LC379-558, 8JC920-2063, 9BC420-725, 8BB543-1356, 7MC195-394 Spare Parts Catalog.pdf
- 2. _HARNESS GP-WIRING S_N 8AB1131-UP, 7LC559-UP, 8JC2064-UP, 9BC726-UP, 7MC395-UP Spare Parts Catalog.pdf
- 3. _PANEL GP-CONTROL-36_48 VOLT-PART 1 OF 2 TYPE 1 Spare Parts Catalog.pdf
- 4. _PANEL GP-CONTROL-36_48 VOLT-PART 2 OF 2 TYPE 1 Spare Parts Catalog.pdf
- 5. _PANEL GP-CONTROL-36_48 VOLT-PART 1 OF 2 TYPE 2 Spare Parts Catalog.pdf
- 6. _PANEL GP-CONTROL-36_48 VOLT-PART 2 OF 2 TYPE 2 Spare Parts Catalog.pdf
- 7. _PANEL GP-CONTROL-36_48 VOLT-PART 1 OF 2 TYPE 3 Spare Parts Catalog.pdf
- 8. _PANEL GP-CONTROL 36_48 VOLT-PART 2 OF 2 TYPE 3 Spare Parts Catalog.pdf
- 9. _PANEL GP-CONTROL-72_80 VOLT-PART 1 OF 2 TYPE 1 Spare Parts Catalog.pdf
- 10. _PANEL GP-CONTROL-72_80 VOLT-PART 2 OF 2 TYPE 1 Spare Parts Catalog.pdf
- 11. _PANEL GP-CONTROL-72_80 VOLT-PART 1 OF 2 TYPE 2 6R8701-PAGE 15.07 Spare Parts Catalog.pdf
- 12. _PANEL GP-CONTROL-72_80 VOLT-PART 2 OF 2 TYPE 2 Spare Parts Catalog.pdf
- 13. _PANEL GP-CONTROL-72_80 VOLT-PART 1 OF 2 8Q5695-PAGE 15.09.02 Spare Parts Catalog.pdf
- 14. _PANEL GP-CONTROL-72_80 VOLT-PART 2 OF 2 Spare Parts Catalog.pdf
- 15. _PANEL GP-CONTROL-36_48 VOLT-PART 1 OF 3 TYPE 1 6R5535-PAGE 15.10 IS AVAILABLE PART OF 970019 CONTROL PANEL Spare Parts Catalog.pdf
- 16. _PANEL GP-CONTROL-36_48 VOLT-PART 2 OF 3 TYPE 1 914051-PAGE 18, 914052-PAGE 19, 92317-PAGE 20 6R5535- PAGE 15 Spare Parts Catalog.pdf
- 17. _PANEL GP-CONTROL-36_48 VOLT-PART 3 OF 3 TYPE 1 913988-PAGE 17, 6R5535-PAGE 15 Spare Parts Catalog.pdf
- 18. _PANEL GP-CONTROL-36_48 VOLT-PART 1 OF 3 TYPE 2 929316-PAGE 16 6R5535- PAGE 15 Spare Parts Catalog.pdf
- 19. _PANEL GP-CONTROL-36_48 VOLT-PART 2 OF 3 TYPE 2 914051-PAGE 18, 922622-PAGE 18 Spare Parts Catalog.pdf
- 20. _PANEL GP-CONTROL-36_48 VOLT-PART 3 OF 3 TYPE 2 913988-PAGE 17 6R5535-PAGE 15 Spare Parts Catalog.pdf
- 21. _PANEL GP-CONTROL-36_48 VOLT-PART 1 OF 3 TYPE 3 929316-PAGE 16 6R5535-PAGE 15 Spare Parts Catalog.pdf
- 22. _PANEL GP-CONTROL-36_48 VOLT-PART 2 OF 3 TYPE 3 914051-PAGE 18, 835910-PAGE 18 Spare Parts Catalog.pdf
- 23. _PANEL GP-CONTROL-36_48 VOLT-PART 3 OF 3 TYPE 3 913988-PAGE 17 6R5535-PAGE 15 Spare Parts Catalog.pdf
- 24. _PANEL GP-CONTROL-36_48 VOLT-PART 1 OF 3 929316-PAGE 16 6R5535- PAGE 15.10 IS AVAILABLE PART OF 970019 CONTROL _PANEL Spare Parts Catalog.pdf
- 25. _PANEL GP-CONTROL-36_48 VOLT-PART 2 OF 3 914051-PAGE 18, 914052-PAGE 19, 835910 AND 6R5465-PAGE 18.02 6R5535-PAGE _15 Spare Parts Catalog.pdf
- 26. _PANEL GP-CONTROL-36_48 VOLT-PART 3 OF 3 913988-PAGE 17 6R5535-PAGE 15.10 IS AVAILABLE PART OF 970019 CONTROL _PANEL Spare Parts Catalog.pdf
- 27. _PANEL GP-CONTROL-36_48 VOLT-PART 1 OF 3_R 914051-PAGE 18, 914052-PAGE 19, 929316-PAGE 16, 835910- PAGE 18 Spare Parts Catalog.pdf
- 28. _PANEL GP-CONTROL-36_48 VOLT-PART 2 OF 3_R 913988-PAGE 17 PART OF 970019 CONTROL PANEL Spare Parts Catalog.pdf
- 29. _PANEL GP-CONTROL-36_48 VOLT-PART 3 OF 3_R PART OF 970019 CONTROL PANEL Spare Parts Catalog.pdf
- 30. _PANEL GP-CONTROL-72_80 VOLT-PART 1 OF 3 TYPE 1 929316-PAGE 16 6R5535-PAGE 15 Spare Parts Catalog.pdf
- 31. _PANEL GP-CONTROL-72_80 VOLT-PART 2 OF 3 TYPE 1 914051-PAGE 18, 914052-PAGE 19, 929317-PAGE 20 6R5535-PAGE 15 Spare Parts Catalog.pdf
- 32. _PANEL GP-CONTROL-72_80 VOLT-PART 3 OF 3 TYPE 1 913988-PAGE 17 6R5535-PAGE 15 Spare Parts Catalog.pdf
- 33. _PANEL GP-CONTROL-72_80 VOLT-PART 1 OF 3 TYPE 2 929316-PAGE 16 6R5535-PAGE 15 Spare Parts Catalog.pdf
- 34. _PANEL GP-CONTROL-72_80 VOLT-PART 2 OF 3 TYPE 2 914051-PAGE 18, 922622-PAGE 18 Spare Parts Catalog.pdf
- 35. _PANEL GP-CONTROL-72_80 VOLT-PART 3 OF 3 TYPE 2 913988-PAGE 17 6R5535-PAGE 15 Spare Parts Catalog.pdf
- 36. _PANEL GP-CONTROL-72_80 VOLT-PART 1 OF 3 TYPE 3 929316-PAGE 16 6R5535-PAGE 15 Spare Parts Catalog.pdf
- 37. _PANEL GP-CONTROL-72_80 VOLT-PART 2 OF 3 TYPE 3 914051-PAGE 18, 835910- 18 Spare Parts Catalog.pdf
- 38. _PANEL GP-CONTROL-72_80 VOLT-PART 3 OF 3 TYPE 3 313988-PAGE 17 6R5535-PAGE 15 Spare Parts Catalog.pdf
- 39. _PANEL GP-CONTROL-72_80 VOLT-PART 2 OF 3_R 914051-PAGE 18, 914052-PAGE 19, 835910 AND 6R5465-PAGE 18.02 6R5535-PAGE _15 Spare Parts Catalog.pdf
- 40. _PANEL GP-CONTROL-72_80 VOLT-PART 1 OF 3_R Spare Parts Catalog.pdf
- 41. _PANEL GP-CONTROL-72_80 VOLT-PART 3 OF 3_R 913988-PAGE 17 6R5535-PAGE 15.0 IS AVAILABLE PART OF 970020 CONTROL _PANEL Spare Parts Catalog.pdf
- 42. _PANEL GP-CONTROL-72_80 VOLT-PART 1 OF 3_R 914051-PAGE 18, 914052-PAGE 19, 929316-PAGE 16, 839510-PAGE 18 Spare Parts Catalog.pdf
- 43. _PANEL GP-CONTROL-72_80 VOLT-PART 2 OF 3_R 913988-PAGE 17 PART OF 970020 CONTROL PANEL Spare Parts Catalog.pdf
- 44. _PANEL GP-CONTROL-72_80 VOLT-PART 3 OF 3_R PART OF 970020 CONTROL PANEL Spare Parts Catalog.pdf
- 45. _CABLE AS USED TO MODIFY AN SA PANEL TO USE A PUMP CONTACTOR FOR HEAVY HYDRAULIC APPLICATIONS FIELD _INSTALLATION Spare Parts Catalog.pdf
- 46. _BOARD AS-DRIVER PART OF 923000, 923001, 6R8700, 6R8701, 8Q5694, 8Q5695 PANELS-CONTROL Spare Parts Catalog.pdf
- 47. _BOARD AS-CURRENT SENSOR PART OF 923000, 923001, 6R8700 AND 6R8701 PANELS- CONTROL Spare Parts Catalog.pdf
- 48. _CONTACTOR AS-LINE, LIFT, BYPASS-4 REQUIRED PART OF 923000, 923001, 6R8700, 8Q5694, 8Q5695 PANELS-CONTROL Spare Parts Catalog.pdf
- 49. _CONTACTOR AS-LINE, LIFT, BYPASS-1 REQUIRED PART OF 923000, 923001 PANELS- CONTROL FIELD REPLACEMENT ORDER _835910-PAGE 1 Spare Parts Catalog.pdf
- 50. _CONTACTOR AS-BYPASS PART OF 923000, 923001, 6R8700, 6R8701, 8Q5694, 8Q5695 PANELS-CONTROL FIELD REPLACEMENT FOR _922622- Spare Parts Catalog.pdf
- 51. _CONTROL GP-ELECTRIC HAND_R PART OF 6R8700 AND 6R8701 PANELS-CONTROL Spare Parts Catalog.pdf
- 52. _CONTACTOR AS-FORWARD, REVERSE-2 REQUIRED PART OF 923000, 923001, 6R8700, 6R8701, 8Q5694, 8Q5695 PANELS-CONTROL _FIELD RE Spare Parts Catalog.pdf
- 53. _CONTACTOR AS 835895-PAGE 19.02 TO PROVIDE IMPROVED TIP LIFE FIELD REPLACEMENT FOR 914052-PAGE 19, 922622- PAGE _18 Spare Parts Catalog.pdf
- 54. _CONTACTOR AS PART OF 6R5439 CONTACTOR FIELD INSTALLATION Spare Parts Catalog.pdf
- 55. _LOGIC GP PART OF 923000 AND 923001 CONTROL PANELS Spare Parts Catalog.pdf
- 56. _CONNECTOR GP-BATTERY-SB 36_48 VOLT Spare Parts Catalog.pdf
- 57. _CONNECTOR GP-BATTERY-SBX 72_80 VOLT Spare Parts Catalog.pdf
- 58. _CONNECTOR GP-BATTERY-72_80 VOLT Spare Parts Catalog.pdf
- 59. _CONNECTOR GP-BATTERY-SBX 36_48 VOLT Spare Parts Catalog.pdf
- 60. _CONNECTOR GP-BATTERY-SBE 36_48 VOLT Spare Parts Catalog.pdf
- 61. _CONNECTOR GP-BATTERY-EC 36_48 VOLT Spare Parts Catalog.pdf
- 62. _CONNECTOR AS-BATTERY GRAY 36_48 VOLT SBX CONNECTOR Spare Parts Catalog.pdf
- 63. _CONNECTOR AS-BATTERY GREEN 72_80 VOLT SBX CONNECTOR Spare Parts Catalog.pdf
- 64. _CONNECTOR AS-SBE 72 VOLT (POLARIZED BATTERY HALF) TO COMPLY WITH EEC REGULATIONS FIELD INSTALLATION Spare Parts Catalog.pdf
- 65. _CONNECTOR AS-SBE-48 VOLT (POLARIZED CHARGER HALF) TO COMPLY WITH EEC REGULATIONS Spare Parts Catalog.pdf
- 66. _CONNECTOR AS-SBE 48 VOLT (POLARIZED BATTERY HALF) TO COMPLY WITH EEC REGULATIONS Spare Parts Catalog.pdf
- 67. _CONNECTOR AS-SBE 72 VOLT (POLARIZED CHARGER HALF) TO COMPLY WITH EEC REGULATIONS Spare Parts Catalog.pdf
- 68. _CONNECTOR AS-SBE 80 VOLT (POLARIZED CHARGER HALF) TO COMPLY WITH EEC REGULATIONS FIELD INSTALLATION Spare Parts Catalog.pdf
- 69. _CONNECTOR GP-SBX 72_80 VOLT Spare Parts Catalog.pdf
- 70. _HORN GP-ELECTRIC-36_48 VOLT Spare Parts Catalog.pdf
- 71. _HORN GP-ELECTRIC-72_80 VOLT Spare Parts Catalog.pdf
- 72. _KIT-HORN BUTTON USED TO RELOCATE HORN BUTTON TO CENTER OF STEERING WHEEL FIELD INSTALLATION Spare Parts Catalog.pdf
- 73. _KIT-HORN SWITCH Spare Parts Catalog.pdf
- 74. _INSTRUMENT GP TYPE 1 Spare Parts Catalog.pdf
- 75. _INSTRUMENT GP TYPE 2 Spare Parts Catalog.pdf
- 76. _INSTRUMENT GP TYPE 1_1 Spare Parts Catalog.pdf
- 77. _INSTRUMENT GP TYPE 2_1 Spare Parts Catalog.pdf
- 78. _CONTROL GP-ACCELERATOR 917486-PAGE 32 Spare Parts Catalog.pdf
- 79. _SWITCH GP-ACCELERATOR PART OF 913091 CONTROL-ACCELERATION Spare Parts Catalog.pdf
- 80. _CONTROL GP-FORWARD AND REVERSE Spare Parts Catalog.pdf
- 81. _KIT-CONVERSION PROVIDES DIRECTIONAL FOOT PEDAL CONTROL Spare Parts Catalog.pdf
- 82. _LIGHTING GP-FLOODLIGHT 2 FORWARD FACING FLOODLIGHTS-MAST MOUNTED FOR U.S. USAGE ONLY Spare Parts Catalog.pdf
- 83. _LIGHTING GP-FLOODLIGHT 2 FORWARD FACING FLOODLIGHTS-HEADGUARD MOUNTED Spare Parts Catalog.pdf
- 84. _LIGHTING GP-FLOODLIGHT ONE REAR FACING FLOODLIGHT MOUNTED ON LEFT SIDE OF HEADGUARD Spare Parts Catalog.pdf
- 85. _LIGHTING GP-WARNING STROBE, VISUAL (AMBER) Spare Parts Catalog.pdf
- 86. _WARNING GP-BACKUP AUDIBLE, OVERHEAD GUARD MOUNTED Spare Parts Catalog.pdf
- 87. _WARNING GP-BACKUP AUDIBLE-REAR HEADGUARD MOUNTED Spare Parts Catalog.pdf
- 88. _WARNING GP-BACKUP FLASHING STROBE-RED, REAR HEADGUARD MOUNTED Spare Parts Catalog.pdf
- 89. _WARNING GP-BACKUP FLASHING STROBE-AMBER, REAR HEADGUARD MOUNTED Spare Parts Catalog.pdf
- 90. _WARNING GP-BACKUP AUDIBLE-HEADGUARD MOUNTED Spare Parts Catalog.pdf
- 91. _LIGHTING GP-36_48 VOLT LIGHTING AND WIRING SYSTEM-FOR EUROPEAN USAGE ONLY Spare Parts Catalog.pdf
- 92. _LIGHTING GP-72_80 VOLT LIGHTING AND WIRING SYSTEM-FOR EUROPEAN USAGE ONLY Spare Parts Catalog.pdf
- 93. _LIGHTING GP-36_48 VOLT 835951-PAGE 50.01 HEADGUARD MOUNTED-2 FORWARD FACING AND 1 REARWARD FACING Spare Parts Catalog.pdf
- 94. _ALARM GP-BACKUP Spare Parts Catalog.pdf
Rate this product
You may also like















