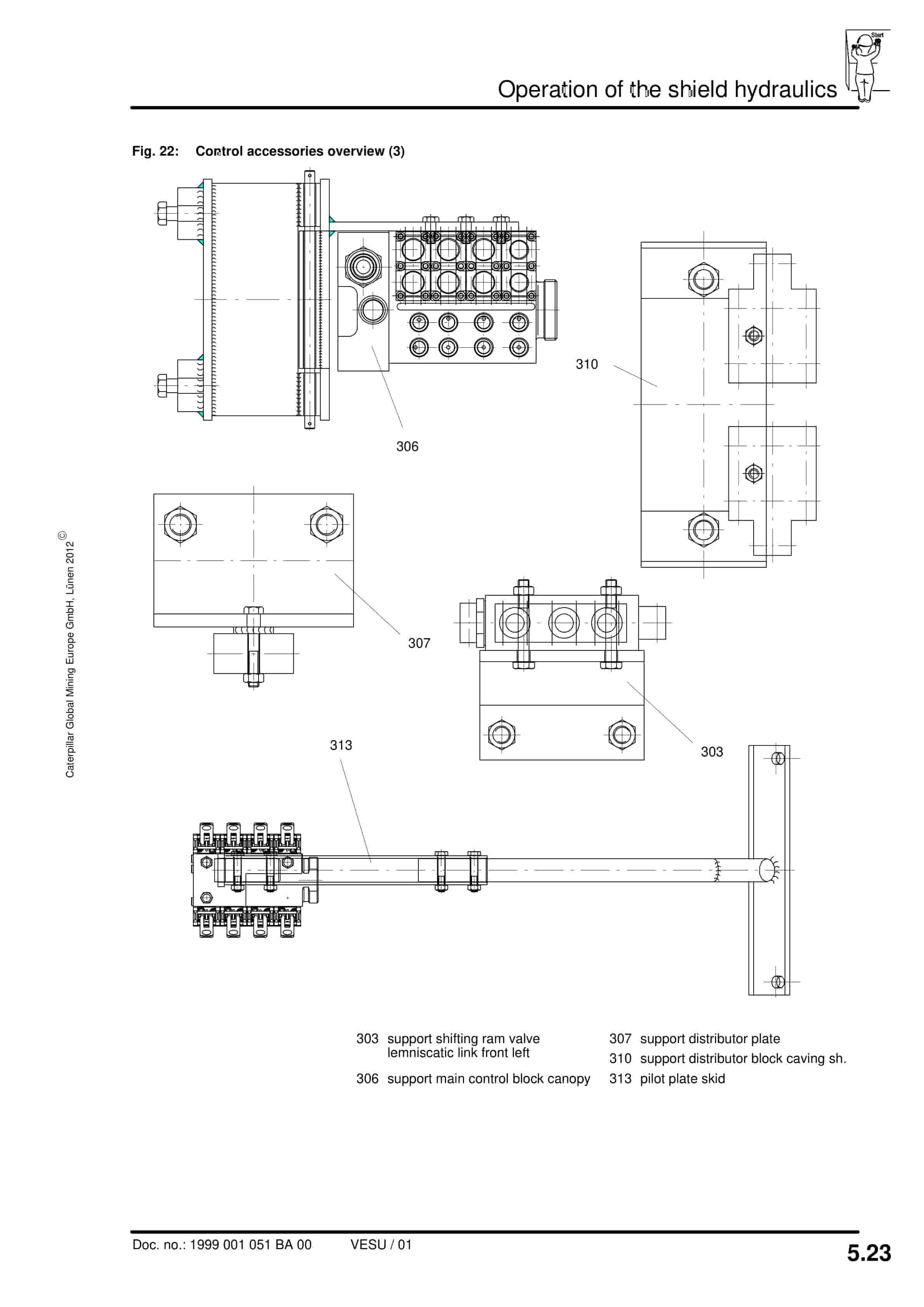
Caterpillar Shield Support End Shield 21-43L Operating Manual 1999 001 051 BA 00
$20.00
- Type Of Manual: Operating Manual
- Manual ID: 1999 001 051 BA 00
- Number of Pages: 132
- Size: 3.5MB
- Format: PDF
-
Model List:
- Shield Support End Shield 21-43L




Caterpillar Operation Manual PDF
Caterpillar DP100, DP115, DP135, DP150 Operation and Maintenance Manual 99790-83130
Caterpillar Operation Manual PDF
Caterpillar DP100NM1 to DP150NM1S Operation and Maintenance Manual 99790-47110
Caterpillar Operation Manual PDF
Caterpillar 3208, 3208T Vehicular Engines Disassembly and Assembly SENB8324
Caterpillar Operation Manual PDF
Caterpillar DP100NM1 to DP150NM1S Operation and Maintenance Manual OCFEG-JBT15-190
Caterpillar Operation Manual PDF
Caterpillar Operation Manual PDF
Caterpillar 1404 Engine Disassembly and Assembly SENB8108-02
Caterpillar Operation Manual PDF
Caterpillar DP100NL-160SNL Lift Trucks Operation and Maintenance Manual OCFEG-J091K-211
Caterpillar Operation Manual PDF
Caterpillar DP100, DP115, DP135, DP150 Operation and Maintenance Manual 99790-33120
Caterpillar Operation Manual PDF
Caterpillar DP160NE-230NE Lift Trucks Operation and Maintenance Manual OCFEG-J08B8-221
Caterpillar Operation Manual PDF






