Caterpillar Stationary Charger Parts List PCUEM-J0CHG-190
$50.00
- Type Of Manual: Parts List
- Manual ID: PCUEM-J0CHG-190
- Number of Pages: 216
- Size: 4.9MB
- Format: PDF
Category: Caterpillar Parts Manual PDF
-
Model List:
- Stationary Charger
- 1. SERVICE DATA
- 2. CHARGER TYPE
- 3. 用充電器仕様一覧表
- 4. 用充電器仕様一覧表
- 5. 用充電器仕様一覧表
- 6. 用充電器仕様一覧表
- 7. 用充電器仕様一覧表
- 8. 用充電器仕様一覧表
- 9. 用充電器仕様一覧表
- 10. OTHER VOLTAGE TYPE-200V/400V用充電器仕様一覧表
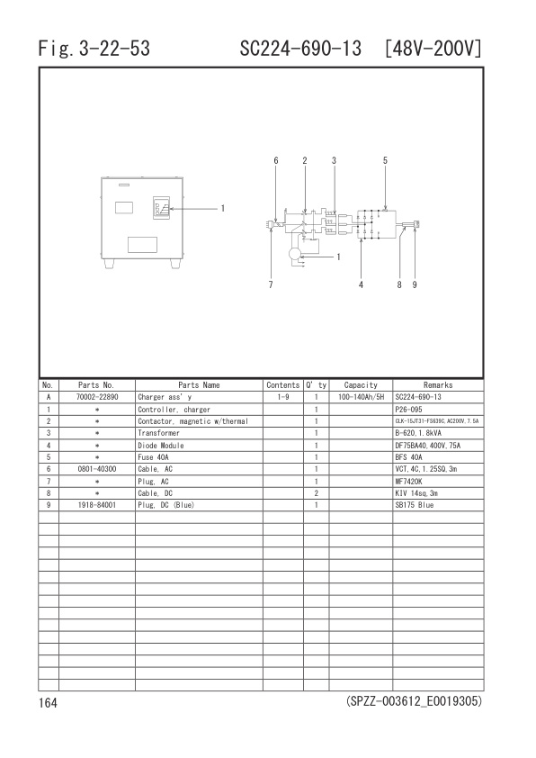
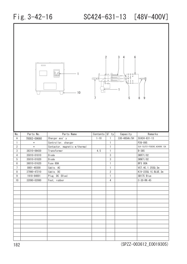
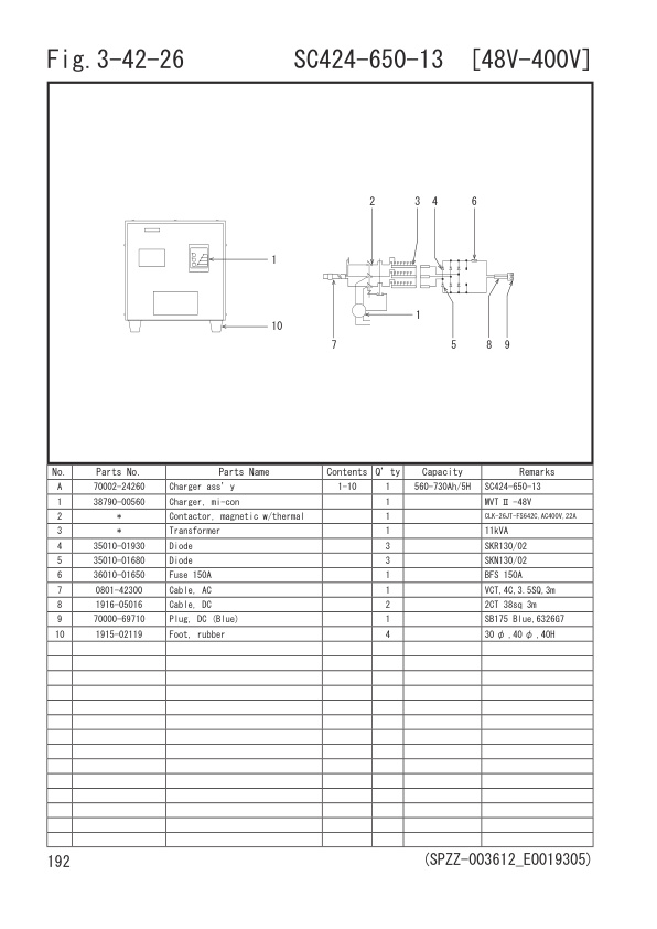
- 11. PARTS LIST
- 12. Introduction
- 13. Table of Contents
- 14. パーツリストの使い方
- 15. パーツリストの使い方
- 16. イラストの見方
- 17. Instruction for use this parts lists
- 18. How to see illustration
- 19. How to see the list
- 20. Block index
- 21. VOLTAGE TYPE
- 22. VOLTAGE TYPE
- 23. VOLTAGE TYPE
- 24. VOLTAGE TYPE
- 25. OTHER VOLTAGE TYPE
Rate this product
You may also like
Caterpillar Parts Manual PDF
Caterpillar F40DSA, F50DSA, F60DSA Lift Trucks Parts Manual SEBN2634-02
$50.00
Caterpillar Parts Manual PDF
Caterpillar EP20K, EP25K Chassis, Mast and Options Parts Manual 98753-33100
$50.00
Caterpillar Parts Manual PDF
$50.00
Caterpillar Parts Manual PDF
$50.00
Caterpillar Parts Manual PDF
$50.00






