Skip to content
Owners Manual PDFOwners Manual PDF
  • Login
  • $0.00
    • No products in the cart.

      Return to shop

  • Cart

    No products in the cart.

    Return to shop

  • Category
  • Menu
  • About us
  • Shop
  • News
  • Contact Us
  • Aisle-Master
    • Aisle-Master Operator Manual PDF
    • Aisle-Master Parts Manual PDF
    • Aisle-Master Service Manual PDF
  • BT
    • BT Operator Manual PDF
    • BT Parts Manual PDF
    • BT Service Manual PDF
    • BT Wiring Diagrams PDF
  • Caterpillar
    • Caterpillar Operation Manual PDF
    • Caterpillar Parts Manual PDF
    • Caterpillar Service Manual PDF
    • Caterpillar Wiring Diagrams PDF
  • Mitsubishi
    • Mitsubishi Operation Manual PDF
    • Mitsubishi Operator Manual PDF
    • Mitsubishi Other Manual PDF
    • Mitsubishi Parts Manual PDF
    • Mitsubishi Service Manual PDF
    • Mitsubishi Wiring Diagrams PDF
    • Mitsubishi Workshop Manual PDF
  • Cesab
    • Cesab Operator Manual PDF
    • Cesab Parts Manual PDF
    • Cesab Service Manual PDF
  • Combilift
    • Combilift Operator Manual PDF
    • Combilift Parts Manual PDF
    • Combilift Service Manual PDF
    • Combilift Wiring Diagrams PDF
  • Deutz
    • Deutz Operator Manual PDF
    • Deutz Parts Manual PDF
  • Doosan
    • Doosan Operator Manual PDF
    • Doosan Other Manual PDF
    • Doosan Parts Manual PDF
    • Doosan Service Manual PDF
    • Doosan Wiring Diagrams PDF
  • EP Forklift
    • EP Forklift Operator Manual PDF
    • EP Forklift Parts Manual PDF
    • EP Forklift Service Manual PDF
  • Hangcha
    • Hangcha Operator Manual PDF
    • Hangcha Other Manual PDF
    • Hangcha Parts Manual PDF
    • Hangcha Service Manual PDF
  • IMPCO
    • IMPCO Operator Manual PDF
    • IMPCO Parts Manual PDF
    • IMPCO Service Manual PDF
  • Jiachen
    • Jiachen Operator Manual PDF
    • Jiachen Other Manual PDF
  • JLG
    • JLG Operator Manual PDF
    • JLG Parts Manual PDF
    • JLG Service Manual PDF
  • Kubota
    • Kubota Operator Manual PDF
    • Kubota Parts Manual PDF
    • Kubota Workshop Manual PDF
  • Mlift
    • Mlift Operation Manual PDF
    • Mlift Service Manual PDF
  • Nissan
    • Nissan Other Manual PDF
    • Nissan Service Manual PDF
  • Okamura
    • Okamura Other Manual PDF
    • Okamura Parts Manual PDF
    • Okamura Service Manual PDF
  • Perkins
    • Perkins Operation Manual PDF
    • Perkins Parts Manual PDF
  • PSI
    • PSI Operator Manual PDF
    • PSI Parts Manual PDF
    • PSI Service Manual PDF
  • Towmotor
    • Towmotor Operation Manual PDF
    • Towmotor Parts Manual PDF
    • Towmotor Service Manual PDF
  • Toyota
    • Toyota Parts Manual PDF
    • Toyota Service Manual PDF
  • Xinchai
    • Xinchai Operator Manual PDF
    • Xinchai Parts Manual PDF
    • Xinchai Workshop Manual PDF
    • Xinchai Other Manual PDF
  • Yanmar
    • Yanmar Operator Manual PDF
    • Yanmar Parts Manual PDF
    • Yanmar Service Manual PDF
    • Yanmar Other Manual PDF
  • Yitou
    • Yitou Operator Manual PDF
    • Yitou Other Manual PDF
    • Yitou Parts Manual PDF
Support
Email
admin@ownersmanualpdf.net
Follow us
Home / Caterpillar / Caterpillar Service Manual PDF
Caterpillar TH414C GC, TH417C GC Transmission Service Manual 31211010
Caterpillar TH414C GC, TH417C GC Transmission Service Manual 31211010 - Image 2
Caterpillar TH414C GC, TH417C GC Transmission Service Manual 31211010 - Image 3
Caterpillar TH414C GC, TH417C GC Transmission Service Manual 31211010 - Image 4
Caterpillar TH414C GC, TH417C GC Transmission Service Manual 31211010 - Image 5
caterpillar th414c gc th417c gc transmission service manual 31211010 2
caterpillar th414c gc th417c gc transmission service manual 31211010 3
caterpillar th414c gc th417c gc transmission service manual 31211010 4
caterpillar th414c gc th417c gc transmission service manual 31211010 5

Caterpillar TH414C GC, TH417C GC Transmission Service Manual 31211010

$30.00

  • Type Of Manual: Transmission Service Manual
  • Manual ID: 31211010
  • Number of Pages: 308
  • Size: 159.1MB
  • Format: PDF
Category: Caterpillar Service Manual PDF
Product Categories
  • Aisle-Master (0)
    • Aisle-Master Operator Manual PDF (0)
    • Aisle-Master Parts Manual PDF (0)
    • Aisle-Master Service Manual PDF (0)
  • All Product (4091)
    • CAT (4091)
      • Articulated Dump Truck (55)
        • Articulated Dump Truck (55)
        • CAT (55)
      • Asphalt (93)
        • Asphalt (93)
        • CAT (93)
      • Compactor (20)
        • CAT (20)
        • Compactor (20)
      • Dozer (712)
        • Articulated Dump Truck (1)
        • CAT (712)
        • Dozer (709)
        • Engine (2)
      • Engine (873)
        • CAT (873)
        • Engine (873)
      • Excavator (1203)
        • CAT (1203)
        • Excavator (1203)
      • Forklift (11)
        • CAT (11)
        • Forklift (11)
      • Loader (654)
        • CAT (654)
        • Loader (654)
          • CAT (0)
          • Loader (0)
      • Motor Grader (228)
        • CAT (228)
        • Motor Grader (228)
      • Scraper (90)
        • CAT (90)
        • Scraper (90)
      • Skidder (17)
        • CAT (17)
        • Skidder (10)
        • Skidsteer (7)
      • Skidsteer (106)
        • CAT (106)
        • Skidsteer (106)
      • Telehandler (29)
        • CAT (29)
        • Telehandler (29)
  • Big Joe (0)
    • Big Joe Service Manual PDF (0)
  • BT (2146)
    • BT Operator Manual PDF (190)
    • BT Parts Manual PDF (1797)
    • BT Service Manual PDF (152)
    • BT Wiring Diagrams PDF (7)
  • Bucyrus (0)
    • Bucyrus Operation Manual PDF (0)
    • Bucyrus Parts Manual PDF (0)
    • Bucyrus Service Manual PDF (0)
    • Bucyrus Wiring Diagrams PDF (0)
  • Carraro (0)
    • Carraro Parts Manual PDF (0)
  • Caterpillar (3800)
    • Caterpillar Operation Manual PDF (376)
    • Caterpillar Part Manual PDF (2168)
    • Caterpillar Parts Manual PDF (278)
    • Caterpillar Service Manual PDF (552)
    • Caterpillar Wiring Diagrams PDF (426)
  • Cesab (0)
    • Cesab Operator Manual PDF (0)
    • Cesab Parts Manual PDF (0)
    • Cesab Service Manual PDF (0)
  • Combilift (0)
    • Combilift Operator Manual PDF (0)
    • Combilift Parts Manual PDF (0)
    • Combilift Service Manual PDF (0)
    • Combilift Wiring Diagrams PDF (0)
  • Curtis (0)
    • Curtis Operator Manual PDF (0)
  • Daewoo (0)
    • Daewoo Wiring Diagrams PDF (0)
  • Davis Derby (0)
    • Davis Derby Service Manual PDF (0)
  • Deutz (0)
    • Deutz Operator Manual PDF (0)
    • Deutz Parts Manual PDF (0)
  • Dongfeng Chaoyang (0)
    • Dongfeng Chaoyang Parts Manual PDF (0)
  • Doosan (0)
    • Doosan Operator Manual PDF (0)
    • Doosan Other Manual PDF (0)
    • Doosan Parts Manual PDF (0)
    • Doosan Service Manual PDF (0)
    • Doosan Wiring Diagrams PDF (0)
  • Dungheinrich (1)
    • Dungheinrich Operation Manual PDF (1)
  • Easycon II (0)
    • Easycon II Operator Manual PDF (0)
  • Eneroc (0)
    • Eneroc Service Manual PDF (0)
  • EP Forklift (0)
    • EP Forklift Operator Manual PDF (0)
    • EP Forklift Parts Manual PDF (0)
    • EP Forklift Service Manual PDF (0)
  • Guangdong (0)
    • Guangdong Operator Manual PDF (0)
  • Hangcha (584)
    • Hangcha Operator Manual PDF (145)
    • Hangcha Other Manual PDF (67)
    • Hangcha Parts Manual PDF (302)
    • Hangcha Service Manual PDF (70)
  • IMPCO (0)
    • IMPCO Operator Manual PDF (0)
    • IMPCO Parts Manual PDF (0)
    • IMPCO Service Manual PDF (0)
  • Isuzu (0)
    • Isuzu Operator Manual PDF (0)
    • Isuzu Parts Manual PDF (0)
    • Isuzu Workshop Manual PDF (0)
  • Jiachen (0)
    • Jiachen Operator Manual PDF (0)
    • Jiachen Other Manual PDF (0)
  • JLG (0)
    • JLG Operator Manual PDF (0)
    • JLG Parts Manual PDF (0)
    • JLG Service Manual PDF (0)
  • John Deere (0)
    • John Deere Parts Manual PDF (0)
  • Jungheinrich (0)
    • Jungheinrich Operator Manual PDF (0)
  • Kubota (0)
    • Kubota Operator Manual PDF (0)
    • Kubota Parts Manual PDF (0)
    • Kubota Workshop Manual PDF (0)
  • Lift-Rite (0)
    • Lift-Rite Parts Manual PDF (0)
  • Linkbelt (17)
    • Linkbelt (17)
  • Logisnext (1)
    • Logisnext Parts Manual PDF (0)
    • Logisnext Service Manual PDF (1)
  • Mannesmann (0)
    • Mannesmann Service Manual PDF (0)
  • Mitsubishi (600)
    • Mitsubishi Operation Manual PDF (200)
    • Mitsubishi Operator Manual PDF (0)
    • Mitsubishi Other Manual PDF (0)
    • Mitsubishi Parts Manual PDF (22)
    • Mitsubishi Service Manual PDF (355)
    • Mitsubishi Wiring Diagrams PDF (22)
    • Mitsubishi Workshop Manual PDF (1)
  • Mlift (0)
    • Mlift Operation Manual PDF (0)
    • Mlift Service Manual PDF (0)
  • Motrec (0)
    • Motrec Operator Manual PDF (0)
  • Movit (0)
    • Movit Parts Manual PDF (0)
  • Nippon Yusoki (0)
    • Nippon Yusoki Parts Manual PDF (0)
    • Nippon Yusoki Workshop Manual PDF (0)
  • Nissan (0)
    • Nissan Other Manual PDF (0)
    • Nissan Service Manual PDF (0)
  • Okamura (0)
    • Okamura Other Manual PDF (0)
    • Okamura Parts Manual PDF (0)
    • Okamura Service Manual PDF (0)
  • Other Manual (140)
    • Caterpillar Other Manual PDF (139)
    • Mitsubishi Other Manual PDF (0)
    • Rocla Other Manual PDF (1)
  • Perkins (5)
    • Perkins Operation Manual PDF (5)
    • Perkins Parts Manual PDF (0)
  • Poclain Hydraulics (0)
    • Poclain Hydraulics Service Manual PDF (0)
  • PSI (0)
    • PSI Operator Manual PDF (0)
    • PSI Parts Manual PDF (0)
    • PSI Service Manual PDF (0)
  • Rocla (2)
    • Rocla Operation Manual PDF (2)
  • Toro (17)
    • Toro (17)
  • Towmotor (44)
    • Towmotor Operation Manual PDF (20)
    • Towmotor Parts Manual PDF (1)
    • Towmotor Service Manual PDF (23)
  • Toyota (0)
    • Toyota Parts Manual PDF (0)
    • Toyota Service Manual PDF (0)
  • VW (0)
    • VW Workshop Manual PDF (0)
  • Weichai (0)
    • Weichai Parts Manual PDF (0)
  • WoodWard (0)
    • WoodWard Service Manual PDF (0)
  • Xinchai (0)
    • Xinchai Operator Manual PDF (0)
    • Xinchai Other Manual PDF (0)
    • Xinchai Parts Manual PDF (0)
    • Xinchai Workshop Manual PDF (0)
  • Yamar (0)
    • Yamar Service Manual PDF (0)
  • Yanmar (0)
    • Yanmar Operator Manual PDF (0)
    • Yanmar Other Manual PDF (0)
    • Yanmar Parts Manual PDF (0)
    • Yanmar Service Manual PDF (0)
  • Yitou (0)
    • Yitou Operator Manual PDF (0)
    • Yitou Other Manual PDF (0)
    • Yitou Parts Manual PDF (0)
  • Yuchai (0)
    • Yuchai Parts Manual PDF (0)
  • Zapi (0)
    • Zapi Operator Manual PDF (0)
  • ZF (0)
    • ZF Other Manual PDF (0)
    • ZF Parts Manual PDF (0)
Recently Viewed Products
  • Caterpillar 330D, 336D, 340D Excavator, 336D MHPU Electrical System Schematic UENR2638-01 Caterpillar 330D, 336D, 340D Excavator, 336D MHPU Electrical System Schematic UENR2638-01 $30.00
  • Caterpillar 416, 426, 428, 436, 438 Series II Backhoe Loaders Electrical System Schematic SENR5811 Caterpillar 416, 426, 428, 436, 438 Series II Backhoe Loaders Electrical System Schematic SENR5811 $30.00
  • Caterpillar 966G, 972G Series II Wheel Loaders Electrical System Schematic UENR2534-01 Caterpillar 966G, 972G Series II Wheel Loaders Electrical System Schematic UENR2534-01 $30.00
  • Model List:

    • TH414C GC, TH417C GC
  • 1. _A_TH414C GC,TH417C GC Transmission_CAT_Service
  • 1.1. Effectivity
  • 1.2. Section 1 Safety Practices
  • 1.2.1. Introduction
  • 1.2.2. Disclaimer
  • 1.2.3. Operation Maintenance Manual
  • 1.2.4. Do Not Operate Tags
  • 1.2.5. Safety Information
  • 1.2.6. Safety Alert System and Signal Words
  • 1.2.7. Safety Instructions
  • 1.2.8. Safety Decals
  • 1.3. Section 2 General Information and Specifications
  • 1.3.1. Notice
  • 1.3.2. Cleaning and Inspection
  • 1.3.3. Technical Specification
  • 1.4. Section 3 Maintenance
  • 1.4.1. Oil Specifications
  • 1.4.2. T12000 – 3, 4, 6 Speed
  • 1.4.3. VDT 12000
  • 1.4.4. Instructions for Lining Replacement and Adjustment of Parking Brake Assembly
  • 1.5. Section 4 Troubleshooting Guide
  • 1.5.1. T12000 – 3, 4, 6 Speed
  • 1.5.2. T12000 Transmission
  • 1.5.3. Troubleshooting Procedures
  • 1.5.4. Troubleshooting Guide Table
  • 1.5.5. Speed Sensor – Static Stand alone Test
  • 1.5.6. VDT 12000 – Check Points
  • 1.5.7. VDT 17 Degrees – Check Points
  • 1.6. Section 5 Sectional Views and Parts Identification
  • 1.6.1. T12000
  • 1.6.2. VDT 12000
  • 1.7. Section 6 Installation
  • 1.7.1. T12000 Installation
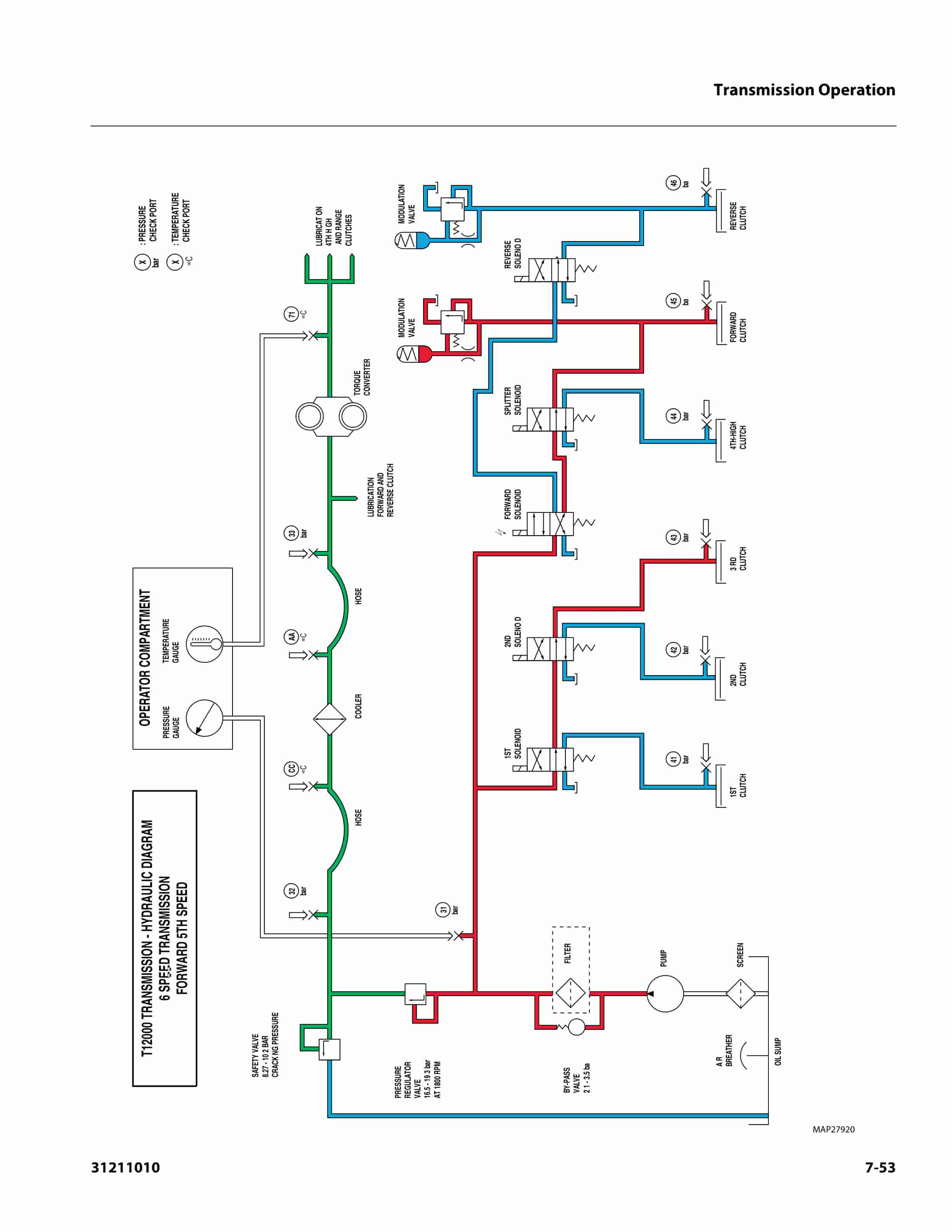
  • 1.8. Section 7 Transmission Operation
  • 1.8.1. Operation of the T12000 Transmission
  • 1.9. Section 8 Assembly and Disassembly
  • 1.9.1. T12000 – 3, 4, 6 Speed
  • 1.9.2. Transmission Complete
  • 1.9.3. t Clutch
  • 1.9.4. d Clutch
  • 1.9.5. h Clutch
  • 1.9.6. d Clutch
  • 1.9.7. Reverse Clutch
  • 1.9.8. Forward Clutch
  • 1.9.9. Regulator Valve
  • 1.9.10. Dual Modulated Valve
  • 1.9.11. Spacer Plate
  • 1.9.12. Front Output Flange
  • 1.9.13. Converter Housing
  • 1.9.14. Single Modulation and Hydraulic Removal
  • 1.9.15. Single Modulated Valve
  • 1.9.16. Hydraulic Inching
  • 1.9.17. Single Modulation and Hydraulic Inching Installation
  • 1.9.18. Options
  • 1.9.19. MT Section
  • 1.9.20. VDT 12000
  • 1.9.21. Degree Shaft Drop Box
  • 1.9.22. VDT 17 Degrees
  • 1.9.23. Degree Drop Box
  • 1.9.24. Input Shaft
Rate this product
You may also like
Caterpillar 4G15, 4G63, 4G64, 6G72 Engine Service Manual 99719-34130

Caterpillar Service Manual PDF

Caterpillar 4G15, 4G63, 4G64, 6G72 Engine Service Manual 99719-34130

$50.00
Add to cart
Caterpillar 1204F Diesel Engine Troubleshooting Service Manual 99799-67104

Caterpillar Service Manual PDF

Caterpillar 1204F Diesel Engine Troubleshooting Service Manual 99799-67104

$50.00
Add to cart
Caterpillar 6G72 Gasoline Engine Service Manual 99739-84110

Caterpillar Service Manual PDF

Caterpillar 6G72 Gasoline Engine Service Manual 99739-84110

$50.00
Add to cart
Caterpillar 2EC15-30 Chassis and Mast Service Manual 99759-80100

Caterpillar Service Manual PDF

Caterpillar 2EC15-30 Chassis and Mast Service Manual 99759-80100

$50.00
Add to cart
Caterpillar 5M15D to 5M35D Mast Supplement Service Manual 99739-351T0

Caterpillar Service Manual PDF

Caterpillar 5M15D to 5M35D Mast Supplement Service Manual 99739-351T0

$50.00
Add to cart
Caterpillar 1204F Diesel Engine Systems Operation Testing and Adjusting Service Manual 99799-67103

Caterpillar Service Manual PDF

Caterpillar 1204F Diesel Engine Systems Operation Testing and Adjusting Service Manual 99799-67103

$50.00
Add to cart
Caterpillar 1204E Diesel Engine Specifications Service Manual 99799-64101

Caterpillar Service Manual PDF

Caterpillar 1204E Diesel Engine Specifications Service Manual 99799-64101

$50.00
Add to cart
Caterpillar 1.4 Liter (4G33) Gasoline Engine Service Manual SENB8525

Caterpillar Service Manual PDF

Caterpillar 1.4 Liter (4G33) Gasoline Engine Service Manual SENB8525

$50.00
Add to cart
Caterpillar 4G63, 4G64 Fuel System Supplement Service Manual 99729-85110

Caterpillar Service Manual PDF

Caterpillar 4G63, 4G64 Fuel System Supplement Service Manual 99729-85110

$50.00
Add to cart
Caterpillar 4G63, 4G64, 6G72 Liquefied Petroleum Gas Supplement Service Manual 99719-84130

Caterpillar Service Manual PDF

Caterpillar 4G63, 4G64, 6G72 Liquefied Petroleum Gas Supplement Service Manual 99719-84130

$50.00
Add to cart
    Links of interest
    • About us
    • Refund and Returns Policy
    • Terms & Conditions
    • Shipping Policy
    • Privacy Policy
    • Contact Us
    Product tags
    Agricultural Automotive Heavy Construction
© All rights reserved. 2023
PayPal
Visa
BitCoin
MasterCard
Western Union
Visa
PayPal
MasterCard
Copyright 2026 © ownersmanualpdf.net
  • Category
  • Menu
  • About us
  • Shop
  • News
  • Contact Us
  • Aisle-Master
    • Aisle-Master Operator Manual PDF
    • Aisle-Master Parts Manual PDF
    • Aisle-Master Service Manual PDF
  • BT
    • BT Operator Manual PDF
    • BT Parts Manual PDF
    • BT Service Manual PDF
    • BT Wiring Diagrams PDF
  • Caterpillar
    • Caterpillar Operation Manual PDF
    • Caterpillar Parts Manual PDF
    • Caterpillar Service Manual PDF
    • Caterpillar Wiring Diagrams PDF
  • Mitsubishi
    • Mitsubishi Operation Manual PDF
    • Mitsubishi Operator Manual PDF
    • Mitsubishi Other Manual PDF
    • Mitsubishi Parts Manual PDF
    • Mitsubishi Service Manual PDF
    • Mitsubishi Wiring Diagrams PDF
    • Mitsubishi Workshop Manual PDF
  • Cesab
    • Cesab Operator Manual PDF
    • Cesab Parts Manual PDF
    • Cesab Service Manual PDF
  • Combilift
    • Combilift Operator Manual PDF
    • Combilift Parts Manual PDF
    • Combilift Service Manual PDF
    • Combilift Wiring Diagrams PDF
  • Deutz
    • Deutz Operator Manual PDF
    • Deutz Parts Manual PDF
  • Doosan
    • Doosan Operator Manual PDF
    • Doosan Other Manual PDF
    • Doosan Parts Manual PDF
    • Doosan Service Manual PDF
    • Doosan Wiring Diagrams PDF
  • EP Forklift
    • EP Forklift Operator Manual PDF
    • EP Forklift Parts Manual PDF
    • EP Forklift Service Manual PDF
  • Hangcha
    • Hangcha Operator Manual PDF
    • Hangcha Other Manual PDF
    • Hangcha Parts Manual PDF
    • Hangcha Service Manual PDF
  • IMPCO
    • IMPCO Operator Manual PDF
    • IMPCO Parts Manual PDF
    • IMPCO Service Manual PDF
  • Jiachen
    • Jiachen Operator Manual PDF
    • Jiachen Other Manual PDF
  • JLG
    • JLG Operator Manual PDF
    • JLG Parts Manual PDF
    • JLG Service Manual PDF
  • Kubota
    • Kubota Operator Manual PDF
    • Kubota Parts Manual PDF
    • Kubota Workshop Manual PDF
  • Mlift
    • Mlift Operation Manual PDF
    • Mlift Service Manual PDF
  • Nissan
    • Nissan Other Manual PDF
    • Nissan Service Manual PDF
  • Okamura
    • Okamura Other Manual PDF
    • Okamura Parts Manual PDF
    • Okamura Service Manual PDF
  • Perkins
    • Perkins Operation Manual PDF
    • Perkins Parts Manual PDF
  • PSI
    • PSI Operator Manual PDF
    • PSI Parts Manual PDF
    • PSI Service Manual PDF
  • Towmotor
    • Towmotor Operation Manual PDF
    • Towmotor Parts Manual PDF
    • Towmotor Service Manual PDF
  • Toyota
    • Toyota Parts Manual PDF
    • Toyota Service Manual PDF
  • Xinchai
    • Xinchai Operator Manual PDF
    • Xinchai Parts Manual PDF
    • Xinchai Workshop Manual PDF
    • Xinchai Other Manual PDF
  • Yanmar
    • Yanmar Operator Manual PDF
    • Yanmar Parts Manual PDF
    • Yanmar Service Manual PDF
    • Yanmar Other Manual PDF
  • Yitou
    • Yitou Operator Manual PDF
    • Yitou Other Manual PDF
    • Yitou Parts Manual PDF