Skip to content
Owners Manual PDFOwners Manual PDF
  • Login
  • $0.00
    • No products in the cart.

      Return to shop

  • Cart

    No products in the cart.

    Return to shop

  • Category
  • Menu
  • About us
  • Shop
  • News
  • Contact Us
  • Aisle-Master
    • Aisle-Master Operator Manual PDF
    • Aisle-Master Parts Manual PDF
    • Aisle-Master Service Manual PDF
  • BT
    • BT Operator Manual PDF
    • BT Parts Manual PDF
    • BT Service Manual PDF
    • BT Wiring Diagrams PDF
  • Caterpillar
    • Caterpillar Operation Manual PDF
    • Caterpillar Parts Manual PDF
    • Caterpillar Service Manual PDF
    • Caterpillar Wiring Diagrams PDF
  • Mitsubishi
    • Mitsubishi Operation Manual PDF
    • Mitsubishi Operator Manual PDF
    • Mitsubishi Parts Manual PDF
    • Mitsubishi Service Manual PDF
    • Mitsubishi Wiring Diagrams PDF
    • Mitsubishi Workshop Manual PDF
  • Cesab
    • Cesab Operator Manual PDF
    • Cesab Parts Manual PDF
    • Cesab Service Manual PDF
  • Combilift
    • Combilift Operator Manual PDF
    • Combilift Parts Manual PDF
    • Combilift Service Manual PDF
    • Combilift Wiring Diagrams PDF
  • Deutz
    • Deutz Operator Manual PDF
    • Deutz Parts Manual PDF
  • Doosan
    • Doosan Operator Manual PDF
    • Doosan Other Manual PDF
    • Doosan Parts Manual PDF
    • Doosan Service Manual PDF
    • Doosan Wiring Diagrams PDF
  • EP Forklift
    • EP Forklift Operator Manual PDF
    • EP Forklift Parts Manual PDF
    • EP Forklift Service Manual PDF
  • Hangcha
    • Hangcha Operator Manual PDF
    • Hangcha Other Manual PDF
    • Hangcha Parts Manual PDF
    • Hangcha Service Manual PDF
  • IMPCO
    • IMPCO Operator Manual PDF
    • IMPCO Parts Manual PDF
    • IMPCO Service Manual PDF
  • Jiachen
    • Jiachen Operator Manual PDF
    • Jiachen Other Manual PDF
  • JLG
    • JLG Operator Manual PDF
    • JLG Parts Manual PDF
    • JLG Service Manual PDF
  • Kubota
    • Kubota Operator Manual PDF
    • Kubota Parts Manual PDF
    • Kubota Workshop Manual PDF
  • Mlift
    • Mlift Operation Manual PDF
    • Mlift Service Manual PDF
  • Nissan
    • Nissan Other Manual PDF
    • Nissan Service Manual PDF
  • Okamura
    • Okamura Other Manual PDF
    • Okamura Parts Manual PDF
    • Okamura Service Manual PDF
  • Perkins
    • Perkins Operation Manual PDF
    • Perkins Parts Manual PDF
  • PSI
    • PSI Operator Manual PDF
    • PSI Parts Manual PDF
    • PSI Service Manual PDF
  • Towmotor
    • Towmotor Operation Manual PDF
    • Towmotor Parts Manual PDF
    • Towmotor Service Manual PDF
  • Toyota
    • Toyota Parts Manual PDF
    • Toyota Service Manual PDF
  • Xinchai
    • Xinchai Operator Manual PDF
    • Xinchai Parts Manual PDF
    • Xinchai Workshop Manual PDF
    • Xinchai Other Manual PDF
  • Yanmar
    • Yanmar Operator Manual PDF
    • Yanmar Parts Manual PDF
    • Yanmar Service Manual PDF
    • Yanmar Other Manual PDF
  • Yitou
    • Yitou Operator Manual PDF
    • Yitou Other Manual PDF
    • Yitou Parts Manual PDF
Support
Email
admin@ownersmanualpdf.net
Follow us
Home / Hangcha / Hangcha Service Manual PDF
Hangcha CPCD200-W36 to CPCD320-W83 Service Manual

Hangcha CPCD200-W36 to CPCD320-W83 Service Manual

$30.00

  • Type Of Manual: Service Manual
  • Number of Pages: 97
  • Size: 8.1MB
  • Format: PDF
Category: Hangcha Service Manual PDF
Product Categories
  • Aisle-Master (0)
    • Aisle-Master Operator Manual PDF (0)
    • Aisle-Master Parts Manual PDF (0)
    • Aisle-Master Service Manual PDF (0)
  • All Product (3841)
    • CAT (3841)
      • Articulated Dump Truck (54)
        • Articulated Dump Truck (54)
        • CAT (54)
      • Asphalt (72)
        • Asphalt (72)
        • CAT (72)
      • Compactor (20)
        • CAT (20)
        • Compactor (20)
      • Dozer (712)
        • Articulated Dump Truck (1)
        • CAT (712)
        • Dozer (709)
        • Engine (2)
      • Engine (873)
        • CAT (873)
        • Engine (873)
      • Excavator (1203)
        • CAT (1203)
        • Excavator (1203)
      • Forklift (11)
        • CAT (11)
        • Forklift (11)
      • Loader (606)
        • CAT (606)
        • Loader (606)
          • CAT (0)
          • Loader (0)
      • Motor Grader (179)
        • CAT (179)
        • Motor Grader (179)
      • Scraper (41)
        • CAT (41)
        • Scraper (41)
      • Skidder (9)
        • CAT (9)
        • Skidder (2)
        • Skidsteer (7)
      • Skidsteer (57)
        • CAT (57)
        • Skidsteer (57)
      • Telehandler (4)
        • CAT (4)
        • Telehandler (4)
  • Big Joe (0)
    • Big Joe Service Manual PDF (0)
  • BT (2146)
    • BT Operator Manual PDF (190)
    • BT Parts Manual PDF (1797)
    • BT Service Manual PDF (152)
    • BT Wiring Diagrams PDF (7)
  • Bucyrus (635)
    • Bucyrus Operation Manual PDF (88)
    • Bucyrus Parts Manual PDF (544)
    • Bucyrus Service Manual PDF (1)
    • Bucyrus Wiring Diagrams PDF (2)
  • Carraro (0)
    • Carraro Parts Manual PDF (0)
  • Caterpillar (3800)
    • Caterpillar Operation Manual PDF (376)
    • Caterpillar Parts Manual PDF (2446)
    • Caterpillar Service Manual PDF (552)
    • Caterpillar Wiring Diagrams PDF (426)
  • Cesab (0)
    • Cesab Operator Manual PDF (0)
    • Cesab Parts Manual PDF (0)
    • Cesab Service Manual PDF (0)
  • Combilift (0)
    • Combilift Operator Manual PDF (0)
    • Combilift Parts Manual PDF (0)
    • Combilift Service Manual PDF (0)
    • Combilift Wiring Diagrams PDF (0)
  • Curtis (0)
    • Curtis Operator Manual PDF (0)
  • Daewoo (0)
    • Daewoo Wiring Diagrams PDF (0)
  • Davis Derby (0)
    • Davis Derby Service Manual PDF (0)
  • Deutz (0)
    • Deutz Operator Manual PDF (0)
    • Deutz Parts Manual PDF (0)
  • Dongfeng Chaoyang (0)
    • Dongfeng Chaoyang Parts Manual PDF (0)
  • Doosan (0)
    • Doosan Operator Manual PDF (0)
    • Doosan Other Manual PDF (0)
    • Doosan Parts Manual PDF (0)
    • Doosan Service Manual PDF (0)
    • Doosan Wiring Diagrams PDF (0)
  • Dungheinrich (1)
    • Dungheinrich Operation Manual PDF (1)
  • Easycon II (0)
    • Easycon II Operator Manual PDF (0)
  • Eneroc (0)
    • Eneroc Service Manual PDF (0)
  • EP Forklift (0)
    • EP Forklift Operator Manual PDF (0)
    • EP Forklift Parts Manual PDF (0)
    • EP Forklift Service Manual PDF (0)
  • Guangdong (0)
    • Guangdong Operator Manual PDF (0)
  • Hangcha (584)
    • Hangcha Operator Manual PDF (145)
    • Hangcha Other Manual PDF (67)
    • Hangcha Parts Manual PDF (302)
    • Hangcha Service Manual PDF (70)
  • IMPCO (0)
    • IMPCO Operator Manual PDF (0)
    • IMPCO Parts Manual PDF (0)
    • IMPCO Service Manual PDF (0)
  • Isuzu (0)
    • Isuzu Operator Manual PDF (0)
    • Isuzu Parts Manual PDF (0)
    • Isuzu Workshop Manual PDF (0)
  • Jiachen (0)
    • Jiachen Operator Manual PDF (0)
    • Jiachen Other Manual PDF (0)
  • JLG (0)
    • JLG Operator Manual PDF (0)
    • JLG Parts Manual PDF (0)
    • JLG Service Manual PDF (0)
  • John Deere (0)
    • John Deere Parts Manual PDF (0)
  • Jungheinrich (0)
    • Jungheinrich Operator Manual PDF (0)
  • Kubota (0)
    • Kubota Operator Manual PDF (0)
    • Kubota Parts Manual PDF (0)
    • Kubota Workshop Manual PDF (0)
  • Lift-Rite (0)
    • Lift-Rite Parts Manual PDF (0)
  • Linkbelt (17)
    • Linkbelt (17)
  • Logisnext (1)
    • Logisnext Parts Manual PDF (0)
    • Logisnext Service Manual PDF (1)
  • Mannesmann (0)
    • Mannesmann Service Manual PDF (0)
  • Mitsubishi (600)
    • Mitsubishi Operation Manual PDF (200)
    • Mitsubishi Operator Manual PDF (0)
    • Mitsubishi Parts Manual PDF (22)
    • Mitsubishi Service Manual PDF (355)
    • Mitsubishi Wiring Diagrams PDF (22)
    • Mitsubishi Workshop Manual PDF (1)
  • Mlift (0)
    • Mlift Operation Manual PDF (0)
    • Mlift Service Manual PDF (0)
  • Motrec (0)
    • Motrec Operator Manual PDF (0)
  • Movit (0)
    • Movit Parts Manual PDF (0)
  • Nippon Yusoki (0)
    • Nippon Yusoki Parts Manual PDF (0)
    • Nippon Yusoki Workshop Manual PDF (0)
  • Nissan (0)
    • Nissan Other Manual PDF (0)
    • Nissan Service Manual PDF (0)
  • Okamura (0)
    • Okamura Other Manual PDF (0)
    • Okamura Parts Manual PDF (0)
    • Okamura Service Manual PDF (0)
  • Other Manual (140)
    • Caterpillar Other Manual PDF (139)
    • Mitsubishi Other Manual PDF (0)
    • Rocla Other Manual PDF (1)
  • Perkins (5)
    • Perkins Operation Manual PDF (5)
    • Perkins Parts Manual PDF (0)
  • Poclain Hydraulics (0)
    • Poclain Hydraulics Service Manual PDF (0)
  • PSI (0)
    • PSI Operator Manual PDF (0)
    • PSI Parts Manual PDF (0)
    • PSI Service Manual PDF (0)
  • Rocla (2)
    • Rocla Operation Manual PDF (2)
  • Toro (17)
    • Toro (17)
  • Towmotor (44)
    • Towmotor Operation Manual PDF (20)
    • Towmotor Parts Manual PDF (1)
    • Towmotor Service Manual PDF (23)
  • Toyota (0)
    • Toyota Parts Manual PDF (0)
    • Toyota Service Manual PDF (0)
  • VW (0)
    • VW Workshop Manual PDF (0)
  • Weichai (0)
    • Weichai Parts Manual PDF (0)
  • WoodWard (0)
    • WoodWard Service Manual PDF (0)
  • Xinchai (0)
    • Xinchai Operator Manual PDF (0)
    • Xinchai Other Manual PDF (0)
    • Xinchai Parts Manual PDF (0)
    • Xinchai Workshop Manual PDF (0)
  • Yamar (0)
    • Yamar Service Manual PDF (0)
  • Yanmar (0)
    • Yanmar Operator Manual PDF (0)
    • Yanmar Other Manual PDF (0)
    • Yanmar Parts Manual PDF (0)
    • Yanmar Service Manual PDF (0)
  • Yitou (0)
    • Yitou Operator Manual PDF (0)
    • Yitou Other Manual PDF (0)
    • Yitou Parts Manual PDF (0)
  • Yuchai (0)
    • Yuchai Parts Manual PDF (0)
  • Zapi (0)
    • Zapi Operator Manual PDF (0)
  • ZF (0)
    • ZF Other Manual PDF (0)
    • ZF Parts Manual PDF (0)
Recently Viewed Products
  • Hangcha GK21, GK25 Engine Service Manual GCTSM4E-KU00-EXP Hangcha GK21, GK25 Engine Service Manual GCTSM4E-KU00-EXP $30.00
  • Hangcha CPD15-AEY2 to CPD20-AEXD2-I Service Manual Hangcha CPD15-AEY2 to CPD20-AEXD2-I Service Manual $30.00
  • Hangcha CPDS06-XD2 to CPDS10-X-I Service Manual Hangcha CPDS06-XD2 to CPDS10-X-I Service Manual $30.00
  • Model List:

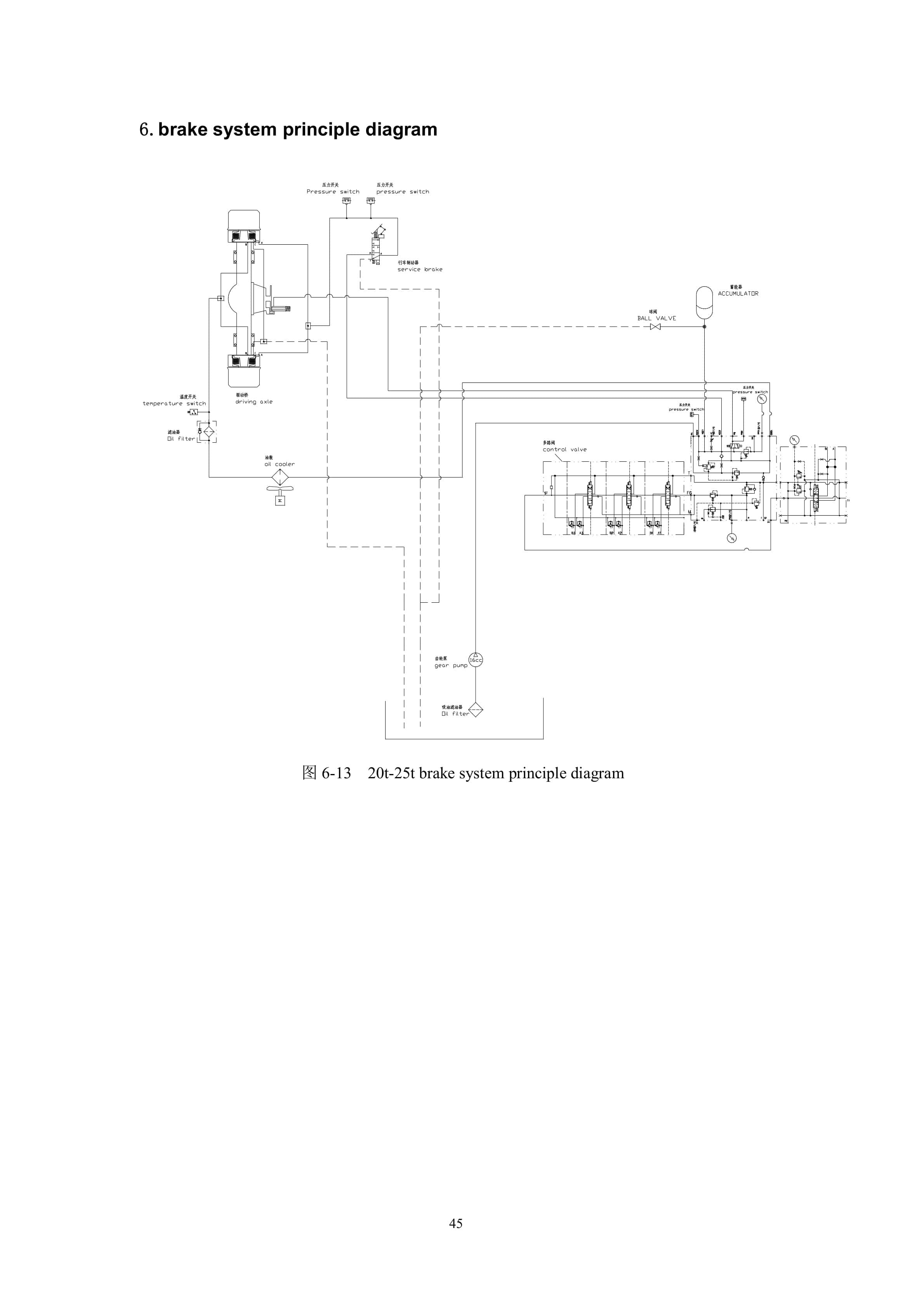
    • CPCD200-W36, CPCD250-W36, CPCD200-W50, CPCD250-W50, CPCD280-W36, CPCD300-W36, CPCD320-W36, CPCD250-G56, CPCD280-W36-T, CPCD320-W50, CPCD350-W36, CPCD200-W83, CPCD250-W83, CPCD280-W83, CPCD300-W83, CPCD320-W83

Hangcha CPCD200-W36 to CPCD320-W83 Service Manual-2
Hangcha CPCD200-W36 to CPCD320-W83 Service Manual-3
Hangcha CPCD200-W36 to CPCD320-W83 Service Manual-4
Hangcha CPCD200-W36 to CPCD320-W83 Service Manual-5

Rate this product
You may also like
Hangcha 5t-10t X series Internal Combustion Counterbalanced Forklift Truck Service Manual

Hangcha Service Manual PDF

Hangcha 5t-10t X series Internal Combustion Counterbalanced Forklift Truck Service Manual

$30.00
Add to cart
Hangcha 1t-3.5t X Series I. C. Counterbalanced Forklift Truck Service Manual

Hangcha Service Manual PDF

Hangcha 1t-3.5t X Series I. C. Counterbalanced Forklift Truck Service Manual

$30.00
Add to cart
Hangcha 5-7t H Series Internal Combustion Forklift Truck Service Manual

Hangcha Service Manual PDF

Hangcha 5-7t H Series Internal Combustion Forklift Truck Service Manual

$30.00
Add to cart
Hangcha 12t-16t A Series Electric Counterbalanced Forklift Service Manual

Hangcha Service Manual PDF

Hangcha 12t-16t A Series Electric Counterbalanced Forklift Service Manual

$30.00
Add to cart
Hangcha CBD20-TSC1 Electric Pallet Truck Service Manual

Hangcha Service Manual PDF

Hangcha CBD20-TSC1 Electric Pallet Truck Service Manual

$30.00
Add to cart
Hangcha CCCD30-G52 to CCCD30-G72B Maintenance Manual

Hangcha Service Manual PDF

Hangcha CCCD30-G52 to CCCD30-G72B Maintenance Manual

$30.00
Add to cart
Hangcha CPCD140-W2 to CPCD180-AW49 Service Manual

Hangcha Service Manual PDF

Hangcha CPCD140-W2 to CPCD180-AW49 Service Manual

$30.00
Add to cart
Hangcha CPCD140-XRAW85G to CPCD180-XRH9G Service Manual

Hangcha Service Manual PDF

Hangcha CPCD140-XRAW85G to CPCD180-XRH9G Service Manual

$30.00
Add to cart
Hangcha 1230-2402 2T Forklift Service Manual

Hangcha Service Manual PDF

Hangcha 1230-2402 2T Forklift Service Manual

$30.00
Add to cart
Hangcha 1.0t-3.5t Transmission Service Manual

Hangcha Service Manual PDF

Hangcha 1.0t-3.5t Transmission Service Manual

$30.00
Add to cart
    Links of interest
    • About us
    • Refund and Returns Policy
    • Terms & Conditions
    • Shipping Policy
    • Privacy Policy
    • Contact Us
    Product tags
    Agricultural Automotive Heavy Construction
© All rights reserved. 2023
PayPal
Visa
BitCoin
MasterCard
Western Union
Visa
PayPal
MasterCard
Copyright 2026 © ownersmanualpdf.net
  • Category
  • Menu
  • About us
  • Shop
  • News
  • Contact Us
  • Aisle-Master
    • Aisle-Master Operator Manual PDF
    • Aisle-Master Parts Manual PDF
    • Aisle-Master Service Manual PDF
  • BT
    • BT Operator Manual PDF
    • BT Parts Manual PDF
    • BT Service Manual PDF
    • BT Wiring Diagrams PDF
  • Caterpillar
    • Caterpillar Operation Manual PDF
    • Caterpillar Parts Manual PDF
    • Caterpillar Service Manual PDF
    • Caterpillar Wiring Diagrams PDF
  • Mitsubishi
    • Mitsubishi Operation Manual PDF
    • Mitsubishi Operator Manual PDF
    • Mitsubishi Parts Manual PDF
    • Mitsubishi Service Manual PDF
    • Mitsubishi Wiring Diagrams PDF
    • Mitsubishi Workshop Manual PDF
  • Cesab
    • Cesab Operator Manual PDF
    • Cesab Parts Manual PDF
    • Cesab Service Manual PDF
  • Combilift
    • Combilift Operator Manual PDF
    • Combilift Parts Manual PDF
    • Combilift Service Manual PDF
    • Combilift Wiring Diagrams PDF
  • Deutz
    • Deutz Operator Manual PDF
    • Deutz Parts Manual PDF
  • Doosan
    • Doosan Operator Manual PDF
    • Doosan Other Manual PDF
    • Doosan Parts Manual PDF
    • Doosan Service Manual PDF
    • Doosan Wiring Diagrams PDF
  • EP Forklift
    • EP Forklift Operator Manual PDF
    • EP Forklift Parts Manual PDF
    • EP Forklift Service Manual PDF
  • Hangcha
    • Hangcha Operator Manual PDF
    • Hangcha Other Manual PDF
    • Hangcha Parts Manual PDF
    • Hangcha Service Manual PDF
  • IMPCO
    • IMPCO Operator Manual PDF
    • IMPCO Parts Manual PDF
    • IMPCO Service Manual PDF
  • Jiachen
    • Jiachen Operator Manual PDF
    • Jiachen Other Manual PDF
  • JLG
    • JLG Operator Manual PDF
    • JLG Parts Manual PDF
    • JLG Service Manual PDF
  • Kubota
    • Kubota Operator Manual PDF
    • Kubota Parts Manual PDF
    • Kubota Workshop Manual PDF
  • Mlift
    • Mlift Operation Manual PDF
    • Mlift Service Manual PDF
  • Nissan
    • Nissan Other Manual PDF
    • Nissan Service Manual PDF
  • Okamura
    • Okamura Other Manual PDF
    • Okamura Parts Manual PDF
    • Okamura Service Manual PDF
  • Perkins
    • Perkins Operation Manual PDF
    • Perkins Parts Manual PDF
  • PSI
    • PSI Operator Manual PDF
    • PSI Parts Manual PDF
    • PSI Service Manual PDF
  • Towmotor
    • Towmotor Operation Manual PDF
    • Towmotor Parts Manual PDF
    • Towmotor Service Manual PDF
  • Toyota
    • Toyota Parts Manual PDF
    • Toyota Service Manual PDF
  • Xinchai
    • Xinchai Operator Manual PDF
    • Xinchai Parts Manual PDF
    • Xinchai Workshop Manual PDF
    • Xinchai Other Manual PDF
  • Yanmar
    • Yanmar Operator Manual PDF
    • Yanmar Parts Manual PDF
    • Yanmar Service Manual PDF
    • Yanmar Other Manual PDF
  • Yitou
    • Yitou Operator Manual PDF
    • Yitou Other Manual PDF
    • Yitou Parts Manual PDF