Mitsubishi FB16CPN to FB20PN Chassis and Mast Service Manual 99759-5M120
$50.00
- Type Of Manual: Service Manual
- Manual ID: 99759-5M120
- Number of Pages: 330
- Size: 25.4MB
- Format: PDF
Category: Mitsubishi Service Manual PDF
-
Model List:
- FB16CPN, FB18CPN, FB16PN, FB18PN, FB20PN
- 1. Pages from 99759-5M120-01 – Chassis Mast Foreword
- 2. Pages from 99759-5M120-02 – Chassis Mast General information
- 3. Pages from 99759-5M120-03 – Chassis Mast Electrical components
- 4. Pages from 99759-5M120-04 – Chassis Mast Power train
- 5. Pages from 99759-5M120-05 – Chassis Mast Transfer units
- 6. Pages from 99759-5M120-06 – Chassis Mast Rear axle
- 7. Pages from 99759-5M120-07 – Chassis Mast Brake system
- 8. Pages from 99759-5M120-08 – Chassis Mast Steering system
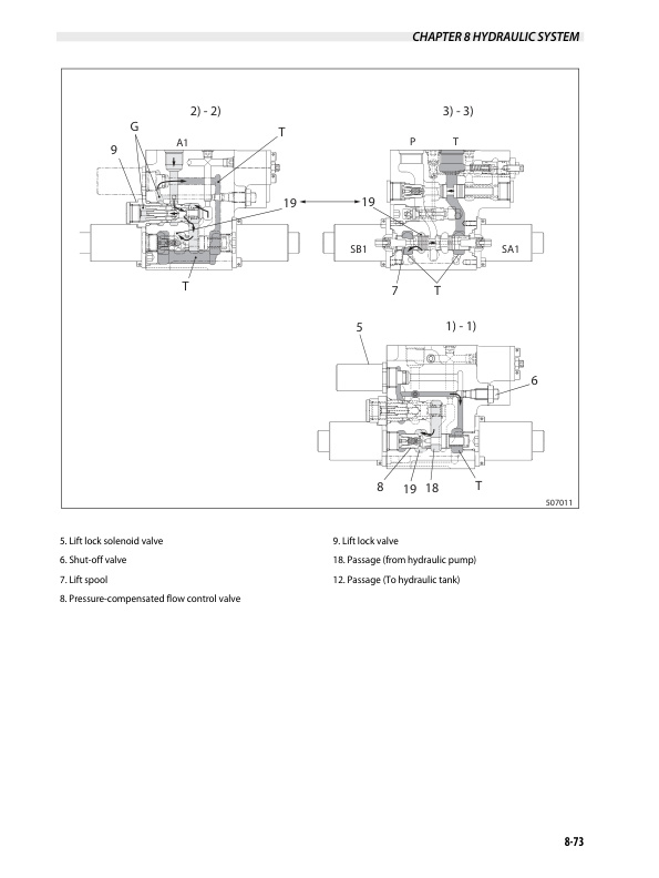
- 9. Pages from 99759-5M120-09 – Chassis Mast Hydraulic system
- 10. Pages from 99759-5M120-10 – Chassis Mast Mast and forks
- 11. Pages from 99759-5M120-11 – Chassis Mast Service data
- 12. Pages from 99759-5M120-12 – Chassis Mast Panel cabin
Rate this product
You may also like
Mitsubishi Service Manual PDF
Mitsubishi 4G63, 4G64, 6G72 Liquefied Petroleum Gas Supplement Service Manual 99729-75100
$50.00
Mitsubishi Service Manual PDF
Mitsubishi 5M15D, 5M20D, 5M25D, 5M30D, 5M35D Mast Supplement Service Manual 99739-151T0
$50.00
Mitsubishi Service Manual PDF
Mitsubishi 4G63, 4G64 Fuel System Supplement Service Manual 99729-75110
$50.00
Mitsubishi Service Manual PDF
Mitsubishi 1204E Diesel Engine Operation and Maintenance Manual Service Manual 99799-56105
$50.00
Mitsubishi Service Manual PDF
$50.00
Mitsubishi Service Manual PDF
Mitsubishi 1204E Diesel Engine Troubleshooting Service Manual 99799-56104
$50.00








