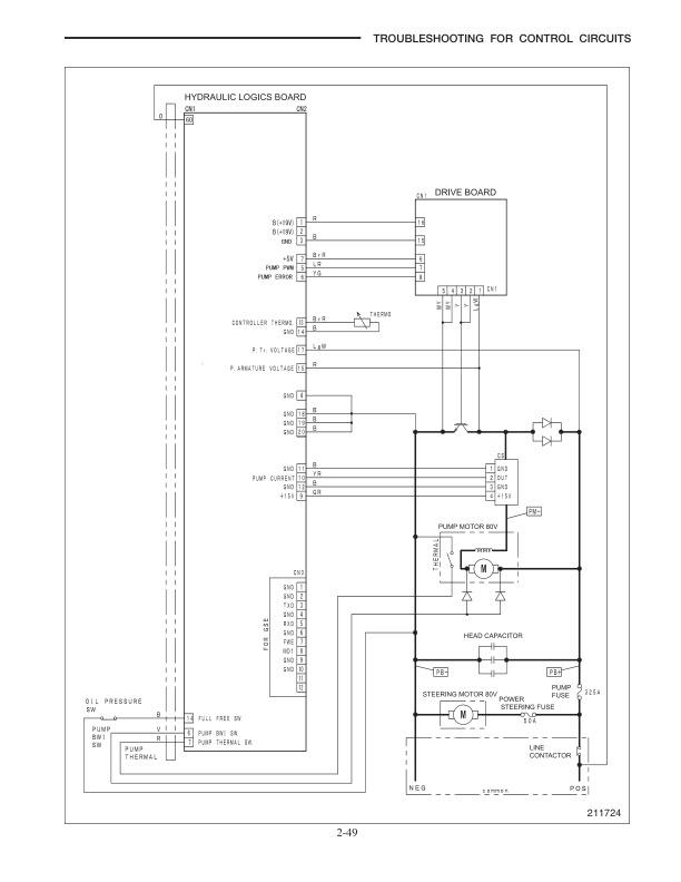
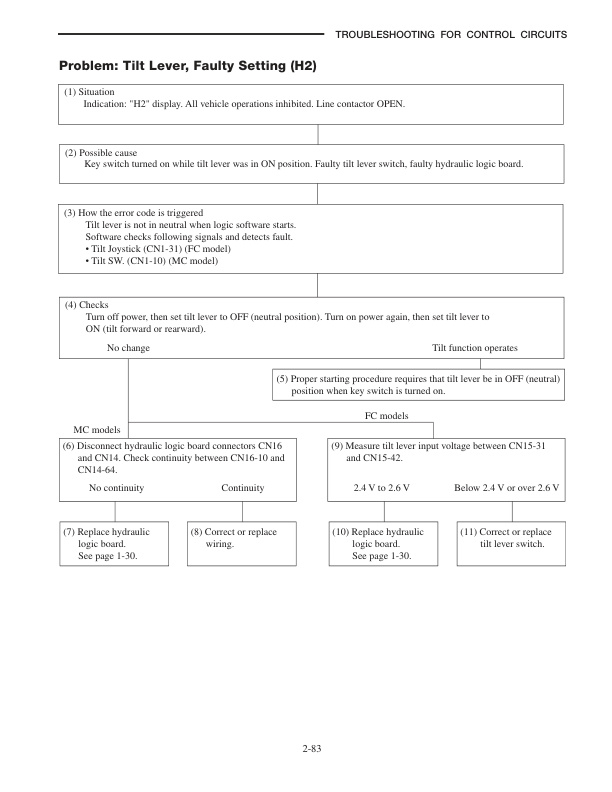
Mitsubishi FB20K to FB35K Controller Service Manual 99759-5E100
$50.00
- Type Of Manual: Service Manual
- Manual ID: 99759-5E100
- Number of Pages: 208
- Size: 7.2MB
- Format: PDF
Category: Mitsubishi Service Manual PDF
-
Model List:
- FB20K, FB25K, FB30K, FB35K




Rate this product
You may also like
Mitsubishi Service Manual PDF
$50.00
Mitsubishi Service Manual PDF
Mitsubishi 5V15D, 5V20D, 5V25D, 5V30D, 5V35D Mast Supplement Service Manual 99739-151S0
$50.00
Mitsubishi Service Manual PDF
Mitsubishi 4G63, 4G64, 6G72 Liquefied Petroleum Gas Supplement Service Manual 99729-75100
$50.00
Mitsubishi Service Manual PDF
$50.00
Mitsubishi Service Manual PDF
$50.00
Mitsubishi Service Manual PDF
Mitsubishi GM 4.3L (G6) Fuel System Supplement Service Manual 99789-74111
$50.00




