Mitsubishi S4S-E35AFL(F) Diesel Engine Service Manual SMEEG-CF14J-230
$50.00
- Type Of Manual: Service Manual
- Manual ID: SMEEG-CF14J-230
- Number of Pages: 222
- Size: 9.3MB
- Format: PDF
-
Model List:
- S4S-E35AFL(F) Diesel Engine
- 1. BINDING
- 2. INTRODUCTION
- 2.1. How to use this manual
- 2.1.1. Methods of presentation
- 2.1.2. Terms used in this manual
- 2.1.3. Abbreviations
- 2.1.4. Units of measurement
- 2.2. Safety Cautions
- 2.2.1. Fire and explosion
- 2.2.2. Stay clear of all rotating and moving parts
- 2.2.3. Be careful of burns
- 2.2.4. Be careful of exhaust fume poisoning
- 2.2.5. Protect ears from noises
- 2.2.6. Be careful of falling down
- 2.2.7. Be careful of handling fuel, engine oil and LLC
- 2.2.8. Service battery
- 2.2.9. When abnormality occurs
- 2.2.10. Other cautions
- 2.2.11. About warning labels
- 3. GENERAL CONTENTS
- 4. GENERAL
- 4.1. External view (in-line fuel injection pump and distributor-type fuel injection pump)
- 4.1.1. S4S in-line fuel injection pump specification
- 4.1.2. S4S-DT in-line fuel injection pump specification
- 4.1.3. S4S distributor-type fuel injection pump specification
- 4.1.4. S4S-DT distributor-type fuel injection pump specification
- 4.2. System flow diagrams
- 4.2.1. Fuel system – flow diagram
- 4.2.2. Lubrication system – flow diagram
- 4.2.3. Cooling system – flow diagram
- 4.2.4. Inlet and exhaust system – flow diagram
- 4.3. Engine serial number location
- 4.4. Main specifications
- 4.4.1. S4S in-line fuel injection pump specification (varies depending on the specification)
- 4.4.2. S4S distributor-type fuel injection pump specification (varies depending on the specification)
- 4.5. Tips on disassembling and reassembling
- 4.5.1. Disassembling
- 4.5.2. Reassembling
- 5. SERVICE DATA
- 5.1. Maintenance service data
- 5.1.1. General
- 5.1.2. Basic engine
- 5.1.3. Fuel system
- 5.1.4. Lubrication system
- 5.1.5. Cooling system
- 5.1.6. Inlet and exhaust system
- 5.1.7. Electrical system
- 5.2. Tightening torque table
- 5.2.1. Major bolt tightening torque
- 5.2.2. Standard bolt and nut tightening torque
- 5.2.3. Standard stud tightening torque
- 6. SERVICE TOOLS
- 6.1. Special tool
- 7. DETERMINATION OF OVERHAUL
- 7.1. Determining overhaul timing
- 7.2. Testing compression pressure
- 8. DISASSEMBLY OF BASIC ENGINE
- 8.1. Disassembling and inspecting cylinder head and valve mechanism
- 8.1.1. Removing rocker shaft assembly
- 8.1.2. Disassembling rocker shaft assembly
- 8.1.3. Removing cylinder head bolt
- 8.1.4. Removing cylinder head assembly
- 8.1.5. Removing valve and valve spring
- 8.1.6. Removing valve stem seal
- 8.2. Disassembling and inspecting flywheel
- 8.2.1. Removing flywheel
- 8.2.2. Removing flywheel housing
- 8.3. Disassembling and inspecting gear case, timing gear and camshaft
- 8.3.1. Removing crankshaft pulley
- 8.3.2. Removing cover
- 8.3.3. Removing timing gear case
- 8.3.4. Measuring timing gear backlash
- 8.3.5. Measuring idler gear and camshaft gear end play
- 8.3.6. Removing fuel injection pump
- 8.3.7. Removing oil pan
- 8.3.8. Removing oil strainer
- 8.3.9. Removing oil pump gear
- 8.3.10. Removing idler gear
- 8.3.11. Removing camshaft
- 8.3.12. Separating camshaft gear
- 8.3.13. Installing camshaft gear and thrust plate
- 8.3.14. Removing front plate
- 8.3.15. Removing oil pump
- 8.4. Disassembling and inspecting piston, connecting rod, crankshaft and crankcase
- 8.4.1. Removing connecting rod cap
- 8.4.2. Removing carbon deposits from the upper part of cylinder
- 8.4.3. Pulling out piston
- 8.4.4. Removing piston ring
- 8.4.5. Removing piston pin and piston
- 8.4.6. Removing main bearing cap
- 8.4.7. Removing crankshaft
- 8.4.8. Removing tappet
- 9. INSPECTION AND REPAIR OF BASIC ENGINE
- 9.1. Inspecting and repairing cylinder head and valve mechanism
- 9.1.1. Measuring clearance between rocker bushing and rocker shaft
- 9.1.2. Measuring valve stem outside diameter and valve guide inside diameter
- 9.1.3. Replacing valve guide
- 9.1.4. Inspecting valve face
- 9.1.5. Refacing valve face
- 9.1.6. Refacing valve seat
- 9.1.7. Replacing valve seat
- 9.1.8. Lapping valve and valve seat
- 9.1.9. Measuring perpendicularity and free length of valve spring
- 9.1.10. Measuring distortion of the bottom surface of the cylinder head
- 9.1.11. Measuring pushrod runout
- 9.1.12. Removing combustion jet
- 9.2. Inspecting and repairing flywheel
- 9.2.1. Measuring flatness of flywheel
- 9.2.2. Measuring flywheel face and radial runouts
- 9.2.3. Inspecting ring gear
- 9.2.4. Replacing ring gear
- 9.3. Inspecting and repairing timing gear and camshaft
- 9.3.1. Measuring timing gear backlash
- 9.3.2. Measuring idler gear and camshaft gear end play
- 9.3.3. Measuring cam lift
- 9.3.4. Measuring camshaft runout
- 9.3.5. Measuring camshaft journal outside diameter
- 9.3.6. Measuring camshaft hole (bushing) inside diameter
- 9.3.7. Replacing camshaft bushing
- 9.3.8. Measuring idler bushing inside diameter and idler shaft outside diameter
- 9.3.9. Replacing idler shaft
- 9.3.10. Measuring clearance between tappet and tappet guide hole
- 9.3.11. Inspecting tappet
- 9.3.12. Inspecting V-belt groove wear
- 9.4. Inspecting and repairing piston, connecting rod, crankshaft and crankcase
- 9.4.1. Measuring crankcase top surface distortion
- 9.4.2. Measuring cylinder inside diameter
- 9.4.3. Measuring piston outside diameter
- 9.4.4. Measuring piston ring end gap
- 9.4.5. Measuring clearance between piston ring groove and piston ring
- 9.4.6. Measuring piston pin bore diameter and piston pin outside diameter
- 9.4.7. Measuring piston protrusion
- 9.4.8. Measuring clearance between connecting rod bearing and crankpin
- 9.4.9. Measuring clearance between connecting rod bushing and piston pin
- 9.4.10. Replacing connecting rod bushing
- 9.4.11. Inspecting connecting rod bend and twist
- 9.4.12. Inspecting connecting rod bearing
- 9.4.13. Measuring connecting rod end play
- 9.4.14. Weight difference of connecting rod assembly in one engine
- 9.4.15. Measuring crankshaft journal outside diameter
- 9.4.16. Measuring crankshaft crankpin outside diameter
- 9.4.17. Grinding crankshaft
- 9.4.18. Measuring crankshaft end play
- 9.4.19. Measuring crankshaft runout
- 9.4.20. Replacing crankshaft gear
- 9.4.21. Inspecting oil seal contact surface
- 9.4.22. Installing oil seal sleeve
- 9.4.23. Removing oil seal sleeve
- 9.4.24. Inspecting main bearing surface
- 9.4.25. Measuring clearance between main bearing and crankshaft journal
- 10. REASSEMBLY OF BASIC ENGINE
- 10.1. Reassembling piston, connecting rod, crankshaft and crankcase
- 10.1.1. Installing main bearing
- 10.1.2. Installing thrust plate
- 10.1.3. Installing tappet
- 10.1.4. Installing crankshaft
- 10.1.5. Installing main bearing caps
- 10.1.6. Inserting side seal
- 10.1.7. Installing main bearing cap bolt
- 10.1.8. Measuring crankshaft end play
- 10.1.9. Reassembling piston and connecting rod
- 10.1.10. Installing piston ring
- 10.1.11. Preparation for installing pistons
- 10.1.12. Installing connecting rod bolt and connecting rod bearing
- 10.1.13. Installing pistons
- 10.1.14. Installing connecting rod cap
- 10.2. Reassembling timing gear and camshaft
- 10.2.1. Installing oil pump
- 10.2.2. Installing front plate
- 10.2.3. Installing camshaft gear and thrust plate
- 10.2.4. Installing camshaft
- 10.2.5. Installing idler gear
- 10.2.6. Installing oil pump gear
- 10.2.7. Installing fuel injection pump
- 10.2.8. Inspecting and adjusting timing gear after installation
- 10.2.9. Installing front oil seal
- 10.2.10. Installing timing gear case
- 10.2.11. Installing oil strainer
- 10.2.12. Installing oil pan
- 10.2.13. Installing cover
- 10.2.14. Installing crankshaft pulley
- 10.3. Reassembling flywheel
- 10.3.1. Installing oil seal
- 10.3.2. Installing flywheel housing
- 10.3.3. Installing flywheel
- 10.4. Reassembling cylinder head and valve mechanism
- 10.4.1. Cleaning cylinder head bottom surface
- 10.4.2. Installing valve stem seal
- 10.4.3. Installing valve and valve spring
- 10.4.4. Installing cylinder head gasket
- 10.4.5. Installing cylinder head assembly
- 10.4.6. Tightening cylinder head bolts
- 10.4.7. Inserting pushrod
- 10.4.8. Reassembling rocker shaft assembly
- 10.4.9. Installing rocker shaft assembly
- 10.4.10. Determining top dead center of No.1 cylinder compression stroke
- 10.4.11. Adjusting valve clearance
- 10.4.12. Installing rocker cover
- 11. FUEL SYSTEM
- 11.1. Removing fuel system
- 11.1.1. Removing fuel filter and fuel pipe
- 11.1.2. Removing fuel injection pipe, fuel leak-off pipe and fuel injection nozzle
- 11.1.3. Removing fuel injection pump
- 11.2. Disassembling, inspecting and reassembling fuel system
- 11.2.1. Disassembling and inspecting fuel filter (in-line type fuel injection pump)
- 11.2.2. Disassembling and inspecting fuel filter
- 11.2.3. Changing fuel filter
- 11.2.4. Disassembling and inspecting fuel injection nozzle (swirl chamber type)
- 11.2.5. Disassembling and inspecting fuel injection nozzle (direct injection type)
- 11.2.6. Inspecting and adjusting fuel injection valve opening pressure
- 11.2.7. Inspecting fuel spray pattern of fuel injection nozzle
- 11.2.8. Cleaning and inspecting nozzle tip
- 11.2.9. Reassembling fuel injection nozzle (swirl chamber type)
- 11.2.10. Reassembling fuel injection nozzle (direct injection type)
- 11.2.11. Inspecting and cleaning gauze filter of distribute type fuel injection pump (Bosch)
- 11.3. Installing fuel system
- 11.3.1. Installing fuel injection pump
- 11.3.2. Checking fuel injection timing (in-line fuel injection pump type)
- 11.3.3. Inspecting fuel injection timing (distributor-type fuel injection pump)
- 11.3.4. Installing fuel injection pipe, fuel leak-off pipe and fuel injection nozzle
- 11.3.5. Installing fuel filter and fuel pipe
- 12. LUBRICATION SYSTEM
- 12.1. Removing lubrication system
- 12.1.1. Removing oil filter and relief valve
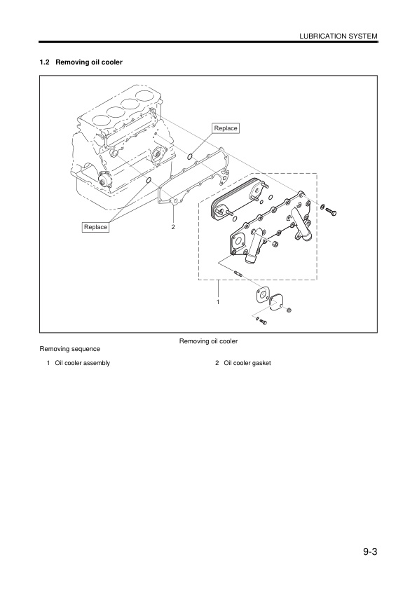
- 12.1.2. Removing oil cooler
- 12.1.3. Removing oil pump, oil pan and oil strainer
- 12.2. Disassembling, inspecting and reassembling lubrication system
- 12.2.1. Disassembling and inspecting oil pump
- 12.2.2. Inspecting oil pump
- 12.2.3. Reassembling oil pump
- 12.2.4. Disassembling and inspecting oil cooler
- 12.2.5. Inspecting oil filter
- 12.2.6. Inspecting relief valve
- 12.2.7. Inspecting safety valve (for the engine with oil cooler)
- 12.3. Installing lubrication system
- 12.3.1. Installing oil pump, oil pan and oil strainer
- 12.3.2. Installing oil cooler
- 12.3.3. Installing oil filter and relief valve
- 13. COOLING SYSTEM
- 13.1. Removing cooling system
- 13.1.1. Removing cooling fan, fan pulley and V-belt
- 13.1.2. Removing thermostat
- 13.1.3. Removing water pump
- 13.2. Disassembling, inspecting and reassembling cooling system
- 13.2.1. Disassembling and inspecting thermostat
- 13.2.2. Inspecting thermostat
- 13.2.3. Disassembling water pump
- 13.2.4. Inspecting water pump
- 13.3. Installing cooling system
- 13.3.1. Installing water pump
- 13.3.2. Installing thermostat
- 13.3.3. Installing cooling fan, fan pulley and V-belt
- 14. INLET AND EXHAUST SYSTEMS
- 14.1. Removing turbocharger, inlet and exhaust systems
- 14.1.1. Removing turbocharger
- 14.1.2. Removing inlet manifold
- 14.1.3. Removing exhaust manifold
- 14.2. Disassembling, inspecting and reassembling inlet and exhaust systems
- 14.2.1. Measuring exhaust manifold distortion
- 14.3. Installing turbocharger, inlet and exhaust systems
- 14.3.1. Installing exhaust manifold
- 14.3.2. Installing inlet manifold
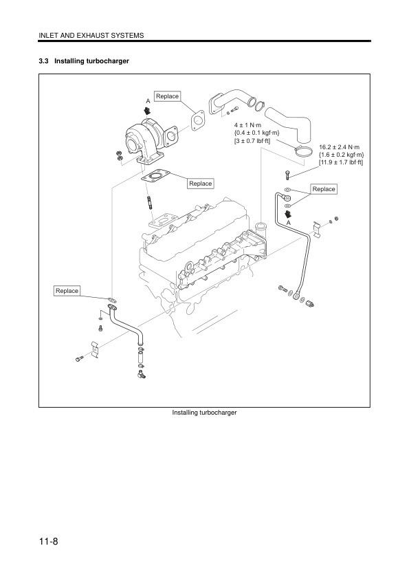
- 14.3.3. Installing turbocharger
- 15. ELECTRICAL SYSTEM
- 15.1. Removing electrical system
- 15.1.1. Removing starter
- 15.1.2. Inspection before removing alternator
- 15.1.3. Removing alternator (12V-50A)
- 15.1.4. Removing alternator (12V-75A, option)
- 15.1.5. Removing glow plug
- 15.2. Disassembling, inspecting and reassembling electrical system
- 15.2.1. Inspection before disassembling starter
- 15.2.2. Disassembling and inspecting starter
- 15.2.3. Inspecting and repairing starter
- 15.2.4. Reassembling starter
- 15.2.5. Disassembling and inspecting alternator
- 15.2.6. Inspecting and repairing alternator
- 15.2.7. Reassembling alternator
- 15.2.8. Heating test of glow plug
- 15.2.9. Inspecting air heater
- 15.2.10. Inspecting magnetic valve (stop solenoid, distributor-type)
- 15.2.11. Installing magnetic valve (stop solenoid)
- 15.2.12. Installing stop solenoid (RUN-ON type, for in-line pump type)
- 15.3. Installing electrical system
- 15.3.1. Installing glow plug
- 15.3.2. Installing alternator (12V-50A)
- 15.3.3. Installing alternator (12V-75A, option)
- 15.3.4. Installing starter
- 16. ADJUSTMENT AND OPERATION
- 16.1. Adjusting engine
- 16.1.1. Inspecting and adjusting valve clearance
- 16.1.2. Draining fuel system
- 16.1.3. Bleeding fuel system
- 16.1.4. Inspecting V-belt and adjusting V-belt tension
- 16.1.5. Inspecting V-belt
- 16.1.6. Adjusting V-belt tension
- 16.2. Break-in operation
- 16.2.1. Starting up
- 16.2.2. Inspecting engine condition after starting up
- 16.2.3. Break-in operation time
- 16.2.4. Inspection and adjustment after break-in operation
- 16.3. Performance test (JIS standard)
Mitsubishi Service Manual PDF
Mitsubishi Service Manual PDF
Mitsubishi 4G63, 4G64 Gasoline Engine Service Manual 99729-74120
Mitsubishi Service Manual PDF
Mitsubishi 1204E Diesel Engine Systems Operation Testing and Adjusting Service Manual 99799-56103
Mitsubishi Service Manual PDF
Mitsubishi 4G63, 4G64 Fuel System Supplement Service Manual 99729-75110
Mitsubishi Service Manual PDF
Mitsubishi Service Manual PDF
Mitsubishi 1204E Diesel Engine Operation and Maintenance Manual Service Manual 99799-56105
Mitsubishi Service Manual PDF
Mitsubishi GM 4.3L (G6) Fuel System Supplement Service Manual 99789-74111
Mitsubishi Service Manual PDF
Mitsubishi 5V15D, 5V20D, 5V25D, 5V30D, 5V35D Mast Supplement Service Manual 99739-151S0

Mitsubishi S4Q2 Diesel Engine Service Manual 99719-77110 



