Skip to content
Owners Manual PDFOwners Manual PDF
  • Login
  • $0.00
    • No products in the cart.

      Return to shop

  • Cart

    No products in the cart.

    Return to shop

  • Category
  • Menu
  • About us
  • Shop
  • News
  • Contact Us
  • Aisle-Master
    • Aisle-Master Operator Manual PDF
    • Aisle-Master Parts Manual PDF
    • Aisle-Master Service Manual PDF
  • BT
    • BT Operator Manual PDF
    • BT Parts Manual PDF
    • BT Service Manual PDF
    • BT Wiring Diagrams PDF
  • Caterpillar
    • Caterpillar Operation Manual PDF
    • Caterpillar Parts Manual PDF
    • Caterpillar Service Manual PDF
    • Caterpillar Wiring Diagrams PDF
  • Mitsubishi
    • Mitsubishi Operation Manual PDF
    • Mitsubishi Operator Manual PDF
    • Mitsubishi Other Manual PDF
    • Mitsubishi Parts Manual PDF
    • Mitsubishi Service Manual PDF
    • Mitsubishi Wiring Diagrams PDF
    • Mitsubishi Workshop Manual PDF
  • Cesab
    • Cesab Operator Manual PDF
    • Cesab Parts Manual PDF
    • Cesab Service Manual PDF
  • Combilift
    • Combilift Operator Manual PDF
    • Combilift Parts Manual PDF
    • Combilift Service Manual PDF
    • Combilift Wiring Diagrams PDF
  • Deutz
    • Deutz Operator Manual PDF
    • Deutz Parts Manual PDF
  • Doosan
    • Doosan Operator Manual PDF
    • Doosan Other Manual PDF
    • Doosan Parts Manual PDF
    • Doosan Service Manual PDF
    • Doosan Wiring Diagrams PDF
  • EP Forklift
    • EP Forklift Operator Manual PDF
    • EP Forklift Parts Manual PDF
    • EP Forklift Service Manual PDF
  • Hangcha
    • Hangcha Operator Manual PDF
    • Hangcha Other Manual PDF
    • Hangcha Parts Manual PDF
    • Hangcha Service Manual PDF
  • IMPCO
    • IMPCO Operator Manual PDF
    • IMPCO Parts Manual PDF
    • IMPCO Service Manual PDF
  • Jiachen
    • Jiachen Operator Manual PDF
    • Jiachen Other Manual PDF
  • JLG
    • JLG Operator Manual PDF
    • JLG Parts Manual PDF
    • JLG Service Manual PDF
  • Kubota
    • Kubota Operator Manual PDF
    • Kubota Parts Manual PDF
    • Kubota Workshop Manual PDF
  • Mlift
    • Mlift Operation Manual PDF
    • Mlift Service Manual PDF
  • Nissan
    • Nissan Other Manual PDF
    • Nissan Service Manual PDF
  • Okamura
    • Okamura Other Manual PDF
    • Okamura Parts Manual PDF
    • Okamura Service Manual PDF
  • Perkins
    • Perkins Operation Manual PDF
    • Perkins Parts Manual PDF
  • PSI
    • PSI Operator Manual PDF
    • PSI Parts Manual PDF
    • PSI Service Manual PDF
  • Towmotor
    • Towmotor Operation Manual PDF
    • Towmotor Parts Manual PDF
    • Towmotor Service Manual PDF
  • Toyota
    • Toyota Parts Manual PDF
    • Toyota Service Manual PDF
  • Xinchai
    • Xinchai Operator Manual PDF
    • Xinchai Parts Manual PDF
    • Xinchai Workshop Manual PDF
    • Xinchai Other Manual PDF
  • Yanmar
    • Yanmar Operator Manual PDF
    • Yanmar Parts Manual PDF
    • Yanmar Service Manual PDF
    • Yanmar Other Manual PDF
  • Yitou
    • Yitou Operator Manual PDF
    • Yitou Other Manual PDF
    • Yitou Parts Manual PDF
Support
Email
admin@ownersmanualpdf.net
Follow us
Home / Caterpillar / Caterpillar Part Manual PDF / Page 37

Caterpillar Part Manual PDF

Sort by:
  • Popular
  • Cheap
  • Expensive
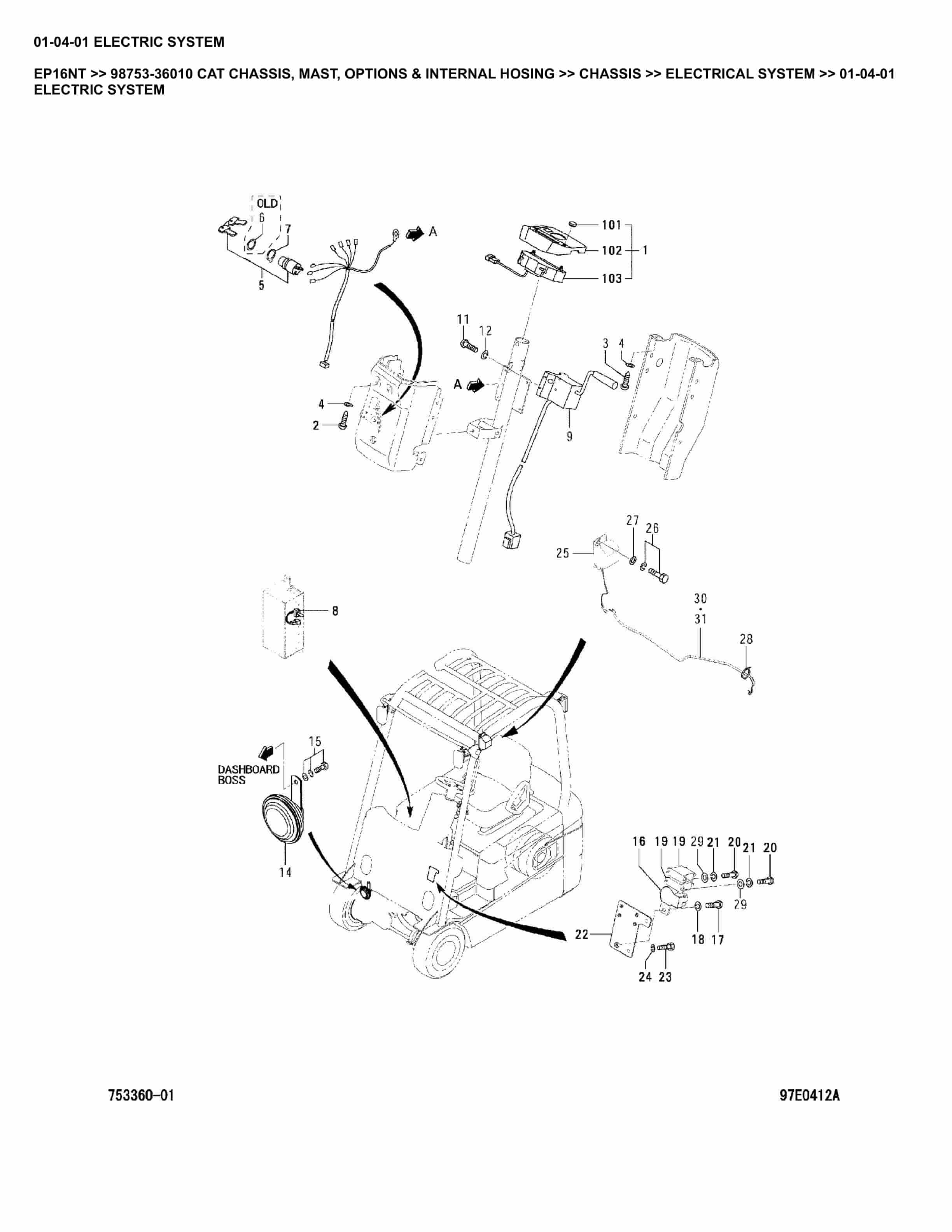
Caterpillar EP16NT Parts Manual 98753-36010Alternative view of Caterpillar EP16NT Parts Manual 98753-36010

Caterpillar Part Manual PDF

Caterpillar EP16NT Parts Manual 98753-36010

$50.00
Add to cart
Caterpillar EP16PN Parts Manual 98753-00200Alternative view of Caterpillar EP16PN Parts Manual 98753-00200

Caterpillar Part Manual PDF

Caterpillar EP16PN Parts Manual 98753-00200

$50.00
Add to cart
Caterpillar EP16PN Parts Manual PCOEE-ETB21-190Alternative view of Caterpillar EP16PN Parts Manual PCOEE-ETB21-190

Caterpillar Part Manual PDF

Caterpillar EP16PN Parts Manual PCOEE-ETB21-190

$50.00
Add to cart
Caterpillar EP16PNT Parts Manual 98753-00100Alternative view of Caterpillar EP16PNT Parts Manual 98753-00100

Caterpillar Part Manual PDF

Caterpillar EP16PNT Parts Manual 98753-00100

$50.00
Add to cart
Caterpillar EP16PNT Parts Manual PCOEE-ETB21-190Alternative view of Caterpillar EP16PNT Parts Manual PCOEE-ETB21-190

Caterpillar Part Manual PDF

Caterpillar EP16PNT Parts Manual PCOEE-ETB21-190

$50.00
Add to cart
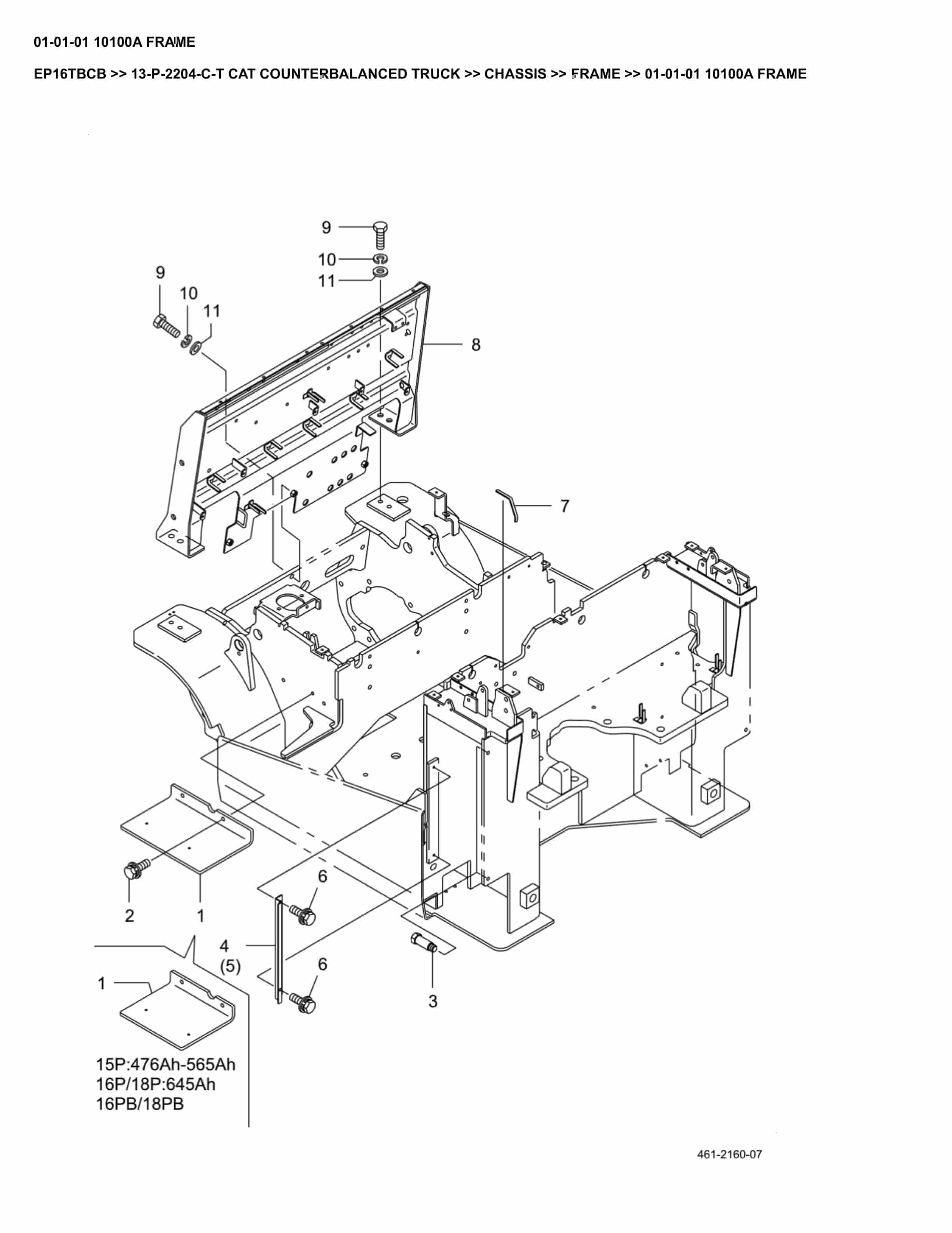
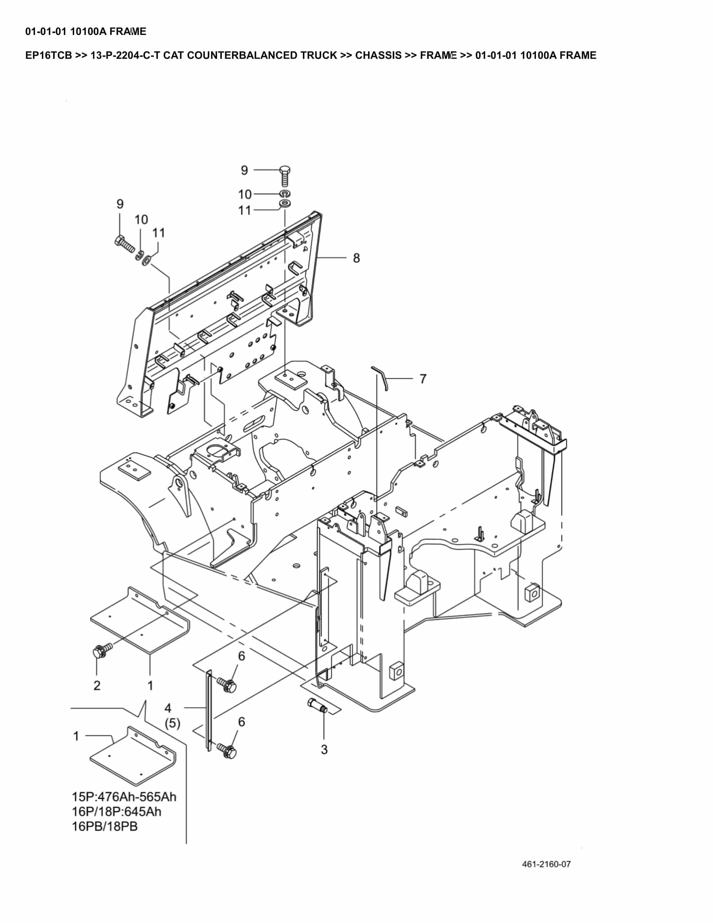
Caterpillar EP16TBCB Parts Manual 13-P-2204-C-TAlternative view of Caterpillar EP16TBCB Parts Manual 13-P-2204-C-T

Caterpillar Part Manual PDF

Caterpillar EP16TBCB Parts Manual 13-P-2204-C-T

$50.00
Add to cart
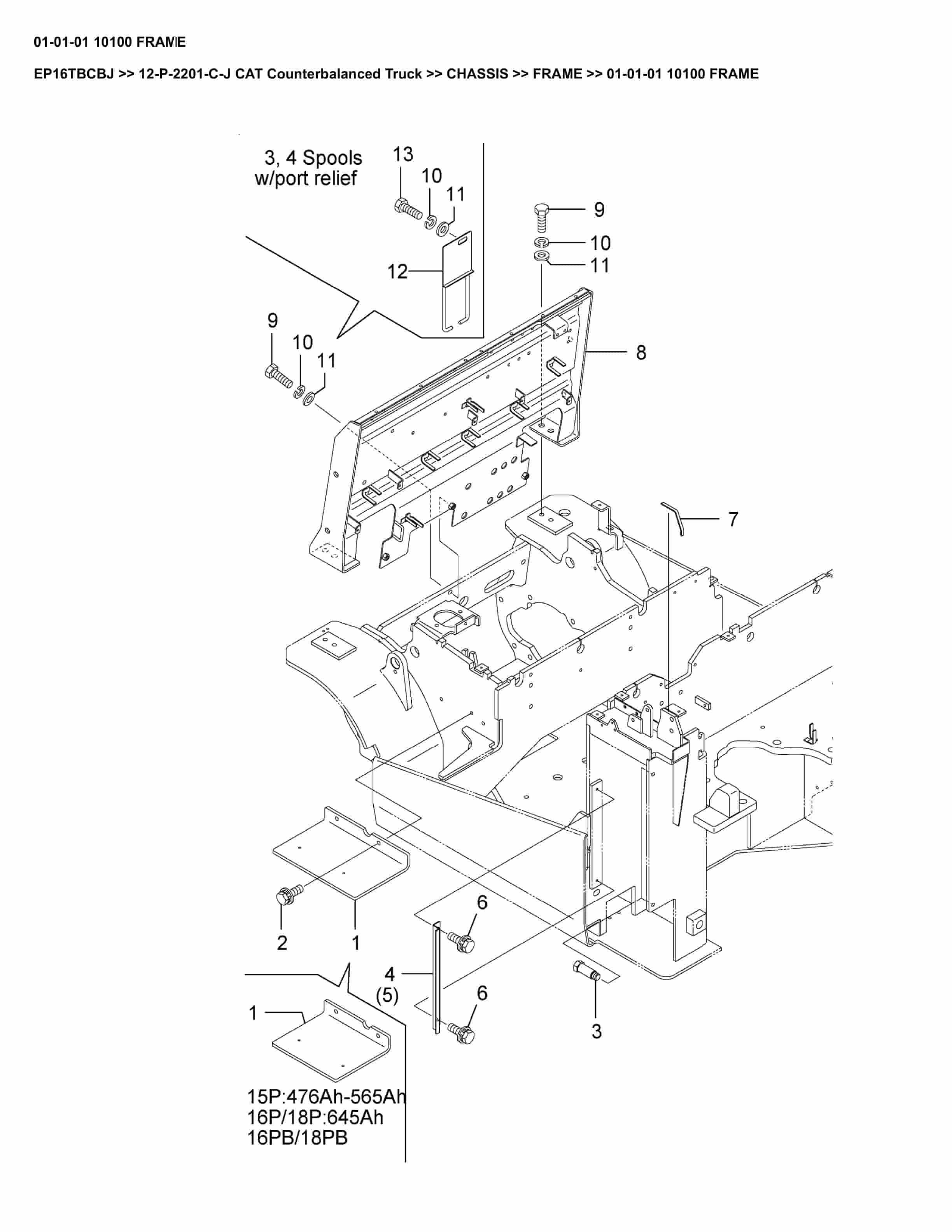
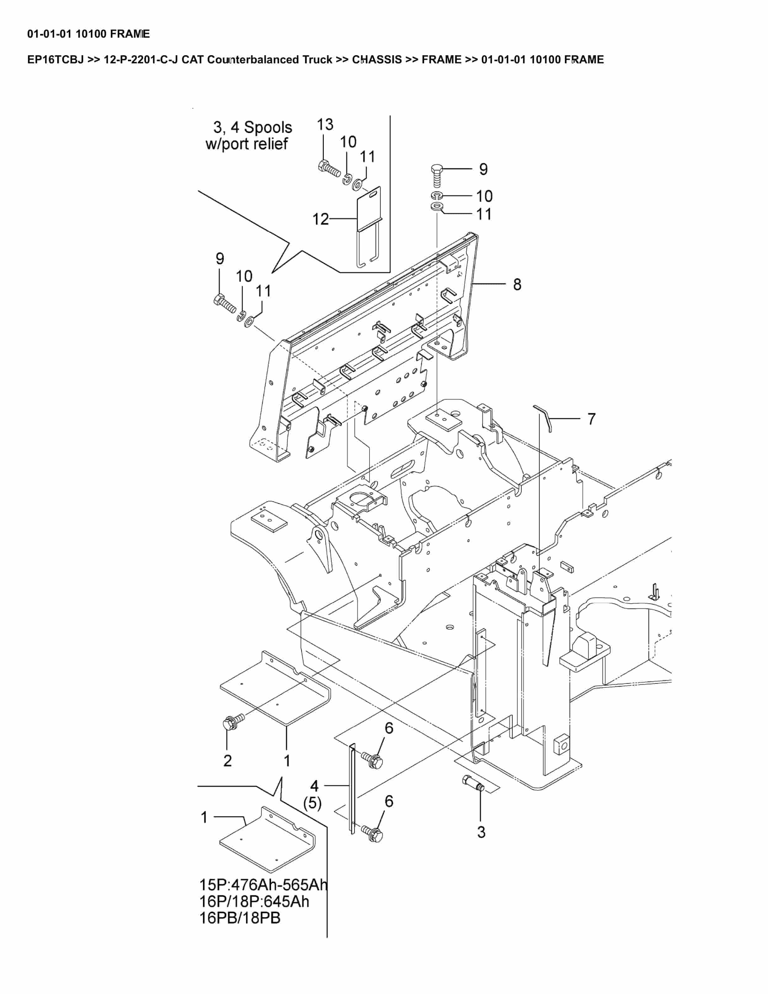
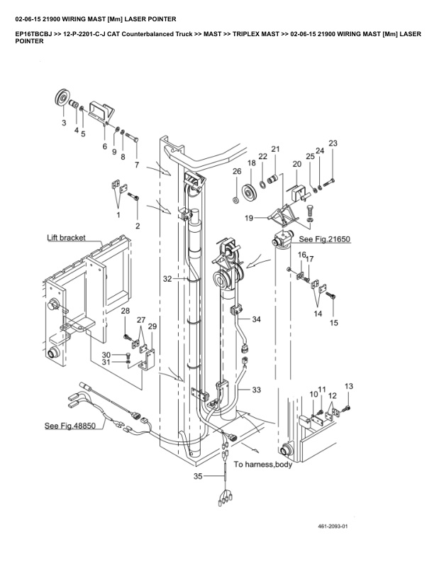
Caterpillar EP16TBCBJ Parts Manual 12-P-2201-C-JAlternative view of Caterpillar EP16TBCBJ Parts Manual 12-P-2201-C-J

Caterpillar Part Manual PDF

Caterpillar EP16TBCBJ Parts Manual 12-P-2201-C-J

$50.00
Add to cart
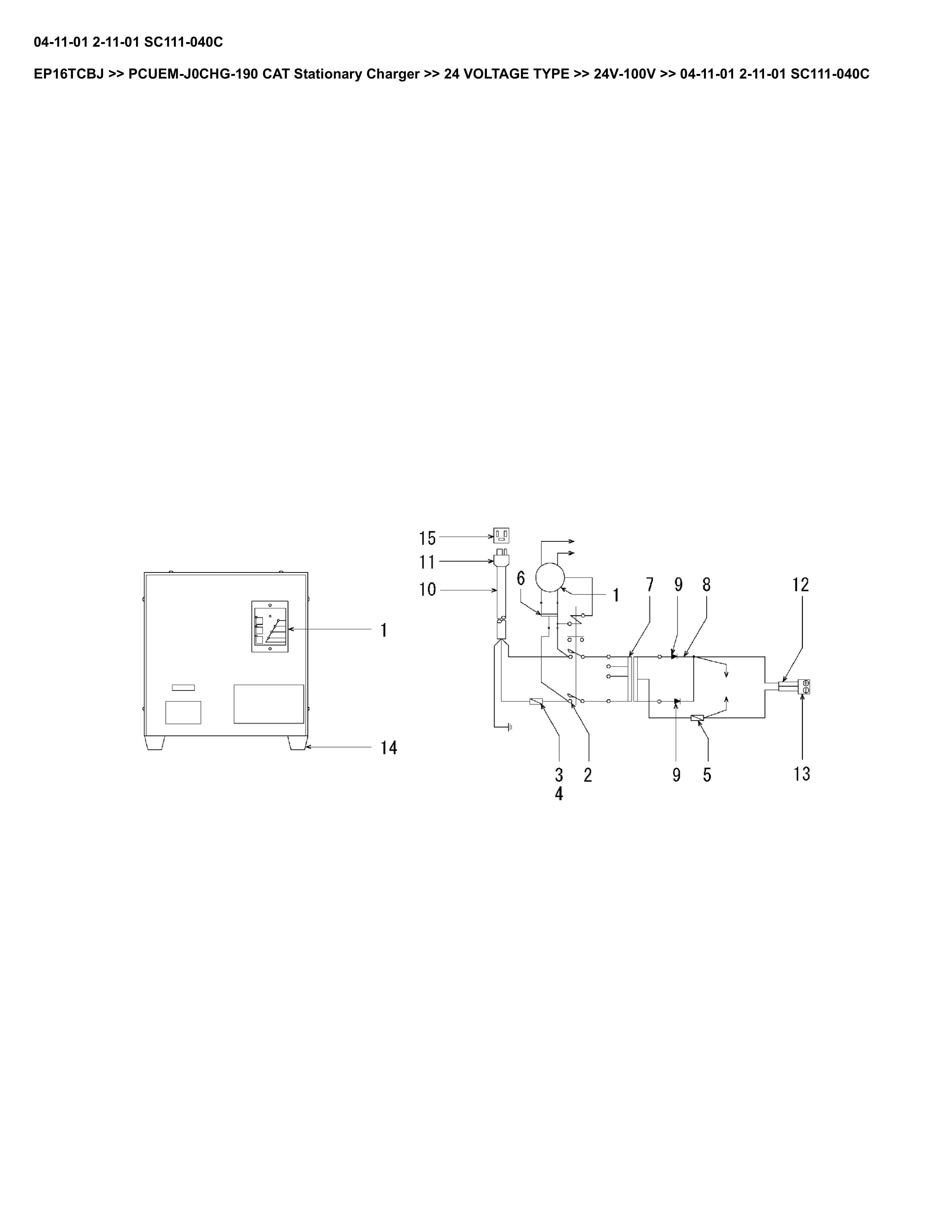
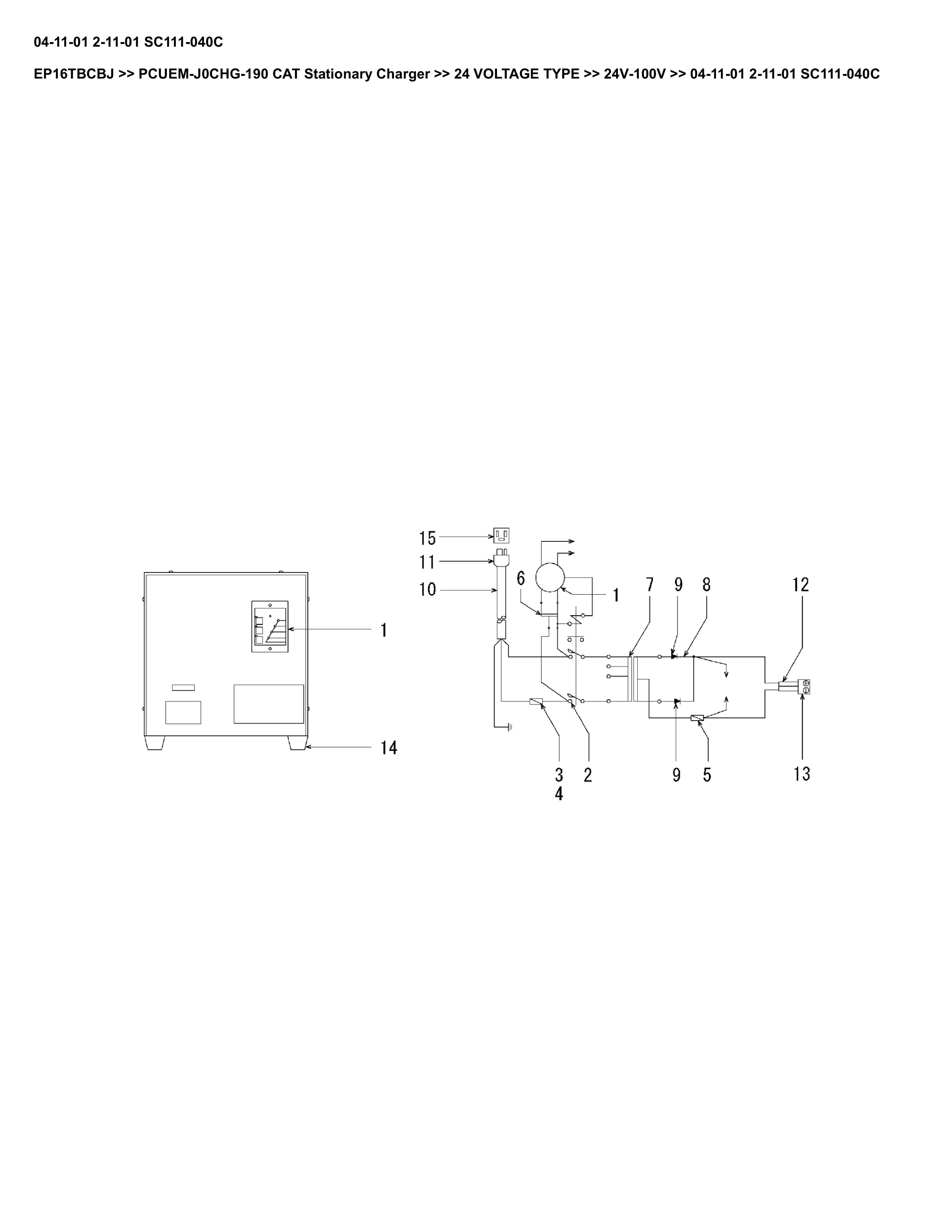
Caterpillar EP16TBCBJ Parts Manual PCUEM-J0CHG-190Alternative view of Caterpillar EP16TBCBJ Parts Manual PCUEM-J0CHG-190

Caterpillar Part Manual PDF

Caterpillar EP16TBCBJ Parts Manual PCUEM-J0CHG-190

$50.00
Add to cart
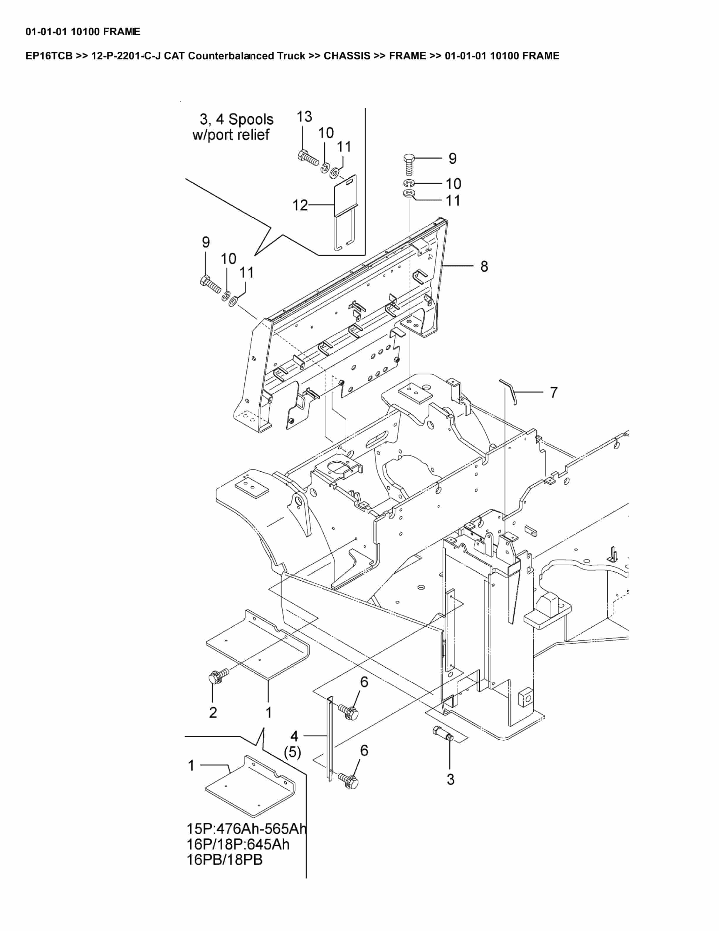
Caterpillar EP16TCB Parts Manual 12-P-2201-C-JAlternative view of Caterpillar EP16TCB Parts Manual 12-P-2201-C-J

Caterpillar Part Manual PDF

Caterpillar EP16TCB Parts Manual 12-P-2201-C-J

$50.00
Add to cart
Caterpillar EP16TCB Parts Manual 13-P-2204-C-TAlternative view of Caterpillar EP16TCB Parts Manual 13-P-2204-C-T

Caterpillar Part Manual PDF

Caterpillar EP16TCB Parts Manual 13-P-2204-C-T

$50.00
Add to cart
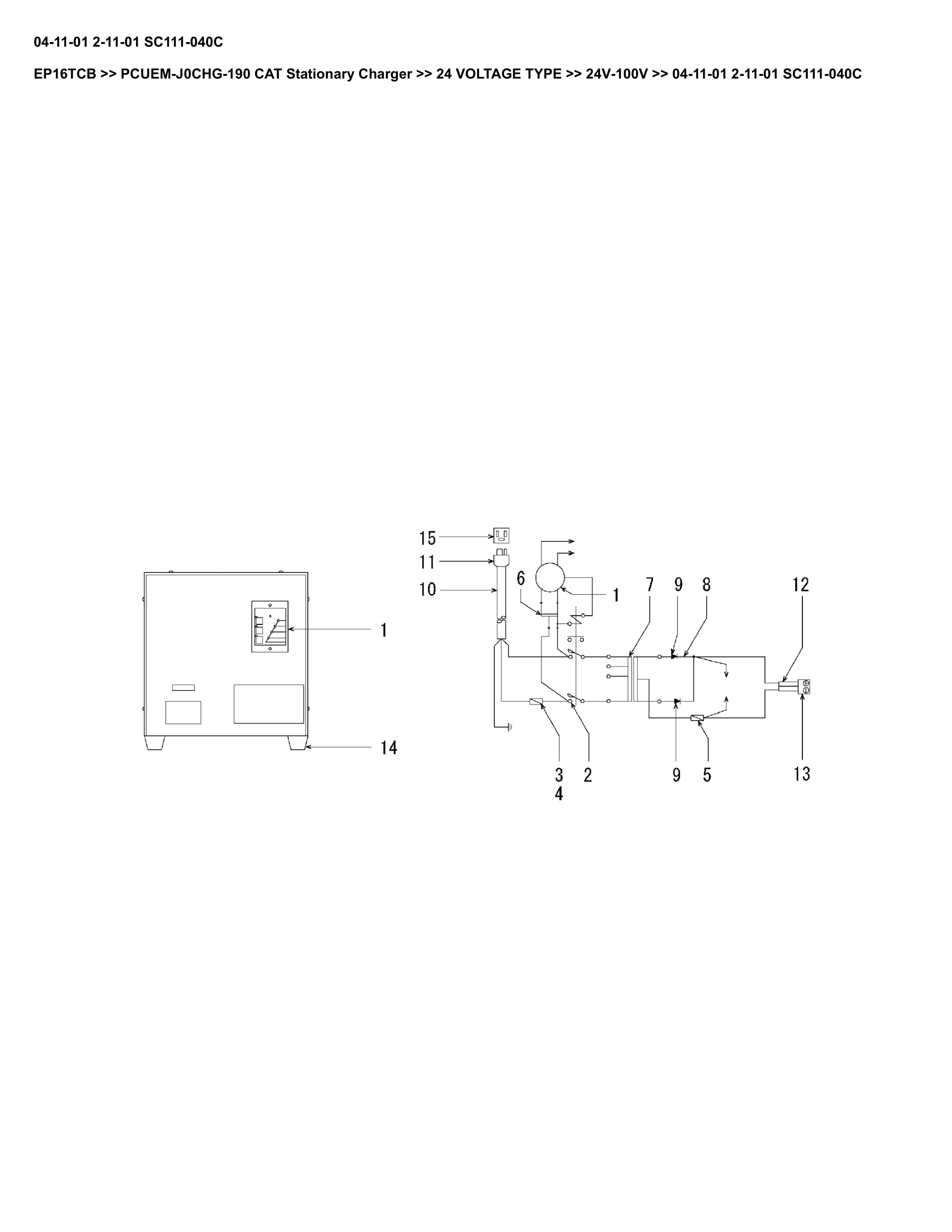
Caterpillar EP16TCB Parts Manual PCUEM-J0CHG-190Alternative view of Caterpillar EP16TCB Parts Manual PCUEM-J0CHG-190

Caterpillar Part Manual PDF

Caterpillar EP16TCB Parts Manual PCUEM-J0CHG-190

$50.00
Add to cart
Caterpillar EP16TCBJ Parts Manual 12-P-2201-C-JAlternative view of Caterpillar EP16TCBJ Parts Manual 12-P-2201-C-J

Caterpillar Part Manual PDF

Caterpillar EP16TCBJ Parts Manual 12-P-2201-C-J

$50.00
Add to cart
Caterpillar EP16TCBJ Parts Manual PCUEM-J0CHG-190Alternative view of Caterpillar EP16TCBJ Parts Manual PCUEM-J0CHG-190

Caterpillar Part Manual PDF

Caterpillar EP16TCBJ Parts Manual PCUEM-J0CHG-190

$50.00
Add to cart
Caterpillar EP18 36 48V Parts Manual MCII SEBN2685Alternative view of Caterpillar EP18 36 48V Parts Manual MCII SEBN2685

Caterpillar Part Manual PDF

Caterpillar EP18 36 48V Parts Manual MCII SEBN2685

$50.00
Add to cart
Caterpillar EP18 36 48V Parts Manual MCIII 98713-90000Alternative view of Caterpillar EP18 36 48V Parts Manual MCIII 98713-90000

Caterpillar Part Manual PDF

Caterpillar EP18 36 48V Parts Manual MCIII 98713-90000

$50.00
Add to cart
Caterpillar EP18 36 48V Parts Manual MCIII 98753-30010Alternative view of Caterpillar EP18 36 48V Parts Manual MCIII 98753-30010

Caterpillar Part Manual PDF

Caterpillar EP18 36 48V Parts Manual MCIII 98753-30010

$50.00
Add to cart
Caterpillar EP18 72 80V Parts Manual MCII SEBN2685Alternative view of Caterpillar EP18 72 80V Parts Manual MCII SEBN2685

Caterpillar Part Manual PDF

Caterpillar EP18 72 80V Parts Manual MCII SEBN2685

$50.00
Add to cart
Caterpillar EP18 72 80V Parts Manual MCIII 98713-90000Alternative view of Caterpillar EP18 72 80V Parts Manual MCIII 98713-90000

Caterpillar Part Manual PDF

Caterpillar EP18 72 80V Parts Manual MCIII 98713-90000

$50.00
Add to cart
Caterpillar EP18 72 80V Parts Manual MCIII 98753-30010Alternative view of Caterpillar EP18 72 80V Parts Manual MCIII 98753-30010

Caterpillar Part Manual PDF

Caterpillar EP18 72 80V Parts Manual MCIII 98753-30010

$50.00
Add to cart
Caterpillar EP18ACN Parts Manual DOC00036111Alternative view of Caterpillar EP18ACN Parts Manual DOC00036111

Caterpillar Part Manual PDF

Caterpillar EP18ACN Parts Manual DOC00036111

$50.00
Add to cart
Caterpillar EP18ACNT Parts Manual DOC00036110Alternative view of Caterpillar EP18ACNT Parts Manual DOC00036110

Caterpillar Part Manual PDF

Caterpillar EP18ACNT Parts Manual DOC00036110

$50.00
Add to cart
Caterpillar EP18AN Parts Manual DOC00036111Alternative view of Caterpillar EP18AN Parts Manual DOC00036111

Caterpillar Part Manual PDF

Caterpillar EP18AN Parts Manual DOC00036111

$50.00
Add to cart
Caterpillar EP18ANT Parts Manual DOC00036110Alternative view of Caterpillar EP18ANT Parts Manual DOC00036110

Caterpillar Part Manual PDF

Caterpillar EP18ANT Parts Manual DOC00036110

$50.00
Add to cart
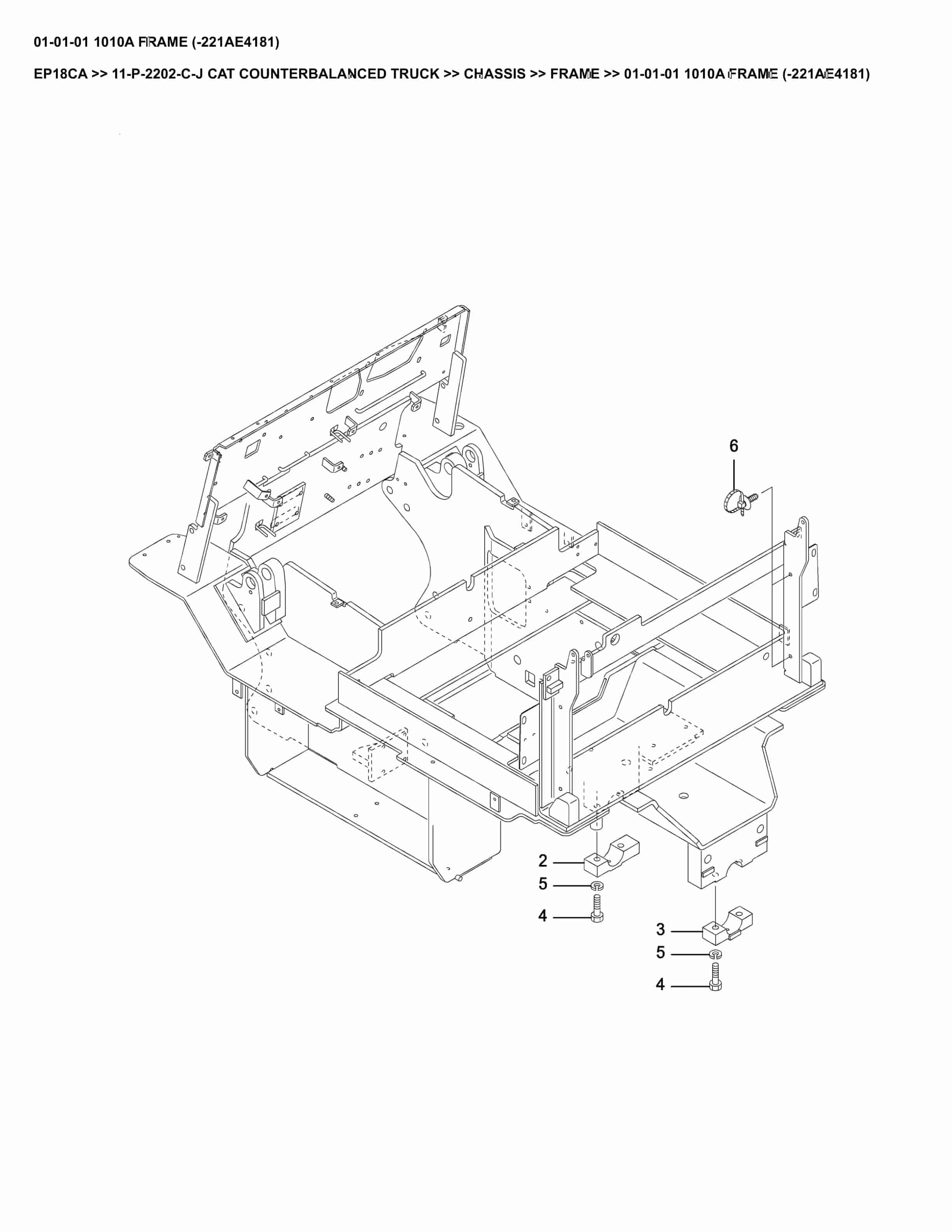
Caterpillar EP18CA Parts Manual 11-P-2202-C-JAlternative view of Caterpillar EP18CA Parts Manual 11-P-2202-C-J

Caterpillar Part Manual PDF

Caterpillar EP18CA Parts Manual 11-P-2202-C-J

$50.00
Add to cart
Caterpillar EP18CA Parts Manual 13-P-2203-C-TAlternative view of Caterpillar EP18CA Parts Manual 13-P-2203-C-T

Caterpillar Part Manual PDF

Caterpillar EP18CA Parts Manual 13-P-2203-C-T

$50.00
Add to cart
  • 1
  • 2
  • 3
  • …
  • 34
  • 35
  • 36
  • 37
  • 38
  • 39
  • 40
  • …
  • 85
  • 86
  • 87
    Links of interest
    • About us
    • Refund and Returns Policy
    • Terms & Conditions
    • Shipping Policy
    • Privacy Policy
    • Contact Us
    Product tags
    Agricultural Automotive Heavy Construction
© All rights reserved. 2023
PayPal
Visa
BitCoin
MasterCard
Western Union
Visa
PayPal
MasterCard
Copyright 2026 © ownersmanualpdf.net
  • Category
  • Menu
  • About us
  • Shop
  • News
  • Contact Us
  • Aisle-Master
    • Aisle-Master Operator Manual PDF
    • Aisle-Master Parts Manual PDF
    • Aisle-Master Service Manual PDF
  • BT
    • BT Operator Manual PDF
    • BT Parts Manual PDF
    • BT Service Manual PDF
    • BT Wiring Diagrams PDF
  • Caterpillar
    • Caterpillar Operation Manual PDF
    • Caterpillar Parts Manual PDF
    • Caterpillar Service Manual PDF
    • Caterpillar Wiring Diagrams PDF
  • Mitsubishi
    • Mitsubishi Operation Manual PDF
    • Mitsubishi Operator Manual PDF
    • Mitsubishi Other Manual PDF
    • Mitsubishi Parts Manual PDF
    • Mitsubishi Service Manual PDF
    • Mitsubishi Wiring Diagrams PDF
    • Mitsubishi Workshop Manual PDF
  • Cesab
    • Cesab Operator Manual PDF
    • Cesab Parts Manual PDF
    • Cesab Service Manual PDF
  • Combilift
    • Combilift Operator Manual PDF
    • Combilift Parts Manual PDF
    • Combilift Service Manual PDF
    • Combilift Wiring Diagrams PDF
  • Deutz
    • Deutz Operator Manual PDF
    • Deutz Parts Manual PDF
  • Doosan
    • Doosan Operator Manual PDF
    • Doosan Other Manual PDF
    • Doosan Parts Manual PDF
    • Doosan Service Manual PDF
    • Doosan Wiring Diagrams PDF
  • EP Forklift
    • EP Forklift Operator Manual PDF
    • EP Forklift Parts Manual PDF
    • EP Forklift Service Manual PDF
  • Hangcha
    • Hangcha Operator Manual PDF
    • Hangcha Other Manual PDF
    • Hangcha Parts Manual PDF
    • Hangcha Service Manual PDF
  • IMPCO
    • IMPCO Operator Manual PDF
    • IMPCO Parts Manual PDF
    • IMPCO Service Manual PDF
  • Jiachen
    • Jiachen Operator Manual PDF
    • Jiachen Other Manual PDF
  • JLG
    • JLG Operator Manual PDF
    • JLG Parts Manual PDF
    • JLG Service Manual PDF
  • Kubota
    • Kubota Operator Manual PDF
    • Kubota Parts Manual PDF
    • Kubota Workshop Manual PDF
  • Mlift
    • Mlift Operation Manual PDF
    • Mlift Service Manual PDF
  • Nissan
    • Nissan Other Manual PDF
    • Nissan Service Manual PDF
  • Okamura
    • Okamura Other Manual PDF
    • Okamura Parts Manual PDF
    • Okamura Service Manual PDF
  • Perkins
    • Perkins Operation Manual PDF
    • Perkins Parts Manual PDF
  • PSI
    • PSI Operator Manual PDF
    • PSI Parts Manual PDF
    • PSI Service Manual PDF
  • Towmotor
    • Towmotor Operation Manual PDF
    • Towmotor Parts Manual PDF
    • Towmotor Service Manual PDF
  • Toyota
    • Toyota Parts Manual PDF
    • Toyota Service Manual PDF
  • Xinchai
    • Xinchai Operator Manual PDF
    • Xinchai Parts Manual PDF
    • Xinchai Workshop Manual PDF
    • Xinchai Other Manual PDF
  • Yanmar
    • Yanmar Operator Manual PDF
    • Yanmar Parts Manual PDF
    • Yanmar Service Manual PDF
    • Yanmar Other Manual PDF
  • Yitou
    • Yitou Operator Manual PDF
    • Yitou Other Manual PDF
    • Yitou Parts Manual PDF