BT PE, PL, HT Series Trucks Operating – Maintenance – Parts Manual 301071-000
$30.00
- Type Of Manual: Operating – Maintenance – Parts Manual
- Manual ID: 301071-000
- : Parts Manual PDF
- Number of Pages: 124
- Size: 5.6MB
- Format: PDF
Category: BT Parts Manual PDF
-
Model List:
- PE-45, PE-45R, PE-45C, PE-60, PE-60R, PL-45, HT-45, HT-60
- 1. Front Cover
- 2. Warranty
- 3. To New Prime-Mover Owners
- 4. Preliminary Service
- 5. Operation
- 6. Warning
- 7. Operating Rules and Instructions
- 7.1. Operator Qualifications
- 7.2. Operator Training
- 7.3. Operator Responsibility
- 7.4. General Rules and Practices
- 7.5. Traveling
- 7.6. Loading
- 7.7. Operator Care of the Truck
- 7.8. Controls and Safety Equipment
- 7.8.1. Horn Switch
- 7.8.2. Raise Switch
- 7.8.3. Lower Switch
- 7.8.4. Third Speed Control Switch
- 7.8.5. Key Switch
- 7.8.6. Battery Discharge Indicator
- 7.8.7. Hourmeter
- 7.8.8. Safety Interlock Switch
- 7.8.9. Deadman Brake
- 7.8.10. Direction Control Handle
- 7.8.11. Direction Control
- 7.8.12. Resistor Control
- 7.8.13. SCR Control System
- 8. Periodic Maintenance Chart
- 9. Lubrication Chart
- 10. Maintenance Instructions
- 10.1. Battery
- 10.2. Theory of Electrical Operations
- 10.3. Control Switches
- 10.4. Power Wiring
- 10.5. Control Wiring
- 10.6. Lift Limit Switch
- 10.7. Mechanical Brake
- 10.8. Interlock Switch
- 10.9. Transmission Rollers
- 10.10. Contactor Points
- 10.11. Motor Commutator
- 10.12. Series Only Pull Rod Assembly/Adjustment
- 10.13. Hydraulic System
- 10.14. Hydraulic Pump/Motor
- 10.15. Hydraulic Filter
- 10.16. Pressure Relief Valve Adjustment
- 11. Service and Disassembly Instructions
- 11.1. Contactor Points
- 11.2. Flush Grease Fittings
- 11.3. Remove Handle and Transmission Assembly
- 11.4. Handle and Transmission Assembly
- 11.4.1. Disassembly
- 11.4.2. Assembly
- 11.5. Drive Wheel
- 11.6. Drive Motor
- 11.6.1. Assembly
- 11.7. Adjustment of Backlash for 221 Transmission
- 11.8. Gear Case Guide Ring
- 11.9. 1 Transmission Assembly (Single Disc Brake Assembly)
- 11.9.1. Assembly of Drive Motor
- 11.10. 1 Transmission Assembly (Multiple Disk Brake Assembly)
- 11.10.1. Assembly of Drive Motor
- 11.11. Mechanical Brake
- 11.12. Interlock Switch
- 11.13. Assembly of 141 Transmission
- 11.14. Directional Control Switch
- 11.15. Master Switch
- 11.15.1. Disassembly
- 11.15.2. Assembly
- 11.16. Electrical Panel Contactors
- 11.16.1. Disassembly
- 11.16.2. Assembly
- 11.17. Lift Frame
- 11.18. Hydraulic Pump
- 11.19. Release Valve and Solenoid
- 11.20. Hydraulic Cylinders
- 11.21. Contactor Assembly
- 11.22. Connections
- 11.23. Maintenance and Adjustment
- 11.24. Power Contacts
- 11.25. Disassembly
- 11.26. Inspection
- 11.27. Assembly
- 12. Parts Ordering Instructions
- 13. Field Modifications
- 14. PE-45 Electric Low Lift Pallet Truck Specifications
- 15. PE-45R Electric Low Lift Pallet Truck Specifications
- 16. PE-60 Electric Low Lift Pallet Truck Specifications
- 17. PE-60R Electric Low Lift Pallet Truck Specifications
- 18. HT-45 Electric End Controlled Low Lift Pallet Truck Specifications
- 19. HT-60 Electric End Controlled Low Lift Pallet Truck Specifications
- 20. Parts Information
- 20.1. Figure 1 Decal and Parts Assembly
- 20.2. Figure 2 Part List and Service Reference Index
- 20.3. Figure 3 Shield Assembly
- 20.4. Figure 4 PE45C Frame Components
- 20.5. Figure 5 PE45/60 Carrier Frame Assembly
- 20.6. Figure 6 PE45/60 221 Handle and Transmission Assembly
- 20.7. Figure 7 PE45C 221 Transmission and Handle Assembly
- 20.8. Figure 8 PE45/50 Handle Assembly
- 20.9. Figure 9 PE45C Handle Assembly
- 20.10. Figure 10 Master Control Switch Assembly
- 20.11. Figure 11 Master Control Switch Assembly
- 20.12. Figure 12 Master Control Switch Assembly
- 20.13. Figure 13 Master Control Switch Assembly
- 20.14. Figure 14 PE45/60 12 Volt 221 Transmission Assembly Part 1
- 20.15. Figure 15 PE45/60 12 Volt 221 Transmission Assembly Part 2
- 20.16. Figure 16 Drive Motor Assembly
- 20.17. Figure 17 12 Volt Drive Motor Assembly
- 20.18. Figure 18 24 Volt Drive Motor
- 20.19. Figure 19 PE45/60 24 Volt and PE45R/60R 12/24 Volt Multiple Disc Brake Transmission Assembly
- 20.20. Figure 20 Drive Motor Assembly
- 20.21. Figure 21 Drive Motor, 12 Volt
- 20.22. Figure 22 Drive Motor, 12 Volt
- 20.23. Figure 23 HT45/60 Transmission and Handle Assembly
- 20.24. Figure 24 HT45C 141 Transmission and Handle Assembly
- 20.25. Figure 25 HT45/80 141 Transmission Assembly with MEA-4023 Drive Motor
- 20.26. Figure 26 141 Motor Assembly
- 20.27. Figure 27 Spring Loaded Caster Assembly
- 20.28. Figure 28 Electrical Symbols
- 20.29. Figure 29 PE/PL Electrical Schematic
- 20.30. Figure 30 Control Wiring Harness Assembly
- 20.31. Figure 31 Riding Control Wiring Harness Assembly
- 20.32. Figure 32 PE/PL Power Component Assembly
- 20.33. Figure 33 Control Panel Assembly
- 20.34. Figure 34 G.E. Contactor Assembly
- 20.35. Figure 35 G.E. Contactor Assembly
- 20.36. Figure 36 3rd Speed Panel Assembly
- 20.37. Figure 37 Cableform 3rd Speed Panel Assembly
- 20.38. Figure 38 Contactor Assembly (Cableform)
- 20.39. Figure 39 HT45 60 Electrical Schematic
- 20.40. Figure 40 Control Wiring Harness Assembly
- 20.41. Figure 41 HT45/60 Riding Control Wiring
- 20.42. Figure 42 HT45/60 Power Component Assembly
- 20.43. Figure 43 HT45/60 Control Panel Assembly
- 20.44. Figure 44 3rd Speed Panel Assembly
- 20.45. Figure 45 G.E. Contactor Assembly
- 20.46. Figure 46 Dynamic Brake Control Wiring Assembly
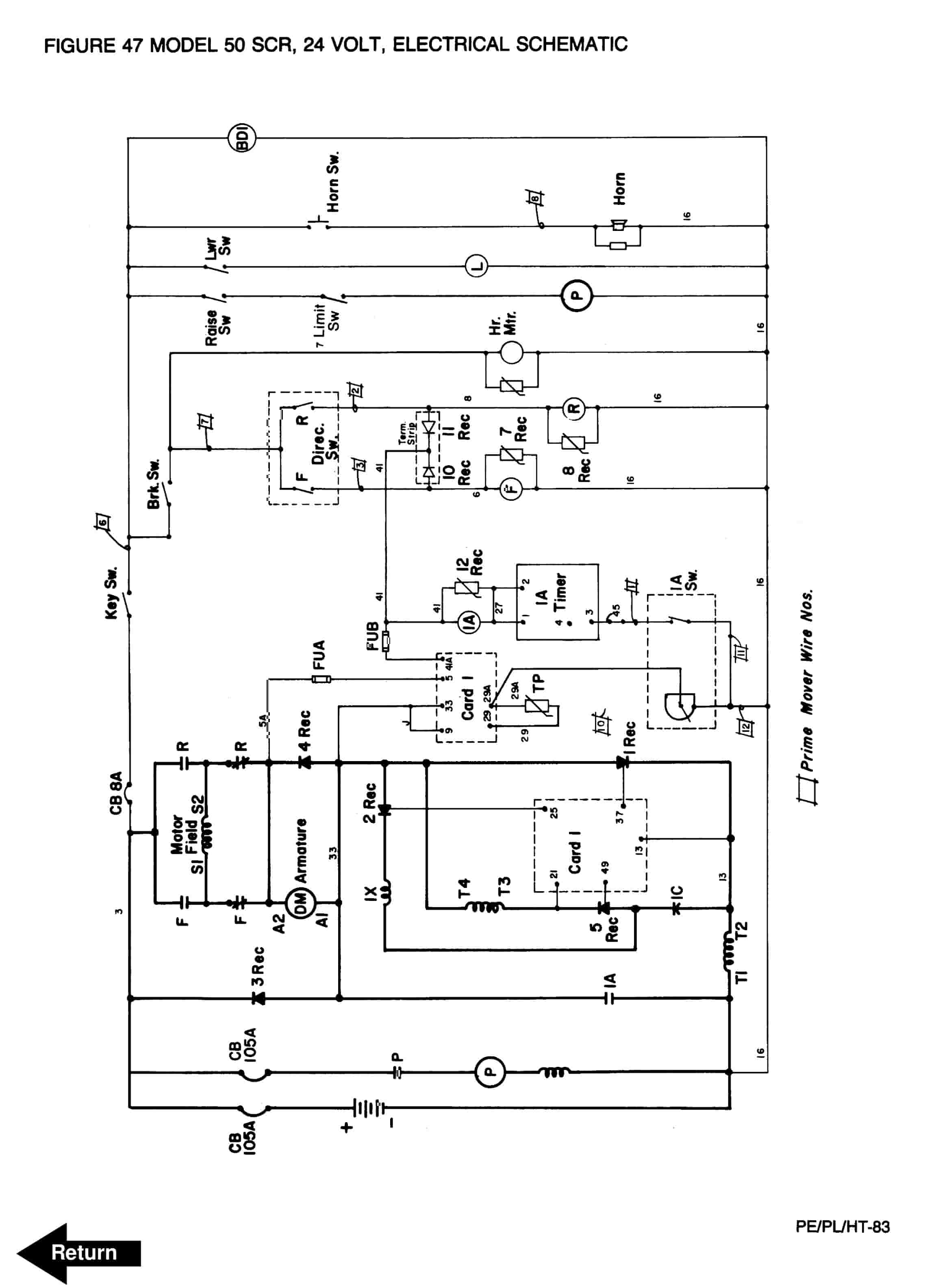
- 20.47. Figure 47 Model 50 SCR, 24 Volt, Electrical Schematic
- 20.48. Figure 48 G.E. Model 50 SCR Contactor Panel Wiring Diagram
- 20.49. Figure 49 G.E. Model 50 SCR Panel Wiring Diagram
- 20.50. Figure 50 G.E. Model 50 SCR Control Wiring
- 20.51. Figure 51 Model 50 SCR Power Wiring (24 Volt)
- 20.52. Figure 52 Model 50 SCR Panel Assembly
- 20.53. Figure 53 Model SCR Contactor Panel
- 20.54. Figure 54 G.E. Model SCR Contactor – Forward/Reverse 1A
- 20.55. Figure 55 Pump Cont. Panel Assembly
- 20.56. Figure 56 EV-1 SCR Electrical Schematic
- 20.57. Figure 57 Model EV-1 Control Wiring Harness Assembly
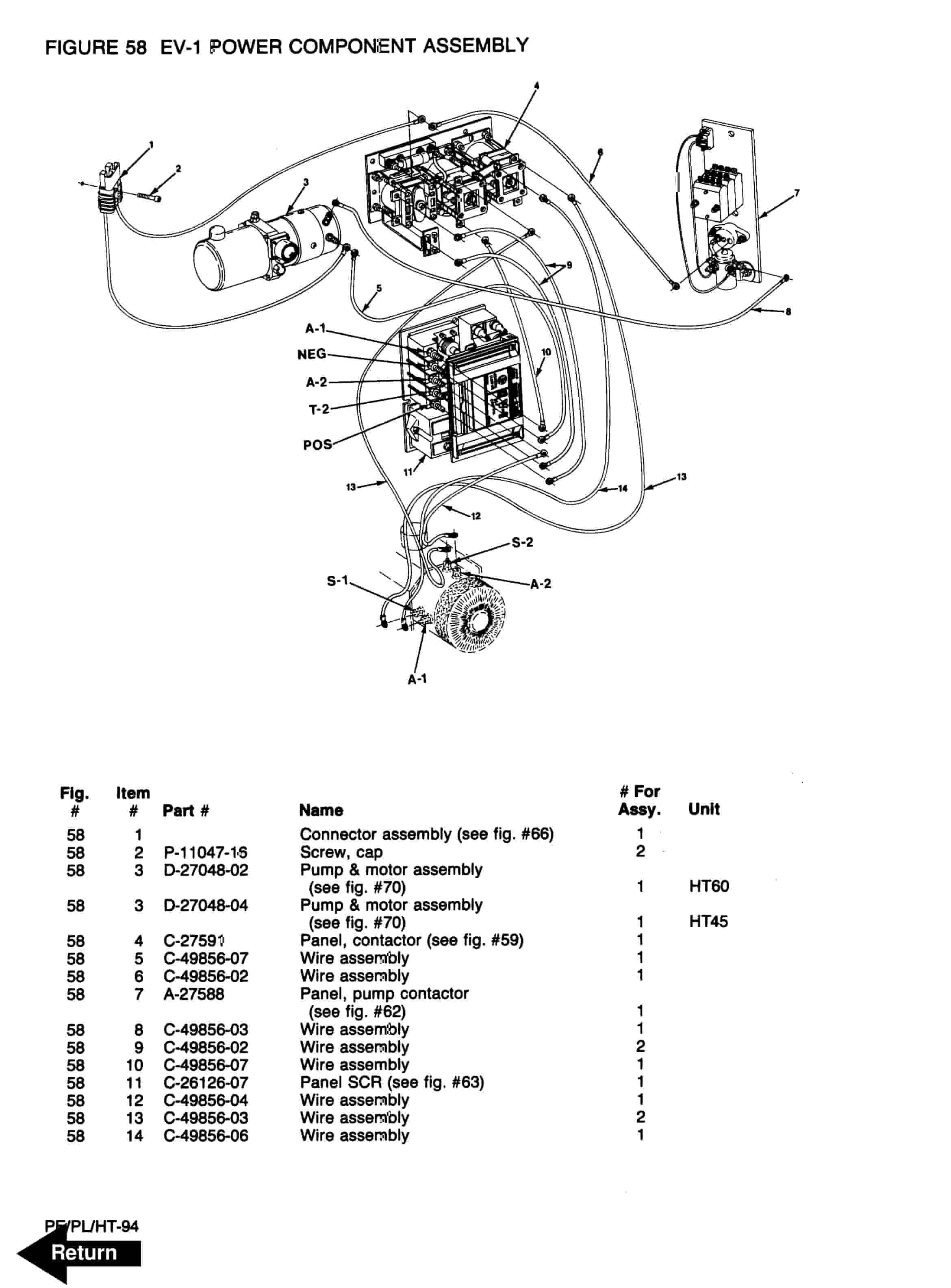
- 20.58. Figure 58 EV-1 Power Component Assembly
- 20.59. Figure 59 EV-1 Contactor Panel Assembly
- 20.60. Figure 60 G.E. Contactor Assembly
- 20.61. Figure 61 G.E. Contactor Assembly
- 20.62. Figure 62 EV-1 Pump Contactor Panel
- 20.63. Figure 63 EV-1 SCR Control
- 20.64. Figure 64 Transformer Assembly
- 20.65. Figure 65 Rectifier Heat Sink Assembly
- 20.66. Figure 66 Power Connector Assembly
- 20.67. Figure 67 Hydraulic Schematic
- 20.68. Figure 68 Hydraulic Schematic Symbols
- 20.69. Figure 69 Hydraulic System
- 20.70. Figure 70 Hydraulic Pump and Motor Assembly
- 20.71. Figure 71 Motor Assembly
- 20.72. Figure 72 Cylinder Assembly
- 20.73. Figure 73 PE-45, PE-45C, PE-45R, HT-45 Lift Frame Assembly
- 20.74. Figure 74 PE-60, HT-60 Lift Frame Assembly
- 20.75. Figure 75 PL-45 Lift Frame Assembly
- 20.76. Figure 76 Foot Pedal Assembly
- 20.77. Figure 77 Pallet Entry Roller Assembly
- 20.78. Figure 78 PE/HT 45 60 Rider Platform
- 20.79. Figure 79 Skid Adapter and Package Guard Assembly
- 20.80. Figure 80 Removable Load Bucket Rest
- 21. Service Guide
- 22. Back Cover
Rate this product
You may also like
BT Parts Manual PDF
BT 602-TT, 608-TT, 609-TT, 610-TT, 612-TT, 620-TT (AC) Quality Parts 253711
$30.00
BT Parts Manual PDF
BT BTL20EW, BTL20EWO, BTL30EW, BTL30EWO, L20BR, L20BRO, L30BR, L30BRO Quality Parts 177967
$30.00














