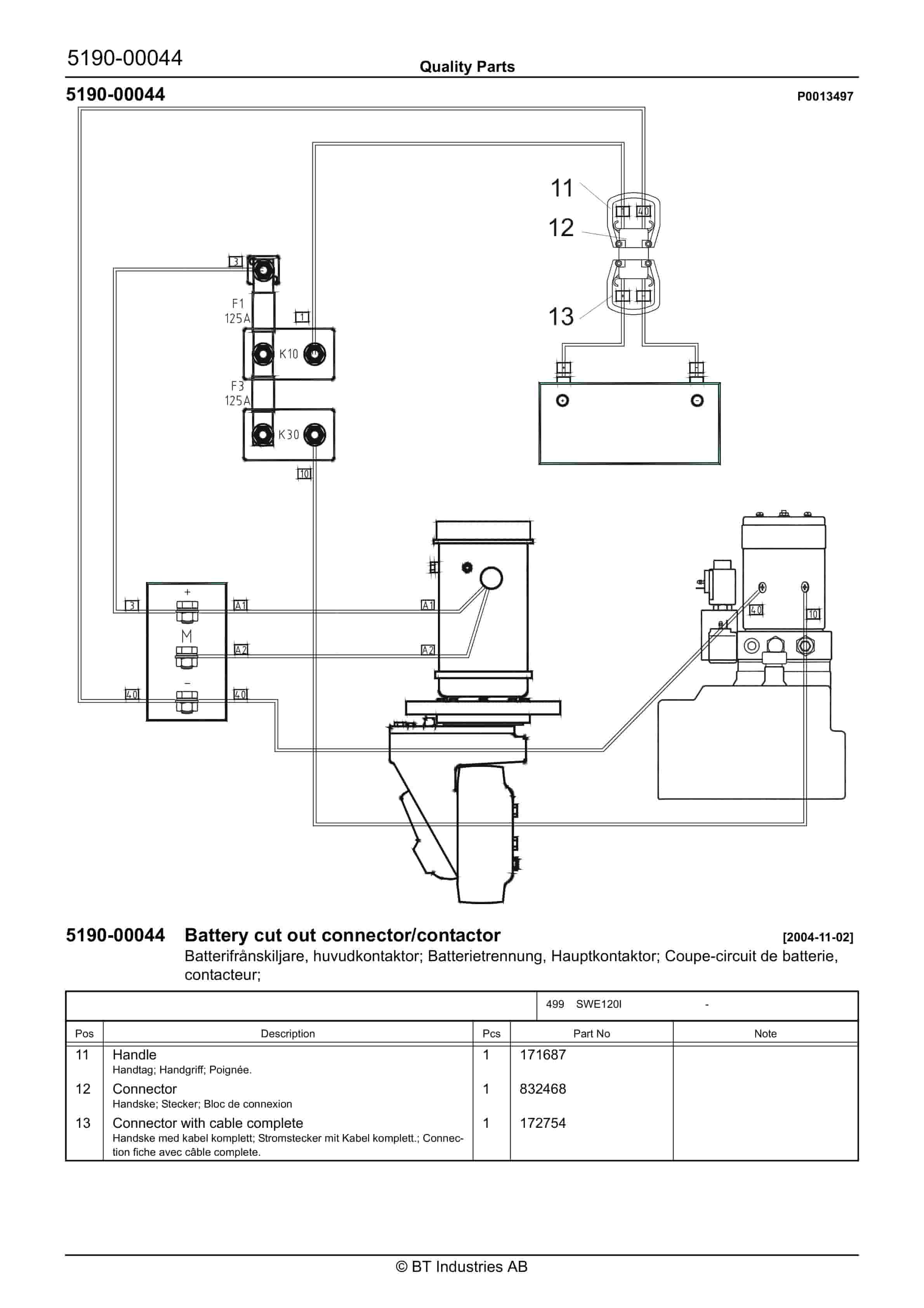
BT SWE120I – Counter Balance Quality Parts 844734
$30.00
- Type Of Manual: Quality Parts
- Manual ID: 844734
- : Parts Manual PDF
- Number of Pages: 41
- Size: 3.2MB
- Format: PDF
Category: BT Parts Manual PDF
-
Model List:
- SWE120I – Counter Balance
- 1. Chassis
- 1.1. Chassi Chassis Châssis
- 2. Motors
- 2.1. Motorer Motoren Moteurs
- 3. Transmission/Drive gear
- 3.1. Kraftöverföring/Drivväxel Kraftübertragung/Fahrgetriebe Transmission/Groupe de traction
- 4. Brake/Wheel/Caterpillar system
- 4.1. Broms-/Hjul-/Bandsystem Brems-/Rad-/Bandsystem Freins/Roues/ Chenilles
- 5. Steering system
- 5.1. Styrsystem Steuer-/Lenksystem Système de direction
- 6. Electrical system
- 6.1. Elektriskt system Elektroanlage Système électrique
- 7. Hydraulic/pneumatic system
- 7.1. Hydraulik/pneumatik Hydraulikanlage/Pneumatik Système hydraulique/pneumatique
Rate this product
You may also like
BT Parts Manual PDF
BT 602-TT, 608-TT, 609-TT, 610-TT, 612-TT, 620-TT Quality Parts 07904570EB
$30.00
BT Parts Manual PDF
BT 602-TT, 608-TT, 609-TT, 610-TT, 612-TT, 620-TT (AC) Quality Parts 253711
$30.00














