BT TE Series Electric Tow Tractor Operating – Maintenance – Parts Manual 301045-000
$30.00
- Type Of Manual: Operating – Maintenance – Parts Manual
- Manual ID: 301045-000
- : Parts Manual PDF
- Number of Pages: 56
- Size: 2.4MB
- Format: PDF
Category: BT Parts Manual PDF
-
Model List:
- TE-50, TE-70
- 1. Front Cover
- 2. Warranty
- 3. Operating Rules and Instructions
- 4. Maintenance Instructions
- 5. Parts Ordering Instructions
- 6. TE-50 and TE-70 Electric Tow Tractor Specifications
- 7. Figure 1 Decal and Parts Assembly
- 8. Figure 2 Parts List and Service Reference Index
- 9. Figure 3 Shield Assembly
- 10. Figure 4 TE-50 Transmission and Handle Assembly
- 11. Figure 5 Handle Assembly
- 12. Figure 6 Master Control Switch Assembly
- 13. Figure 7 TE-50 221 Transmission Assembly
- 14. Figure 8 TE-50 221 Drive Motor Assembly
- 15. Figure 9 TE-50 221 Drive Motor, 12 Volt
- 16. Figure 10 TE-70 Transmission and Handle Assembly
- 17. Figure 11 TE-70 141 Transmission Assembly
- 18. Figure 12 TE-70 141 Motor Assembly
- 19. Figure 13 TE-50 Electrical Schematic
- 20. Figure 14 Electrical Schematic
- 21. Figure 15 Electrical Schematic Symbols
- 22. Figure 16 Control Wiring Harness Assembly
- 23. Figure 17 Dynamic Brake Wiring
- 24. Figure 18 TE-50 Power Component Assembly
- 25. Figure 19 TE-70 Power Component Assembly
- 26. Figure 20 Control Panel Assembly
- 27. Figure 21 GE Contactor Assembly
- 28. Figure 22 GE Contactor Assembly
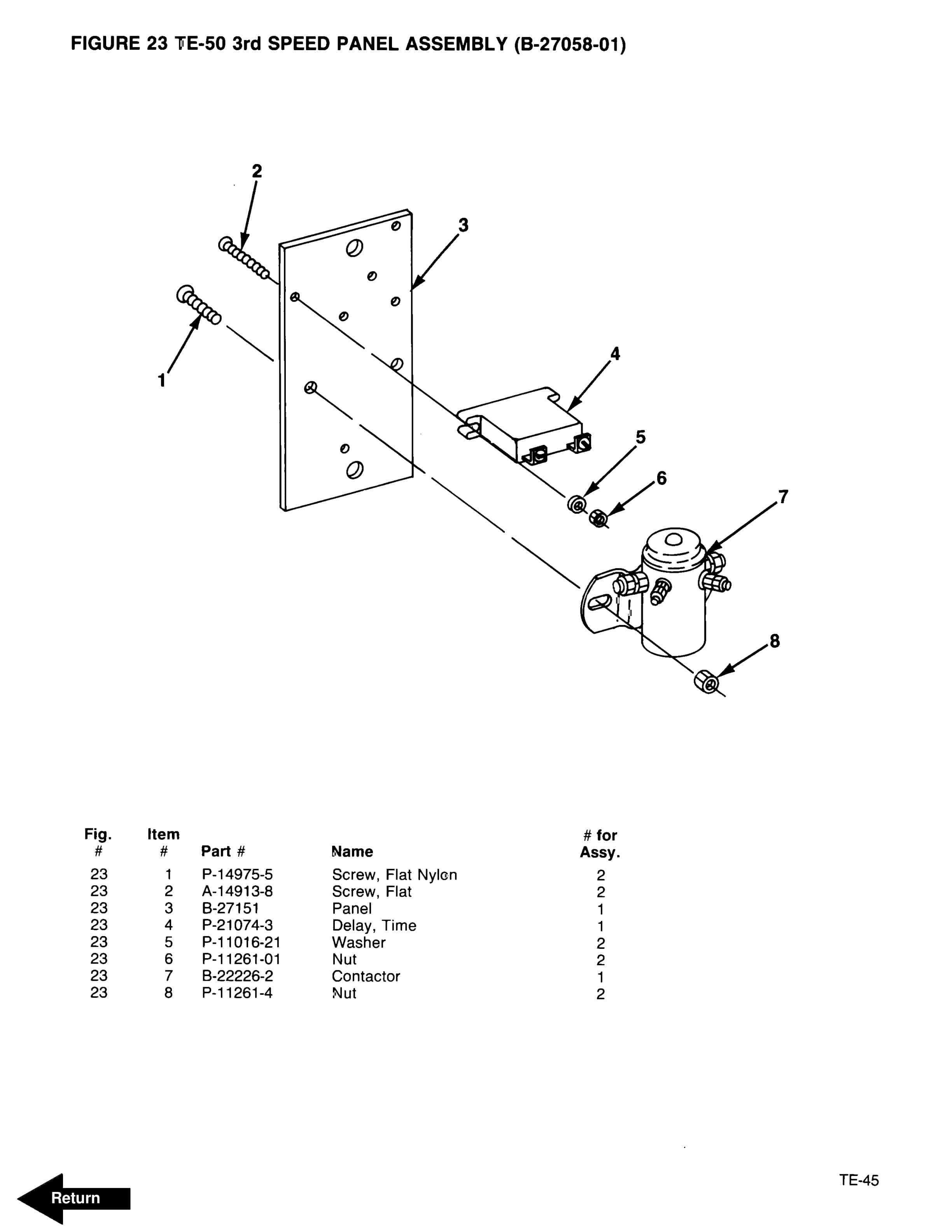
- 29. Figure 23 TE-50 3rd Speed Panel Assembly
- 30. Figure 24 TE-50 Cableform 3rd Speed Panel Assembly
- 31. Figure 25 Contactor Assembly
- 32. Figure 26 TE-70 3rd Speed Panel Assembly
- 33. Figure 27 Power Connector Assembly
- 34. Figure 28 Foot Pedal Assembly
- 35. Figure 29 Frame Assembly
- 36. Figure 30 Spring Loaded Caster Assembly
- 37. Figure 31 Automatic Coupler
- 38. Service Guide
- 39. Back Cover
Rate this product
You may also like
BT Parts Manual PDF
BT 602-TT, 608-TT, 609-TT, 610-TT, 612-TT, 620-TT (AC) Quality Parts 253711
$30.00
BT Parts Manual PDF
BT BTL20EW, BTL20EWO, BTL30EW, BTL30EWO, L20BR, L20BRO, L30BR, L30BRO Quality Parts 177967
$30.00
BT Parts Manual PDF
BT 602-TT, 608-TT, 609-TT, 610-TT, 612-TT, 620-TT Quality Parts 07904570EB
$30.00
BT Parts Manual PDF
BT 600-TT, 602-TT, 608-TT, 609-TT, 610-TT, 612-TT, 620-TT (AC) Quality Parts 212162
$30.00














