Caterpillar DP25N Parts Manual 98723-06110
$50.00
- Type Of Manual: Parts Manual
- Book Number: 98723-06110
- Information: CAT CHASSIS, MAST, OPTIONS – INTERNAL HOSING
- Number of Pages: 395
- Size: 99.0MB
- Format: PDF
Category: Caterpillar Part Manual PDF
-
Model List:
- DP25N
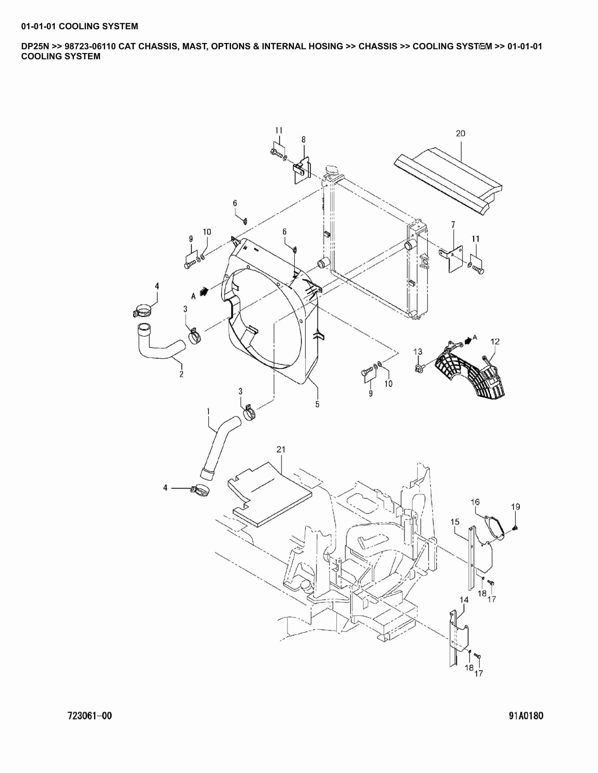
- 1. _01-01-01 COOLING SYSTEM Spare Parts Catalog.pdf
- 2. _01-01-02 RADIATOR ASSY Spare Parts Catalog.pdf
- 3. _01-01-03 RESERVOIR TANK ASSY Spare Parts Catalog.pdf
- 4. _01-01-04 TORQUE-CONVERTER COOLER Spare Parts Catalog.pdf
- 5. _01-04-01 ELECTRIC SYSTEM (FOR MC MODEL) Spare Parts Catalog.pdf
- 6. _01-04-02 ELECTRIC FC MODEL (FOR FC MODEL) Spare Parts Catalog.pdf
- 7. _01-04-03 CHASSIS CIRCUIT (FOR MC MODEL) Spare Parts Catalog.pdf
- 8. _01-04-04 CHASSIS CIRCUIT (FOR FC MODEL) Spare Parts Catalog.pdf
- 9. _01-04-05 HEAD GUARD CIRCUIT Spare Parts Catalog.pdf
- 10. _01-04-06 BATTERY Spare Parts Catalog.pdf
- 11. _01-04-07 BATTERY CABLE Spare Parts Catalog.pdf
- 12. _01-04-08 COMBINATION SWITCH Spare Parts Catalog.pdf
- 13. _01-11-01 FRAME SYSTEM Spare Parts Catalog.pdf
- 14. _01-11-02 FRAME ASSY Spare Parts Catalog.pdf
- 15. _01-12-01 UPPER FRAME SYSTEM Spare Parts Catalog.pdf
- 16. _01-12-02 RADIATOR COVER Spare Parts Catalog.pdf
- 17. _01-12-03 ENGINE COVER (FOR MC MODEL) Spare Parts Catalog.pdf
- 18. _01-12-04 ENGINE COVER (FOR FC MODEL) Spare Parts Catalog.pdf
- 19. _01-12-05 SIDE COVER Spare Parts Catalog.pdf
- 20. _01-12-06 DASHBOARD COVER (FOR MC MODEL) Spare Parts Catalog.pdf
- 21. _01-12-07 DASHBOARD COVER (FOR FC MODEL) Spare Parts Catalog.pdf
- 22. _01-13-01 COUNTER WEIGHT Spare Parts Catalog.pdf
- 23. _01-14-01 SEAT ASSY (FOR MC MODEL) (OLD) (UPTO 2012-02) Spare Parts Catalog.pdf
- 24. _01-14-02 SEAT ASSY (FOR MC MODEL) (NEW) Spare Parts Catalog.pdf
- 25. _01-14-03 SEAT ASSY (FOR FC MODEL) (OLD) (UPTO 2011-02) Spare Parts Catalog.pdf
- 26. _01-14-04 SEAT ASSY (FOR FC MODEL) (NEW) Spare Parts Catalog.pdf
- 27. _01-15-01 HEAD GUARD SYSTEM Spare Parts Catalog.pdf
- 28. _01-15-02 HEAD GUARD Spare Parts Catalog.pdf
- 29. _01-20-01 ENGINE Spare Parts Catalog.pdf
- 30. _01-23-01 TORQUE-CONVERTER ASSY Spare Parts Catalog.pdf
- 31. _01-24-01 TRANSMISSION (PART-1) Spare Parts Catalog.pdf
- 32. _01-24-02 TRANSMISSION (PART-2) Spare Parts Catalog.pdf
- 33. _01-24-03 TRANSMISSION (PART-3) Spare Parts Catalog.pdf
- 34. _01-24-04 TRANSMISSION (PART-4) Spare Parts Catalog.pdf
- 35. _01-28-01 CONTROL VALVE Spare Parts Catalog.pdf
- 36. _01-32-01 FRONT AXLE Spare Parts Catalog.pdf
- 37. _01-32-02 REDUCTION DIFFERENTIAL Spare Parts Catalog.pdf
- 38. _01-34-01 FRONT AXLE COMMON PARTS Spare Parts Catalog.pdf
- 39. _01-34-02 FRONT HUB TIRE Spare Parts Catalog.pdf
- 40. _01-34-03 FENDER Spare Parts Catalog.pdf
- 41. _01-43-01 REAR AXLE SYSTEM (PART-1) Spare Parts Catalog.pdf
- 42. _01-43-02 REAR AXLE SYSTEM (PART-2) Spare Parts Catalog.pdf
- 43. _01-43-03 STEERING CYLINDER Spare Parts Catalog.pdf
- 44. _01-43-04 REAR TIRE Spare Parts Catalog.pdf
- 45. _01-46-01 BRAKE SYSTEM Spare Parts Catalog.pdf
- 46. _01-46-02 WHEEL BRAKE L.H. Spare Parts Catalog.pdf
- 47. _01-46-03 WHEEL BRAKE R.H. Spare Parts Catalog.pdf
- 48. _01-51-01 DRIVING SYSTEM (PART-1) Spare Parts Catalog.pdf
- 49. _01-51-02 DRIVING SYSTEM (PART-2) Spare Parts Catalog.pdf
- 50. _01-51-03 ACCEL CONTROL SYSTEM Spare Parts Catalog.pdf
- 51. _01-51-04 BRAKE RESERVOIR Spare Parts Catalog.pdf
- 52. _01-54-01 STEERING SYSTEM Spare Parts Catalog.pdf
- 53. _01-54-02 STEERING VALVE Spare Parts Catalog.pdf
- 54. _01-54-03 STEERING WHEEL Spare Parts Catalog.pdf
- 55. _01-61-01 INTAKE SYSTEM Spare Parts Catalog.pdf
- 56. _01-61-02 AIR CLEANER Spare Parts Catalog.pdf
- 57. _01-62-01 EXHAUST SYSTEM Spare Parts Catalog.pdf
- 58. _01-62-02 MUFFLER Spare Parts Catalog.pdf
- 59. _01-62-03 TAIL PIPE Spare Parts Catalog.pdf
- 60. _01-64-01 FUEL SYSTEM Spare Parts Catalog.pdf
- 61. _01-64-02 TANK CAP Spare Parts Catalog.pdf
- 62. _01-71-01 HYDRAULIC DELIVERY CIRCUIT Spare Parts Catalog.pdf
- 63. _01-71-02 SUCTION CIRCUIT Spare Parts Catalog.pdf
- 64. _01-72-01 HYD CONTROL SYSTEM (MC MODEL) (PART-1) (3 VALVES) Spare Parts Catalog.pdf
- 65. _01-72-02 HYD CONTROL SYSTEM (MC MODEL) (PART-1) (4 VALVES) Spare Parts Catalog.pdf
- 66. _01-72-03 HYD CONTROL SYSTEM (MC MODEL) (PART-2) Spare Parts Catalog.pdf
- 67. _01-72-04 CONTROL VALVE (3 VALVES) (PART-1) (MC MODEL) Spare Parts Catalog.pdf
- 68. _01-72-05 CONTROL VALVE (3 VALVES) (PART-2) (MC MODEL) Spare Parts Catalog.pdf
- 69. _01-72-06 CONTROL VALVE (4 VALVES) (FOR MC MODEL) Spare Parts Catalog.pdf
- 70. _01-73-01 CONTROL VALVE (3 VALVES) (FOR FC MODEL) Spare Parts Catalog.pdf
- 71. _01-73-02 CONTROL VALVE (4 VALVES) (FOR FC MODEL) Spare Parts Catalog.pdf
- 72. _01-73-03 CONTROL VALVE (5 VALVES) (PART-1) (FOR FC MODEL) Spare Parts Catalog.pdf
- 73. _01-73-04 CONTROL VALVE (5 VALVES) (PART-2) (FOR FC MODEL) Spare Parts Catalog.pdf
- 74. _01-73-05 CONTROL VALVE (3,4,5 VALVES) (PART-1) (FOR FC MODEL) Spare Parts Catalog.pdf
- 75. _01-73-06 CONTROL VALVE (3,4,5 VALVES) (PART-2) (FOR FC MODEL) Spare Parts Catalog.pdf
- 76. _01-73-07 CONTROL VALVE (3,4,5 VALVES) (PART-3) (FOR FC MODEL) Spare Parts Catalog.pdf
- 77. _01-73-08 CONTROL VALVE (RETURN CIRCUIT) (FOR FC MODEL) Spare Parts Catalog.pdf
- 78. _01-73-09 HYD CONTROL SYSTEM (FC MODEL) (PART-1) Spare Parts Catalog.pdf
- 79. _01-73-10 HYD CONTROL SYSTEM (FC MODEL) (PART-2) Spare Parts Catalog.pdf
- 80. _01-75-01 HYD POWER STEERING CIRCUIT Spare Parts Catalog.pdf
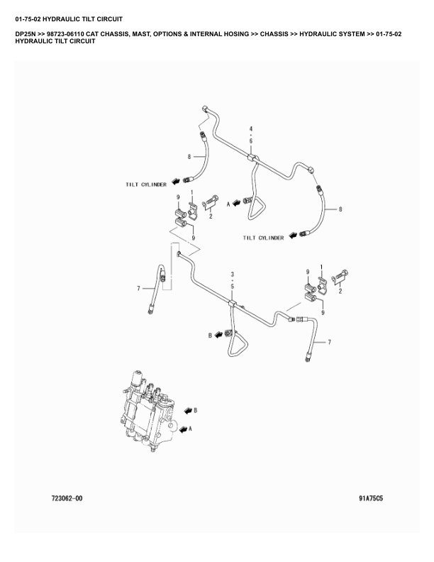
- 81. _01-75-02 HYDRAULIC TILT CIRCUIT Spare Parts Catalog.pdf
- 82. _01-75-03 HYDRAULIC LIFT CIRCUIT Spare Parts Catalog.pdf
- 83. _01-75-04 HYDRAULIC TANK CIRCUIT Spare Parts Catalog.pdf
- 84. _01-81-01 NAME-PLATE Spare Parts Catalog.pdf
- 85. _01-81-02 WARNING LABEL Spare Parts Catalog.pdf
- 86. _01-81-03 FUEL LABEL Spare Parts Catalog.pdf
- 87. _01-81-04 FLOOR MAT Spare Parts Catalog.pdf
- 88. _02-01-01 LIFT BRACKET COMMON PARTS Spare Parts Catalog.pdf
- 89. _02-01-02 LIFT BRACKET Spare Parts Catalog.pdf
- 90. _02-01-03 BACKREST Spare Parts Catalog.pdf
- 91. _02-04-01 TILT CYLINDER (L.H.) Spare Parts Catalog.pdf
- 92. _02-04-02 TILT CYLINDER (R.H.) Spare Parts Catalog.pdf
- 93. _02-06-01 FORK (LENGTH_920-1370) Spare Parts Catalog.pdf
- 94. _02-06-02 FORK (LENGTH_1520-1970) Spare Parts Catalog.pdf
- 95. _02-10-01 MAST COMMON PARTS (PART-1) (FOR 4V25B20-60) Spare Parts Catalog.pdf
- 96. _02-10-02 MAST COMMON PARTS (PART-2) (FOR 4V25B20-60) Spare Parts Catalog.pdf
- 97. _02-10-03 RETURN PIPING COMMON PARTS (FOR 4V25B20-60) Spare Parts Catalog.pdf
- 98. _02-10-04 MAST COMMON PARTS (PART-1) (FOR 4M25C37-70) Spare Parts Catalog.pdf
- 99. _02-10-05 MAST COMMON PARTS (PART-2) (FOR 4M25C37-70) Spare Parts Catalog.pdf
- 100. _02-10-06 MAST COMMON PARTS (PART-3) (FOR 4M25C37-70) Spare Parts Catalog.pdf
- 101. _02-10-07 MAST COMMON PARTS (PART-4) (FOR 4M25C37-70) Spare Parts Catalog.pdf
- 102. _02-10-08 RETURN PIPING COMMON PARTS (FOR 4M25B37-70) Spare Parts Catalog.pdf
- 103. _02-10-09 MAST COMMON PARTS (PART-1) (FOR 4F25C28-40) Spare Parts Catalog.pdf
- 104. _02-10-10 MAST COMMON PARTS (PART-2) (FOR 4F25C28-40) Spare Parts Catalog.pdf
- 105. _02-10-11 MAST COMMON PARTS (PART-3) (FOR 4F25C28-40) Spare Parts Catalog.pdf
- 106. _02-10-12 RETURN PIPING COMMON PARTS (FOR 4F25C28-40) Spare Parts Catalog.pdf
- 107. _02-18-01 DUPLEX MAST MODEL 4F25C28-40 Spare Parts Catalog.pdf
- 108. _02-18-02 LIFT CYLINDER (1ST) (FOR 4F25C28-40) Spare Parts Catalog.pdf
- 109. _02-18-03 LIFT CYLINDER (2ND) (FOR 4F25C28-40) Spare Parts Catalog.pdf
- 110. _02-20-01 TRIPLEX MAST MODEL 4M25C37-70 Spare Parts Catalog.pdf
- 111. _02-20-02 LIFT CYLINDER (1ST) (FOR 4M25C37-70) Spare Parts Catalog.pdf
- 112. _02-20-03 LIFT CYLINDER (2ND) (FOR 4M25C37-70) Spare Parts Catalog.pdf
- 113. _02-60-01 SIMPLEX MAST MODEL 4V25B20-60 Spare Parts Catalog.pdf
- 114. _02-60-02 LIFT CYLINDER (FOR 4V25B20-60) Spare Parts Catalog.pdf
- 115. _03-01-01 RADIATOR NET KIT Spare Parts Catalog.pdf
- 116. _03-01-02 TORQUE CONVERTER OIL FILTER KIT Spare Parts Catalog.pdf
- 117. _03-04-01 REVOLVING LAMP KIT Spare Parts Catalog.pdf
- 118. _03-04-02 REVOLVING REAR WORKING LAMP KIT Spare Parts Catalog.pdf
- 119. _03-04-03 STROBE LAMP KIT Spare Parts Catalog.pdf
- 120. _03-04-04 STROBE REAR WORKING LAMP KIT Spare Parts Catalog.pdf
- 121. _03-04-05 REAR WORKING LAMP KIT Spare Parts Catalog.pdf
- 122. _03-04-06 TURN SIGNAL KIT Spare Parts Catalog.pdf
- 123. _03-04-07 FRONT REAR COMBINATION LAMP KIT Spare Parts Catalog.pdf
- 124. _03-04-08 INVERTED FNR LEVER KIT – OPTION Spare Parts Catalog.pdf
- 125. _03-04-09 INDICATOR KIT Spare Parts Catalog.pdf
- 126. _03-04-10 BACKUP HANDLE KIT Spare Parts Catalog.pdf
- 127. _03-12-01 UTILITY TRAY KIT Spare Parts Catalog.pdf
- 128. _03-13-01 WEIGHT HOOK KIT Spare Parts Catalog.pdf
- 129. _03-20-01 HIGH SPEED FAN KIT Spare Parts Catalog.pdf
- 130. _03-20-02 ENCLOSED ALTERNATOR S4S KIT Spare Parts Catalog.pdf
- 131. _03-32-01 UNIVERSAL JOINT COVER KIT Spare Parts Catalog.pdf
- 132. _03-34-01 FRONT AXLE DUST PROOF BREATHER KIT Spare Parts Catalog.pdf
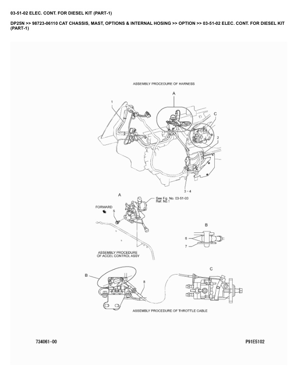
- 133. _03-51-02 ELEC. CONT. FOR DIESEL KIT (PART-1) Spare Parts Catalog.pdf
- 134. _03-51-03 ELEC. CONT. FOR DIESEL KIT (PART-2) Spare Parts Catalog.pdf
- 135. _03-51-04 ELEC. CONT. FOR DIESEL KIT (PART-3) Spare Parts Catalog.pdf
- 136. _03-62-01 ELEVATED EXHAUST KIT Spare Parts Catalog.pdf
Rate this product
You may also like















