Skip to content
Owners Manual PDFOwners Manual PDF
  • Login
  • $0.00
    • No products in the cart.

      Return to shop

  • Cart

    No products in the cart.

    Return to shop

  • Category
  • Menu
  • About us
  • Shop
  • News
  • Contact Us
  • Aisle-Master
    • Aisle-Master Operator Manual PDF
    • Aisle-Master Parts Manual PDF
    • Aisle-Master Service Manual PDF
  • BT
    • BT Operator Manual PDF
    • BT Parts Manual PDF
    • BT Service Manual PDF
    • BT Wiring Diagrams PDF
  • Caterpillar
    • Caterpillar Operation Manual PDF
    • Caterpillar Parts Manual PDF
    • Caterpillar Service Manual PDF
    • Caterpillar Wiring Diagrams PDF
  • Mitsubishi
    • Mitsubishi Operation Manual PDF
    • Mitsubishi Operator Manual PDF
    • Mitsubishi Other Manual PDF
    • Mitsubishi Parts Manual PDF
    • Mitsubishi Service Manual PDF
    • Mitsubishi Wiring Diagrams PDF
    • Mitsubishi Workshop Manual PDF
  • Cesab
    • Cesab Operator Manual PDF
    • Cesab Parts Manual PDF
    • Cesab Service Manual PDF
  • Combilift
    • Combilift Operator Manual PDF
    • Combilift Parts Manual PDF
    • Combilift Service Manual PDF
    • Combilift Wiring Diagrams PDF
  • Deutz
    • Deutz Operator Manual PDF
    • Deutz Parts Manual PDF
  • Doosan
    • Doosan Operator Manual PDF
    • Doosan Other Manual PDF
    • Doosan Parts Manual PDF
    • Doosan Service Manual PDF
    • Doosan Wiring Diagrams PDF
  • EP Forklift
    • EP Forklift Operator Manual PDF
    • EP Forklift Parts Manual PDF
    • EP Forklift Service Manual PDF
  • Hangcha
    • Hangcha Operator Manual PDF
    • Hangcha Other Manual PDF
    • Hangcha Parts Manual PDF
    • Hangcha Service Manual PDF
  • IMPCO
    • IMPCO Operator Manual PDF
    • IMPCO Parts Manual PDF
    • IMPCO Service Manual PDF
  • Jiachen
    • Jiachen Operator Manual PDF
    • Jiachen Other Manual PDF
  • JLG
    • JLG Operator Manual PDF
    • JLG Parts Manual PDF
    • JLG Service Manual PDF
  • Kubota
    • Kubota Operator Manual PDF
    • Kubota Parts Manual PDF
    • Kubota Workshop Manual PDF
  • Mlift
    • Mlift Operation Manual PDF
    • Mlift Service Manual PDF
  • Nissan
    • Nissan Other Manual PDF
    • Nissan Service Manual PDF
  • Okamura
    • Okamura Other Manual PDF
    • Okamura Parts Manual PDF
    • Okamura Service Manual PDF
  • Perkins
    • Perkins Operation Manual PDF
    • Perkins Parts Manual PDF
  • PSI
    • PSI Operator Manual PDF
    • PSI Parts Manual PDF
    • PSI Service Manual PDF
  • Towmotor
    • Towmotor Operation Manual PDF
    • Towmotor Parts Manual PDF
    • Towmotor Service Manual PDF
  • Toyota
    • Toyota Parts Manual PDF
    • Toyota Service Manual PDF
  • Xinchai
    • Xinchai Operator Manual PDF
    • Xinchai Parts Manual PDF
    • Xinchai Workshop Manual PDF
    • Xinchai Other Manual PDF
  • Yanmar
    • Yanmar Operator Manual PDF
    • Yanmar Parts Manual PDF
    • Yanmar Service Manual PDF
    • Yanmar Other Manual PDF
  • Yitou
    • Yitou Operator Manual PDF
    • Yitou Other Manual PDF
    • Yitou Parts Manual PDF
Support
Email
admin@ownersmanualpdf.net
Follow us
Home / Caterpillar / Caterpillar Part Manual PDF
Caterpillar DP40N Parts Manual PCEEG-CT12B-21
Caterpillar DP40N Parts Manual PCEEG-CT12B-21 - Image 2
Caterpillar DP40N Parts Manual PCEEG-CT12B-21 - Image 3
Caterpillar DP40N Parts Manual PCEEG-CT12B-21 - Image 4
Caterpillar DP40N Parts Manual PCEEG-CT12B-21 - Image 5
caterpillar dp40n parts manual pceeg ct12b 21 2
caterpillar dp40n parts manual pceeg ct12b 21 3
caterpillar dp40n parts manual pceeg ct12b 21 4
caterpillar dp40n parts manual pceeg ct12b 21 5

Caterpillar DP40N Parts Manual PCEEG-CT12B-21

$50.00

  • Type Of Manual: Parts Manual
  • Book Number: PCEEG-CT12B-21
  • Information: CAT S6S-E35AFL DIESEL ENGINE (2021 update)
  • Number of Pages: 99
  • Size: 14.3MB
  • Format: PDF
Category: Caterpillar Part Manual PDF
Product Categories
  • Aisle-Master (0)
    • Aisle-Master Operator Manual PDF (0)
    • Aisle-Master Parts Manual PDF (0)
    • Aisle-Master Service Manual PDF (0)
  • All Product (4091)
    • CAT (4091)
      • Articulated Dump Truck (55)
        • Articulated Dump Truck (55)
        • CAT (55)
      • Asphalt (93)
        • Asphalt (93)
        • CAT (93)
      • Compactor (20)
        • CAT (20)
        • Compactor (20)
      • Dozer (712)
        • Articulated Dump Truck (1)
        • CAT (712)
        • Dozer (709)
        • Engine (2)
      • Engine (873)
        • CAT (873)
        • Engine (873)
      • Excavator (1203)
        • CAT (1203)
        • Excavator (1203)
      • Forklift (11)
        • CAT (11)
        • Forklift (11)
      • Loader (654)
        • CAT (654)
        • Loader (654)
          • CAT (0)
          • Loader (0)
      • Motor Grader (228)
        • CAT (228)
        • Motor Grader (228)
      • Scraper (90)
        • CAT (90)
        • Scraper (90)
      • Skidder (17)
        • CAT (17)
        • Skidder (10)
        • Skidsteer (7)
      • Skidsteer (106)
        • CAT (106)
        • Skidsteer (106)
      • Telehandler (29)
        • CAT (29)
        • Telehandler (29)
  • Big Joe (0)
    • Big Joe Service Manual PDF (0)
  • BT (1590)
    • BT Operator Manual PDF (190)
    • BT Parts Manual PDF (1400)
    • BT Service Manual PDF (0)
    • BT Wiring Diagrams PDF (0)
  • Bucyrus (0)
    • Bucyrus Operation Manual PDF (0)
    • Bucyrus Parts Manual PDF (0)
    • Bucyrus Service Manual PDF (0)
    • Bucyrus Wiring Diagrams PDF (0)
  • Carraro (0)
    • Carraro Parts Manual PDF (0)
  • Caterpillar (3228)
    • Caterpillar Operation Manual PDF (376)
    • Caterpillar Part Manual PDF (2168)
    • Caterpillar Parts Manual PDF (278)
    • Caterpillar Service Manual PDF (324)
    • Caterpillar Wiring Diagrams PDF (82)
  • Cesab (0)
    • Cesab Operator Manual PDF (0)
    • Cesab Parts Manual PDF (0)
    • Cesab Service Manual PDF (0)
  • Combilift (0)
    • Combilift Operator Manual PDF (0)
    • Combilift Parts Manual PDF (0)
    • Combilift Service Manual PDF (0)
    • Combilift Wiring Diagrams PDF (0)
  • Curtis (0)
    • Curtis Operator Manual PDF (0)
  • Daewoo (0)
    • Daewoo Wiring Diagrams PDF (0)
  • Davis Derby (0)
    • Davis Derby Service Manual PDF (0)
  • Deutz (0)
    • Deutz Operator Manual PDF (0)
    • Deutz Parts Manual PDF (0)
  • Dongfeng Chaoyang (0)
    • Dongfeng Chaoyang Parts Manual PDF (0)
  • Doosan (0)
    • Doosan Operator Manual PDF (0)
    • Doosan Other Manual PDF (0)
    • Doosan Parts Manual PDF (0)
    • Doosan Service Manual PDF (0)
    • Doosan Wiring Diagrams PDF (0)
  • Dungheinrich (1)
    • Dungheinrich Operation Manual PDF (1)
  • Easycon II (0)
    • Easycon II Operator Manual PDF (0)
  • Eneroc (0)
    • Eneroc Service Manual PDF (0)
  • EP Forklift (0)
    • EP Forklift Operator Manual PDF (0)
    • EP Forklift Parts Manual PDF (0)
    • EP Forklift Service Manual PDF (0)
  • Guangdong (0)
    • Guangdong Operator Manual PDF (0)
  • Hangcha (584)
    • Hangcha Operator Manual PDF (145)
    • Hangcha Other Manual PDF (67)
    • Hangcha Parts Manual PDF (302)
    • Hangcha Service Manual PDF (70)
  • IMPCO (0)
    • IMPCO Operator Manual PDF (0)
    • IMPCO Parts Manual PDF (0)
    • IMPCO Service Manual PDF (0)
  • Isuzu (0)
    • Isuzu Operator Manual PDF (0)
    • Isuzu Parts Manual PDF (0)
    • Isuzu Workshop Manual PDF (0)
  • Jiachen (0)
    • Jiachen Operator Manual PDF (0)
    • Jiachen Other Manual PDF (0)
  • JLG (0)
    • JLG Operator Manual PDF (0)
    • JLG Parts Manual PDF (0)
    • JLG Service Manual PDF (0)
  • John Deere (0)
    • John Deere Parts Manual PDF (0)
  • Jungheinrich (0)
    • Jungheinrich Operator Manual PDF (0)
  • Kubota (0)
    • Kubota Operator Manual PDF (0)
    • Kubota Parts Manual PDF (0)
    • Kubota Workshop Manual PDF (0)
  • Lift-Rite (0)
    • Lift-Rite Parts Manual PDF (0)
  • Linkbelt (17)
    • Linkbelt (17)
  • Logisnext (1)
    • Logisnext Parts Manual PDF (0)
    • Logisnext Service Manual PDF (1)
  • Mannesmann (0)
    • Mannesmann Service Manual PDF (0)
  • Mitsubishi (600)
    • Mitsubishi Operation Manual PDF (200)
    • Mitsubishi Operator Manual PDF (0)
    • Mitsubishi Other Manual PDF (0)
    • Mitsubishi Parts Manual PDF (22)
    • Mitsubishi Service Manual PDF (355)
    • Mitsubishi Wiring Diagrams PDF (22)
    • Mitsubishi Workshop Manual PDF (1)
  • Mlift (0)
    • Mlift Operation Manual PDF (0)
    • Mlift Service Manual PDF (0)
  • Motrec (0)
    • Motrec Operator Manual PDF (0)
  • Movit (0)
    • Movit Parts Manual PDF (0)
  • Nippon Yusoki (0)
    • Nippon Yusoki Parts Manual PDF (0)
    • Nippon Yusoki Workshop Manual PDF (0)
  • Nissan (0)
    • Nissan Other Manual PDF (0)
    • Nissan Service Manual PDF (0)
  • Okamura (0)
    • Okamura Other Manual PDF (0)
    • Okamura Parts Manual PDF (0)
    • Okamura Service Manual PDF (0)
  • Other Manual (140)
    • Caterpillar Other Manual PDF (139)
    • Mitsubishi Other Manual PDF (0)
    • Rocla Other Manual PDF (1)
  • Perkins (5)
    • Perkins Operation Manual PDF (5)
    • Perkins Parts Manual PDF (0)
  • Poclain Hydraulics (0)
    • Poclain Hydraulics Service Manual PDF (0)
  • PSI (0)
    • PSI Operator Manual PDF (0)
    • PSI Parts Manual PDF (0)
    • PSI Service Manual PDF (0)
  • Rocla (2)
    • Rocla Operation Manual PDF (2)
  • Toro (17)
    • Toro (17)
  • Towmotor (44)
    • Towmotor Operation Manual PDF (20)
    • Towmotor Parts Manual PDF (1)
    • Towmotor Service Manual PDF (23)
  • Toyota (0)
    • Toyota Parts Manual PDF (0)
    • Toyota Service Manual PDF (0)
  • VW (0)
    • VW Workshop Manual PDF (0)
  • Weichai (0)
    • Weichai Parts Manual PDF (0)
  • WoodWard (0)
    • WoodWard Service Manual PDF (0)
  • Xinchai (0)
    • Xinchai Operator Manual PDF (0)
    • Xinchai Other Manual PDF (0)
    • Xinchai Parts Manual PDF (0)
    • Xinchai Workshop Manual PDF (0)
  • Yamar (0)
    • Yamar Service Manual PDF (0)
  • Yanmar (0)
    • Yanmar Operator Manual PDF (0)
    • Yanmar Other Manual PDF (0)
    • Yanmar Parts Manual PDF (0)
    • Yanmar Service Manual PDF (0)
  • Yitou (0)
    • Yitou Operator Manual PDF (0)
    • Yitou Other Manual PDF (0)
    • Yitou Parts Manual PDF (0)
  • Yuchai (0)
    • Yuchai Parts Manual PDF (0)
  • Zapi (0)
    • Zapi Operator Manual PDF (0)
  • ZF (0)
    • ZF Other Manual PDF (0)
    • ZF Parts Manual PDF (0)
  • Model List:

    • DP40N
  • 1. _01-01 CYLINDER HEAD Spare Parts Catalog.pdf
  • 2. _01-02 LIFTING EYE Spare Parts Catalog.pdf
  • 3. _01-03 VALVE MECHANISM Spare Parts Catalog.pdf
  • 4. _01-04 ROCKER COVER Spare Parts Catalog.pdf
  • 5. _01-05 CAMSHAFT TAPPET Spare Parts Catalog.pdf
  • 6. _01-06 CRANKCASE Spare Parts Catalog.pdf
  • 7. _01-07 1_8 PLUG (CRANKCASE) Spare Parts Catalog.pdf
  • 8. _01-08 3_8 PLUG (CRANKCASE) Spare Parts Catalog.pdf
  • 9. _01-09 DRAIN COCK PIPE Spare Parts Catalog.pdf
  • 10. _01-10 PLUG (CYLINDER HEAD) Spare Parts Catalog.pdf
  • 11. _01-11 REAR PLATE Spare Parts Catalog.pdf
  • 12. _01-12 MAIN BEARING Spare Parts Catalog.pdf
  • 13. _01-13 TIMING GEAR CASE Spare Parts Catalog.pdf
  • 14. _01-14 OIL PAN LEVEL GAGE Spare Parts Catalog.pdf
  • 15. _01-15 PISTON Spare Parts Catalog.pdf
  • 16. _01-16 CONNECTING ROD Spare Parts Catalog.pdf
  • 17. _01-17 CRANKSHAFT Spare Parts Catalog.pdf
  • 18. _01-18 CRANK PULLEY Spare Parts Catalog.pdf
  • 19. _01-19 FLYWHEEL Spare Parts Catalog.pdf
  • 20. _01-20 TORSIONAL DAMPER Spare Parts Catalog.pdf
  • 21. _01-21 TIMING GEAR Spare Parts Catalog.pdf
  • 22. _30-01 INLET SYSTEM Spare Parts Catalog.pdf
  • 23. _30-02 INLET PIPE Spare Parts Catalog.pdf
  • 24. _30-03 EXHAUST SYSTEM Spare Parts Catalog.pdf
  • 25. _35-01 OIL PUMP Spare Parts Catalog.pdf
  • 26. _35-02 OIL STRAINER Spare Parts Catalog.pdf
  • 27. _35-03 OIL SYSTEM Spare Parts Catalog.pdf
  • 28. _35-04 OIL COOLER Spare Parts Catalog.pdf
  • 29. _35-05 OIL FILTER Spare Parts Catalog.pdf
  • 30. _35-06 BREATHER Spare Parts Catalog.pdf
  • 31. _45-01 WATER PUMP Spare Parts Catalog.pdf
  • 32. _45-02 WATER PUMP PULLEY Spare Parts Catalog.pdf
  • 33. _45-03 COOLING SYSTEM Spare Parts Catalog.pdf
  • 34. _45-04 FAN Spare Parts Catalog.pdf
  • 35. _45-05 FAN SPACER Spare Parts Catalog.pdf
  • 36. _45-06 V BELT Spare Parts Catalog.pdf
  • 37. _61-01 FUEL SYSTEM (1_2) Spare Parts Catalog.pdf
  • 38. _61-02 FUEL SYSTEM (2_2) Spare Parts Catalog.pdf
  • 39. _61-03 FUEL FILTER Spare Parts Catalog.pdf
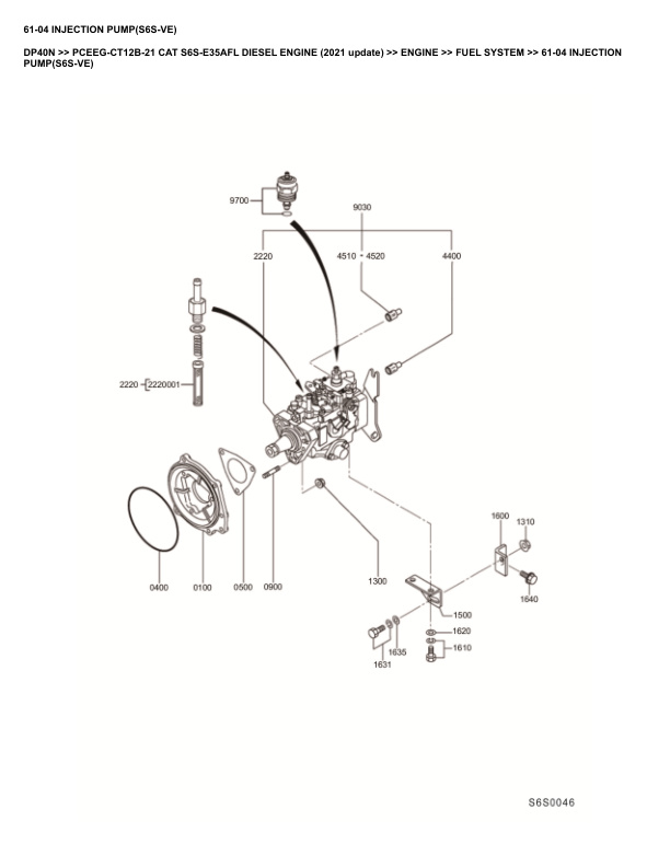
  • 40. _61-04 INJECTION PUMP(S6S-VE) Spare Parts Catalog.pdf
  • 41. _66-01 STARTER (1_2) Spare Parts Catalog.pdf
  • 42. _66-02 STARTER (2_2) Spare Parts Catalog.pdf
  • 43. _66-03 GLOW PLUG WIRE Spare Parts Catalog.pdf
  • 44. _66-04 ALTERNATOR (1_2) Spare Parts Catalog.pdf
  • 45. _66-05 ALTERNATOR (2_2) Spare Parts Catalog.pdf
  • 46. _90-01 INSTRUMENT (S6S) Spare Parts Catalog.pdf
  • 47. _90-02 S6S OVERHAUL GASKET KIT – WITH LIQUID GASKET Spare Parts Catalog.pdf
  • 48. _90-03 S6S OVERHAUL GASKET KIT – WITHOUT LIQUID GASKET Spare Parts Catalog.pdf
  • 49. _90-04 NAME PLATE (S6S) Spare Parts Catalog.pdf
Rate this product
You may also like
Caterpillar GP20PT Parts Manual PCAEG-CT13H-23Alternative view of Caterpillar GP20PT Parts Manual PCAEG-CT13H-23

Caterpillar Part Manual PDF

Caterpillar GP20PT Parts Manual PCAEG-CT13H-23

$50.00
Add to cart
Caterpillar GP20PD Parts Manual PCEEG-CT13H-23Alternative view of Caterpillar GP20PD Parts Manual PCEEG-CT13H-23

Caterpillar Part Manual PDF

Caterpillar GP20PD Parts Manual PCEEG-CT13H-23

$50.00
Add to cart
Caterpillar GP20N Parts Manual 98713-85100Alternative view of Caterpillar GP20N Parts Manual 98713-85100

Caterpillar Part Manual PDF

Caterpillar GP20N Parts Manual 98713-85100

$50.00
Add to cart
Caterpillar GP20N Parts Manual 98723-0C400Alternative view of Caterpillar GP20N Parts Manual 98723-0C400

Caterpillar Part Manual PDF

Caterpillar GP20N Parts Manual 98723-0C400

$50.00
Add to cart
Caterpillar GP20PT Parts Manual PCCEG-CT13H-23Alternative view of Caterpillar GP20PT Parts Manual PCCEG-CT13H-23

Caterpillar Part Manual PDF

Caterpillar GP20PT Parts Manual PCCEG-CT13H-23

$50.00
Add to cart
Caterpillar GP20K MC Parts Manual SEBN0001-01Alternative view of Caterpillar GP20K MC Parts Manual SEBN0001-01

Caterpillar Part Manual PDF

Caterpillar GP20K MC Parts Manual SEBN0001-01

$50.00
Add to cart
Caterpillar GP20N Parts Manual 98727-45100Alternative view of Caterpillar GP20N Parts Manual 98727-45100

Caterpillar Part Manual PDF

Caterpillar GP20N Parts Manual 98727-45100

$50.00
Add to cart
Caterpillar GP20N Parts Manual 98723-45300Alternative view of Caterpillar GP20N Parts Manual 98723-45300

Caterpillar Part Manual PDF

Caterpillar GP20N Parts Manual 98723-45300

$50.00
Add to cart
Caterpillar GP20N Parts Manual PCFEE-ST17E-22Alternative view of Caterpillar GP20N Parts Manual PCFEE-ST17E-22

Caterpillar Part Manual PDF

Caterpillar GP20N Parts Manual PCFEE-ST17E-22

$50.00
Add to cart
Caterpillar GP20PT Parts Manual PCCEG-JT13H-24Alternative view of Caterpillar GP20PT Parts Manual PCCEG-JT13H-24

Caterpillar Part Manual PDF

Caterpillar GP20PT Parts Manual PCCEG-JT13H-24

$50.00
Add to cart
    Links of interest
    • About us
    • Refund and Returns Policy
    • Terms & Conditions
    • Shipping Policy
    • Privacy Policy
    • Contact Us
    Product tags
    Agricultural Automotive Heavy Construction
© All rights reserved. 2023
PayPal
Visa
BitCoin
MasterCard
Western Union
Visa
PayPal
MasterCard
Copyright 2026 © ownersmanualpdf.net
  • Category
  • Menu
  • About us
  • Shop
  • News
  • Contact Us
  • Aisle-Master
    • Aisle-Master Operator Manual PDF
    • Aisle-Master Parts Manual PDF
    • Aisle-Master Service Manual PDF
  • BT
    • BT Operator Manual PDF
    • BT Parts Manual PDF
    • BT Service Manual PDF
    • BT Wiring Diagrams PDF
  • Caterpillar
    • Caterpillar Operation Manual PDF
    • Caterpillar Parts Manual PDF
    • Caterpillar Service Manual PDF
    • Caterpillar Wiring Diagrams PDF
  • Mitsubishi
    • Mitsubishi Operation Manual PDF
    • Mitsubishi Operator Manual PDF
    • Mitsubishi Other Manual PDF
    • Mitsubishi Parts Manual PDF
    • Mitsubishi Service Manual PDF
    • Mitsubishi Wiring Diagrams PDF
    • Mitsubishi Workshop Manual PDF
  • Cesab
    • Cesab Operator Manual PDF
    • Cesab Parts Manual PDF
    • Cesab Service Manual PDF
  • Combilift
    • Combilift Operator Manual PDF
    • Combilift Parts Manual PDF
    • Combilift Service Manual PDF
    • Combilift Wiring Diagrams PDF
  • Deutz
    • Deutz Operator Manual PDF
    • Deutz Parts Manual PDF
  • Doosan
    • Doosan Operator Manual PDF
    • Doosan Other Manual PDF
    • Doosan Parts Manual PDF
    • Doosan Service Manual PDF
    • Doosan Wiring Diagrams PDF
  • EP Forklift
    • EP Forklift Operator Manual PDF
    • EP Forklift Parts Manual PDF
    • EP Forklift Service Manual PDF
  • Hangcha
    • Hangcha Operator Manual PDF
    • Hangcha Other Manual PDF
    • Hangcha Parts Manual PDF
    • Hangcha Service Manual PDF
  • IMPCO
    • IMPCO Operator Manual PDF
    • IMPCO Parts Manual PDF
    • IMPCO Service Manual PDF
  • Jiachen
    • Jiachen Operator Manual PDF
    • Jiachen Other Manual PDF
  • JLG
    • JLG Operator Manual PDF
    • JLG Parts Manual PDF
    • JLG Service Manual PDF
  • Kubota
    • Kubota Operator Manual PDF
    • Kubota Parts Manual PDF
    • Kubota Workshop Manual PDF
  • Mlift
    • Mlift Operation Manual PDF
    • Mlift Service Manual PDF
  • Nissan
    • Nissan Other Manual PDF
    • Nissan Service Manual PDF
  • Okamura
    • Okamura Other Manual PDF
    • Okamura Parts Manual PDF
    • Okamura Service Manual PDF
  • Perkins
    • Perkins Operation Manual PDF
    • Perkins Parts Manual PDF
  • PSI
    • PSI Operator Manual PDF
    • PSI Parts Manual PDF
    • PSI Service Manual PDF
  • Towmotor
    • Towmotor Operation Manual PDF
    • Towmotor Parts Manual PDF
    • Towmotor Service Manual PDF
  • Toyota
    • Toyota Parts Manual PDF
    • Toyota Service Manual PDF
  • Xinchai
    • Xinchai Operator Manual PDF
    • Xinchai Parts Manual PDF
    • Xinchai Workshop Manual PDF
    • Xinchai Other Manual PDF
  • Yanmar
    • Yanmar Operator Manual PDF
    • Yanmar Parts Manual PDF
    • Yanmar Service Manual PDF
    • Yanmar Other Manual PDF
  • Yitou
    • Yitou Operator Manual PDF
    • Yitou Other Manual PDF
    • Yitou Parts Manual PDF