Caterpillar DP70N Parts Manual 98705-90100
$50.00
- Type Of Manual: Parts Manual
- Book Number: 98705-90100
- Information: CAT MAST 4V70D30-60, ATTACHMENT, INTERNAL HOSING
- Number of Pages: 197
- Size: 20.4MB
- Format: PDF
Category: Caterpillar Part Manual PDF
-
Model List:
- DP70N
- 1. _02-01-01 LIFT BRACKET COMMON PARTS Spare Parts Catalog.pdf
- 2. _02-01-02 LIFT BRACKET (HOOK TYPE) Spare Parts Catalog.pdf
- 3. _02-01-03 LIFT BRACKET (BAR TYPE) Spare Parts Catalog.pdf
- 4. _02-01-04 BACKREST (HOOK TYPE) Spare Parts Catalog.pdf
- 5. _02-04-01 TILT CYLINDER (L.H.) (UPTO 2022-08) Spare Parts Catalog.pdf
- 6. _02-04-02 TILT CYLINDER (R.H.) (UPTO 2022-08) Spare Parts Catalog.pdf
- 7. _02-04-03 TILT CYLINDER (FROM 2022-09) Spare Parts Catalog.pdf
- 8. _02-06-01 FORK (HOOK TYPE) Spare Parts Catalog.pdf
- 9. _02-06-02 FORK (BAR TYPE) Spare Parts Catalog.pdf
- 10. _02-10-01 MAST COMMON PARTS Spare Parts Catalog.pdf
- 11. _02-10-02 FLOW REGULATOR VALVE Spare Parts Catalog.pdf
- 12. _02-60-01 SIMPLEX MAST Spare Parts Catalog.pdf
- 13. _02-60-0102 LIFT CYLINDER Spare Parts Catalog.pdf
- 14. _04-41-01 PULLEY (3 VALVES) Spare Parts Catalog.pdf
- 15. _04-41-02 MAST PIPING (3 VALVES) Spare Parts Catalog.pdf
- 16. _04-41-03 PULLEY (4 VALVES) Spare Parts Catalog.pdf
- 17. _04-41-04 MAST PIPING (4 VALVES) Spare Parts Catalog.pdf
- 18. _04-41-05 PULLEY (5 VALVES) Spare Parts Catalog.pdf
- 19. _05-40-01 FORK CARRIAGE 4SS70BVH (HOOK TYPE) Spare Parts Catalog.pdf
- 20. _05-40-02 LIFT BRACKET COMMON PARTS 4SS70BVH (HOOK TYPE) Spare Parts Catalog.pdf
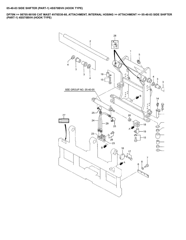
- 21. _05-40-03 SIDE SHIFTER (PART-1) 4SS70BVH (HOOK TYPE) Spare Parts Catalog.pdf
- 22. _05-40-04 SIDE SHIFTER (PART-2) 4SS70BVH (HOOK TYPE) Spare Parts Catalog.pdf
- 23. _05-40-05 CYLINDER ASSY 4SS70BVH (HOOK TYPE) Spare Parts Catalog.pdf
- 24. _05-46-01 LIFT BRACKET COMMON PARTS 4HP70BVH (HOOK TYPE) Spare Parts Catalog.pdf
- 25. _05-46-02 FORK POSITIONER (PART-1) 4HP70BVH (HOOK TYPE) Spare Parts Catalog.pdf
- 26. _05-46-03 FORK POSITIONER (PART-2) 4HP70BVH (HOOK TYPE) Spare Parts Catalog.pdf
- 27. _05-46-04 FORK POSITIONER (PART-3) 4HP70BVH (HOOK TYPE) Spare Parts Catalog.pdf
- 28. _05-46-05 CYLINDER ASSY 4HP70BVH (HOOK TYPE) (OLD) Spare Parts Catalog.pdf
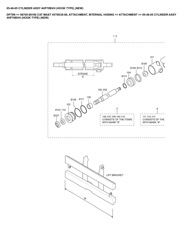
- 29. _05-46-05 CYLINDER ASSY 4HP70BVH (HOOK TYPE) (NEW) Spare Parts Catalog.pdf
- 30. _05-46-06 LIFT BRACKET COMMON PARTS 4HP70CVB (BAR TYPE) Spare Parts Catalog.pdf
- 31. _05-46-07 FORK POSITIONER (PART-1) 4HP70CVB (BAR TYPE) Spare Parts Catalog.pdf
- 32. _05-46-08 FORK POSITIONER (PART-2) 4HFP70BVB (BAR TYPE) Spare Parts Catalog.pdf
- 33. _05-46-09 FORK POSITIONER (PART-3) 4HFP70BVB (BAR TYPE) Spare Parts Catalog.pdf
- 34. _05-46-10 CYLINDER ASSY 4HFP70BVB (BAR TYPE) (OLD) Spare Parts Catalog.pdf
- 35. _05-46-10 CYLINDER ASSY 4HFP70BVB (BAR TYPE) (NEW) Spare Parts Catalog.pdf
- 36. _05-51-01 LIFT BRACKET COMMON PARTS 4SS70DVB (BAR TYPE) Spare Parts Catalog.pdf
- 37. _05-51-02 SIDE SHIFTER (PART-1) 4SS70DVB (BAR TYPE) Spare Parts Catalog.pdf
- 38. _05-51-03 SIDE SHIFTER (PART-2) 4SS70DVB (BAR TYPE) Spare Parts Catalog.pdf
- 39. _05-52-01 LIFT BRACKET COMMON PARTS 4SS70BVB (BAR TYPE) Spare Parts Catalog.pdf
- 40. _05-52-02 SIDE SHIFTER W_FORK POSITIONER (PART-1) 4SF70BVB Spare Parts Catalog.pdf
- 41. _05-52-03 SIDE SHIFTER W_FORK POSITIONER (PART-2) 4SF70BVB Spare Parts Catalog.pdf
- 42. _05-52-04 SIDE SHIFTER W_FORK POSITIONER (PART-3) 4SF70BVB Spare Parts Catalog.pdf
- 43. _05-52-05 SIDE SHIFTER W_FORK POSITIONER (PART-4) 4SF70BVB Spare Parts Catalog.pdf
- 44. _05-52-06 SIDE SHIFTER W_FORK POSITIONER (PART-5) 4SF70BVB Spare Parts Catalog.pdf
Rate this product
You may also like















