Caterpillar GP40N-55N, DP40NB-55NB Chassis and Mast Service Manual 99739-6B110
$50.00
- Type Of Manual: Service Manual
- Manual ID: 99739-6B110
- Number of Pages: 826
- Size: 99.8MB
- Format: PDF
-
Model List:
- GP40N, GP45N, GP50CN, GP50N, GP55N, DP40NB, DP45NB, DP50CNB, DP50NB, DP55NB
- 1. _FOREWORD
- 2. _General Information
- 3. _Cooling System
- 4. _Electrical System
- 5. _Electrical Schematic System
- 5.1.
- 5.2.
- 5.3.
- 5.4.
- 5.5.
- 6. _CONTROLLERS
- 7. _Power Train
- 8. _3-SPEED Powershift Transmission
- 9. _Front Axle and Reduction Differential
- 10. _Rear Axle
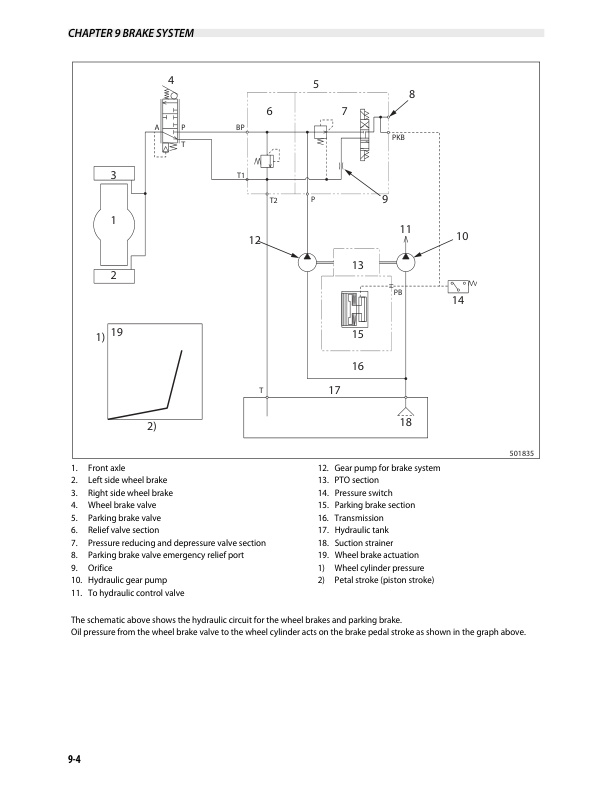
- 11. _Brake System
- 12. _Steering System
- 13. _Hydraulic System
- 14. _Mast and Forks
- 15. _Service Data
- 16. _OPTIONS
- 17. _How to Read Circuit Diagrams
- 18. _Circuit Diagram
- 19.
Caterpillar Service Manual PDF
Caterpillar 1204F Diesel Engine Disassembly and Assembly Service Manual 99799-67102
Caterpillar Service Manual PDF
Caterpillar DP100, DP115, DP135, DP150 Chassis and Mast Service Manual 99799-80110
Caterpillar Service Manual PDF
Caterpillar DP60, DP70 Chassis and Mast Service Manual 99709-86120
Caterpillar Service Manual PDF
Caterpillar 1204E Diesel Engine Systems Operation Testing and Adjusting Service Manual 99799-64103
Caterpillar Service Manual PDF
Caterpillar 1.4 Liter (4G33) Gasoline Engine Service Manual SENB8525
Caterpillar Service Manual PDF
Caterpillar DP100NM1 to DP150NM1S Chassis and Mast Service Manual 99799-41110
Caterpillar Service Manual PDF
Caterpillar 1204E Diesel Engine Service Manual SCEEA-AT15E-200
Caterpillar Service Manual PDF
Caterpillar 1204E Diesel Engine Operation and Maintenance Manual Service Manual 99799-64105
Caterpillar Service Manual PDF
Caterpillar DP100, DP115, DP135, DP150 Chassis and Mast Service Manual SENB8596
Caterpillar Service Manual PDF
Caterpillar DP60, DP70 Chassis, Mast and Options Service Manual 99709-67100






