Caterpillar NVT11, NVT12, NVT13, NVT14, NVT15, NVT15XL, NVT20 Electrical Diagrams EL24GBVNA1C0
$30.00
- Type Of Manual: Electrical Diagrams
- Manual ID: EL24GBVNA1C0
- Number of Pages: 46
- Size: 2.3MB
- Format: PDF
-
Model List:
- NVT11, NVT12, NVT13, NVT14, NVT15, NVT15XL, NVT20
- 1. EL20GB1PT0C00 Front
- 2. EL20GB1PT0C00 Rear
- 3. Contents
- 4. combined
- 4.1. Connection_overview-MB07-V4.x
- 4.2. Chassis main board MB07_V4_02
- 4.3. Pin overview 1 MB07
- 4.4. Pin overview 2 MB07
- 4.5. Pin overview 3 MB07
- 4.6. Controler-Board-48V
- 4.7. Controler-Board-80V
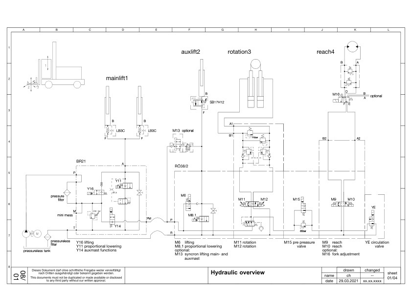
- 4.8. Hydraulic overview
- 4.9. Simultaneously lowering
Caterpillar Wiring Diagrams PDF
Caterpillar 2EC15 to 2EC30 EV100ZX Control System w-o SCR Schematic SENB8614-02
Caterpillar Wiring Diagrams PDF
Caterpillar Wiring Diagrams PDF
Caterpillar F40DSA to MC60DSA Lift Trucks MicroCommand Control System-3 Motor Schematic SENB8460
Caterpillar Wiring Diagrams PDF
Caterpillar Wiring Diagrams PDF
Caterpillar M70B, M80B, M100B MicroCommand Control System Schematic SENB8402
Caterpillar Wiring Diagrams PDF
Caterpillar F40D to M50D Lift Trucks MicroCommand Control System Schematic SENB8326
Caterpillar Wiring Diagrams PDF
Caterpillar NOL10N, NOL10NF, NOL10NV Electrical Diagrams TS1260210
Caterpillar Wiring Diagrams PDF
Caterpillar NO20NEP, NO20NEX(P), NO10NEF(P) Electrical Diagrams TS1320000










