Caterpillar S6S-T Diesel Engine Service Manual 99709-8B100
$50.00
- Type Of Manual: Service Manual
- Manual ID: 99709-8B100
- Number of Pages: 216
- Size: 21.0MB
- Format: PDF
-
Model List:
- S6S-T Diesel Engine
- 1. S6S-T Diesel Engine_99709-8B100-00_Foreword
- 2. S6S-T Diesel Engine_99709-8B100-01_General
- 3. S6S-T_DIESEL_ENGINE_99709-8B100-00_FOREWORD
- 4. S6S-T_DIESEL_ENGINE_99709-8B100-01_GENERAL
- 5. S6S-T_DIESEL_ENGINE_99709-8B100-02_SERVICE_DATA
- 6. S6S-T_DIESEL_ENGINE_99709-8B100-03_SERVICE_TOOL
- 7. S6S-T_DIESEL_ENGINE_99709-8B100-04_OVERHAUL_INSTRUCTIONS
- 8. S6S-T_DIESEL_ENGINE_99709-8B100-05_DISASSEMBLY_OF_BASIC_ENGINE
- 9. S6S-T_DIESEL_ENGINE_99709-8B100-06_INSPECTION_AND_REPAIR_OF_BASIC_ENGINE
- 10. S6S-T_DIESEL_ENGINE_99709-8B100-07_ASSEMBLY_OF_BASIC_ENGINE
- 11. S6S-T_DIESEL_ENGINE_99709-8B100-08_FUEL_SYSTEM
- 12. S6S-T_DIESEL_ENGINE_99709-8B100-09_LUBRICATION_SYSTEM
- 13. S6S-T_DIESEL_ENGINE_99709-8B100-10_COOLING_SYSTEM
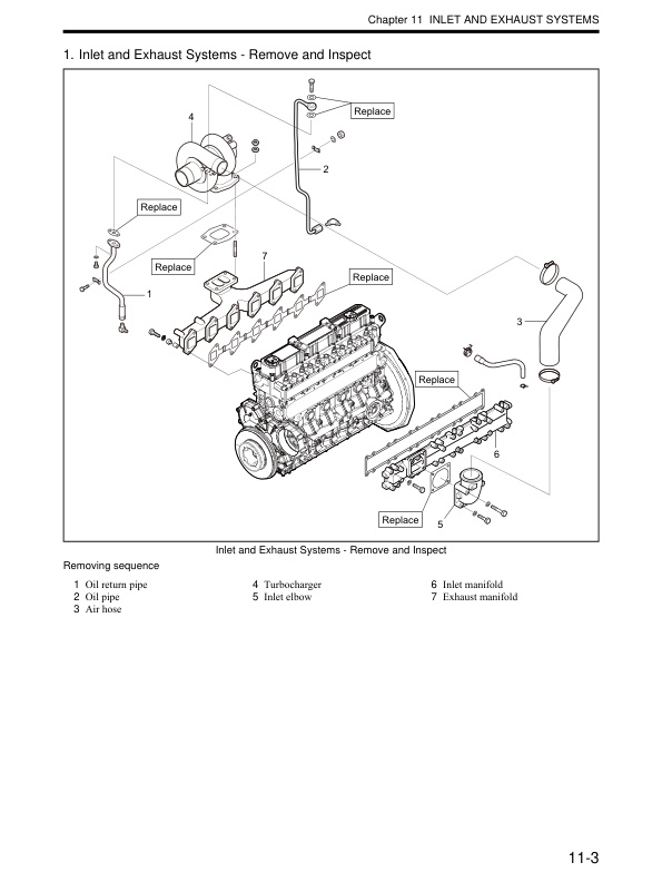
- 14. S6S-T_DIESEL_ENGINE_99709-8B100-11_INLET_AND_EXHAUST_SYSTEMS
- 15. S6S-T_DIESEL_ENGINE_99709-8B100-12_ELECTRICAL_SYSTEM
- 16. S6S-T_DIESEL_ENGINE_99709-8B100-13_ADJUSTMENT_AND_OPERATION
Caterpillar Service Manual PDF
Caterpillar 1204E Diesel Engine Operation and Maintenance Manual Service Manual 99799-64105
Caterpillar Service Manual PDF
Caterpillar 1204E Diesel Engine Service Manual SCEEA-AT15E-200
Caterpillar Service Manual PDF
Caterpillar 4G15, 4G63, 4G64, 6G72 Engine Service Manual 99719-34130
Caterpillar Service Manual PDF
Caterpillar 1204F Diesel Engine Disassembly and Assembly Service Manual 99799-67102
Caterpillar Service Manual PDF
Caterpillar 2P3000 to 2PD7000, GP15NM-35NM Chassis and Mast Service Manual 99719-8M110
Caterpillar Service Manual PDF
Caterpillar 4G63, 4G64 Gasoline Engine Service Manual 99729-84120
Caterpillar Service Manual PDF
Caterpillar 1.4 Liter (4G33) to 3.0 Liter (6G72) LP Gas Supplement Service Manual SENB8531
Caterpillar Service Manual PDF
Caterpillar 4G63, 4G64, 6G72 Liquefied Petroleum Gas Supplement Service Manual 99729-85100
Caterpillar Service Manual PDF
Caterpillar 4G63, 4G64 Fuel System Supplement Service Manual 99729-85110
Caterpillar Service Manual PDF







