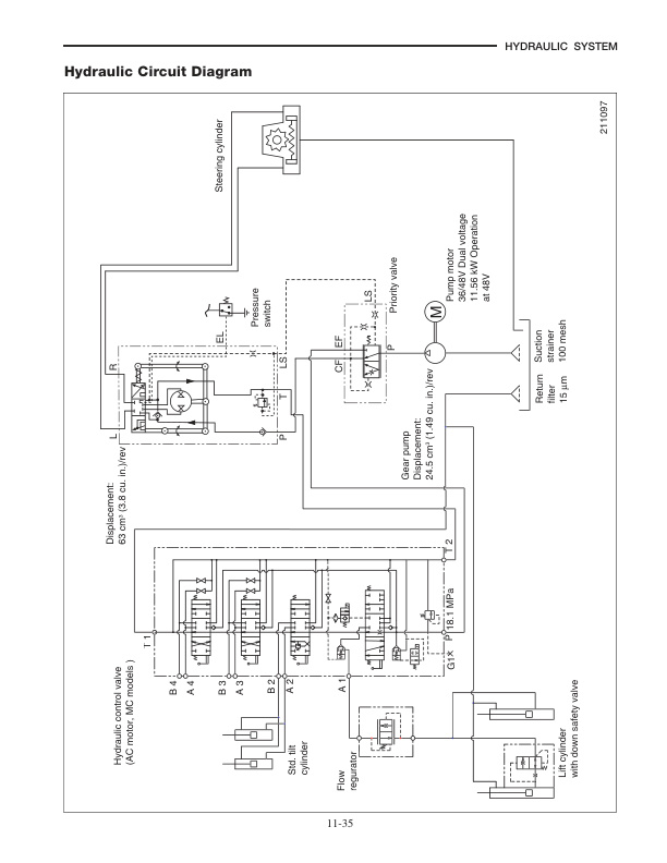
Mitsubishi FB16NT, FB18NT, FB20NT Chassis, Mast and Options Service Manual 99719-78100
$50.00
- Type Of Manual: Service Manual
- Manual ID: 99719-78100
- Number of Pages: 408
- Size: 11.1MB
- Format: PDF
-
Model List:
- FB16NT, FB18NT, FB20NT




Mitsubishi Service Manual PDF
Mitsubishi 1204E Diesel Engine Systems Operation Testing and Adjusting Service Manual 99799-56103
Mitsubishi Service Manual PDF
Mitsubishi GM 4.3L (G6) Fuel System Supplement Service Manual 99789-74111
Mitsubishi Service Manual PDF
Mitsubishi Service Manual PDF
Mitsubishi 4G63, 4G64 Fuel System Supplement Service Manual 99729-75110
Mitsubishi Service Manual PDF
Mitsubishi 4G63, 4G64, 6G72 Liquefied Petroleum Gas Supplement Service Manual 99729-75100
Mitsubishi Service Manual PDF
Mitsubishi 4G63, 4G64 Gasoline Engine Service Manual 99729-74120
Mitsubishi Service Manual PDF
Mitsubishi 1204E Diesel Engine Specifications Service Manual 99799-56101
Mitsubishi Service Manual PDF
Mitsubishi 4G63, 4G64 Gasoline Engine Service Manual 99729-14110


