Caterpillar S4S Diesel Engine Service Manual 99729-87120
$50.00
- Type Of Manual: Service Manual
- Manual ID: 99729-87120
- Number of Pages: 188
- Size: 14.5MB
- Format: PDF
-
Model List:
- S4S Diesel Engine
- 1. INTRODUCTION
- 1.1. How to use this manual
- 1.1.1. Methods of presentation
- 1.1.2. Terms used in this manual
- 1.1.3. Abbreviations
- 1.1.4. Units of measurement
- 1.2. Safety Cautions
- 1.2.1. Fire and explosion
- 1.2.2. Stay clear of all rotating and moving parts
- 1.2.3. Be careful of burns
- 1.2.4. Be careful of exhaust fume poisoning
- 1.2.5. Protect ears from noises
- 1.2.6. Be careful of falling down
- 1.2.7. Be careful of handling fuel, engine oil and LLC
- 1.2.8. Service battery
- 1.2.9. When abnormality occurs
- 1.2.10. Other cautions
- 2. GENERAL CONTENTS
- 3. GENERAL
- 3.1. External view
- 3.2. System flow diagrams
- 3.2.1. Fuel system – flow diagram
- 3.2.2. Lubrication system – flow diagram
- 3.2.3. Cooling system – flow diagram
- 3.2.4. Inlet and exhaust system – flow diagram
- 3.3. Engine serial number location
- 3.4. Main specifications
- 3.5. Tips on disassembling and reassembling
- 3.5.1. Disassembling
- 3.5.2. Reassembling
- 4. SERVICE DATA
- 4.1. Maintenance service data
- 4.1.1. General
- 4.1.2. Basic engine
- 4.1.3. Fuel system
- 4.1.4. Lubrication system
- 4.1.5. Cooling system
- 4.1.6. Inlet and exhaust system
- 4.1.7. Electrical system
- 4.2. Tightening torque table
- 4.2.1. Major bolt tightening torque
- 4.2.2. Standard bolt and nut tightening torque
- 4.2.3. Standard eyebolt tightening torque
- 4.2.4. Standard union nut tightening torque
- 4.2.5. High-pressure fuel injection pipe tightening torque
- 5. SERVICE TOOLS
- 5.1. Special tool
- 6. DETERMINATION OF OVERHAUL
- 6.1. Determining overhaul timing
- 6.2. Testing compression pressure
- 7. DISASSEMBLY OF BASIC ENGINE
- 7.1. Disassembling and inspecting cylinder head and valve mechanism
- 7.1.1. Removing rocker shaft assembly
- 7.1.2. Disassembling rocker shaft assembly
- 7.1.3. Removing cylinder head bolt
- 7.1.4. Removing cylinder head assembly
- 7.1.5. Removing valve and valve spring
- 7.1.6. Removing valve stem seal
- 7.2. Disassembling and inspecting flywheel
- 7.2.1. Removing flywheel
- 7.2.2. Removing oil seal case
- 7.2.3. Removing rear plate
- 7.3. Disassembling and inspecting damper, gear case, timing gear and camshaft
- 7.3.1. Removing crankshaft pulley and damper
- 7.3.2. Removing cover
- 7.3.3. Removing timing gear case
- 7.3.4. Measuring timing gear backlash
- 7.3.5. Measuring idler gear and camshaft gear end play
- 7.3.6. Removing fuel injection pump
- 7.3.7. Removing oil pan
- 7.3.8. Removing oil strainer
- 7.3.9. Removing oil pump gear
- 7.3.10. Removing idler gear
- 7.3.11. Removing PTO drive gear
- 7.3.12. Removing camshaft
- 7.3.13. Separating camshaft gear
- 7.3.14. Installing camshaft gear and thrust plate
- 7.3.15. Removing front plate
- 7.3.16. Removing oil pump
- 7.4. Disassembling and inspecting piston, connecting rod, crankshaft and crankcase
- 7.4.1. Removing connecting rod cap
- 7.4.2. Removing carbon deposits from the upper part of cylinder liner
- 7.4.3. Pulling out piston
- 7.4.4. Removing piston ring
- 7.4.5. Removing piston pin and piston
- 7.4.6. Removing main bearing cap
- 7.4.7. Removing crankshaft
- 7.4.8. Removing tappet
- 8. INSPECTION AND REPAIR OF BASIC ENGINE
- 8.1. Inspecting and repairing cylinder head and valve mechanism
- 8.1.1. Measuring clearance between rocker bushing and rocker shaft
- 8.1.2. Measuring valve stem outside diameter and valve guide inside diameter
- 8.1.3. Replacing valve guide
- 8.1.4. Inspecting valve face
- 8.1.5. Refacing valve face
- 8.1.6. Refacing valve seat
- 8.1.7. Replacing valve seat
- 8.1.8. Lapping valve and valve seat
- 8.1.9. Measuring perpendicularity and free length of valve spring
- 8.1.10. Measuring distortion of the bottom surface of the cylinder head
- 8.1.11. Measuring push rod runout
- 8.1.12. Removing combustion jet
- 8.2. Inspecting and repairing flywheel
- 8.2.1. Measuring flatness of flywheel
- 8.2.2. Measuring flywheel face and radial runouts
- 8.2.3. Inspecting ring gear
- 8.2.4. Replacing ring gear
- 8.3. Inspecting and repairing timing gear and camshaft
- 8.3.1. Measuring timing gear backlash
- 8.3.2. Measuring idler gear and camshaft gear end play
- 8.3.3. Measuring cam lift
- 8.3.4. Measuring camshaft runout
- 8.3.5. Measuring camshaft journal outside diameter
- 8.3.6. Measuring idler bushing inside diameter and idler shaft outside diameter
- 8.3.7. Replacing idler shaft
- 8.3.8. Measuring clearance between tappet and tappet guide hole
- 8.3.9. Inspecting tappet
- 8.3.10. Inspecting V-belt groove wear
- 8.4. Inspecting and repairing piston, connecting rod, crankshaft and crankcase
- 8.4.1. Measuring crankcase top surface distortion
- 8.4.2. Measuring cylinder inside diameter
- 8.4.3. Measuring piston outside diameter
- 8.4.4. Measuring piston ring end gap
- 8.4.5. Measuring clearance between piston ring groove and piston ring
- 8.4.6. Measuring piston pin bore diameter and piston pin outside diameter
- 8.4.7. Measuring piston protrusion
- 8.4.8. Measuring clearance between connecting rod bearing and crankpin
- 8.4.9. Measuring clearance between connecting rod bushing and piston pin
- 8.4.10. Replacing connecting rod bushing
- 8.4.11. Inspecting connecting rod bend and twist
- 8.4.12. Inspecting connecting rod bearing
- 8.4.13. Measuring connecting rod end play
- 8.4.14. Weight difference of connecting rod assembly in one engine
- 8.4.15. Measuring crankshaft journal outside diameter
- 8.4.16. Measuring crankshaft crankpin outside diameter
- 8.4.17. Grinding crankshaft
- 8.4.18. Measuring crankshaft end play
- 8.4.19. Measuring crankshaft runout
- 8.4.20. Replacing crankshaft gear
- 8.4.21. Inspecting oil seal contact surface
- 8.4.22. Installing oil seal sleeve
- 8.4.23. Removing oil seal sleeve
- 8.4.24. Inspecting main bearing surface
- 8.4.25. Measuring clearance between main bearing and crankshaft journal
- 9. REASSEMBLY OF BASIC ENGINE
- 9.1. Reassembling piston, connecting rod, crankshaft and crankcase
- 9.1.1. Installing main bearing
- 9.1.2. Installing thrust plate
- 9.1.3. Installing tappet
- 9.1.4. Installing crankshaft
- 9.1.5. Installing main bearing caps
- 9.1.6. Inserting side seal
- 9.1.7. Installing main bearing cap bolt
- 9.1.8. Measuring crankshaft end play
- 9.1.9. Reassembling piston and connecting rod
- 9.1.10. Installing piston ring
- 9.1.11. Preparation for installing pistons
- 9.1.12. Installing connecting rod bolt and connecting rod bearing
- 9.1.13. Installing pistons
- 9.1.14. Installing connecting rod cap
- 9.2. Reassembling timing gear and camshaft
- 9.2.1. Installing oil pump
- 9.2.2. Installing front plate
- 9.2.3. Installing camshaft gear and thrust plate
- 9.2.4. Installing camshaft
- 9.2.5. Installing PTO drive gear
- 9.2.6. Installing idler gear
- 9.2.7. Installing oil pump gear
- 9.2.8. Installing fuel injection pump
- 9.2.9. Inspecting and adjusting timing gear after installation
- 9.2.10. Installing front oil seal
- 9.2.11. Installing timing gear case
- 9.2.12. Installing oil strainer
- 9.2.13. Installing oil pan
- 9.2.14. Installing cover
- 9.2.15. Installing crankshaft pulley
- 9.3. Reassembling flywheel
- 9.3.1. Installing rear plate
- 9.3.2. Installing oil seal
- 9.3.3. Installing flywheel
- 9.4. Reassembling cylinder head and valve mechanism
- 9.4.1. Cleaning cylinder head bottom surface
- 9.4.2. Installing valve stem seal
- 9.4.3. Installing valve and valve spring
- 9.4.4. Installing cylinder head assembly
- 9.4.5. Tightening cylinder head bolts
- 9.4.6. Inserting push rod
- 9.4.7. Reassembling rocker shaft assembly
- 9.4.8. Installing rocker shaft assembly
- 9.4.9. Determining top dead center of No.1 cylinder compression stroke
- 9.4.10. Adjusting valve clearance
- 9.4.11. Installing rocker cover
- 10. FUEL SYSTEM
- 10.1. Removing fuel system
- 10.1.1. Removing fuel filter
- 10.1.2. Removing fuel injection pipe
- 10.1.3. Removing fuel injection pump
- 10.2. Disassembling, inspecting and reassembling fuel system
- 10.2.1. Disassembling and inspecting fuel filter
- 10.2.2. Changing fuel filter
- 10.2.3. Disassembling and inspecting fuel injection nozzle
- 10.2.4. Inspecting and adjusting fuel injection valve opening pressure
- 10.2.5. Inspecting fuel spray pattern of fuel injection nozzle
- 10.2.6. Cleaning and inspecting nozzle tip
- 10.2.7. Reassembling fuel injection nozzle
- 10.2.8. Inspecting and cleaning gauze filter of distribute type fuel injection pump
- 10.3. Installing fuel system
- 10.3.1. Installing fuel injection pump
- 10.3.2. Installing fuel injection pipe
- 10.3.3. Installing fuel filter
- 11. LUBRICATION SYSTEM
- 11.1. Removing lubrication system
- 11.1.1. Removing oil filter and relief valve
- 11.1.2. Removing oil pump, oil pan and oil strainer
- 11.2. Disassembling, inspecting and reassembling lubrication system
- 11.2.1. Disassembling and inspecting oil pump
- 11.2.2. Inspecting oil pump
- 11.2.3. Reassembling oil pump
- 11.2.4. Inspecting oil filter
- 11.2.5. Inspecting relief valve
- 11.3. Installing lubrication system
- 11.3.1. Installing oil pump, oil pan and oil strainer
- 11.3.2. Installing oil filter and relief valve
- 12. COOLING SYSTEM
- 12.1. Removing cooling system
- 12.1.1. Removing cooling fan, fan pulley and V-belt
- 12.1.2. Removing thermostat
- 12.1.3. Removing water pump
- 12.2. Disassembling, inspecting and reassembling cooling system
- 12.2.1. Disassembling and inspecting thermostat
- 12.2.2. Inspecting thermostat
- 12.2.3. Disassembling water pump
- 12.2.4. Inspecting water pump
- 12.3. Installing cooling system
- 12.3.1. Installing water pump
- 12.3.2. Installing thermostat
- 12.3.3. Installing cooling fan, fan pulley and V-belt
- 13. INLET AND EXHAUST SYSTEMS
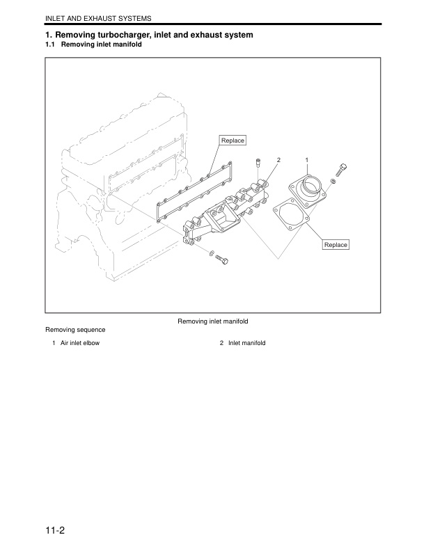
- 13.1. Removing turbocharger, inlet and exhaust system
- 13.1.1. Removing inlet manifold
- 13.1.2. Removing exhaust manifold
- 13.2. Disassembling, inspecting and reassembling inlet and exhaust systems
- 13.2.1. Measuring exhaust manifold distortion
- 13.3. Installing inlet and exhaust systems
- 13.3.1. Installing exhaust manifold
- 13.3.2. Installing inlet manifold
- 14. ELECTRICAL SYSTEM
- 14.1. Removing electrical system
- 14.1.1. Removing starter
- 14.1.2. Inspection before removing alternator
- 14.1.3. Removing alternator
- 14.1.4. Removing glow plug
- 14.2. Disassembling, inspecting and reassembling electrical system
- 14.2.1. Inspection before disassembling starter
- 14.2.2. Disassembling and inspecting starter
- 14.2.3. Inspecting and repairing starter
- 14.2.4. Installing starter
- 14.2.5. Disassembling and inspecting alternator
- 14.2.6. Inspecting and repairing alternator
- 14.2.7. Reassembling alternator
- 14.2.8. Inspecting glow plug
- 14.2.9. Inspecting magnet valve (stop solenoid)
- 14.2.10. Installing magnet valve (stop solenoid)
- 14.3. Installing electrical system
- 14.3.1. Installing glow plug
- 14.3.2. Installing alternator
- 14.3.3. Installing starter
- 15. ADJUSTMENT AND OPERATION
- 15.1. Adjusting engine
- 15.1.1. Inspecting and adjusting valve clearance
- 15.1.2. Draining fuel system
- 15.1.3. Bleeding fuel system
- 15.1.4. Inspecting and adjusting fuel injection timing
- 15.1.5. Inspecting V-belt and adjusting V-belt tension
- 15.1.6. Inspecting V-belt
- 15.1.7. Adjusting V-belt tension
- 15.2. Break-in operation
- 15.2.1. Starting up
- 15.2.2. Inspecting engine condition after starting up
- 15.2.3. Break-in operation time
- 15.2.4. Inspection and adjustment after break-in operation
- 15.3. Performance test (JIS standard)
- 15.3.1. Engine equipment condition
- 15.3.2. Test items and purposes
- 15.3.3. Other inspections
- 15.3.4. Engine output adjustment
Caterpillar Service Manual PDF
Caterpillar 2EC15-30 Chassis and Mast Service Manual 99759-80100
Caterpillar Service Manual PDF
Caterpillar 1204F Diesel Engine Systems Operation Testing and Adjusting Service Manual 99799-67103
Caterpillar Service Manual PDF
Caterpillar 1204E Diesel Engine Service Manual SCEEA-AT15E-200
Caterpillar Service Manual PDF
Caterpillar 5V15D to 5V35D Mast Supplement Service Manual 99739-351S0
Caterpillar Service Manual PDF
Caterpillar 2P3000 to 2PD7000, GP15NM-35NM Chassis and Mast Service Manual 99719-8M110
Caterpillar Service Manual PDF
Caterpillar 2EC15 to 2EC30 MicroCommand II Control Service Manual SENB8609
Caterpillar Service Manual PDF
Caterpillar 1204F Diesel Engine Troubleshooting Service Manual 99799-67104
Caterpillar Service Manual PDF
Caterpillar Service Manual PDF
Caterpillar 1204F Diesel Engine Disassembly and Assembly Service Manual 99799-67102






